Главная Случайная страница


Полезное:

Как сделать разговор полезным и приятным Как сделать объемную звезду своими руками Как сделать то, что делать не хочется? Как сделать погремушку Как сделать так чтобы женщины сами знакомились с вами Как сделать идею коммерческой Как сделать хорошую растяжку ног? Как сделать наш разум здоровым? Как сделать, чтобы люди обманывали меньше Вопрос 4. Как сделать так, чтобы вас уважали и ценили? Как сделать лучше себе и другим людям Как сделать свидание интересным?


Категории:

АрхитектураАстрономияБиологияГеографияГеологияИнформатикаИскусствоИсторияКулинарияКультураМаркетингМатематикаМедицинаМенеджментОхрана трудаПравоПроизводствоПсихологияРелигияСоциологияСпортТехникаФизикаФилософияХимияЭкологияЭкономикаЭлектроника






ЭЛЕКТРОСТАТИЧЕСКИЕ ПРЕОБРАЗОВАТЕЛИ 4 page





JT *

(l+fe)?M
■G6

л* м


 

 


Определим по заданным размерам возможное значение SJS&. Из рис. 8-13 оче­видно, что DM меньше Dg на а миллиметров. Таким образом, SJS$ = n

_. при а = 2 мм 5M/S6= -|Ц7.

Примем k = 0,3. Тогда Вм- 0,7/1,3.

Чтобы обеспечить ZJg > 0,6 Тл, должно выполняться условие Бм 0,6-1,3/0,7 ^ 1,1 Тл. Из кривых магнитных материалов (рис. 8-12) видно, что в этом случае лучше использовать материал ЮИДК 25БА, причем при индукциях в магните выше 1,1 Тл, как видно из кривой для этого материала, отношение Вым ^ 1,1/(45-103) = «2,4-10-5.

Таким образом, можно сказать, что длина магнита должна быть выбрана так,

Sfr I

чтобы удовлетворялось условие ~~ ^ 2,4 • 10-&. Из этого соотношения

•Ьи 0

: 17 ММ.

кА/м 500 450 400 350 300 250 200 150 100
Рис. 8-14

находим длину магнита:

1,3

4л • Ю-7 -—у- ~ ^ 2,4 • т.е./,

Теперь можно составить схему магнитной системы и произвести ее точный рас­чет, учитывая сопротивление стальных участков и проводимости отдельных путей утечек. После такого расчета или в процессе его должны быть соответствующим об­разом скорректированы размеры магнитной системы.

Свойства магнитных материалов. В качестве материалов постоян­ных магнитов в настоящее время используются литые сплавы, основ­ными компонентами кото­рых являются железо, ни­кель и кобальт; порошко­вые материалы с наполни­телями в виде пластмасс, ферриты с добавками бария или кобальта и сплавы ко­бальта с добавками редко­земельных элементов (ин­терметалл иды). В измери­тельных преобразователях используются в основном магниты первой группы благодаря их высокоста­бильным свойствам. Фер- ритовые магниты и маг­ниты на основе РЗМ (ред­коземельные металлы) имеют очень высокую коэрцитивную силу (рис. 8-14) и могут обеспечить относительно высокие индукции (0,2—0,6 Тл) при большом магнитном сопротивлении внешней цепи, т. е. в разомк­
нутых цепях и при малых габаритах магнитов, однако по стабильно­сти значительно уступают литым магнитам. Температурные коэффи­циенты индукции (ТКИ) составляют в области температур 20—100 °С

примерно 0,002 К"1 для ферритов и 0,0004 К"1 для сплавов на ос­нове РЗМ.

ТКИ некоторых литых материа­лов в зависимости от температуры, полученные Т. И. Булыгиной и В. В, Сергеевым, приведены на рис. 8-15. Положение на темпера­турной оси области, в которой ТКИ — 0, зависит от выбора рабо­чей точки магнита. Рабочие точки магнитов, результаты исследования которых приведены на рис. 8-15, соответствуют точкам Вы = Bd. При £м > Bd кривые смещаются влево и наклон их меняется.

Таким образом, значение ТКИ для одного и того же магнита может быть разным в зависимости от степени его размагничивания, т. е. зависит от магнитной цепи, в которой магнит используется. Однако можно сказать, что наибольшей температурной стабильностью обладает материал ЮНДК 35Т5 и его температурный коэффициент в области 20—40 °С может быть даже равен нулю, другие материалы характеризуются значениями ав = —(1 2) 10~4 К"4.

8-3. ИЗМЕРИТЕЛЬНЫЕ ТРАНСФОРМАТОРЫ И ИНДУКТИВНЫЕ ДЕЛИТЕЛИ НАПРЯЖЕНИЯ

Схема включения измерительных трансформаторов тока (ИТТ) и напряжения (ИТН) в цепь показана на рис. 8-16.

Измерительные трансформаторы позволяют расширить пределы измерения приборов, уменьшая в определенном соотношении ток и напряжение, и, кроме того, отделить и хорошо изолировать цепи из­мерительных приборов от силовой цепи, что дает возможность зазем­лить вторичные цепи и предохранить от опасности обслуживающий их персонал. Первичная цепь ИТН включается через предохранители, чтобы при неисправности трансформатора он не оказался причиной аварии. Предохранители, установленные во вторичной цепи, служат для защиты трансформатора от замыканий в нагрузке. Вторичный ток ИТТ равен 5 А, для специальных целей выпускаются трансформа­торы на 1 и 2 А, вторичное напряжение ИТН может быть 100, 100/1^3 и 150 В.

Точность измерительного трансформатора характеризуется двумя величинами: погрешностью коэффициента трансформации, определяю­щей отличие действительных вторичных токов и напряжений от номи-

Нальных, V/ = (/иом — /)//ном и = (£Уном — U)/UmM и угловой погрешностью ф/ или ф^, определяющей фазовый сдвиг между векто­рами токов или напряжений в первичной и вторичной об­мотках. Угловая погрешность должна учитываться при вклю­чении во вторичную цепь фа- зочувствительных приборов, например ваттметра, так как их показания, в частности ваттметра Р' = U2I2 cos [ф + + (фи + Ф/)1» зависят от ал­гебраической суммы (ф£/ + ф/). При включении фазочувстви- тельных приборов важно так­же не изменить направление одного из векторов на 180° неправильным включением обмоток, поэтому концы пер­вичных и вторичных обмоток трансформаторов маркируются, как показано на рис. 8-16.


По точности ИТТ и ИТН^.подразделяются на несколько классов. Характеристики наиболее точных лабораторных измерительных транс­форматоров (ГОСТ 23624—79 и ГОСТ 23625—79) приведены в каче­стве примера в табл. 8-1,

ч 1 Таблица 8-1
Тип трансфор­матора Класс точ­ности Предел допускаемой погрешности Нормаль­ная об­ласть значений вторич­ной на­грузки, %
Трансфор­матор тока 0,01 0,05 тока, % угла,... ® 95—100 50—100
±[0,01+0,002 (/„om//-1)J + [0,05 + 0,005 (/Ном//—D3 ±fl+0,I VnoJl- DJ ±: [3 + 0,3 (/„0M//-1)J
Трансфор­матор на­пряжения 0,05 напряжения, % угла,... ® 0—100
±0,05 UmJU ±3 UmufV

 

Причины погрешностей измерительных трансформаторов легко объяснимы из рассмотрения их эквивалентной схемы. Приведенная к первичной обмотке эквивалентная схема (см. рис. 8-2, б) для диа­пазона частот, в котором еще можно пренебречь межвитковыми емко­стями, представлена на рис. 8-17. При рассмотрении погрешностей
в данном случае не учитываются также ЭДС помех етт и шумовое напряжение 0Ш.

Для эквивалентной схемы (рис. 8-17) отношение токов

h Zx.x + Za + Z„ i г Zs-J-ZH /о i\

'2 ^х. х ^х. х

Zx v+Z^ + Zii

отношение напряжений

М'

Оо L

= 14.(^+2? + + (8-2)

\ zH zXi x Zv xzH/

Для идеальных трансформаторов приведенный коэффициент транс­формации должен равняться единице. Таким образом, вторые члены

уравнений (8-1) и (8-2) харак- fe w теризуют погрешность. Как вид-

11 г.—, J Л У' г^ *.—■ л ц2 но из уравнений, значение по­грешности зависит от сопротив­ления, включенного во вторич­ную цепь, и для ИТТ будет минимально при Z„ = 0, т. е. в режиме короткого замыкания, Рис. 8-17. а для ИТН —при Z; = oo,

т. е. в режиме холостого хода. Значения погрешностей зависят также от Zxx — сопротивления холо­стого хода трансформатора и будут тем меньше, чем больше Zxx, т. е. чем меньше ток холостого хода трансформатора.

Если возможно скомпенсировать ток холостого хода, т. е. добиться 10 = 0, например, с помощью операционного усилителя, то принци­пиально погрешности ИТТ можно свести к нулю; таким же методом можно понизить погрешность ИТН.

Требования к конструкциям ИТ определяются в первую очередь необходимостью обеспечения возможно большего сопротивления ZA<X, Это сопротивление равно

Z = = /^Ф ^;'o)ic,s = х,х /о ЙЦщ 1 Ш

. S S. • S /М-6) Q\

= }(X)W] -j fi = (X)Wi -j ^ 2 * (8-3)

и зависит от магнитной проницаемости материала сердечника. ИТН ра­ботает при относительно больших индукциях (В ~ 0,8 -s- 1,5 Тл) и желательно выбрать индукцию так, чтобы магнитная цепь работала в режиме \х = jxmax* ИТТ почти полностью размагничены, так как МДС первичной и вторичной обмоток направлены навстречу друг другу, индукция в сердечнике В ^ 0,02 -ь 0,15 Тл, В этой области (см. рис. 8-8) магнитные проницаемости относительно невелики, и увеличе­ния Zx>x добиваются за счет увеличения площади сердечника S.


Аварийный режим, связанный с разрывом вторичной цепи ИТТ при включенной первичной, приводит к намагничиванию сердечника, изменению \х и соответственно изменению коэффициента трансформа­ции. Поэтому ИТТ необходимо специально размагничивать, посте­пенно увеличивая ток в его вторичной обмотке изменением сопротив­ления от Zh оо до Zh —>- 0.

Как видно из выражения (8-3), сопротивление Zx x при прочих рав­ных условиях зависит от магнитного потока через сердечник, который изменяется при изменении преобразуемого тока или напряжения. Поэтому погрешности ИТ зависят от отношений ///ном и U/UliOM.

Для того чтобы разделить погрешности трансформации и угловые погрешности, удобно представить соответствующие сопротивления в виде Z = Zefr. В этой форме коэффициент трансформации ИТТ за­пишется в виде

П/ = 1 И--------------- 7----------------------- —

_ J j z'2 cos (Фа—Фо) + cos (фн — ф0) ^

z; sin (ф2 —ф0)+^н sin (Фн~ Фо) ""г / 7

^х. х

Погрешности реального ИТТ относительно идеального ИТТ соот­ветственно равны

Z2 COS2 - Фо) + ZH COS (Фн ~ Фо)

Г/ ~----------------- 7----------------------»

^х. х

__ z- sin (ф20) + ^ Sin (фн0) ф! — drcts 7 •

Аналогично полученные погрешности ИТН составляют

Z\ COS (фх фн) -}- Zg COS (ф2 фн), =-------- 2!"------- h

cos (ф1 - ф0)+ztz; sin (Фг2 - Ф0 - Фн) '7

И^Х. X

Ц)и = arcta pi^ (Ф2~ФЛ) +

sin № ~Фо) sin (Фх + Фз —Фр-
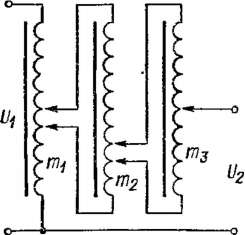
тивные делители имеют погрешность коэффициента деления 10~3— 10~4% при фиксированной частоте. Частотный диапазон ИДН дости­гает /верХ//вижн «Ю4, однако в этом диапазо­не погрешности суще­ственно возрастают. На­иболее широко распро­страненная схема ИДН, схема Кельвина — Вар- лея, представлена на рис. 8-19. ИДН с регу­лируемым в десятичной

  п1 v ч\ П1реамьн- ^^J^Z^Zs i % ом
+ т  
t 1 у   >
     
t (У1ном)т1п
Whom
Рнс. 8-18
Рис. 8-19

 

ния, широкое применение нашли они также в цифровых бескоромыс- ловых весах.

Принцип действия датчика уравновешивания с МЭОП поясняется на рис. 8-20. Измеряемая сила Fx действует на подвижную часть дат­чика Jt закрепленную относительно корпуса на растяжках, мембране или плоских пружинах 2. Обмотка 4, расположенная на цилиндриче­ском каркасе, находится в радиальном зазоре магнитной системы. Торец каркаса и пластина 3, укрепленная с помощью изоляторов на полюсном наконечнике 5, образуют емкостный преобразователь. Этот преобразователь, имеющий емкость Сху включается в измерительный мост, питаемый от высокочастотного генератора F. При действии силы


 

Сх, выходной сигнал измерительного моста усиливается усилите­лем Ус и выпрямляется демодулятором ДМ„ Выпрямленный ток / подается в обмотку 4 таким образом, чтобы сила Fp = р/, создавае­мая в результате взаимодействия тока с магнитным полем, была на­правлена навстречу измеряемой силе и уравновешивала ее. Сила, возникающая при взаимодействии электрического тока /, протекаю­щего по катушке, с полем постоянного магнита, определяется форму­лой Fp = рмэ/ = Blwl, где В — индукция в зазоре магнита; I — средняя длина витка катушки; w — число витков катушки. Работа датчика описывается уравнением Fx: = Fp + AF, и о значении изме­ряемой силы можно судить по току /, измеряемому по падению напря­жения на образцовом резисторе RN. Поскольку значение AF равно не более (0,01 -г- 0,001) Fp, то точность датчика определяется в основ­ном точностью обратного преобразователя, т. е. стабильностью коэф­фициента р. Силы, создаваемые МЭОП, составляют от 10~2 Н в акселе­рометрах до 10—102 Н в весах.


Погрешности лучших МЭОП оцениваются значениями порядка 0,01—0,005%.

Основными причинами возникновения погрешности (при условии, что температура внешней среды неизменна) являются: а) нестабиль­ность свойств магнита магнитной системы; б) неоднородность магнит­ного поля в диапазоне перемещения катушки; в) изменение индукции

магнита вследствие воздействия на него МДС, создаваемой при прохождении тока через катушку; г) наличие электромагнит­ной составляющей силы Fm = 0,5 PdL/dkX, возникающей в случае, если индуктив­ность катушки изменяется при ее переме­щении ДХ; д) нагрев катушки собствен­ным током.

Для уменьшения погрешности от неста­бильности следует при конструировании магнитной системы особое внимание уде­лить жесткости соединения магнита с маг- нитопроводом и после сборки подвергнуть преобразователь старению путем много­кратных изменений температуры. Чтобы избежать влияния близо­сти ферромагнитных масс, преобразователь надо выполнять с внут­ренним магнитом; в этом случае внешний магнитопровод служит до статочно хорошим экраном.

Погрешность от неравномерного распределения индукции в зазоре появляется из-за того, что при смещении катушки на расстояние Д (рис. 8-21) часть ее витков с левой стороны (на рисунке зачернены) переместится из области магнитного поля со средней индукцией Во в область со средней индукцией + ДВъ а правые витки — в об­ласть В'п — Д В2.

Погрешность определяется формулой

_АВ1 — АВ, А

у~ I 9

где ДБХ и ДВ2 — средние изменения индукции на соответствующих участках при перемещении катушки на расстояние Д; / — длина ка­тушки; В0 — средняя индукция в области расположения катушки.

Погрешность будет тем меньше, чем меньше перемещение катушки, и поскольку в приборах уравновешивания перемещение подвижной части не превышает 0,01—0,1 мм, то эта погрешность достаточно мала. Однако для ее уменьшения размеры катушки должны быть вы­браны таким образом, чтобы катушка при перемещении не приближа­лась к краю зазора ближе, чем на его длину fi. При необходимости увеличения габаритов катушки можно сделать ее длину I больше ши­рины зазора /0 на величину I — 10 = 0,8 б (см. § 8-2). Тогда при не­большом смещении катушки (Д < 0,1 6) изменения индукции ДBt и ДВ.г будут иметь разные знаки и примерно одинаковое значение.

Рис. 8-21

Существенное уменьшение погрешностей от воздействия МДС ка­тушки достигается использованием симметричной магнитной системы. Например, в магнитной системе (рис. 8-22) один из магнитов подмаг- ничивается током катушки, в то время как другой размагничивается.

Погрешность, вызываемая гистерезисом, для такой магнитной системы не превышает 0,03% при МДС катушки до 100 А и длине магнитов (ЮНДК24) 20 мм.

В конструкциях с одним магнитом следует предусмотреть спе­циальную обмотку, МДС которой компенсирует МДС катушки, напри­мер, так, как это показано на рис. 8-20 (обмотка R0). Ток в обмотке R0 и, сле­довательно, создаваемую им допол­нительную МДС можно регулировать перемещением движка на резисторе Rx таким образом, чтобы погрешно­сти гистерезиса и линейности были минимальными во всем рабочем диа­пазоне прибора.

Самой существенной погрешностью МЭОП, определяющей, в случае если габариты и масса датчика ограничены, предел измерения прибора, является погрешность от нагрева катушки соб­ственным током. Эта погрешность тем более нёприятна, что зависит не только от измеряемой величины и от времени ее действия, но и от величины, действовавшей в предшествующий измерению отрезок вре­мени, так как постоянная времени нагрева датчика обычно состав­ляет минуты и даже десятки минут.

: Предел измерения датчика Fg = 1В1пр ограничивается допусти­мой мощностью Р — /2/?кат) выделяемой в катушке обратного пре­образователя. Учитывая, что сопротивление катушки RKar •— Р^нр/^пр» предел измерения датчика находим как Bj/73 ]//nD«Snp/p, и,

как видно из этого выражения, он зависит от объема провода Упр = = JiipSnp и не зависит от сечения провода. Объем, занимаемый обмот­кой, можно выразить следующим образом: 1/пр = k3an80SKaT, где SKaT — боковая поверхность катушки; — активная длина зазора, занимае­мая обмоткой; /гзап — коэффициент заполнения медью.

Значение допустимой мощности Р = PyRSKaTB зависит от боковой поверхности катушки SKaT, допустимой температуры перегрева © и удельной мощности Руд, определяемой условиями охлаждения (см. § 2-2).

На основании экспериментальных исследований ряда датчиков с МЭОП значение Руд может быть принято равным Руд =100 Вт/(м2 «К).

Учитывая приведенные формулы, предел измерения датчика можно выразить так:

^зап/Р"

Однако чаще при конструировании датчиков возникает обратная задача: при заданном пределе измерения найти оптимальные размеры датчика. Как видно из последней формулы, предел измерения датчика зависит от индукции в зазоре, боковой поверхности катушки и актив­ной длины зазора. Возрастание одной из этих величин при сохранении двух других неизменными неизбежно приводит к увеличению объема

магнита, поэтому для определения оптимальных размеров датчика необходимо связать предел измерения непосредственно с объемом магнита Формула, связывающая эти величины:

т/2 _ р* _______ И™ 46К

где Вм и Ям — индукция и напряженность в материале магнита, раз­меры которого выбираются таким образом, чтобы Вм = Ва и #м = т. е. соответствовали координатам экстремальной точки кривой раз­магничивания, определяющей для данного материала максимум про­изведения ВН\ jxM = BJHM, 6К — конструктивная длина зазора, определяемая толщиной каркаса и двумя технологическими зазорами и выбираемая минимально возможной (длина активного зазора 60 для получения минимального объема VM выбирается равной 6К); kn = = SKaT/Sn и SJSU — коэффициенты, определяемые как отноше­ния площадей боковой поверхности катушки SKax, полюса S„ и маг­нита Sn и в первом приближении близкие к единице.

Допустимая температура перегрева © определяется допустимой погрешностью, возникающей в результате нагрева катушки и магнита и изменения его индукции при действии больших входных величин, и обычно принймается равной © = 1 -г- 3 °С.

В тех случаях, когда габариты МЭОП не ограничены строгими требованиями минимальной массы датчика, например в весах, габа­риты которых определяются в первую очередь размерами платформы под груз, мощность МЭОП ограничивается не его нагревом, а выход-- ной мощностью электронной схемы, и соотношения размеров полу­чаются иными.

При заданном на обмотке напряжении 1/обя и индукции в зазоре В сила, создаваемая МЭОП, определяется формулой

Fp = BlnpI = BlnpUo6J Rnp = лШобм^Р/(4р),

где ^пр — диаметр провода и р — его удельное сопротивление.

При индукции в зазоре В = 0,5 Тл, Uo6m = 5 В и требуемой силе ■5 Н диаметр провода должен быть не менее dnp = 0,2 мм.

Если кроме напряжения задан и ток через обмотку, то можно опре­делить и примерные размеры зазора датчика, необходимого для раз­мещения обмотки.

Действительно, учитывая, что /П}) = nDw и w — /б0/и/, где D — средний диаметр обмотки; I — длина обмотки; б0 — часть зазора, занятого обмоткой, и w' — плотность намотки, т. е. число витков на единицу площади, получим, что размеры обмотки связаны с силой формулой D/60 ^ Ffti(nBIw'). В частности, для рассмотренного выше примера при допустимом токе 100 мА Ш60 ^ 5,0/(л>0,5*0,1 -1640 х X Ю4) = 1,9- Ю-6 м3; если принять 60 = 1 мм, / = 25 мм, то D = = 75 мм.

Компенсация жесткости подвески. Конструкция магнитоэлектри­ческого преобразователя позволяет относительно просто дополнить его устройством, вносящим в датчик дополнительную «электрическую» жесткость, которая может как увеличивать, так и уменьшать жест­
кость подвески. Реализация устройства «отрицательной» жесткости поясняется на рис. 8-23, а.

и

-- оо ооооооосб од --

Для этой цели на каркасе катушки, кроме основной обмотки 1У располагаются две полуобмотки 2 и 2'. Эти полуобмотки симметричны, расположены в области, где еще действует магнитное поле (см. рис. 8-10), и включены встречно. Через полуобмотки пропускается

Стабилизатор тот


 

 

Fx

 

Рис. 8-23

ток /0 от стабилизатора тока в таком направлении, чтобы силы взаи­модействия полуобмоток с магнитным полем стремились втянуть ка­ждую из них под полюс. При отсутствии входной величины и сим­метричном начальном положении подвижной части силы взаимодейст­вия полуобмоток с магнитным полем, направленные встречно, компен­сируют друг друга. При смещении подвижной части вправо сила F2 увеличивается, а сила F'2 уменьшается, разность сил F2 — F'2 прибли­зительно линейно зависит от перемещения и направлена в ту же сторону, что и ме­ханическая сила, вызывающая смещение подвижной части. В результате достигается эффект снижения жесткости подвески, т. е. вносится «отрицательная» жесткость.

Значение дополнительной жесткости, со­зданной в таком устройстве, составляет В7Д «2Iol^Bw''g/Ь, где /„ — ток стабилиза­тора; /0 — длина витка; g/б — отношение ширины обмотки к длине зазора; w"—линей­ная плотность намотки. При необходимости компенсации электриче­ским путем больших жесткостей подвески приходится занимать под это устройство часть рабочего зазора и располагать полуобмотки так, как показано на рис. 8-23, б; в этом случае Wn = 2/0/0Вш". Подробно вопросы, связанные с созданием устройства «электрической» жестко­сти, исследованы В. С. Моисейченко. *

Магнитоэлектрогидродинамические обратные преобразователи (МЗГДОП) основаны на использовании явления взаимодействия, проте­
кающего в электропроводящей жидкости электрического тока с магнит­ным полем.

На рис. 8-24 показано устройство камеры МЭГД преобразовате­ля манометра. Камера преобразователя образована двумя профили­рованными пластинами / и 2 из изоляционного или покрытого изо­лирующим слоем материала и двумя пластинами токопроводов 3 и 4. Камера размещается в зазоре магнитной системы таким образом, что­бы направление индукции соответствовало указанному на рис. 8-24. В торцевых частях камеры имеются отверстия, в которых закрепле­ны выводные трубки. Камера полностью, а трубки частично запол­нены рабочей жидкостью.

Сила, создаваемая в элементарном объеме жидкости, определяется формулой dE = [BJ] dVy и если допустить, что индукция В и плот­ность тока J равномерно распределены в рабочей зоне преобразова­теля и взаимно перпендикулярны, то выходное давление определяется формулой Р = BI/h, где h — высота канала. Минимальная высота составляет h = 0,1 -s- 1,0 мм, а максимальное выходное давление при В = 1,0 Тл и / = 5 А равно Р = (5 0,5) 1.04 Па. МЭГДОП подробно исследованы В. Я. Ложниковым и М. М. Фетисовым, ими предложен также ряд оригинальных конструкций манометров и акселерометров с МЭГДОП. *

8-5. ЭЛЕКТРОМАГНИТНЫЕ ПРЕОБРАЗОВАТЕЛИ ИЗМЕРИТЕЛЬНЫХ МЕХАНИЗМОВ ЭЛЕКТРОМЕХАНИЧЕСКИХ ПРИБОРОВ

В аналоговых электроизмерительных приборах прямого преобра­зования широко используются электромеханические измерительные преобразователи, входной величиной которых является ток, а выход­ной — перемещение указателя отсчетного устройства. Эти преобразо­ватели получили название измерительных механизмов (ИМ).

Устройство электромеханического прибора и назначение отдельных конструктивных элементов рассмотрим на примере амперметра с элек­тромагнитным ИМ, схематически показанным на рис. 8-25, а. Основным элементом неподвижной части электромагнитного ИМ, участвующим в создании вращающего момента, является катушка /, а основным элементом подвижной части — сердечник 2 из ферромагнитного мате­риала, закрепленный на оси 3.

На рис. 8-25, показаны принципиальные устройства ИМ и других типов — электродинамического (ЭД), фер роди нами чес кого (ФД) и магнитоэлектрического (МЭ).

В ЭД, ФД и МЭ измерительных механизмах элементом подвижной части, участвующим в создании вращающего момента УИвр, является рамка 2 (рис. 8-25, б, е, г), намотанная тонким проводом. На осях 3 укреплены подвижные части ЭМ, ЭД и ФД механизмов. Ось 3 снаб­жена на концах кернами и может поворачиваться в подпятниках 4. Подвижная часть МЭ измерительного механизма (рис. 8-25, г) укреп­лена на двух растяжках 3 (на рис. 8-25, г показана оборванная рас­
тяжка). С подвижной частью же­стко связана стрелка 5, которая при повороте подвижной части пе­ремещается над неподвижно укреп­ленной шкалой 6. На шкале уста­новлены упоры 7, чтобы уберечь стрелку и подвижную часть от по­вреждений.

При включении электромагнит­ного ИМ в электрическую цепь маг­нитное поле, создаваемое проте­кающим по катушке током / (вход­ная величина), втягивает сердеч­ник внутрь катушки, в результате чего возникает вращающий момент Мвр. Зависимость момента /Иир1 при токе 1У от угла отклонения под­вижной части приведена на рис.' 8-26. Если ток имеет большее зна­чение, то тогда вращающий момент возрастает (ток /2, момент УИвр2),


 







Date: 2015-09-18; view: 577; Нарушение авторских прав



mydocx.ru - 2015-2026 year. (0.332 sec.) Все материалы представленные на сайте исключительно с целью ознакомления читателями и не преследуют коммерческих целей или нарушение авторских прав - Пожаловаться на публикацию