Главная Случайная страница


Полезное:

Как сделать разговор полезным и приятным Как сделать объемную звезду своими руками Как сделать то, что делать не хочется? Как сделать погремушку Как сделать так чтобы женщины сами знакомились с вами Как сделать идею коммерческой Как сделать хорошую растяжку ног? Как сделать наш разум здоровым? Как сделать, чтобы люди обманывали меньше Вопрос 4. Как сделать так, чтобы вас уважали и ценили? Как сделать лучше себе и другим людям Как сделать свидание интересным?


Категории:

АрхитектураАстрономияБиологияГеографияГеологияИнформатикаИскусствоИсторияКулинарияКультураМаркетингМатематикаМедицинаМенеджментОхрана трудаПравоПроизводствоПсихологияРелигияСоциологияСпортТехникаФизикаФилософияХимияЭкологияЭкономикаЭлектроника






ЭЛЕКТРОСТАТИЧЕСКИЕ ПРЕОБРАЗОВАТЕЛИ 2 page





=________ S

(б-бл)/е0 + бдл *

На рис. 7-9, г показан принцип устройства емкостных преобра­зователей с переменной площадью пластин, используемых для изме­рения угла поворота вала. Пластина /, жестко скрепленная с валом, перемещается относительно пластины 2 так, что длина зазора между ними сохраняется неизменной. Достоинством емкостных преобразо­
вателей с переменной площадью пластин является возможность соот­ветствующим выбором формы подвижной I и неподвижной 2 пластин получить заданную функциональную зависимость между изменением емкости и входным угловым или линейным перемещением. Преобра­зователи с переменной площадью применяются для измерения пере­мещений, больших 1 мм.

Для измерения малых перемещений (10~6 — 10~3 м) получили применение преобразователи с переменным зазором. Принцип уст­ройства подобного дифференциального преобразо­вателя изображен на рис. 7-9, д. Обкладка 2 за­креплена на пружинах и перемещается поступа­тельно под воздействием измеряемой силы F. Об­кладки 1 и 3 неподвижны. Емкость между обклад­ками 2 и 3 увеличивается, а между обкладками 1 и 2 — уменьшается.

На рис. 7-10 показана конструкция одной по­ловины дифференциального емкостного преобра­зователя, используемого в качестве преобразова­теля неравновесия в датчике уравновешивания. Подвижная пластина 1 крепится к корпусу 2 на растяжках Зу жесткость которых при перемеще­нии в направлении оси X — X очень мала. При действии силы F подвижная пластина перемещается, и зазор меж­ду подвижной и неподвижной пластинами изменяется. Обе пласти­ны тщательно изолированы от корпуса специальными прокладками 4 и стеклянными «слезками» 5.

Рис. 7-10
5 4 3 Рис. 7-11

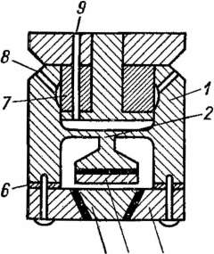
На рис. 7-11 представлена конструкция высокочувствительного емкостного датчика давления, предназначенного для работы в области низких температур. Основными узлами дат­чика являются корпус У, выполненный сов­местно с мембраной 2, пробка 7, припаиваемая к корпусу через каналы 8 серебряным при­поем, и фланец 3. Корпус и фланец изготов­ляются из берилловой бронзы, пробка — из красной меди. Измеряемое давление «подает­ся» через капилляр 9 в пробке в надмемб- ранную камеру. К выступу мембраны через изолирующую пленку прикреплена подвиж­ная пластина 4 емкостного преобразовате­ля. Неподвижная пластина 5 загоняется во фланец в виде конусной пробки, обернутой изо­лирующей пленкой. Таким образом, обе пла­стины изолированы относительно корпуса. Сопрягающиеся плоско­сти корпуса и фланца обрабатываются совместно с электродами ем­костного преобразователя после закрепления электродов на мембране и во фланце. Благодаря такой обработке зазор между электродами обеспечивается прокладкой 6, имеющей толщину 15—20 мкм. Диа­метр электродов около 10 мм. Изменение зазора при номинальном дав­лении Дб = 8 мкм. Емкость преобразователя С0 = 30 пФ.

Как видно из приведенных примеров, область применения емкост­ных преобразователей весьма разнообразна, однако наиболее широко они используются для измерения малых перемещений и величин, легко преобразуемых в перемещение, например давлений.

При современной технологии изготовления датчиков начальный зазор может быть доведен до 5^10 мкм и порог чувствительности по перемещению оценивается значениями порядка 10~и м. Огромным достоинством емкостного элемента является также принципиальное отсутствие'шумов в отличие от резистивных и индуктивных элемен­тов и отсутствие самонагрева. Все это приводит к тому, что в настоя­щее время в качестве наиболее высокочувствительных преобразова­телей в научных исследованиях используются емкостные преобразо­ватели. Наблюдается также тенденция к применению емкостных преобразователей для всех измерений, проводимых в области сверх­низких температур.

7-4. ИЗМЕРИТЕЛЬНЫЕ ЦЕПИ ЕМКОСТНЫХ ПРЕОБРАЗОВАТЕЛЕЙ

Емкости большинства преобразователей составляют 10—100 пФ, и поэтому даже при относительно высоких частотах напряжения пита­ния (105—107Гц) их выходные сопротивления велики и равны Хс ~ = 1/ (соС) = 103 ч- 107 Ом. Выходные мощности емкостных преобра­зователей малы (см. § 3-3), и в измерительных цепях необходимо при­менение усилителей. Допустимые значения напряжения питания емкостных преобразователей достаточно велики (см. § 7-1), и напря­жение питания, как правило, ограничивается не возможностями преобразователя, а условиями реализации измерительной цепи.

Основной трудностью построения измерительных цепей с емкост­ными преобразователями является защита их от наводок (см. §. 3-5). Для этих целей как сами преобразователи, так и все соединитель­ные линии тщательно экранируются. Однако, экранированный про­вод имеет емкость Сж.э между жилой и экраном (С — 50 пФ/м), кото­рая при неудачном выборе точки присоединения экрана может ока­заться включенной параллельно емкости преобразователя (см., на­пример, рис. 7-2). При этом падает чувствительность преобразова­теля, так как относительное изменение емкости уменьшается на вели­чину к = АС00 — ДС0/ (С0 + Сж.э), и появляется весьма суще­ственная по значению погрешность, вызываемая нестабильностью ем­кости Сж.э, поскольку любые изменения этой емкости воспринима­ются как изменение рабочей емкости ДС0. Поэтому при построении измерительной цепи с емкостными преобразователями в первую оче­редь обращается внимание на включение так называемых паразитных емкостей.


Кроме этого, следует обращать внимание на линейность зависи­мости выходного параметра измерительной цепи от измеряемой вели­чины (см. § 3-3), имея в виду, что емкостные преобразователи явля­ются преобразователями высокоомными, а измеряемая величина может быть связана линейной зависимостью как с сопротивлением преобразователя (при изменении зазора 6), так и с его проводимостью
(при изменении площади £ или диэлектрической проницаемости г).

Для работы с емкостными преобразователями применяют изме­рительные цепи, в основу которых положены различные структуры— делители напряжении, измерительные мосты, емкостио-диодные цепи, резонансные контуры.

Очень часто в состав современных измерительных цепей вклю­чают также операционные усилители (ОУ).

На рис. 7-12 показана схема цепи с ОУ, построенная по прин­ципу делителя напряжения. В данном случае £/вых = LJ^CJC^. Как видим, с помощью такой цепи удобно преобразовывать в напряже­ние изменение зазора между обкладками конденсатора С2 ^ВЫх = = или изменение площади конденсатора Сг = "^Г")*

В обоих случаях зависимость выходного напряжения от измеряемой величины будет линейной.

В схеме 7-12 емкости экранированных проводов Сэ1, Сэ2, Сэ3 прак­тически не влияют на работу измерительного устройства. Это объяс­няется тем, что емкости Сэ1 и Сэ3 включены параллельно источнику сигнала V^ и ОУ, имеющим низкие выходные сопротивления. Ем­кость же С32 включена параллель­но входам ОУ, и напряжение на ней близко к нулю.

L

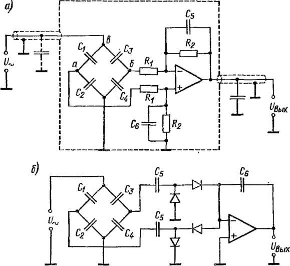
Дифференциальные емкостные преобразователи включаются пре­имущественно в мостовые измери­тельные цепи. На рис. 7-13 даны примеры таких цепей, содержащих мосты с индуктивно-связанными плечами.

Выходной сигнал в цепи (рис. Рис. 7-12

7-13, а) подан на вход повторителя

напряжения, выполненного на ОУ. Если принять, что напряжение на каждой половине вторичной обмотки трансформатора равно то выходное напряжение равно UBblx = U_ (С^ — С2) / (Сг + С2).

Емкости Сэ1 и Сэ2 экранированных проводов, соединяющих дат­чик с трансформатором, включены параллельно полуобмоткам транс­форматоров и роли не играют. Для уменьшения влияния емкости экранированного провода, соединяющего датчик с усилителем, при­меняется схема эквипотенциальной защиты (см. § 3-5). Для этой цели используется провод с двойным экраном. Наружный экран присоединяется к земле, а внутренний — к выходу повторителя на­пряжения. Ток с центрального проводника на внутренний экран отсут­ствует, так Как равны между собой напряжения в точках а и б отно­сительно земли. Ток между внутренним и внешним экраном не ска­зывается на работе устройства, поскольку нагружает низкоомный выход повторителя напряжения.


I: с/ I -fc3l j i;
Л-j 1ч _ h>4

Необходимость в двух экранах отпадает при подсоединении вы­хода моста к инвертирующему входу ОУ (рис. 7-13, б). Поскольку

потенциал на этом входе усилителя весьма близок к нулю, то ток между ~ проводом, подсоединенным к этому входу, и окружающим его экра­ном будет практически равен нулю. Для цепи (рис. 7-13, б) верно соотношение UBblx = U^ (Сг — С2) /С3.

На рис. 7-13, в показана модификация мостовой цепи при ем­костном токосъеме с подвижной пластины. Экраны и паразитные емкости на схеме рис. 7-13, б и на последующих схемах не показаны с целью упрощения рисунков.

Обозначим емкости между неподвижными и подвижной пласти­нами индексом, соответствующим номеру неподвижной пластины.


 

 


лат

Рис. 7-13

L____
в)
i 1 ft f 4h
    J
1 2     % 1

1!

J 1_   Ч
h шшш\  
1 2 *Г в  
     

 

 


В плечо моста входят емкости С1 4- Сь и С2 + С6. Через емкость С3 + С4 подключена вершина измерительной диагонали моста к вы­ходу ОУ. В результате выходное напряжение (УЕЫХ определится фор­мулой

т j __ г 1 ___ (Сж -}- С5) — (Са + С6) C3-f-Q

вь,х"" -Cj~bC2+C34-C4 + C6+C6 Со.с *

При перемещении пластины в направлении, указанном стрелкой, емкость С1 + Сь увеличивается, емкость С2 + С6 уменьшается, а ем­кость токосъема С3 С4 остается почти неизменной, так как ем­кость С3 увеличивается, а емкость С4 уменьшается.

В схеме, приведенной на рис. 7-13, г, показано, как с помощью охранных электродов улучшить характеристики емкостных преобра­зователей. Здесь емкостные преобразователи образованы пласти­нами 1, 4 и 2, 6. Пластины же «3, 5, 7 служат охранными электро­дами. Поскольку пластины 4 и 6 присоединены к инвентирующему входу ОУ, то напряжение на них весьма близко к нулю. Поэтому поле между пластинами 1 и 3, 4, 5, а также между пластинами 2 и 5, 6, 7 будет практически однородным. Благодаря этому исключается влияние краевого эффекта на работу преобразователей (краевые
искажения поля теперь будут наблюдаться между пластинами 1, 2 и 5, 7).

Общим недостатком схем, приведенных на рис. 7-12 и 7-13, явля­ется то, что они могут быть рекомендованы только для датчиков, у которых все пластины изолированы от корпуса, что иногда бывает трудно реализовать конструктивно. При заземлении одной из пла­стин (обычно общей подвижной пластины) желательно элементы измерительной цепи располагать в одном корпусе с датчиком, напри­мер так, как показано на рис. 7-14, а. Тогда провода, идущие к вер-


Рис. 7-14

 

шинам а и б, могут быть без экранов, а емкость СЖтЭ провода, под­ходящего к вершине в, подключается параллельно источнику пита­ния. В аналогичной цепи (рис. 7-14, б) использован недифференциаль­ный усилитель, что стало возможным благодаря предварительному выпрямлению с разными знаками переменных напряжений, присут­ствующих на вершинах выходной диагонали моста.

На рис. 7-15 представлена емкости о-диодная измерительная цепь дифференциального датчика с заземленной пластиной. Емкости дат­чика С! и С2 подсоединены к источнику переменного напряжения с помощью четырех диодов и двух дополнительных конденсаторов С3. В каждом полупериоде переменного напряжения открывается соот­ветствующая пара диодов (Д/, Д4 или Д2, ДЗ). При этом каждый из конденсаторов С3 соединяется последовательно то с емкостью Clf то с емкостью С2. При неравенстве емкостей Сг и С2 токи через кон­денсаторы С3, текущие в положительном и отрицательном направле­ниях, будут не равны между собой. Вследствие этого на кондеиса-
торах С3 появится постоянное напряжение, которое и является выход­ным. Если пренебречь падениями напряжения на диодах, то значе­ние иъых определится приближенным соотношением

сх—с2

вых —'-Cj + C2 + 2СГС23

,2 U
иЛ1

Нестабильность выходного напряжения определяется неидентич­ностью падения напряжения на диодах, поэтому диоды должны тща-


 

 


ЧА, Овых

£
С; Cg ^ __ L

Vl 1 11


 

 


Рис. 7-15

телыю подбираться. Чтобы избежать шунтирования емкостей датчика паразитными емкостями, диодная сборка помещается в корпусе дат­чика. Неравенство паразитных емкостей проводов, подходящих к точ­кам а и б, приводит к изменению переменной составляющей напря­жения на выходе; на постоянную составляющую напряжения эти емкости не влияют.

Рис. 7-16

 

Возможный вариант цепи (рис. 7-15, а), предназначенный для телеизмерений, показан на рис. 7-15, б. Здесь по одному коаксиаль­ному кабелю передается переменное напряжение U^ от источника на датчик и постоянное напряжение £/ВЬ1Х — с датчика. Внутри дат­чика монтируются четыре диода, конденсатор С3 и резистор Rt. По­казанные на схеме (рис. 7-15, б) значения параметров элементов рас­считаны на частоту питающего напряжения, примерно равную 1 МГц.

На рис. 7-16 приведены измерительные цепи с резонансными контурами. Цепи питаются от источников со стабильной частотой (о0.

При изменении емкости С преобразователя (рис. 7-16, а) сопротивле­ние контура изменяется по резонансной кривой (рис. 7-16, б) и при l/l/LC = G)0 достигает максимума.

На склонах резонансной кривой может быть выбран участок, более или менее приближающийся к линейному. Пренебрегая сопро­тивлением R2 по сравнению с сопротивлениями o)L и и полагая С = С0=±='ДС, 0)0 = A/]/".l/(Lp), Q = Ыо^Шг И р=>УПЕ, напряже­ние на контуре можно выразить соотношением ик = I

Утп + 1/Q2 [1 (1 + ДС/С0)]2 *

Зависимости UJUmvt представлены на рис-. 7-16, б. i

ГЛАВА ВОСЬМАЯ ЭЛЕКТРОМАГНИТНЫЕ ПРЕОБРАЗОВАТЕЛИ

8-1. ПРИНЦИП ДЕЙСТВИЯ И ОБЛАСТЬ ПРИМЕНЕНИЯ ЭЛЕКТРОМАГНИТНЫХ ПРЕОБРАЗОВАТЕЛЕЙ

Электромагнитный (ЭМ) преобразователь представляет собой один или несколько контуров, находящихся в магнитном поле, которое может быть создано как токами, протекающими по контурам, так и внешним источником.

Одноконтурный ЭМ преобразователь характеризуется током i через контур, потокосцеплением Т — Li, противо-ЭДС е = —cP¥/dt, энергией электромагнитного поля WM = 4*472 = Li2/2, индуктив­ностью L. Выходной величиной одноконтурного ЭМ преобразова­теля может быть: индуктивность L, электромагнитная сила F3M и индук­тируемая в контуре ЭДС е1тп.

Индуктивность L = ш2 (Re ZJzl), где w — число витков кон- тура; Re ZM и гм — действительная часть и модуль полного маг­нитного сопротивления ZM — § dlJ^SJ пути 1м, по которому замыкается поток; 5М — поперечное сечение потока; jn — магнитная проницаемость среды, по которой замыкается поток. Индуктивность преобразователя увеличивается, если в магнитное поле контура вво­дится ферромагнитный материал.

ЭМ преобразователь с ферромагнитным сердечником показан на рис. 8-1, а, изменение его индуктивности происходит при изме­нении положения сердечника. Таким образом, входной величиной преобразователя является перемещение. Такой преобразователь на­зывается индуктивным. Изменение индуктивности происходит также при изменении магнитной проницаемости сердечника. Магнитная проницаемость ферромагнитных материалов зависит от значения
напряженности магнитного поля в материале. Соответственно индук­тивность L зависит от тока, текущего через преобразователь и соз­дающего собственное магнитное поле, и от параметров внешнего маг­нитного поля. Преобразователи, принцип действия которых основан на использовании зависимости L = / (Б), называются магнитомоду- ляционными. При деформации ферромагнетиков также изменяется их магнитная проницаемость. Этот эффект, называемый магнитоупру- гим, используется в преобразователях для измерения сил и давле­ний. Принцип действия магнитоупругого преобразователя показан на рис. 8-1,6.

------------------ О, Р

}   s
N ■ J
  /
   
  1 (1

 

Рис. 8-1

Электромагнитная сила действует на контур с током, находя­щийся во внешнем магнитном поле, стремясь сместить или развер­нуть его так, чтобы суммарная индукция магнитного поля была мак­симальной. Эта сила пропорциональна току i и индукции В. Если ток через контур поддерживать постоянным i = const, то по зна­чению электромагнитной силы можно определить индукцию магнит­ного поля В.

Такие преобразователи иногда применяются для измерения маг­нитной индукции. Если, используя постоянный магнит, создать маг­нитное поле с постоянной индукцией В = const, то преобразова­тель может быть применен для преобразования тока в силу и изме­рения тока (рис. 8-1, в). Такие преобразователи называются магнито­электрическими и широко используются в измерительных механизмах электромеханических приборов.

Ферромагнитный сердечник втягивается в контур с током так, чтобы индуктивность контура была максимальной (рис. 8-1, г). В этом
случае электромагнитная сила пропорциональна квадрату тока. Подобные преобразователи используются в электромагнитных изме­рительных механизмах электромеханических приборов.

Индуктированная ЭДС етщ возникает в контуре, находящемся во внешнем магнитном поле, при изменении потокосцепления. Для преобразователя, взаимосвязь которого с внешним магнитным полем характеризуется некоторым обобщенным параметром k при однород­ном внешнем магнитном поле с индукцией Б, потокосцепление Ф = = kB и индуктируемая в контуре ЭДС еинд = —cP¥Idt = — (kdB/dt + + Bdkldt). При неподвижном контуре (dk/dt — 0) ЭДС будет индук­тироваться только в переменном магнитном поле. Для контура без сердечника при В = Вт sin (ot ЭДС е = wSa)Bm cos ш/, где w — число витков и 5 -— площадь контура. Преобразователь, представляющий собой неподвижную катушку (рис. 8-1, д), может быть использован

Рис. 8-2

 

для измерения переменной магнитной индукции. В постоянном маг­нитном поле ЭДС индуктируется только в движущемся контуре, и для измерения индукции В контуру задают принудительное движе­ние, например вращение с постоянной скоростью, как показано на рис. 8-1, е. Можно использовать преобразователь и для решения обратной задачи — определения по значению выходкой ЭДС ско­рости при движении контура в поле с известкой индукцией BN. Пре­образователи, выходной величиной которых является ЭДС еннд, назы­ваются индукционными.

ЭМ преобразователи строятся таким образом, чтобы выделить зависимость между входной величиной и одной из перечисленных выходных величин, однако учитывать в большинстве преобразовате­лей приходится проявление всех взаимосвязей. Так, на сердечник преобразователя (рис. 8-1, а) действует электромагнитная сила, кото­рая может вызвать дополнительное перемещение сердечника, т. е. помеху, искажающую входную величину. На контур, в котором наводится ЭДС е,ШД (рис. 8-1, д)> если он замкнут на конечное сопро­тивление и по нему протекает ток, действует сила, стремящаяся опре­деленным образом ориентировать его относительно поля. Поворот

контура под действием этой силы вызовет изменение индуктируемой ЭДС. Взаимосвязь электрической и механической сторон в ЭМ пре­образователе подробно рассмотрена в § 2-4.

Эквивалентная схема одноконтурного ЭМ преобразователя. Пре­образователь с контуром в виде обмотки, содержащей w витков^ показан на рис. 8-2, а. Основной поток Фг контура пронизывает, всю обмотку и сцепляется со всеми витками. Однако некоторая часть) потока Ф2, называемая потоком рассеяния, замыкается, не прони­зывая ряд витков. Соответственно полная индуктивность контура имеет две составляющие: основную индуктивность L — и

индуктивность рассеяния Lpac = w!Z'Mj где ZM и Z'M — магнитные сопротивления основного потока и потока рассеяния. Если в обмотку преобразователя введем ферромагнитный сердечник, в котором кон­центрируется магнитный поток, то доля потоков рассеяния в общем- потоке уменьшается и отношение L/Lpac увеличивается. Наименьшую индуктивность рассеяния имеет обмотка, выполненная на тороидаль­ном сердечнике.

Однако при введении ферромагнетика появляются зависящие от частоты потери мощности на перемагничивание магнитопровода. Эти потери учитываются сопротивлением Rnoт, включенным парал­лельно индуктивности L. Кроме того, в эквивалентной схеме должны быть учтены также межвитковые емкости; в области частот до 103— 104 Гц они учитываются в виде сосредоточенной емкости.

Эквивалентная схема преобразователя, в которой учтены сопро­тивление обмотки постоянному току R0l основная индуктивность L, индуктивность рассеяния Lpac, емкость С и сопротивление потерь /?лот, приведена на рис. 8-2, б. В ней учтены также источники ЭДС емя и £/ш, которые характерны для ЭМ преобразователей. ЭДС еИИй индук­тируется в контуре, находящемся во внешнем магнитном поле. Эта ЭДС может быть информативной, как в индукционном преобразова­теле, но может являться и помехой. Для того чтобы уменьшить ту со­ставляющую йвд, которая является помехой, преобразователи экра­нируются от внешнего магнитного поля, соединительные провода под­водятся таким образом, чтобы не образовывать дополнительных контуров (см. рис. 8-1, д). Преобразователи, находящиеся в магнит­ных полях, защищаются от механических помех (вибрации, акусти­ческие воздействия), вызывающих колебания частей преобразователя и наведение ЭДС.

Уменьшить составляющую помехи е'тщ можно, применяя в пре­образователях симметричные магнитные цепи и симметричные обмотки. В качестве примера на рис. 8-2, в показана магнитная цепь в виде тороидального сердечника. При равномерной обмотке для каждого витка есть симметрично расположенный по отношению к магнитному потоку, пронизывающему тор, парный виток (например, витки б и в или а иг). ЭДС, наводимые в «парных» витках, компенсируют друг друга, и суммарная ЭДС е'ШЛ при идеальной симметрии равна нулю.

В высокочувствительных ЭМ преобразователях с ферромагнитным сердечнико^ иногда приходится считаться с напряжением шума,

обусловленным в области средних частот главным образом эффектом Баркгаузена, т. е. импульсами ЭДС, вызываемыми скачкообраз­ными смещениями доменных границ при перемагничивании ферро­магнетика. Эффект Баркгаузена используется также при построе­нии ряда преобразователей, описанных в § 8-12. Известно, что ферт ромагнетики состоят из большого числа элементарных областей (доменов), объем которых для разных типов ферромагнетиков состав­ляет 10~3—10~6 мм3. Векторы намагниченности доменов ориенти­рованы таким образом, что при отсутствии внешнего магнитного поля намагниченность образца в целом равна кулю. При наложении внешнего магнитного поля элементарные области перемагничиваются. Переориентация доменов может происходить скачками, при этом в витках обмотки ин­дуктируются импульсы ф д) ЭДС <> = —ДФ/т, где ' — АФ — приращение маг­нитного потока, вызван­ное скачком Баркгау­зена; т — длительность скачка. Длительность скачков Баркгаузена со­ставляет для разных ма­териалов 1(Г3— КГ7 с.

На рис. 8-3, а по­казан гистерезисный цикл со скачками Барк­гаузена (масштаб скач- рис 8_з ков сильно увеличен, и они характеризуют

процесс лишь с качественной стороны), на рис. 8-3, б изображена кривая магнитного потока Ф = / (0 и кривая ЭДС е = ф (0- Ступеньки на кривой намагничивания неодинаковы по величине и меняют свое положение от цикла к циклу перемагничивания, магнитный шум является случайным процессом. Верхняя граница распределения f2 определяется длительностью скачков Баркгаузена и составляет 102-^ 105 Гц, в ферритах /2 может достигать 107 Гц. Нижняя граница Д зависит от частоты перемагничивания /0 и составляет не менее =

= 3/„.

ЭДС, вызываемая магнитным шумом, включается в эквивалентную схему ЭМ преобразователя (рис. 8-2, б). Однако, как правило, ЭДС Uw оказывается значительно меньше других помех, в частности £иид; поэтому с наличием Um приходится считаться только в высокочув­ствительных преобразователях магнитных величин (феррозонды), в магнитных и параметрических усилителях.

Двухконтурный ЭМ преобразователь схематично показан на рис. 8-4. Преобразователи, содержащие два или несколько контуров, называют трансформаторными или взаимоиндуктивными. Если про­пустить переменный ток через контур то в контуре 2 будет индук­тироваться ЭДС, зависящая от угла а между плоскостями контуров
и максимальная при совпадении этих плоскостей (рис. 8-4, а). По­ток, с которым сцепляется контур 2 при прохождении тока по кон- туру /, равен = где М12 = w±w2 Re ZJzi — взаимоин­

■4W

дуктивность контуров; Wi и w2 — числа витков контуров; ZM — маг­нитное сопротивление пути, по которому замыкается поток между контурами.

а) б) 6) г)


 

При пропускании токов i± и i2 через оба контура между ними возникает механический электромагнитный момент Л4, стремящийся развернуть их так, чтобы магнитное поле было максимальным, т. е. чтобы плоскости контуров совпали (рис. 8-4, б). При этом если токи i*i и i2 переменные, то в образовании момента могут участвовать не только токи, создаваемые внешними источниками, но и токи il2 и /21, наводимые в каждом из контуров потоком соседнего контура. При чисто активном сопротивлении контура момент равен нулю, так как между наводящим потоком и наведенным током фазовый







Date: 2015-09-18; view: 860; Нарушение авторских прав



mydocx.ru - 2015-2026 year. (1.235 sec.) Все материалы представленные на сайте исключительно с целью ознакомления читателями и не преследуют коммерческих целей или нарушение авторских прав - Пожаловаться на публикацию