Главная Случайная страница


Полезное:

Как сделать разговор полезным и приятным Как сделать объемную звезду своими руками Как сделать то, что делать не хочется? Как сделать погремушку Как сделать так чтобы женщины сами знакомились с вами Как сделать идею коммерческой Как сделать хорошую растяжку ног? Как сделать наш разум здоровым? Как сделать, чтобы люди обманывали меньше Вопрос 4. Как сделать так, чтобы вас уважали и ценили? Как сделать лучше себе и другим людям Как сделать свидание интересным?


Категории:

АрхитектураАстрономияБиологияГеографияГеологияИнформатикаИскусствоИсторияКулинарияКультураМаркетингМатематикаМедицинаМенеджментОхрана трудаПравоПроизводствоПсихологияРелигияСоциологияСпортТехникаФизикаФилософияХимияЭкологияЭкономикаЭлектроника






Основные соотношения для двигателей постоянного тока





Уравнение напряжений для цепи якоря по второму зако­ну Кирхгофа

(2.4)

б
а
в

 

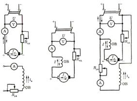
Рис 2.1. Схемы включения двигателей:

а – независимого возбуждения; б – последовательного возбуждения;

в – смешанного возбуждения; сплошные стрелки – направления токов в генераторном режиме, штри­ховые – в двигательном

ЭДС обмотки якоря и момент

(2.5)

Уравнение электромеханической характеристики

(2.6)

Уравнение механической характеристики

(2.7)

В формулах (2.4–2.7) обозначены: Ra – сопротивление самой обмотки якоря относительно внешних зажимов; – добавочное сопротивление в цепи якоря; – ток обмотки якоря (рис. 2.1); – постоянная для конкретной машины; p – число пар полюсов; N – число эффективных про­водников обмотки якоря; – угловая скорость; Ф – магнит­ный поток в зазоре, ; – коэффициент полюсной дуги, = 0,6 ÷ 0,75; – полюсное деление, ; , – диаметр и длина якоря соответственно; – индукция в зазо­ре, = (0,7 ÷ 1,0) Тл; 0 – скорость идеального холостого хода, ; – снижение скорости под влиянием нагрузки.

Из (2.6, 2.7) видно, что для двигателя независимого возбу­ждения при неизменных характеристики представ­ляются прямыми линиями, а их жесткость зависит от сопро­тивления якорной цепи и потока Ф. Следовательно, изменяя указанные параметры (U, Ф, ), можно регулиро­вать скорость электропривода.

На рис. 2.2 представлены механические характери­стики двигателя независимого возбуждения в различных ре­жимах работы при . При характеристика называется естественной, а осталь­ные – искусственные . Естественная характеристи­ка является жесткой, относительный статический перепад ско­рости . При U= const, Ф = const, все характеристики выходят из одной точки на оси ординат – щ, скорости идеального холостого хода, когда = 0, U= Е. Из графика же следуют и режимы работы (рис. 2.3).

д
б
г
е
в
а

 

Рис. 2.3. Энергетические режимы ДПТ

независимого возбуждения:

а – холостой ход; б – двигательный; в – генераторный параллельно

с сетью; г – короткое замыкание; д – генераторный последовательно

с сетью; е – генератор­ный независимо от сети

 

I квадрант. Двигательный режим – электрическая энер­гия потребляется из сети и преобразуется в механическую, (рис. 2.3, б).

II квадрант. Генераторный режим – энергия (механиче­ская) поступает с вала и преобразуется в электрическую. При этом она может отдаваться в сеть (рекуперация) при или рассеиваться в реостатах (динамическое или реостатное торможение) (рис. 2.3, в, е). В режиме рекуперации М< О, . При динамическом торможении , ток М<0. Практически, якорь отключается от сети и замыкается на сопротивление R (рис. 2.3, е).

 

III квадрант. Режим двигателя – обратное вращение,

М<0, .

IV квадрант. Режим генератора или противовключения – энергия поступает как из сети (электрическая), так и с вала (механическая) и полностью рассеивается в сопротивлении якорной цепи. Ток необходимо ограничивать выбором сопротивления (рис. 2.3, д).

 







Date: 2015-08-06; view: 2037; Нарушение авторских прав



mydocx.ru - 2015-2026 year. (2.097 sec.) Все материалы представленные на сайте исключительно с целью ознакомления читателями и не преследуют коммерческих целей или нарушение авторских прав - Пожаловаться на публикацию