Главная Случайная страница


Полезное:

Как сделать разговор полезным и приятным Как сделать объемную звезду своими руками Как сделать то, что делать не хочется? Как сделать погремушку Как сделать так чтобы женщины сами знакомились с вами Как сделать идею коммерческой Как сделать хорошую растяжку ног? Как сделать наш разум здоровым? Как сделать, чтобы люди обманывали меньше Вопрос 4. Как сделать так, чтобы вас уважали и ценили? Как сделать лучше себе и другим людям Как сделать свидание интересным?


Категории:

АрхитектураАстрономияБиологияГеографияГеологияИнформатикаИскусствоИсторияКулинарияКультураМаркетингМатематикаМедицинаМенеджментОхрана трудаПравоПроизводствоПсихологияРелигияСоциологияСпортТехникаФизикаФилософияХимияЭкологияЭкономикаЭлектроника






RCL цепи





74. Два конденсатора включены последовательно. Первый имеет емкость С1, и рассчитан на максимальное напряжение U1, второй — емкость С2 и рассчитан на напряжение U2. К какому максимальному напряжению можно подключить эту батарею конденсаторов?

136. Плоский конденсатор имеет емкость С. На одну из пластин конденсатора поместили заряд +q, а на другую — заряд +4q. Определите разность потенциалов между пластинами конденсатора.

232. Диод включен в цепь, изображенную на рисунке а. Идеализированная вольтамперная характеристика диода приведена на рисунке б. Конденсатор предварительно не заряжен. Ключ К замыкают. Какое количество теплоты выделится на сопротивления R при зарядке конденсатора? Емкость конденсатора С, ЭДС источника 1. Внутреннее сопротивление источника пренебрежимо мало.

260. На вход схемы подаются прямоугольные импульсы напряжения величиной U0, длительностью t и периодом повторения импульсов Т. Найдите установившееся через очень много периодов напряжение на конденсаторе, если в течение периода напряжение на конденсаторе изменяется очень мало.

274. Решите задачу 232 или хотя бы прочтите ее условие. Какое количество теплоты выделится на сопротивлении R после замыкания ключа К, если вольтамперная характеристика диода будет такой, как показано на рисунке?

281. В схеме, изображенной на рисунке а, первоначально ключ К разомкнут. ЭДС батарей 11 = 1 В и 12 = 2 В, а их внутренние сопротивления r1 = 0,2 Ом и r2 = 0,4 Ом. Емкость конденсатора С = 10 мкФ. На какую величину изменится заряд конденсатора при замыкании ключа, если диод имеет вольтамперную характеристику, показанную на рисунке б?

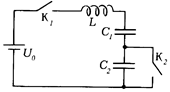
291. Два одинаковых конденсатора А и В, каждый емкостью С, и катушка индуктивностью L соединены, как показано на рисунке. В начальный момент ключ К разомкнут, конденсатор А заряжен до разности потенциалов U. Заряд конденсатора В и ток в катушке равны нулю. Определите максимальное значение тока в катушке после замыкания ключа.

296. Каждый из k различных конденсаторов емкостями С1, C2,..., Ck заряжен до разности потенциалов U. Затем все конденсаторы соединяют последовательно разноименными полюсами в замкнутую цепь. Найдите напряжение на каждом конденсаторе в этой цепи.

327. Определите показания электродинамического амперметра А1 и магнитоэлектрического амперметра А2, пренебрегая их внутренними сопротивлениями, если известно, что на клеммы подается напряжение U = U1 + U2×sinwt, причем w = . Емкостями между клеммами приборов пренебречь; колебания стрелок приборов незаметны.

365. Найдите емкость системы конденсаторов, соединенных так, как показано на рисунке.

434. Какое количество теплоты выделится на сопротивлении R при установлении равновесия после замыкания ключа К, если конденсатор был предварительно заряжен до разности потенциалов 2U? ЭДС источника U, емкость конденсатора С. Внутреннее сопротивление источника пренебрежимо мало.

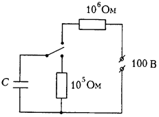
445. Конденсатор емкостью С = 0,04 мкФ с помощью ключа К периодически с частотой 50 раз в секунду заряжается от источника с ЭДС 1 = 100 В и внутренним сопротивлением r = 5 Ом и разряжается через сопротивление R = 1 кОм. Определите мощность, выделяемую в нагрузке R, и КПД такого устройства. Считать, что время замыкания контактов ключа достаточно, чтобы конденсатор успел полностью зарядиться (положение I) и полностью разрядиться (положение II).

460. В схеме, изображенной на рисунке, переключатель все время переключается из верхнего положения в нижнее и обратно. В верхнем положении он задерживается на время t1 = 2×10-3 с, в нижнем — на время t2 = 10-3 с. Найдите мощность, потребляемую от источника, через очень большой промежуток времени после начала работы переключателя. Емкость конденсатора такова, что за время t2 он не успевает разрядиться сколь-нибудь существенно.

472. Нарисуйте примерный график зависимости от времени показания вольтметра после размыкания ключа К. Вольтметр и катушка индуктивности идеальные, R = 100 Ом, U = 300 В.

511. Пластины плоского конденсатора площадью S образуют малый угол (a «1) друг с другом. Среднее расстояние между пластинами d. Нарисуйте примерную картину силовых линий электростатического поля конденсатора и найдите емкость конденсатора.

527. В схеме, показанной на рисунке, ЭДС батареи 1 = 100 В, ее внутреннее сопротивление r = 100 Ом, емкость конденсатора С = 200 мкФ и сопротивление нагревателя R = 10 Ом. Ключ К переключается между контактами а и б 10 раз в секунду. При подключении его к клемме а конденсатор успевает полностью зарядиться, а при подключении к клемме б — полностью разрядиться. Чему равен коэффициент полезного действия схемы? Во сколько раз он выше, чем при непосредственном подключении нагревателя к батарее? Какая мощность выделяется на сопротивлении R?


541. Промежуток искрового генератора отрегулирован на напряжение U, а сопротивление R резистора подобрано так, чтобы происходило n разрядов в секунду. Определите среднюю мощность, выделяющуюся на резисторе, если во время разряда конденсатор успевает полностью разрядиться.

580. В схеме на рисунке ЭДС батареи 1, ее внутреннее сопротивление r, сопротивление резистора R. При замыкании ключа К1 стрелка гальванометра G отклоняется на угол a. На какой угол отклонится стрелка гальванометра, если при замкнутом ключе К1 замкнуть ключ К2? Отклонение стрелки пропорционально заряду, прошедшему через гальванометр.

600. В схеме, приведенной на рисунке, ключ попеременно замыкают и размыкают в те моменты, когда напряжение на первом конденсаторе равно нулю. Нарисуйте график зависимости напряжения на катушке индуктивности от времени.

623. Переменный конденсатор с начальной емкостью С0, заряженный до напряжения U, замыкают на резистор сопротивлением R. Как нужно изменять со временем емкость конденсатора, чтобы в цепи шел постоянный ток? Какую мощность развивают внешние силы, благодаря которым изменяется емкость конденсатора?

637. В сверхпроводящих катушках с индуктивностями L1, и L2, включенных параллельно, возбужден ток. Индуктивность L1 одной из катушек уменьшается до нуля. Во сколько раз изменятся при этом ток в цепи и энергия системы?

642. На рисунке приведена идеализированная вольтамперная характеристика диода. Конденсатор емкостью C = 100 мкФ, заряженный до напряжения U = 5 В, подключается через диод к резистору сопротивлением R = 100 Ом. Какое количество теплоты выделится на резисторе при разрядке конденсатора?

662. Для подзарядки аккумулятора с ЭДС 1 = 12 В от мощного источника напряжением U = 5 В собрана схема из катушки индуктивностью L = 1 Гн, диода D и прерывателя К, который периодически замыкается и размыкается на одинаковые промежутки времени t1 = t2 = 0,01 с. Определите средний ток заряда аккумулятора.

Ф750*. При изменении напряжения на элементе Э ток через него меняется так, как показано на графике. Как будет меняться со временем напряжение на элементе Э, если его включить в схему, приведенную на рисунке (параметры схемы указаны на рисунке)? Какого минимального сопротивления резистор можно подключить параллельно элементу Э, чтобы напряжение на элементе не оставалось постоянным?

А. Зильберман

Ф766. Для лампы-вспышки применили нелинейный конденсатор (он заполнен диэлектриком, у которого диэлектрическая проницаемость зависит от напряженности поля). График зависимости напряжения U от заряда Q конденсатора приведен на рисунке. Конденсатор заряжают от батареи с u0 = 300 В через резистор с сопротивлением R = 10 кОм. Найти максимальную энергию вспышки. Оценить максимальное число вспышек за 1 минуту. Считать, что при вспышке конденсатор полностью разряжается. Минимальное начальное напряжение вспышки U1 = 250 В.


А. Зильберман

782. Конденсатор зарядили до напряжения U0 = 100 В и подключили к нему резистор. При этом за некоторый интервал времени выделилась в виде тепла энергия W1 = 1 Дж, а еще за такой же интервал — энергия W2 = 0,3 Дж. Определите емкость конденсатора.

Ф787. Напряжение на источнике меняется со временем по линейному закону. В начальный момент напряжение было равно нулю. С помощью ключа К источник можно подключить к схеме, приведенной на рисунке. В какой момент нужно замкнуть ключ. чтобы ток в цепи был постоянным по величине? Сопротивление резистора R, емкость конденсатора С.

Ф842. В схеме, изображенной на рисунке, в некоторый момент замыкают ключ К. Найти установившееся значение тока, текущего через катушку с индуктивностью L и активным сопротивлением r. Какой заряд протечет через гальванометр Г после замыкания ключа? Параметры элементов, указанные на рисунке, считать заданными. Внутренним сопротивлением источника и сопротивлением гальванометра пренебречь.

В. В. Можаев

901. Три одинаковых конденсатора, каждый емкостью C, соединили последовательно и подключили к батарее с ЭДС 1. После того как они полностью зарядились, их отключили от батареи. Затем к ним одновременно подключили два резистора сопротивлением R каждый так, как показано на рисунке. Какое количество теплоты выделится на каждом из резисторов? Чему равны токи через резисторы в момент времени, когда напряжение на среднем конденсаторе в 10 раз меньше ЭДС батареи?

951. Определите емкость системы конденсаторов, приведенной на рисунке. У каждого конденсатора указано значение его емкости, измеренной в микрофарадах.

Ф1021. В цепи, показанной на рисунке 2, R = 100 Ом, C = 10 мкФ, U0 = 10 В, внутреннее сопротивление батареи и сопротивление амперметра пренебрежимо малы. Ключ К периодически замыкают на время t1 = 10-3 с и размыкают на время t2 = 20×10-3 с. При таком режиме переключений стрелка амперметра практически не дрожит. Какой ток показывает амперметр?

А. Р. Зильберман

Ф1025. В схеме, приведенной на рисунке, сверхпроводящие катушки имеют одинаковые индуктивности L, диод D идеальный, начальный заряд конденсатора емкостью С равен Q0. Постройте графики изменения заряда Q(t) конденсатора и токов I1(t) и I2(t) через катушки после замыкания ключа K.

Е. И. Бутиков

Ф1056. В схеме, изображенной на рисунке, ключ К3 сначала замкнут, а ключи К1 и К2 разомкнуты. В некоторый момент времени замыкают ключ К1, а спустя время t1 = 0,1 с замыкают ключ К2. Еще через время t2 = 0,2 с размыкают ключ К3. Найти:

1) максимальное напряжение на конденсаторе;

2) ток через катушку L1 через время t3 = 1 с после замыкания ключа K1.

Сопротивлением проводов пренебречь, диод считать идеальным; L1 = 1 Гн, L2 = 0,5 Гн, С = 10 мкФ, U0 = 10 В.

А. Р. Зильберман

Ф1082. В схеме на рисунке замыкают ключ К. Найти максимальный ток через катушку. Найти максимальное напряжение на конденсаторе C1. Неидеальностью элементов схемы можно пренебречь.


А. Р. Зильберман

Ф1166. В схеме на рисунке замыкают ключ K1 (при замкнутом ключе K2), а в тот момент, когда заряд на конденсаторе С1 становится максимальным, ключ K2 размыкают. Найти максимальный заряд конденсатора C2. Параметры элементов схемы, указанные на рисунке, считать заданными.

В. В. Можаев

Ф1240. В схеме на рисунке емкости конденсаторов равны С, сопротивления резисторов R и 2R. Какой заряд протечет через перемычку АВ после подключения батарейки с напряжением U0? А если между точками А и В включен резистор R? Все элементы считать идеальными.

А. Зильберман

Ф1246. Два одинаковых LС-контура находятся далеко друг от друга. В первом возбуждены колебания с амплитудой напряжения на конденсаторе U0. В тот момент, когда напряжение на конденсаторе оказалось нулевым, подключают проводами второй контур. Опишите процессы в цепи после подключения. Что изменится, если подключение произвести в тот момент, когда напряжение на конденсаторе максимально?

А. Алексеев

Ф1251. В схеме на рисунке после установления токов мгновенно перебрасывают ключ из положения 1 в положение 2. Считая катушки идеальными, определить количество тепла, которое выделится на резисторе R после переключения. ЭДС источника 1, внутреннее сопротивление r.

В. Можаев

Ф1281. Из пяти одинаковых конденсаторов и катушки собрана схема, показанная на рисунке. Найдите максимальный ток через катушку после подключения батарейки напряжением U0. Найдите также максимальное напряжение на параллельно соединенных конденсаторах. Сопротивление проводов считать малым.

А. Зильберман

Ф1296. В контуре LC происходят колебания. В тот момент, когда напряжение на конденсаторе U, а ток через катушку I, замыкают ключ К, присоединяя параллельно контуру цепь, состоящую из параллельно соединенных резистора сопротивлением R и катушки индуктивностью 2L. Определите полное количество теплоты, которое выделится в резисторе.

О. Савченко

Ф1340. В схеме, изображенной на рисунке, ключ очень быстро перебрасывают из положения А в положение В и обратно. Найдите среднее значение тока через резистор сопротивлением 2R. Какой ток течет через батарею? В каждом положении ключ находится одинаковое время.

А. Зильберман

Ф1435. В схеме, изображенной на рисунке, напряжение батарейки равно 1, а конденсатор заряжен до напряжения U = 21. После того как ток в катушке практически перестал изменяться, ключ замкнули. Через какое время после этого заряд конденсатора изменится на 1%? Во сколько раз за это время изменится ток через катушку? Сопротивления резисторов R = 100 Ом, емкость конденсатора С = 10 мкФ, индуктивность катушки L = 1 Гн.

А. Зильберман







Date: 2015-05-19; view: 3117; Нарушение авторских прав



mydocx.ru - 2015-2026 year. (0.507 sec.) Все материалы представленные на сайте исключительно с целью ознакомления читателями и не преследуют коммерческих целей или нарушение авторских прав - Пожаловаться на публикацию