Главная Случайная страница


Полезное:

Как сделать разговор полезным и приятным Как сделать объемную звезду своими руками Как сделать то, что делать не хочется? Как сделать погремушку Как сделать так чтобы женщины сами знакомились с вами Как сделать идею коммерческой Как сделать хорошую растяжку ног? Как сделать наш разум здоровым? Как сделать, чтобы люди обманывали меньше Вопрос 4. Как сделать так, чтобы вас уважали и ценили? Как сделать лучше себе и другим людям Как сделать свидание интересным?


Категории:

АрхитектураАстрономияБиологияГеографияГеологияИнформатикаИскусствоИсторияКулинарияКультураМаркетингМатематикаМедицинаМенеджментОхрана трудаПравоПроизводствоПсихологияРелигияСоциологияСпортТехникаФизикаФилософияХимияЭкологияЭкономикаЭлектроника






Постоянный ток





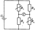
5. Имеется электрическая цепь, изображенная на рисунке. Что покажет вольтметр с очень большим внутренним сопротивлением, если его присоединить к точкам C и D?

25. Если потенциал анода фотоэлемента выше, чем потенциал катода, то через фотоэлемент идет ток I = 10 А (ток насыщения). В противном случае ток через фотоэлемент не идет. Пренебрегая внутренними сопротивлениями батарей, найдите напряжения на фотоэлементах в изображенных на рисунке схемах (величины сопротивлений указаны в килоомах)

59. Какое из ребер проволочного куба следует удалить, чтобы сопротивление между точками А и В изменилось как можно сильнее? Сопротивления всех ребер куба одинаковы.

66. К батарее с ЭДС 9 В и неизвестным внутренним сопротивлением подключены последовательно амперметр и вольтметр. Сопротивления приборов неизвестны. Если параллельно вольтметру включено сопротивление (его величина тоже неизвестна), то показание амперметра вдвое увеличивается, а показание вольтметра вдвое уменьшается. Каким стало показание вольтметра после подключения сопротивления?

82. Найдите условие, при котором через сопротивление r, подключенное в точках А и В схемы, изображенной на рисунке, не будет идти ток. (Помимо симметричного, существует еще и другое решение.)

110. Если вольтметр подключить параллельно верхнему сопротивлению r1, то он покажет 6 В, если параллельно нижнему сопротивлению r2, то 4 В, а если его подключить к точкам A и B, то он покажет 12 В. Каковы в действительности падения напряжения на сопротивлениях? Внутреннее сопротивление источника пренебрежимо мало.

123. На рисунке показана часть схемы, состоящей из неизвестных сопротивлений. Как, имея амперметр, вольтметр, источник тока и соединительные провода, можно измерить величину одного из сопротивлений, не разрывая ни одного контакта в схеме?

146. Имеется батарея с ЭДС 100 В и внутренним сопротивлением 2 Ом. На нагрузке нужно получить напряжение 20 В, причем при изменении сопротивления нагрузки от 50 до 100 Ом напряжение на ней должно меняться не более чем на 2%. Придумайте простую схему для питания нагрузки и рассчитайте параметры этой схемы.

156. Имеется бесконечная проволочная сетка с прямоугольной ячейкой. Сопротивление каждой из проволок, составляющих ячейку сетки, равно r. Найдите сопротивление сетки между точками А и В.

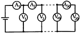
161. Вольтамперные характеристики элементов С и В показаны на рисунке (это идеализированные вольтамперные характеристики стабилитрона и бареттера). Какой ток идет через элемент С в цепях, показанных на рисунке 58? Каково падение напряжения на элементе В в схемах на рисунках?

201. Если к некоторому сопротивлению подключить аккумулятор, то зависимость тока в цепи от времени будет такой, как показано на рисунке а. Если к этому же сопротивлению подключить другой такой же аккумулятор, но частично разряженный, то зависимость тока от времени будет такой, как показано на рисунке б. Если оба аккумулятора подключить вместе, соединив их параллельно, то вначале по цепи будет идти ток 1,5 А. Нарисуйте график дальнейшего изменения тока в цепи со временем. Внутреннее сопротивление аккумулятора в процессе разрядки не изменяется.

214. В схеме, изображенной на рисунке, R1 = 10 кОм, R2 = R3 = 5 кОм, а к клеммам 1 ‑ 2 приложено переменное напряжение с действующим значением U = 127 В. Диоды можно считать идеальными — при одном направлении тока их сопротивление бесконечно мало, при другом — бесконечно велико. Найдите, какая мощность выделяется на сопротивлении R.

238. Имеются две проволоки квадратного сечения, сделанные из одного и того же материала. Сторона сечения одной проволоки 1 мм, а другой 4 мм. Для того чтобы расплавить первую проволоку, через нее нужно пропустить ток 10 А. Какой ток нужно пропустить через вторую проволоку, чтобы она расплавилась? Считать, что количество теплоты, уходящее в окружающую среду за 1 секунду, пропорционально разности температур проволоки и среды и площади поверхности проволоки, причем коэффициент пропорциональности одинаков для обеих проволок.

294. К некоторому прибору, находящемуся внутри камеры высокого давления, необходимо подводить тепло. Во время опыта меняется давление в камере, и это приводит к изменению сопротивления любой проволоки, используемой в качестве нагревателя. На рисунке показана схема, используемая в случае, когда необходимо, чтобы количество подводимого за одно и то же время тепла очень слабо зависело от давления. Сопротивление R3 — это обмотка нагревателя, R1 и R2 — некоторые постоянные сопротивления, которые находятся вне камеры высокого давления. При каком соотношении между R1, R2 и R3 мощность, рассеиваемая на сопротивлении R3, меняется меньше всего при изменении величины сопротивления R3?


315. Проволочная спираль, присоединенная к городской осветительной сети, нагревается электрическим током. Половину спирали начинают охлаждать (например, водой). Как это отразится на количестве теплоты, выделяемом этой половиной спирали; другой половиной; всей спиралью? Напряжение сети считать неизменным.

350. Найдите зависимость падения напряжения на сопротивлении R в схеме, показанной на рисунке, от величины этого сопротивления. ЭДС всех источников 1, их внутренние сопротивления r. Диод считать идеальным (его сопротивление в прямом направлении равно нулю, а в обратном — бесконечно велико).

354. Необходимо сконструировать печь, на нагревательном элементе которой должна выделяться мощность 2,1 кВт. Напряжение сети 220 В, сопротивление подводящих проводов 1 Ом. Каким необходимо сделать сопротивление нагревательного элемента печи?

362. Слоистый конденсатор состоит из трех металлических параллельных пластин площадью S. Пространства между пластинами заполнены диэлектриками с диэлектрическими проницаемостями e1, и e2 и удельными сопротивлениями r1 и r2. Толщины слоев диэлектриков d1 и d2. Конденсатор находится под постоянным напряжением U. Определите заряд средней пластины при установившемся токе в цепи.

401. Схему, изображенную на рисунке (мостик Уитстона), применяют обычно для измерения неизвестного сопротивления х. Как, используя подобную схему, измерить сопротивление самого гальванометра G, если второго гальванометра нет?

408. Из сопротивлений 1, 2, 3 и 4 Ом собрана схема, показанная на рисунке. Какой ток течет через амперметр А2, если ток через амперметр А1 равен 5 А? Показания вольтметра 10 В. Измерительные приборы идеальные.

462. Если терморегулятор электрического утюга поставлен в положение «капрон», то утюг периодически включается на 10 с и выключается на 40 с. Поверхность утюга при этом нагревается до температуры 100°С. Если терморегулятор поставить в положение «хлопок», то утюг автоматически включается на 20 с и выключается на 30 с. Определите установившуюся температуру поверхности утюга в этом положении терморегулятора. Найдите, до какой температуры нагревается включенный утюг, если терморегулятор выйдет из строя. Считать, что теплоотдача пропорциональна разности температур утюга и окружающего воздуха. Температура в комнате 20°С.

474. Цепь, показанная на рисунке, собрана из одинаковых вольтметров и одинаковых резисторов. Первый вольтметр показывает U1 = 10 В, а третий – U3 = 8 В. Каковы показания второго вольтметра?

481. В старой аккумуляторной батарее, состоящей из n последовательно-соединенных аккумуляторов, резко возросло внутреннее сопротивление одного из аккумуляторов и стало равным 10r, где r — внутреннее сопротивление нормального аккумулятора. Считая ЭДС всех аккумуляторов одинаковыми, определите, при каких сопротивлениях нагрузки мощность, выделяемая на нагрузке, не изменится при коротком замыкании поврежденного аккумулятора.


552. Вольтамперная характеристика неоновой лампы показана на рисунке. При каком значении R сопротивления резистора, включенного в цепь, изображенную на рисунке, неоновая лампа не будет гаснуть после замыкания ключа К?

567. На рисунке приведена зависимость тока через автомобильную лампочку от напряжения на ней. Лампочку включают в цепь, показанную на рисунке. Найдите мощность, выделяющуюся на лампочке.

575. В схеме, приведенной на рисунке, все вольтметры и резисторы одинаковые. ЭДС батареи 1 = 5 В, ее внутреннее сопротивление мало. Верхний вольтметр показывает U = 2 В. Что показывают остальные вольтметры?

585. Четыре одинаковых амперметра и резистор включены так, как показано на рисунке. Амперметр А1 показывает 2А, амперметр А2 показывает 3А. Какие токи протекают через амперметры А3, A4 и резистор? Найдите отношение внутреннего сопротивления амперметра к сопротивлению резистора.

590. При движении трамвая по горизонтальному участку пути с некоторой скоростью его двигатель потребляет ток I0 = 100 А, при этом КПД двигателя h = 0,9. При движении трамвая по наклонному участку пути вниз с той же скоростью ток в двигателе равен нулю (двигатель выключен). Какой ток будет потреблять двигатель при движении трамвая по тому же участку пути вверх с той же скоростью?

595. На рисунке изображена зависимость тока от напряжения для стабилизатора постоянного тока — бареттера. Бареттер подключен последовательно с нагрузочным сопротивлением R = 13 Ом к батарее с ЭДС 1 = 26 В. В каких пределах может изменяться ЭДС батареи, если ток нагрузки не должен изменяться более чем на 50 мА?

602. К цепи, состоящей из резистора сопротивлением R и источника ЭДС 1 и внутренним сопротивлением r = R/3, присоединяют конденсаторы емкостями С1 и С2 замыкая клеммы 1—2, 3—4, 5—6. После замыкания напряжение на конденсаторе емкостью C1 оказывается равным 1/2, причем потенциал клеммы 3 выше потенциала клеммы 2. Определите, какой заряд был на конденсаторе емкостью С2 до замыкания.

605. Проволочный предохранитель перегорает, если напряжение на нем равно U. При каком напряжении будет перегорать предохранитель, если его длину увеличить в n раз, а диаметр увеличить в k раз?

616. Длина нити накаливания электрической лампочки l, а диаметр d. Каковы длина и диаметр нити другой лампочки, рассчитанной на то же напряжение сети, но с вдвое большим световым потоком, если КПД обеих лампочек один и тот же?

618. Можно ли две лампы накаливания мощностью 60 Вт и 100 Вт, рассчитанные на напряжение 110 В, включить последовательно в сеть напряжением 220 В, если допустимо превышение напряжения на каждой из ламп не более 10% от номинального? Вольтамперная характеристика лампы мощностью 100 Вт показана на рисунке.

630. Элемент атомной батареи представляет собой конденсатор, на одну из пластин которого нанесен радиоактивный препарат, испускающий a-частицы со скоростью v0 = 2,2×106 м/с. Определите ЭДС этого элемента. Отношение заряда a-частицы к ее массе k = 4,8×107 Кл/кг.


631. Проволочная спираль, присоединенная к городской сети, нагревается электрическим током. Половину спирали начинают охлаждать (например, водой). Как это отразится на количестве тепла, выделяемого этой половиной спирали; другой половиной; всей спиралью?

652. Схема, изображенная на рисунке, состоит из двух одинаковых резисторов R2 = R3 = R и двух одинаковых нелинейных резисторов R1 и R4, вольтамперная характеристика которых имеет вид U = aI2, где a — некоторый известный постоянный коэффициент. При каком напряжении источника питания U0 сила тока через гальванометр Г равна нулю?

653. Некоторый элемент Z, соединенный с батареей ЭДС 1 = 10 В и внутренним сопротивлением r = 10 кОм, подключен к внешнему источнику тока так, как показано на рисунке а. Вольтамперная характеристика такой цепи показана на рисунке б. Постройте вольтамперную характеристику элемента Z.

661. На рисунке приведены вольтамперные характеристики двух нелинейных резисторов R1 и R2. Какими будут токи, идущие через резисторы и источник с ЭДС 1 = 10 В и внутренним сопротивлением r = 2 Ом, если оба резистора подключить к источнику, соединив их: а) последовательно; б) параллельно?

681. Омметр состоит из миллиамперметра, рассчитанного на максимальный ток I = 1 мА, источника тока и добавочного резистора, регулировкой сопротивления которого омметр устанавливается на нулевую отметку при замкнутых накоротко выводах (ноль омметра находится в правом конце шкалы). Схему собирают из батареи для карманного фонарика с ЭДС 1 = 4,5 В, резистора с неизвестным сопротивлением и омметра. Когда омметр включают последовательно, он показывает ноль. Когда его включают параллельно батарее, он показывает бесконечно большое сопротивление. Определите величину неизвестного сопротивления резистора и напряжения на батарее и на омметре.

684. Схема имеет N входных зажимов, один выходной и один общий («земля»). На каждом из входных зажимов потенциал относительно «земли» составляет от +50 до +200 В. 1) Нарисуйте вариант схемы, который обеспечит на выходном зажиме максимальный из приложенных к входам потенциалов. 2) Нарисуйте другой вариант — обеспечивающий на выходном зажиме минимальный из приложенных потенциалов. Постарайтесь обойтись без применения дополнительных источников питания.

691. Между точками Е и F схемы, изображенной на рисунке, включают сначала идеальный вольтметр, а затем амперметр. Их показания равны U0 и I0 соответственно. Какой ток будет течь через резистор сопротивлением R, включенный между точками E и F?

708. Для исследования свойств нелинейного резистора был произведен ряд экспериментов. Вначале была исследована зависимость сопротивления резистора от температуры. При повышении температуры до t1 = 100°C мгновенно происходил скачок сопротивления от R1 = 50 Ом до R2 = 100 Ом; при охлаждении обратный скачок происходил при температуре t2 = 99°C. Во втором опыте к резистору приложили постоянное напряжение U1 = 60 В, при котором его температура оказалась равной t3 = 80°С. Наконец, когда к резистору приложили постоянное напряжение U2 = 80 В, в цепи возникли самопроизвольные колебания тока. Определите период этих колебаний, а также максимальное значение тока. Температура воздуха в лаборатории постоянна и равна t0 = 20°С. Теплоотдача от резистора пропорциональна разности температур резистора и окружающего воздуха. Теплоемкость резистора C = 3 Дж/К.

727. Зависимость напряжения от тока для некоторого источника электрической энергии показана на рисунке. Постройте график зависимости напряжения на нагрузке, на которую замкнут источник, от сопротивления нагрузки.

736. На однородный стержень, оба конца которого заземлены, падает пучок электронов, причем на каждый сантиметр длины стержня попадает одно и то же число электронов в секунду. Сопротивление стержня R. Ток на участке заземления равен l. Найдите разность потенциалов между серединой стержня A и его концом B.

792. Между Москвой и Ленинградом протянута двухпроводная телефонная линия. Сопротивление одного метра проволоки равно r = 0,05 Ом. Из-за несовершенства изоляции сопротивление между проводами составляет R = 107 Ом на каждый метр линии. К концам линии в Москве подключают источник напряжением U = 100 В. Что покажет вольтметр, если его подключить: а) к концам линии в Ленинграде; б) в середине линии?

825. Лампочку, рассчитанную на напряжение 2,5 В и ток 0,2 А, подключают длинными проводами к батарейке. Амперметр, включенный последовательно с лампочкой, показывает ток I1 = 0,2 А. Когда лампочку подключили к проводам параллельно с амперметром, она накалилась так же, как и в первом случае. Какой ток теперь показывает амперметр? Батарейку считать идеальной, сопротивление проводов 2 Ом.

866. Электролитическая ванна подключена через идеальный диод к сети переменного напряжения. Найдите показания теплового амперметра (А), если известно, что за время t = 1 ч на катоде выделяется m = 1,078 г меди. Электрохимический эквивалент меди k = 0,33 мг/Кл.

935. По длинному прямому проводнику постоянного сечения течет ток I0. На участке АВ проводника его удельное сопротивление уменьшается от r1 в сечении A—A до r2 в сечении В—В. Какой по величине и знаку объемный заряд образуется на участке AB?

1006. Определите сопротивление схемы из резисторов, показанной на рисунке. Значения сопротивлений указаны в омах.

1015. Схема, приведенная на рисунке, содержит 50 разных амперметров и 50 одинаковых вольтметров. Показания первого вольтметра U1 = 9,6 В, первого амперметра — I1 = 9,5 мА, второго амперметра I2 = 9,2 мА. Определите по этим данным сумму показаний всех вольтметров.

1071. В схеме указанной на рисунке, лампочка горит одинаково ярко как при замкнутом, так и при разомкнутом ключе К. R1 = R3 = 90 Ом, R2 = 180 Ом, U = 54 В. Найдите напряжение на лампочке.

Ф1076. Для исследования солнечной батареи используется многопредельный вольтметр (он состоит из чувствительного микроамперметра и набора добавочных резисторов). Подключив его к батарее на пределе 1 В мы получаем показание U1 = 0,7 В. Переключив вольтметр на предел 10 В, мы получим показание U2 = 2,6 В. Что получилось бы на пределе 100 В? Известно, что при неизменном освещении солнечная батарея ведет себя как обычный источник, последовательно к которому подключен резистор большого сопротивления.

А. Р. Зильберман

Ф1136. В схеме на рисунке амперметры показывают токи 0,2 А и 0,3 А. После того как два резистора в схеме поменяли местами, показания амперметров не изменились. Какой ток течет через батарею? Считать напряжение батареи неизменным. Сопротивления амперметров пренебрежимо малы.

А. Р. Зильберман

Ф1146. Найдите сопротивление между точками А и В в бесконечной последовательности элементов, изображенной на рисунке. Все элементы одинаковы, сопротивление каждого элемента равно

Здравкович (СФРЮ)

Ф1165. Из бесконечной квадратной проводящей сетки с сопротивлением каждого ребра r удалили часть проводников — так, как показано на рисунке. Найти сопротивление между точками А и В, В и С, А и С.

С. С. Кротов

Ф1191. Тонкостенная проводящая сфера радиусом R подключена к источнику тонкими проводами, присоединенными в точках А и В (АО^OB, О — центр сферы). Ток через источник равен I0. В каком направлении движутся заряды в точке С (OC^OA, OC^OB)? Сделаем на сфере около точки С две отметки, так, чтобы расстояние между ними составляло R/1000, а соединяющий их отрезок оказался перпендикулярным направлению движения зарядов. Какая часть общего тока протекает по сфере между этими отметками?

Л. Г. Маркович

Ф1245. В схеме на рисунке амперметр показывает ток 10 мА, вольтметр — напряжение 2 В. После того как резистор отключили от вольтметра и подключили параллельно амперметру, показания амперметра уменьшились до 2,5 мА. Определите по этим данным сопротивление резистора. Чему равно сопротивление вольтметра? Можно ли определить по этим данным сопротивление амперметра и напряжение батареи? Батарею считать идеальной.

А. Зильберман

Ф1250. В схеме на рисунке все амперметры одинаковые и все резисторы Rx одинаковые. Верхний амперметр показывает ток Iв = 1 мА, средний - ток Iс = 4 мА. Напряжение батарейки U0 = 4,5 В. Что показывает нижний амперметр? Чему равно Rx

А. Зильберман

Ф1295. К точкам А и Б подключена многозвенная резисторная цепь. Каждое звено содержит два одинаковых резистора, сопротивление резисторов каждого следующего звена в два раза больше предыдущего. Каким будет сопротивление между точками А и Б при очень большом числе звеньев? Резисторы в первом звене имеют сопротивление R.

А. Зильберман

Ф1316. Полупроводниковый терморезистор имеет зависимость сопротивления от температуры вида R = R0(l—at). Когда терморезистор нагрет до температуры t, он рассеивает в окружающую среду мощность Р = В(t—tокр). Какой ток будет течь в цепи, если к терморезистору подключить источник с напряжением U?

А. Зильберман

Ф1330. К батарейке с пренебрежимо малым внутренним сопротивлением подключены последовательно друг другу два одинаковых миллиамперметра, которые показывают ток I1 = 1 мА. Параллельно одному из них подключают вольтметр, при этом показания этого миллиамперметра уменьшаются до I2 = 0,8 мА, а вольтметр показывает напряжение U = 0,3 В. Что показывает второй миллиамперметр? Чему равно напряжение батарейки? Каковы сопротивления приборов?

Р. Александров

Ф1350. На бирже «АНФИСА» 1917 брокерских и 1992 хакерских места. Между каждой парой БМ включен резистор сопротивлением 1 кОм, между каждой парой ХМ — резистор сопротивлением 2 кОм, между каждым БМ и ХМ — 4кОм. Чему равно сопротивление, измеренное между двумя БМ? Между двумя ХМ? Между БМ и ХМ?

И. Потеряйко

ф1444. От катушки с проводом из сплава с высоким удельным сопротивлением отрезали два куска длиной 1 м и 3 м. Провода эти соединили параллельно и подключили к источнику питания. От левого конца одного из проводов и от правого конца другого отмерили по 0,2 м и получившиеся точки соединили куском такого же провода (длина этого куска неизвестна). Найдите отношение токов в длинных частях первых двух проводов. При какой длине провода-соединителя в нем будет рассеиваться максимальная мощность?

Ф1453. В однородную жидкость с большим удельным сопротивлением погружены достаточно глубоко два одинаковых проводящих шара. Сопротивление, измеренное между шарами, оказалось равным R. Каким станет это сопротивление, если один из шаров заменить шаром вдвое меньшего радиуса? Жидкость смачивает шары.

В. Петерсон







Date: 2015-05-19; view: 3077; Нарушение авторских прав



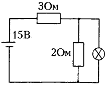
mydocx.ru - 2015-2026 year. (0.927 sec.) Все материалы представленные на сайте исключительно с целью ознакомления читателями и не преследуют коммерческих целей или нарушение авторских прав - Пожаловаться на публикацию