Главная Случайная страница


Полезное:

Как сделать разговор полезным и приятным Как сделать объемную звезду своими руками Как сделать то, что делать не хочется? Как сделать погремушку Как сделать так чтобы женщины сами знакомились с вами Как сделать идею коммерческой Как сделать хорошую растяжку ног? Как сделать наш разум здоровым? Как сделать, чтобы люди обманывали меньше Вопрос 4. Как сделать так, чтобы вас уважали и ценили? Как сделать лучше себе и другим людям Как сделать свидание интересным?


Категории:

АрхитектураАстрономияБиологияГеографияГеологияИнформатикаИскусствоИсторияКулинарияКультураМаркетингМатематикаМедицинаМенеджментОхрана трудаПравоПроизводствоПсихологияРелигияСоциологияСпортТехникаФизикаФилософияХимияЭкологияЭкономикаЭлектроника






Переменный ток





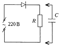
430. На рисунке показана простейшая схема выпрямителя. Диод считается идеальным: его сопротивление в прямом направлении равно нулю, в обратном бесконечно велико. Во сколько раз изменится мощность, выделяемая на сопротивлении R, при подсоединении параллельно ему конденсатора С такой емкости, что за период колебаний напряжения сети (U = 220 В, f = 50 Гц) заряд конденсатора практически не меняется?

454. Если на первичную обмотку ненагруженного трансформатора подать напряжение U0 = 220 В, то напряжение на вторичной обмотке будет U1 = 127 В. Какое напряжение будет при U0 = 220 В на нагрузке R = 10 Ом, подключенной ко вторичной обмотке этого трансформатора? Активное сопротивление первичной обмотки трансформатора r1 = 2 Ом, а вторичной — r2 = 1 Ом. Внутреннее сопротивление генератора тока принять равным нулю.

494. В схеме, изображенной на рисунке, R2 = 90 Ом, R3 = 300 Ом, R4 = 60 Ом и L2 = 90 Гн. Каковы значения R1 и L1, если через гальванометр G ток не идет независимо от того, подключен к клеммам а и б источник постоянного или переменного тока?

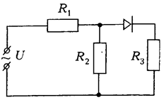
579. В схеме на рисунке R1 = 10 Ом, R2 = 20 Ом, R3 = 15 Ом, напряжение в сети переменного тока U = 10 В. Определите мощность, которая выделяется на резисторах сопротивлениями R2 и R3.

633. Три одинаковых резистора, конденсатор емкостью C и катушка индуктивностью L соединены в цепь, как показано на рисунке. Частота w переменного тока в цепи такова, что wL = 1/wС. При каком сопротивлении R резисторов ток в неразветвленной части цепи в n раз меньше тока в каждой из ветвей?

644. Цепь, состоящая из двух конденсаторов емкостями С1 и С22 > C1) и двух идеальных диодов D1 и D2 подключена к источнику переменного напряжения U = U0coswt. Определите зависимость напряжения на конденсаторах от времени в установившемся режиме. Изобразите полученные зависимости на графике. Сопротивление идеального диода в прямом направлении равно нулю, в обратном — бесконечности.

672. Ко вторичной обмотке включенного в сеть понижающего трансформатора с коэффициентом трансформации k = 220/127 подключена нагрузка сопротивлением Rн = 10 Ом. Напряжение в сети U = 220 В, сопротивление первичной обмотки трансформатора R1 = 3,6 Ом, сопротивление вторичной обмотки R2 = 1,2 Ом. Определите напряжение на нагрузке.

821. В схеме, приведенной на рисунке, трансформатор идеальный. Параметры схемы указаны на рисунке. Найдите амплитуду тока и сдвиг фаз в первичной цепи.

Ф762. На рисунке приведена вольтамперная характеристика лампы накаливания, номинальное напряжение которой U = 220 В, номинальная мощность Р = 100 Вт. Лампу подключают к сети переменного тока (220 В, 50 Гц) последовательно с конденсатором емкости С = 10 мкФ. Определить ток в лампе и напряжение на ней. Считать, что в течение периода сетевого напряжения температура нити практически не меняется.

А. Зильберман

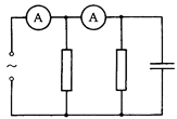
Ф1055. Электрический прибор П подключен к сети переменного тока с напряжением 220 В через конденсатор емкостью С = 0,5 мкФ. Амперметр показывает ток I = 0,01 А, показание вольтметра U = 180 В. Найти мощность, потребляемую от сети прибором. Считать амперметр и вольтметр идеальными.

А. Р. Зильберман

Ф1222. Катушку индуктивности с L = 10 Гн подключают к сети 220 В, 50 Гц последовательно с диодом. Нарисовать график тока в катушке в зависимости от времени. Чему равно максимальное значение тока? Как зависит вид графика от момента подключения цепи к сети?

3. Рафаилов

Ф1242. Из нескольких одинаковых CL-звеньев, подключенных друг за другом, собрана цепь для измерений на частоте 50 Гц. К выходу последнего звена был подключен конденсатор, после чего ток, потребляемый всей цепью от источника, и разность фаз между этим током и приложенным напряжением перестали зависеть от числа подключенных звеньев. Какую емкость Сx имел подключенный конденсатор? Можно ли дать однозначный ответ на этот вопрос?

А. Зильберман

Ф1272. Электрическая лампочка включена в сеть 50 Гц последовательно с катушкой, индуктивность которой 1 Гн. Параллельно лампочке подключили конденсатор неизвестной емкости, и оказалось, что лампочка горит при этом с той же яркостью, что и без конденсатора. Определить его емкость.

А. Зильберман

Ф1291. Схема из двух одинаковых резисторов и конденсатора подключена к сети переменного напряжения 36 В, 50 Гц. Показания первого амперметра 0,3 А, второго — 0,2 А. Считая приборы идеальными, найдите сопротивление резисторов и емкость конденсатора.


А. Зильберман

Ф1352. Катушка индуктивностью L = l Гн намотана на тороидальный сердечник с большой магнитной проницаемостью. Катушку подключают к выходу генератора звуковой частоты последовательно с амперметром переменного тока. Конденсатор емкостью С = 1 мкФ подключен к отводу от середины катушки. Найдите амплитуду тока через амперметр в зависимости от частоты w генератора и сдвиг фаз между этим током и напряжением генератора. То же — для тока, потребляемого схемой от генератора. Амплитуда напряжения генератора U0 = 1 В. Сопротивления амперметра и источника считать малыми.

А. Зильберман

Ф1382. К генератору звуковой частоты подключена цепь из двух резисторов и двух конденсаторов. При какой частоте генератора сдвиг фаз между его напряжением и током через резистор сопротивлением R окажется равным нулю? Во сколько раз при этом напряжение на этом резисторе будет меньше выходного напряжения генератора?

3. Рафаилов

Ф1392 Электрический прибор подключен к сети напряжением 220 В последовательно с резистором сопротивлением 100 Ом. Амперметр показывает ток 0,5 А вольтметр — напряжение 200 В. Какую среднюю мощность потребляет прибор от сети? Чему равно «пиковое» значение потребляемой всей схемой мощности?

А. Зильберман

Ф1287. Неподалеку от включенного в сеть трансформатора поместили замкнутый виток из медной проволоки. Ток в нем оказался сдвинутым по фазе на p/4 относительно тока в обмотке трансформатора. Во сколько раз изменится мощность, рассеиваемая в витке, если сделать его не из меди, а из нихрома, сохранив все размеры неизменными? Удельное сопротивление у нихрома в 65 раз выше, чем у меди. Амплитуду тока в обмотке трансформатора считать одинаковой в обоих случаях.

А. Зильберман

Оптика

165. Определите, во сколько раз изменится освещенность изображения Солнца, полученного плосковыпуклой линзой, если линзу разрезать по диаметру и сложить плоскими сторонами

263. Матированное стекло (одна из поверхностей стекла гладкая, другая шероховатая) прикладывают к чертежу: один раз гладкой поверхностью кверху, другой раз — книзу. В одном случае чертеж виден хорошо, в другом разобрать его невозможно. Почему?

280. Источник света находится на расстоянии 3f от линзы с фокусным расстоянием f. Во сколько раз изменится средняя освещенность пятна на экране, который находится на расстоянии 1,5f от линзы, если между источником и линзой поместить плоскопараллельную стеклянную пластинку толщины 0,5f? Показатель преломления стекла n.

303. Точечный источник света находится на некотором расстоянии под тонкой собирающей линзой. Где и как нужно установить плоское зеркало для того, чтобы из линзы выходил параллельный пучок света по направлению, показанному стрелкой? Постройте ход лучей.

308. Фотометр представляет собой лист бумаги с жирным пятном. Этот лист устанавливают между двумя точечными источниками света. Сила света одного источника 20 кд, силу света другого источника требуется определить. Для этого вначале подбирают расстояния l1, и l2 источников от листа так, чтобы пятно не выделялось на фоне бумаги, если смотреть на нее со стороны первого источника. Оказалось, что l2 = 2l1. Затем подбирают расстояния l1' и l2' так, чтобы пятно не выделялось на фоне бумаги, если смотреть со стороны второго источника. Оказалось что l1' = l2'. Определите силу света второго источника. Лист ставится перпендикулярно к линии, соединяющей источники. Подсказка. Каждый участок бумаги можно охарактеризовать коэффициентом пропускания и коэффициентом отражения света.


313. Коэффициент преломления атмосферы планеты Х уменьшается с высотой h над ее поверхностью по закону n = n0 — ah. Радиус планеты R. Найдите, на какой высоте над поверхностью планеты находится оптический канал, по которому световые лучи будут обходить планету, оставаясь на постоянной высоте.

319. На расстоянии 2F от собирающей линзы Л1 с фокусным расстоянием F находится светящийся предмет. Освещенность четкого изображения предмета на экране при этом равна Е0. Между экраном и линзой Л, поместили рассеивающую линзу Л2 с фокусным расстоянием -2F. Для получения четкого изображения предмета пришлось экран передвинуть на расстояние, равное F. Определите освещенность изображения предмета во втором случае.

336. Цилиндрическая чашка со ртутью вращается вокруг вертикальной оси с угловой скоростью w. При этом поверхность ртути образует параболическое зеркало. Определите фокусное расстояние этого зеркала.

337. При наблюдении в телескоп яркие звезды видны даже днем. Объясните, почему.

372. Две тонкие положительные линзы с фокусными расстояниями F1 и F2 расположены на одной оси. С помощью этой системы линз получено изображение предмета, причем оказалось, что размер изображения не зависит от расстояния от предмета до системы линз. Найдите расстояние между линзами.

379. Внешний диаметр стеклянной капиллярной трубки существенно больше диаметра канала. Показатель преломления стекла n = 4/3. Видимый через боковую поверхность трубки диаметр канала d = 2,66 мм. Определите истинный диаметр канала.

402. Рассеивающая линза с фокусным расстоянием F = -0,6 м расположена так, что один из ее фокусов совпадает с полюсом вогнутого зеркала. Каково фокусное расстояние зеркала, если известно, что система дает действительное изображение предмета, помещенного на любом расстоянии перед линзой? Изображение создается лучами, вторично прошедшими через линзу после отражения от зеркала.

409. Почему с помощью линзы можно зажечь бумагу светом от Солнца, но нельзя светом от звезды?

412. Учитель, отвернувшись к доске, следит за классом по отражениями в стеклах очков. При этом он видит два отражения ученика, сидящего от него в 5 м: одно на расстоянии 5 м, другое — на расстоянии 5/7 м. Повернувшись лицом к классу, он через очки видит изображение того же ученика на расстоянии 2,5 м. Определите показатель преломления стекла, из которого изготовлены линзы очков.

433. Две одинаковые плосковыпуклые линзы с фокусным расстоянием F = 20 см каждая расположены на расстоянии 30 см друг от друга. Оптические оси линз совпадают, линзы обращены друг к другу плоскими сторонами. Где будет находиться изображение источника, находящегося на расстоянии 40 см от левой линзы, если пространство между линзами заполнить стеклом с показателем преломления n = 1,5 таким же, как у линз?


487. Жука фотографируют в двух масштабах: с расстояния l1 = 3F, где F — фокусное расстояние объектива, и с расстояния l2 = 5F. Во сколько раз надо изменить диаметр диафрагмы объектива, чтобы освещенность изображения на пленке в обоих случаях была одной и той же? Считать, что диаметр объектива в обоих случаях много меньше F.

488. Прямоугольная проволочная рамка с размерами сторон a = 0,02 м и b = 0,03 м погружается в мыльную воду, благодаря чему на ней образуется мыльная пленка. При наблюдении в отраженном свете, угол падения которого j = 30°, пленка кажется зеленой (l = 500 нм). 1) Можно ли определить массу этой пленки с помощью весов, точность которых 0,1 мг? Плотность мыльного раствора r = 1 г/cм3, показатель преломления пленки n = 1,33. 2) Какого цвета будет казаться самая тонкая из пленок, удовлетворяющих условию задачи, если свет будет падать на нее и затем отражаться перпендикулярно пленке? Указание. Учесть, что при отражении света от более плотной среды фаза волны скачком меняется на p.

513. В ясный солнечный день, когда Солнце находится высоко над горизонтом, получите на гладком экране, например на белой стене, тень от ровного края куска картона. Если теперь поднести к листу картона палец так, как это показано на рисунке, то на экране навстречу тени пальца из тени, отбрасываемой листом картона, высунется тень второго пальца. Проведите такой опыт и объясните его результат.

581. Перед зеркалом стоит человек, закрыв один глаз. Изображение закрытого глаза в зеркале он закрывает, наклеивая на зеркало кусочек бумаги. Что увидит человек, если он откроет закрытый глаз и закроет открытый?

619. Светящаяся точка находится на главной оптической оси на расстоянии d = 40 см от рассеивающей линзы с фокусным расстоянием F = 10 см. Точку сместили на расстояние h = 5 см в плоскости, перпендикулярной главной оптической оси. На сколько и куда надо сместить линзу, чтобы изображение светящейся точки вернулось в старое положение?

632. Оцените, во сколько раз освещенность солнечного зайчика, который получают на вертикальной стене в полдень, больше освещенности прямыми солнечными лучами, если солнечный зайчик посылается на стену зеркалом с диаметром d = 10 см с расстояния L = 50 см.

664. При фотографировании удаленного точечного источника на фотографии из-за невысокого качества объектива и применяемого фотоматериала получается светлый кружок диаметром d = 0,1 мм. С какого максимального расстояния можно сфотографировать в тех же условиях два точечных источника, расположенных на расстоянии l = 1 см друг от друга, так, чтобы на фотографии их изображения не перекрывались? Фокусное расстояние объектива F = 5 см.

682. Зеркало антенны радиолокатора, работающего на волне l = 0,3 м, представляет собой параболоид вращения с «выходным» диаметром d = 6 м, в фокусе которого (глубоко внутри параболоида) расположен точечный излучатель энергии. Эта же антенна используется для приема отраженного от самолета сигнала. Мощность излучателя Pи = 2×105 Вт. Минимальная мощность сигнала на входе антенны, необходимая для нормальной работы, Pmin = 10-13 Вт. Оцените максимальную дальность обнаружения локатором самолета, площадь отражающей поверхности которого S = 5 м2. Считать, что мощность отраженного сигнала в n = 10 раз меньше мощности падающего сигнала и отражение происходит равномерно во все стороны.

742. Стеклянный сосуд прямоугольного сечения установлен между двумя собирающими линзами с фокусными расстояниями F перпендикулярно оптической оси линз. Точечный источник света S расположен в фокальной плоскости линзы Л1. Когда сосуд пустой, изображение источника наблюдается на экране Э, расположенном в фокальной плоскости линзы Л2. Сосуд заполняют прозрачной жидкостью, показатель преломления которой меняется с высотой по закону n(y) = n0 + ay. Толщина слоя жидкости равна L. На сколько сместится по вертикали изображение источника на экране? Изменение показателя преломления с глубиной сосуда считать малым в пределах диаметра светового пучка.

826. На достаточно удаленные предметы смотрят через собирающую линзу с фокусным расстоянием F = 9 см, располагая глаз на расстоянии a = 36 см от линзы. Оцените минимальный размер экрана, который нужно расположить за линзой так, чтобы он перекрыл все поле изображения. Где следует расположить экран?

Ф877. При каких положениях точечного источника относительно тонкой собирающей линзы с фокусным расстоянием F = 1 м можно хотя бы из одной точки видеть одновременно и изображение и источник?

А. Р. Зильберман

922. Фотографируя муравья с близкого расстояния, экспериментатор использовал удлинительное кольцо, которое увеличило расстояние от пленки до объектива на Dl = 7,5 мм. Резкое изображение муравья получилось в том случае, когда на шкале объектива было установлено расстояние b = 1,05 м (на шкале указываются значения расстояний от предмета до объектива без использования удлинительных колец). Фокусное расстояние объектива F = 50 мм. На каком расстоянии от объектива находился муравей? Считать объектив тонкой линзой.

931. Точечный источник расположен на расстоянии 2F от линзы с фокусным расстоянием F и радиусом R. На расстоянии 3F от линзы расположен экран. За линзой установлена круглая пластинка, пропускающая свет неравномерно (радиус пластинки не меньше радиуса линзы). При этом пятно, получающееся на экране, имеет равномерную максимально возможную освещенность. Как распределена «пропускная способность» пластинки вдоль ее радиуса?

937. На вертикальной стене нарисован человечек «ростом» h = 20 см, голова человечка находится на высоте Н = 2 м над полом. При помощи линзы с фокусным расстоянием F = 0,1 м получают изображение человечка на полу. Найдите размер наиболее четкого изображения.

942. Плоская световая волна падает нормально на экран Э. Как изменится освещенность экрана в точке М, если на пути волны поместить полубесконечную непрозрачную пластину П, параллельную экрану?

952. Наблюдатель рассматривает удаленный предмет и фотографию этого предмета, сделанную из той точки, в которой находится наблюдатель. Что ему кажется большим — предмет или его фотографическое изображение? Во сколько раз? Фотография была сделана аппаратом, объектив которого имеет фокусное расстояние F = 3 см; при печатании снимка было сделано увеличение k = 2,5.

962. Точечные источники, расположенные на главной оптической оси линзы, образуют равномерно светящуюся нить (проходящую через фокус линзы). Найдите закон Е(х) изменения освещенности в точках, лежащих на той же оси по другую сторону линзы на больших от нее расстояниях х (х» F, где F — фокусное расстояние линзы).

Ф992. При съемке кадра из фильма «Гулливер в стране лилипутов» актера, играющего роль Гулливера, поместили на расстоянии 4 м от кинокамеры с короткофокусным объективом, а актера, исполняющего роль лилипута,— на расстоянии 40 м. На какое расстояние нужно навести объектив камеры, чтобы изображения обоих героев на киноленте были одинаково четкими? Почему при такой съемке используется короткофокусный объектив? Оцените фокусное расстояние такого объектива, если известно, что обычная (некомбинированная) съемка людей с расстояния 5 м проводится объективом с фокусным расстоянием 50 см и глубина резкости при этом 0,5 м.

Е. Н. Юносов, И. В. Яминский

1002. Точечный источник света находится на расстоянии L от экрана Собирающую линзу с фокусным расстоянием F > L/4, параллельную экрану, перемещают между источником и экраном. При каком положении линзы относительно источника диаметр пятна, видимого на экране, будет минимальным?

1027. Источник света находится на расстоянии l = 1 м от экрана. В экране напротив источника сделано отверстие диаметром d = 1 см. Как изменится поток света через отверстие, если между экраном и источником поместить прозрачный цилиндр из материала с показателем преломления n = 1,5? Длина цилиндра l = 1 м. диаметр d = 1 см, источник находится на оси цилиндра.

1032. На автомобилях для обзора происходящего сзади используется зеркало заднего вида. Это зеркало может быть плоским или выпуклым. Распространено мнение, что одним из недостатков выпуклого зеркала является неравномерность прироста изображения равномерно приближающихся к нему предметов, из-за чего водитель автомобиля с таким зеркалом обращает внимание на нагоняющий автомобиль в потоке транспорта, лишь когда тот выходит из ряда для обгона. Верно ли это представление? Найдите связь скорости равномерно движущегося вдоль главной оптической оси сферического зеркала предмета со скоростью изменения размеров его изображения в зеркале. Сравните выпуклое зеркало заднего вида с плоским. Каковы его преимущества и недостатки?

1037. В полой сфере проделано маленькое отверстие, через которое внутрь проникает узкий параллельный пучок света. Внутренняя поверхность сферы отражает свет во все стороны одинаково (диффузно) и не поглощает его. Как будут различаться в этом случае освещенности в точке, диаметрально противоположной отверстию, и во всех остальных точках сферы?

1042. Оцените, на каком расстоянии железнодорожные рельсы кажутся слившимися.

1052. Известно, что освещенность, создаваемая на земле лунным диском в полнолуние, примерно в 10 раз больше, чем освещенность от «ущербной» луны в половину лунного диска. Как это объяснить?

1067. Внутри прозрачного шара радиусом R, сделанного из материала с показателем преломления n, имеется небольшое вкрапление A. При рассматривании вкрапления кажущееся расстояние от вкрапления до центра шара оказывается не зависящим от a для достаточно больших a. Найдите, на каком расстоянии от центра шара находится вкрапление.

1072. Почему наличие ультрафиолетового компонента в спектре ухудшает резкость изображения, получаемого на фотопленке?

Вдоль главной оптической оси собирающей линзы с фокусным расстоянием F = 5 см движутся навстречу друг другу два светлячка, находящиеся по разные стороны линзы. Скорость светлячков одна и та же и равна v = 2 см/с. Через какое время первый светлячок встретится с изображением второго, если в начальный момент они находились на расстояниях l1 = 20 см и l2 = 15 см от линзы?

Ф1297. Параллельно главной оптической оси собирающей линзы с фокусным расстоянием F движется точечный источник света. На каком расстоянии от линзы он окажется в тот момент, когда скорость изображения его в линзе будет равна по величине скорости источника? Расстояние от главной оптической оси линзы до источника H = F/4.

3. Рафаилов

Ф1427. Действительное изображение точечного источника получено в точке А при помощи тонкой линзы. Заменив эту линзу другой, но расположив ее в том же месте, получили изображение в точке Б. После этого первую линзу придвинули вплотную ко второй, и изображение переместилось в точку В. Определите построением положение источника.

А. Дешковский

Ф1437. Узкий пучок света диаметром d = 1 см падает перпендикулярно на экран. На пути пучка помещают прозрачный шар радиусом R = 20 см, сделанный из материала с коэффициентом преломления n = 2 (дорогая штука, между прочим!). Центр шара находится на оси пучка на расстоянии L = 1 м от экрана. Найдите диаметр пятна на экране.

Л. Маркович, Л. Слободянюк

Ф1446. На рисунке изображены главная оптическая ось собирающей линзы, положения ее фокусов и размеры самой линзы, а также точечный источник света А. Покажите хотя бы одну точку, из которой не видны ни источник, ни его изображение в линзе. Покажите также точку, из которой одновременно видны источник и его изображение.

3. Рафаилов

Разное

517. Пучок электронов с энергией Е = 1 кэВ проходит через два небольших конденсатора, отстоящих друг от друга на расстояние l = 20 см. Оба конденсатора подключены параллельно к одному генератору, Изменением частоты генератора добиваются того, что пучок электронов проходит эту систему без отклонения. Определите отношение e/m для электрона, если два последовательных значения частоты, при которых выполняется это условие, равны 141 МГц и 188 МГц.

89. Напряженность электрического поля в электромагнитной волне частотой w =2×1016 с‑1, модулированной по амплитуде с частотой W = 2×1015 с‑1, меняется со временем по закону Е = A(1+cosWt)coswt, где A — постоянная. Определите энергию электронов, выбиваемых этой волной из атомов газообразного водорода с энергией ионизации W = 13,5 эВ.

267. Космический корабль сферической формы движется вокруг Солнца по круговой орбите. Какова температура корабля, если энергия, излучаемая единицей площади поверхности Солнца и корабля, пропорциональна четвертой степени их абсолютных температур? Космонавты, которые находятся на корабле, видят Солнце в угле 30'. Температуру поверхности Солнца принять равной 6000 К.

415. Упрощенно атом гелия можно представлять как систему, в которой два электрона совершают колебания около общего центра — неподвижного ядра. Используя эту модель, попробуйте оценить приближенно диэлектрическую проницаемость жидкого гелия в постоянном электрическом поле, принимая во внимание, что гелий сильно поглощает ультрафиолетовое излучение на длине волны l = 0,06 мкм. Плотность жидкого гелия r = 0,14 г/см3.

461. Каждый квадратный метр поверхности тела, нагретого до температуры Т, излучает за единицу времени энергию Е = 5,67×10-8×Т4 Вт/м2. На каком расстоянии от Солнца железные пылинки превратятся в капли, если плотность потока солнечного излучения (энергия, проходящая за единицу времени через единицу площади) на орбите Земли W = 1400 Вт/м2? Температуру плавления принять равной 1535 К, расстояние от Земли до Солнца 150×106 км.

Ф947. Оболочка космической станции представляет собой зачерненную сферу, температура которой за счет работы аппаратуры внутри станции равна Т = 500 К. Какой будет температура оболочки, если станцию окружить тонким черным сферическим экраном почти такого же радиуса, как оболочка? Количество тепла, излучаемого с единицы площади поверхности, пропорционально четвертой степени абсолютной температуры.

А. И. Буздин

Ф1045. В Арктике встретились два полярника. Они были одеты в одинаковые с виду комбинезоны, но на самом деле один из комбинезонов был теплее. Когда померили температуру на поверхности комбинезонов, на одном она оказалась выше, чем на другом. Какой из комбинезонов теплее? (Комбинезоны обычные, без подогрева.)

И. И. Мазин

Ф1219. Погремушка в виде полого стального шара объемом 0,2 л содержит внутри 300 стальных шариков радиусом 1 мм. Ее трясут так, что шарики внутри непрерывно сталкиваются между собой и со стенками, издавая ужасный шум. Считая скорость погремушки равной 1 м/с, оцените число соударений между шариками за 1 минуту. Излучаемая звуковая мощность равна 10 Вт, выделением тепла при ударах пренебречь.

А. Зильберман

Ф1227. Нелинейность вольт-амперной характеристики лампы накаливания связана с тем, что сопротивление нити увеличивается с ее нагревом. Получите зависимость тока через лампу от приложенного к ней напряжения при следующих упрощающих предположениях: теплоотдачу считать связанной с излучением (Ризл4, где Т — температура нити); сопротивление нити R~T. Лампа 60 Вт, 220 В. Снизим напряжение до 200 В. Какой будет мощность лампы? Сильно ли упадет световой поток?

А. Зильберман

Ф1294. Одна сторона тонкой металлической пластинки освещена солнцем. При температуре воздуха Т0 освещенная сторона имеет температуру Т1, противоположная — T2. Какими будут значения температур, если взять пластинку двойной толщины?

Е. Пономарев

Ф1378. Тонкий длинный стержень движется с постоянной скоростью вдоль своей оси. Наблюдатель находится на большом расстоянии от оси. В тот момент, когда луч, направленный на середину стержня, составил угол a с направлением движения, видимая длина стержня оказалась равной его длине в состоянии покоя. С какой скоростью движется стержень?

И. Мартин







Date: 2015-05-19; view: 1795; Нарушение авторских прав



mydocx.ru - 2015-2026 year. (1.333 sec.) Все материалы представленные на сайте исключительно с целью ознакомления читателями и не преследуют коммерческих целей или нарушение авторских прав - Пожаловаться на публикацию