Главная Случайная страница


Полезное:

Как сделать разговор полезным и приятным Как сделать объемную звезду своими руками Как сделать то, что делать не хочется? Как сделать погремушку Как сделать так чтобы женщины сами знакомились с вами Как сделать идею коммерческой Как сделать хорошую растяжку ног? Как сделать наш разум здоровым? Как сделать, чтобы люди обманывали меньше Вопрос 4. Как сделать так, чтобы вас уважали и ценили? Как сделать лучше себе и другим людям Как сделать свидание интересным?


Категории:

АрхитектураАстрономияБиологияГеографияГеологияИнформатикаИскусствоИсторияКулинарияКультураМаркетингМатематикаМедицинаМенеджментОхрана трудаПравоПроизводствоПсихологияРелигияСоциологияСпортТехникаФизикаФилософияХимияЭкологияЭкономикаЭлектроника






Работа №11 определение параметров шероховатости по профилограмме





 

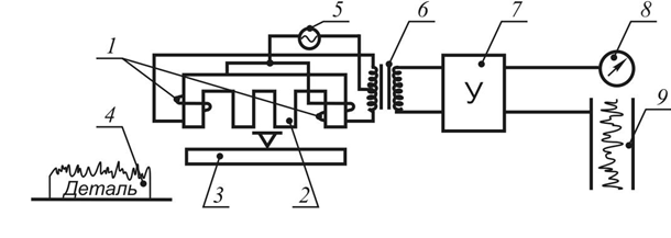
Принцип работы профилографа – профилометра модели 201 основан на ощупывании исследуемой поверхности алмазной иглой и преобразовании колебаний иглы в измерения напряжений индуктивным методом.

Алмазная игла 4 (рис.32) перемещается по поверхности детали. Ее колебания с помощью датчика, состоящего из сердечника 2, катушек 1, коромысла 3, преобразуются в колебания напряжения на выходе трансформатора 6. При проходе колебаний через усилитель 7 они фиксируются показывающим устройством 8 или записываются с некоторым увеличением на профилограмме с помощью записывающего устройства 9.

Рисунок 32. Схема прибора

 

Вертикальное увеличение профилограммы зависит от коэффициента усиления усилителя, изменяется в пределах от до и выбирается наибольшим допустимым для данной ширины бумажной ленты.

Горизонтальное увеличение профилограммы зависит от соотношения скоростей перемещения датчика со щупом по измеряемой поверхности и бумажной ленты в записывающем устройстве:

(от 2* до 4000*).

выбирается так, чтобы угол наклона боковых сторон профиля был не более 80º (рис. 33)

 

Порядок обработки профилограммы

1. Определить горизонтальное увеличение Из соотношения определяем

2. Определить положение средней линии m на участке базовой длины l. Точнее положение средней линии находится по способу наименьших квадратов, т.е. на базовой длине (рис. 33). Средняя линия также может быть проведена «на глаз», по равенству площадей неровностей над и под линией в пределах базовой длины. На выданной профилограмме провести среднюю линию «на глаз».

 

Рисунок 33. Профилограмма

 

3. Выбор участка измерения. Для надежности оценки параметра измерения обычно проводят последовательно на нескольких базовых длинах и затем находят среднее значение параметра. В целях сокращения трудоемкости работы измерения производимой для одной базовой длины.

4. Измерение параметров шероховатости, определяемых ГОСТ 2789 – 73 «Шероховатость поверхностей. Параметры и характеристики». Комплекс измеряемых параметров выбирается по таблице 1 в зависимости от необходимых для работы эксплуатационных свойств поверхности, указанных на выданной профилограмме.

 

Таблица 1. Комплекс измеряемых параметров

Эксплуатационные свойства поверхности Рекомендуемые параметры шероховатости
Износоустойчивость при всех видах трения направление неровностей
Виброустойчивость направление неровностей
Контактная жесткость
Прочность при цилиндрических нагрузках направление неровностей
Герметичность соединений
Сопротивление в волноводах

 

Измерения величин профилограмме проводить с помощью измерителя и линейки с четкими делениями. Необходимо построения на профилограмме производить хорошо отточенным карандашом.

5. Обозначить полученную по данным измерения параметров шероховатость по ГОСТ 2.309 – 73 «Обозначение шероховатости поверхностей».

 

Измерение среднего арифметического отклонения профиля

1. Определение шага дискретизации ΔХ - расстояние между измеряемыми ординатами по средней линии. Обычно ΔХ = 2..3 мм. Чем сложнее профиль поверхности (больше вершин на базовой длине), тем меньше ΔХ для уменьшения погрешности измерения. Примем ΔХ = 2мм.

2. В точках, соответствующих ΔХ, измеряем ординаты (расстояние точек профиля до средней линии в миллиметрах) перпендикулярно средней линии.

3. Определяем :

(мкм)

где N – количество измеренных ординат на базовой длине.

Измерение высоты неровностей профиля по десяти точкам

1. Измерить отклонения пяти наибольших максимумов профиля и пяти наибольших минимумов профиля от средней линии (в миллиметрах).

2. Определить :

(мкм).

 

Для нормально прямолинейного профиля при нахождении можно, не определять средней линии, провести базовую линию параллельно общему направлению профилограммы и не пересекать профиль на базовой длине (см. рис. 33). При этом измеряют расстояния от пяти наибольших максимумов профиля до базовой линии и от пяти наибольших минимумов профиля до базовой линии (см. рис.33).

 

Тогда (мкм).

Измерение наибольшей высоты неровностей профиля

1. Через наивысшую и наинизшую точку профиля в пределах базовой длины проводим линию выступов и линию впадин профиля параллельно средней линии (см. рис.33)

2. Измерить расстояние между линией выступов и линией впадин С (в мм).

3. Определить :


(мкм).

Измерение среднего шага неровностей

1. Считать K- число пересечений профиля со средней линией в пределах базовой длины.

2. Измерять длину отрезка средней линии , ограниченную первым и последним нечетным пересечениями профиля со средней линией ().

3. Определить :

(мм.)

Примечание. Возможно определение среднего шага неровностей (см. рис.33) как:

(мм),

 

где n- число шагов неровностей профиля.

Этот способ более трудоемкий.

Измерение относительной опорной длины профиля

1. На заданном уровне сечения профиля p провести линию, пересекающую профиль эквидистантно линии выступов (см. рис. 33). Для этого необходимо от линии выступов профиля отложить вниз отрезок, равный () , и через его конец провести линию, параллельную средней линии m.

2. Измерить отрезки в миллиметрах (см. рис. 33), полученные в сечении профиля.

3. Определить :

,

где n– число отрезков.

 

Измерение среднего шага местных выступов профиля S

1. Сосчитать M – число вершин (максимумов) профиля на длине , лежащей между первым и последним максимами.

2. Определить S:

S
(мм)

Примечание. Возможно определить среднего шага местных выступов профиля как:

(мм),

где n – число шагов неровностей по вершинам (шагов местных выступов профиля).

Этот способ намного более трудоемкий.

 

Порядок выполнения работы

1. Определить шероховатость проверяемой поверхности путем визуального сравнения с эталонами шероховатости.

2. По выданной профилограмме определить шероховатость проверяемой поверхности, следуя порядку обработки профилограммы, приведенному выше.

3. Сравнить полученные шероховатости.








Date: 2015-09-24; view: 8166; Нарушение авторских прав



mydocx.ru - 2015-2026 year. (2.436 sec.) Все материалы представленные на сайте исключительно с целью ознакомления читателями и не преследуют коммерческих целей или нарушение авторских прав - Пожаловаться на публикацию