Главная Случайная страница


Полезное:

Как сделать разговор полезным и приятным Как сделать объемную звезду своими руками Как сделать то, что делать не хочется? Как сделать погремушку Как сделать так чтобы женщины сами знакомились с вами Как сделать идею коммерческой Как сделать хорошую растяжку ног? Как сделать наш разум здоровым? Как сделать, чтобы люди обманывали меньше Вопрос 4. Как сделать так, чтобы вас уважали и ценили? Как сделать лучше себе и другим людям Как сделать свидание интересным?


Категории:

АрхитектураАстрономияБиологияГеографияГеологияИнформатикаИскусствоИсторияКулинарияКультураМаркетингМатематикаМедицинаМенеджментОхрана трудаПравоПроизводствоПсихологияРелигияСоциологияСпортТехникаФизикаФилософияХимияЭкологияЭкономикаЭлектроника






Основные законы электротехники





1. Законы Ома.

а) для участка цепи:

Ток на пассивном участке цепи прямо пропорционален приложенному к этому участку напряжению и обратно пропорционален его сопротивлению:

где [I] = 1 А – электрический ток

[U] = 1 В – напряжение

[R] = 1 Ом – сопротивление.

б) для всей цепи

Сила тока в электрической цепи прямо пропорциональна ЭДС источника и обратно пропорциональна полному сопротивлению цепи.

где [E] = 1 В – ЭДС

[R] = 1 Ом – сопротивление

[r0] = 1 Ом – внутреннее сопротивление источника.

Величину, равную произведению тока на внутреннее сопротивление цепи, называют внутренним падением (потерей) напряжения.

т.е. ЭДС источника численно равно сумме напряжений на внешнем и внутреннем участках цепи

2. Законы Кирхгофа

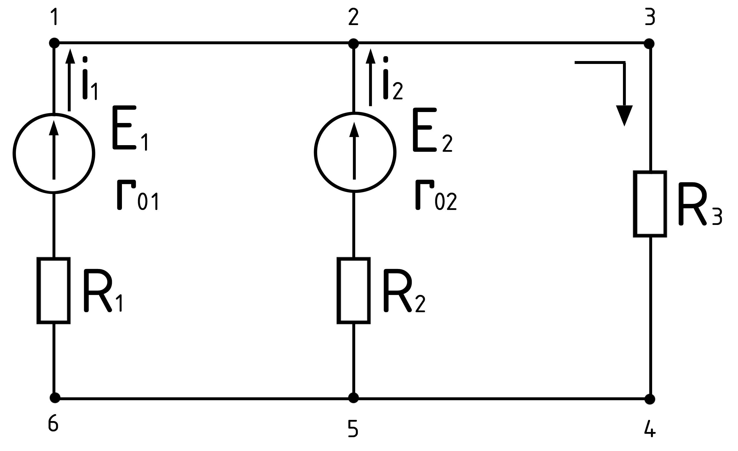
Рис. 1.

а) первый закон Кирхгофа

применяется для узлов электрической цепи.

Алгебраическая сумма токов в узле электрической цепи равна нулю

или сумма токов, направленных к узлу электрической цепи, равна сумме токов, направленных от узла электрической цепи.

Пример: для узла 2 (Рис. 1).

Токи, направленные к узлу имеют знак «+»; направленные от узла имеют знак «–».

б) второй закон Кирхгофа

Алгебраическая сумма всех действующих ЭДС в любом контуре электрической цепи равна алгебраической сумме всех падений напряжения на сопротивлениях, входящих в данный контур

Раскрытие алгебраических сумм ЭДС и падения напряжения следует производить в соответствии с правилом знаков:

1. Если направление ЭДС совпадает с условно выбранным направлением обхода по контуру, то ЭДС берут со знаком «+», если направление ЭДС не совпадает с выбранным направление обхода, то со знаком «–».

2. Если направление тока на участке цепи совпадает с выбранным направлением обхода контура, то падение напряжения на этом участке будет со знаком «+», если направление тока не совпадает с направлением обхода контура, то со знаком «–».

Рис. 2.

 

Пример: Запишем II з. Кирхгофа для контура 1-2-5-6-1. Обходим контур по часовой стрелке:

E1-E2=I1R1+I1r01-I2R2-I2r02.

Рис. 2
1.2 Потенциальная диаграмма


Изменение потенциалов в электрической цепи можно наглядно изобразить в виде потенциальной диаграммы.

Рис. 3.

 

Рис. 3
Потенциальная диаграмма представляет собой график изменения потенциала при обходе цепи, построенный в прямоугольной системе координат, в которой по оси абсцисс откладывают в определенном масштабе сопротивления участков цепи, а по оси ординат – потенциалы соответствующих точек.

Пример:

Принимаем потенциал точки 1 равным нулю V1=0. Потенциалы точек цепи находим согласно равенствам.

V2=V1+E1

V3=V2+IR1

V4=V3–E2

V5=V4–IR2

V6=V5+E3

V1=V6–IR3

Если направление ЭДС совпадает с направлением обхода, то при расчёте потенциалов точек записывается со знаком «+», как Е1 и Е3; если не совпадает – «–», как Е2.

Для падений напряжений другое правило: если ток в пассивном элементе направлении встречно обходу контура, то падение напряжения записывается со знаком «+», если совпадает по направлению, то знак «–».


Величина тока проводимости определяется алгебраической суммой ЭДС всех источников, делённой на полное сопротивление цепи:

Рис. 4.

 

Если при расчёте результат получился положительным, то ток совпадает с произвольно выбранным направлением обхода. Если же результат получился отрицательным, то ток имеет направление противоположное выбранному.

Строим потенциальную диаграмму по точкам.

Так как внутренне сопротивление ЭДС приняты равным нулю, то при переходе через эти элементы потенциалы изменяются скачком.

Пример:

Условие задачи

В электрической цепи (рис. 5) Е1 = 5 В, Е2 = 18 В, Е3 = 8 В, r1 =500 Ом, r 2 = 250 Ом, r 3 = 700 Ом, r 01 = 50 0м. Внутренними сопротивлениями первого и третьего источников пренебрегаем. Вычислить потенциалы всех точек, обозначенных на схеме, напряжение между точками А и Д и построить потенциальную диаграмму.


Рис. 5.

 

Решение задачи

1. Потенциал точки электрической цепи.

Напряжение между двумя точками электрической цепи определяется как разность потенциалов двух точек. Это же положение используется при определении потенциалов точек электрической цепи. Так, например, между точками А и О (рис. 5), где действует некоторое напряжение Uао , разность потенциалов (этих точек)

Выбором для одной (любой) точки цепи значения равным нулю, примем для точки О (рис. 5) потенциал . При этом для точки А потенциал


Таким образом, потенциал какой-либо точки (А) цепи равен напряжению (UА0) между этой точкой (А) и другой (О), для которой потенциал принят равным нулю.

2. План решения задачи.

Чтобы воспользоваться выражениями для разности потенциалов () и для потенциала одной точки (), нужно знать ток цепи. С его вычисления и начнем решение задачи.

Кроме того, следует для одной точки цепи принять потенциал, равный нулю. Это уже выполнено: выражение для записано при условии = 0. Точку с нулевым потенциалом (точка О, рис. 5) иногда присоединяют к заземляющему установку проводу или к корпусу прибора и в последнем случае (при присоединении к корпусу) обозначают, как показано на рис. 5.

Имея точку с нулевым потенциалом и напряжения всех участков цепи, определим потенциалы точек цепи.

3. Вычисление тока.

В неразветвленной цепи с несколькими э. д. с., ток равен отношению алгебраической суммы всех э.д.с. к сумме всех сопротивлений, цепи. В рассматриваемой схеме две э. д. с. 1 и Е2) действуют в одном направлении (по направлению движения часовой стрелки) и их сумма Е' = Е1 + Е2 = 5 + 18 = 23 В. Одна э. д. с. Е3 = 8 В действует против направления движения часовой стрелки, т. е. навстречу суммарной э.д.с. Е'. Поскольку Е' > Е3, то направление тока

совпадает с направлением э. д. с. Е', т. е. ток направлен по движению часовой стрелки (рис. 5).

4. Вычисление потенциалов точек электрической цепи.

Для точки О (рис. 5) выбран потенциал = 0. При этом условии, как было показано, потенциал точки А

Потенциал точки А оказался положительным и . так как ток в сопротивлении направлен от точки большего потенциала к точке меньшего потенциала (ток I на рис. 5 направлен от А к О). Это правило используется и дальше для участков БВ и ГД, содержащих только со­противления.

Для определения потенциала другой точки цепи, например Б, воспользуемся уже вычисленным потенциалом В и известным напряжением на зажимах участка АБ. Так как источник с э. д. с. Е1 не имеет внутреннего сопротивления, то потенциал его зажима (точка Б на рис. 5) всегда (при любом токе) меньше потенциала зажима «+» (точки А на рис. 5) на величину э. д. с. или равного ему напряжения UАБ = 5 В. Поэтому

.

Зная потенциал = 0, вычислим теперь потенциал следующей точки В. Так как ток в сопротивлении r2 направлен от точки В к точке Б, то потенциал точки В больше потенциала точки Б на величину падения напряжения в сопротивлении r2:

.

На участке ВГ изменение потенциала обусловлено двумя причинами: действием э. д. с. Е2 и падением напряжения на сопротивлении r02. Электродвижущая сила Е2 вызывает уменьшение потенциала точки Г (точка Г является зажимом «–» источника, а точка Д – зажимом «+»). Падение напряжения на внутреннем сопротивлении источника (r02I) вызывает увеличение потенциала точки Г, так как ток направлен от точки Г к точке В. Поэтому

.

Для участка ГД

.

В целях проверки расчетов найдем потенциал точки О, используя известный потенциал = 8 В и учитывая, что (см. направление стрелки э. д. с. Е3 на рис. 5):

Если бы мы обходили цепь в обратном направлении, т. е. двигались по направлению тока в цепи, то на всех внешних и внутренних сопротивлениях потенциалы увеличивались бы на величину падения напряжения.


5. Построение потенциальной диаграммы.

По полученным значениям потенциалов различных точек цепи построим потенциальную диаграмму (рис.6).

По оси х или r откладываются величины сопротивлений

всех участков (r1 r2 , r02 , r3). Они расположены одно за другим в той же последовательности, как и в рассмотренной цепи (рис. 6). Участок цепи АБ (рис. 6), сопротивление которого равно нулю, изображается на оси r (рис.6) точкой.

Так как ось r представляет собой как бы линейную развертку сопротивлений замкнутого контура, то в начале и в конце на оси r оказывается одна и та же точка О.


Рис. 6.

 

По оси у или отложены величины потенциалов точек с учетом их знака: положительные потенциалы вверх, а отрицательные вниз от оси г.

 

Рис. 6. Потенциальная диа­грамма цепи по рис..5.

Рассмотрим построение диаграммы для нескольких участков цепи. Так, например, для участка ОА были получены потенциалы крайних точек = 0 и = 5 В.

Это означает, что на участке ОА (рис. 5) потенциал возрастает от 0 до 5В, это изображено линией ОА на рис. 5.

На участке АБ, где сопротивление равно нулю, линия потенциала (рис.5) параллельна оси φ. Участок БВ цепи аналогичен участку ОА, так как и тот и другой содержат только сопротивления. Если учитывать, что по их сопротивлениям (r1 и r2) проходит один и тот же ток I, то линии ОА и БВ (рис. 5) параллельны.

Так же построены другие отрезки потенциальной диаграммы.

6. Вычисление напряжения Uад .

При помощи потенциальной диаграммы или величин потенциалов точек цепи легко определить напряжение между заданными точками. Так, например,

.

Это же напряжение можно определить графически, как показано на диаграмме (рис. 6, отрезок АД).

Дополнительные вопросы к задаче

1. Как повлияет на вид потенциальной диаграммы выбор другой точки с нулевым потенциалом?

Разности потенциалов (напряжения) на участках цепи не изменятся, так как определяются только величинами э. д. с., сопротивлений и тока (не зависят от выбора точки нулевого потенциала).

Действительно, если принять = 0 (рис. 7), что равносильно перемещению оси г в точку А (рис. 7, пунктирная прямая АА'), то потенциалы всех точек уменьшатся на = 5 В, а разности потенциалов останутся прежними. Итак, выбор другой точки нулевого потенциала проводник перемещению оси r.

2. Можно ли выбрать потенциал, равный нулю (заземлить), одновременно у нескольких точек цепи?

В общем случае потенциал только одной точки можно выбрать любым, в частности равным нулю (заземлить).

В нашем случае можно, кроме точки О, также заземлить точку Б, не нарушив режим цепи, так как потенциал = 0. При равных потенциалах точек Б и О между ними отсутствует напряжение, а следовательно, не будет тока в корпусе прибора или в земле.

3. Изменится ли режим цепи, если замкнуть проводником точки О и Б (рис.5)?


Так как потенциалы точек О и Б равны, то между этими точками напряжение UОБ = 0 и в проводнике ОБ тока не будет. Следовательно, проводник ОБ не внесет никаких изменений в режим работы цепи.

Полученный результат можно объяснить иначе. После включения проводника ОБ цепь (рис.5) становится двухконтурной. Токи внешних ветвей правого и левого контура равны (в этом читатель может легко убедиться самостоятельно) и одинаково направлены относительно узловых точек О и Б. При этом ток в ветви ОБ (рис.5) равен нулю (1-й закон Кирхгофа).

4. Как вычислить потенциалы при разомкнутом ключе?

При разомкнутом ключе К, (рис.5) ток I = 0. При этом имеем два незамкнутых участка цепи: ОАБВГ и ОДГ'. Принимая , получаем для первого участка:

Вычислим потенциалы участка ОДГ (рис. 5):


Рис. 7.

 

По полученным данным на рис. 7 построена потенциальная диаграмма участка ОАБВГ. Аналогично можно построить потенциальную диаграмму другой ветви (ОДГ). Диаграммы этих участков независимы друг от друга.

Результаты вычислений показывают, что изменение потенциалов разомкнутой цепи происходит только в местах где включены источники.


Рис. 8.

 

5. Как повлияет диаграмма разомкнутой цепи.

На потенциалы цепи (рис. 8) включение между точкой О и корпусом участка ОМ?

Учитывая, что в незамкнутом участке цепи ОМ (рис. 8) тока нет и принимая э. д. с. Е = 10 В, а потенциал φМ = 0, получаем:

При расчете потенциалов замкнутого контура ОАБДО (рис. 8) следует считать = 10 В вместо нуля. В остальном порядок расчета ничем не отличается от рассмотренного в задаче. Потенциалы всех точек увеличатся на 10 В.

6. Как используются на практике потенциальные диаграммы?

Ко многим электронным приборам, используемым в радиотехнике, автоматике, технике связи, придаются таблицы потенциалов, которые облегчают их ремонт и наладку. Такими таблицами, в частности, снабжается большинство электронных устройств, используемых в быту.

 







Date: 2015-07-24; view: 2802; Нарушение авторских прав



mydocx.ru - 2015-2026 year. (0.695 sec.) Все материалы представленные на сайте исключительно с целью ознакомления читателями и не преследуют коммерческих целей или нарушение авторских прав - Пожаловаться на публикацию