Главная Случайная страница


Полезное:

Как сделать разговор полезным и приятным Как сделать объемную звезду своими руками Как сделать то, что делать не хочется? Как сделать погремушку Как сделать так чтобы женщины сами знакомились с вами Как сделать идею коммерческой Как сделать хорошую растяжку ног? Как сделать наш разум здоровым? Как сделать, чтобы люди обманывали меньше Вопрос 4. Как сделать так, чтобы вас уважали и ценили? Как сделать лучше себе и другим людям Как сделать свидание интересным?


Категории:

АрхитектураАстрономияБиологияГеографияГеологияИнформатикаИскусствоИсторияКулинарияКультураМаркетингМатематикаМедицинаМенеджментОхрана трудаПравоПроизводствоПсихологияРелигияСоциологияСпортТехникаФизикаФилософияХимияЭкологияЭкономикаЭлектроника






Краткие теоретические сведения. Трехфазной системой переменных токов называется совокупность трех однофазных электрических цепей, в которых действуют три синусоидальные ЭДС одинаковой





Трехфазной системой переменных токов называется совокупность трех однофазных электрических цепей, в которых действуют три синусоидальные ЭДС одинаковой частоты, сдвинутые по фазе на 1/3 периода и создаваемые одним источником электрической энергии. Обмотки фаз генератора имеют одинаковое число витков и выполняются из провода одинакового сечения, поэтому ЭДС, индуктированные в этих обмотках, равны по величине.

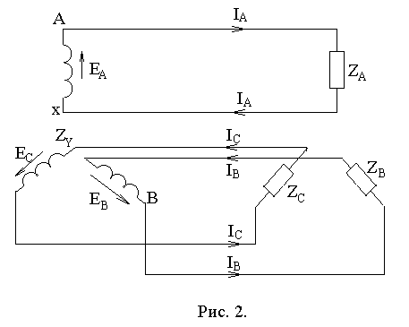
Если каждая из трех фаз генератора работает на отдельную нагрузку, то в этом случае имеет место несвязанная трехфазная система, в которой генератор соединен с нагрузкой 6-ю проводами (рис.2).

Такие системы неэкономичны и практического применения не имеют.

Соединение фаз генератора и нагрузки может осуществляться по схемам "звезда" и "треугольник". Если концы фаз генератора соединить в одну точку, а к началам подвести линейные провода, соединяющих генератор с нагрузкой, то такое соединение называется "звездой" и условно обозначается знаком " " (рис.3).

Чтобы соединить фазы нагрузки по схеме "звезда", следует все концы фаз этого потребителя соединить в одну точку, а начала фаз линейными проводами соединить с источником энергии.

Точки соединения концов фаз генератора (0) и нагрузки (0`) называются соответственно нулевыми, или нейтральными точками генератора и нагрузки.

Обе эти точки соединяются проводом, называемым нулевым или нейтральным.

Таким образом, генератор соединен с нагрузкой четырьмя проводами, поэтому такая система называется трехфазной четырехпроводной.

Токи, протекающие в фазах генератора или нагрузки, называются фазными и обозначаются: IА; IВ; IС или в общем виде IФ.

Токи, протекающие по линейным проводам, называются линейными IЛ.

При соединении "звездой" фаза генератора, линейный провод и фаза нагрузки соединены последовательно, поэтому IЛ = IФ.

По нейтральному проводу протекает ток, равный геометрической сумме трех токов: IО= IА+IВ+IС или алгебраической сумме комплексов этих токов: IО=IА+IВ +IС.

Напряжения, измеренные между началом и концом каждой фазы, называются фазными и обозначаются: UА; UВ; UС или в общем виде UФ. Напряжения UАВ; UВС; UСА называются линейными и измеряются между линейными проводами, т.е. между началами фаз. В линейных проводах принято считать положительными направления токов от генератора к нагрузке, а в нейтральном - от нагрузки к генератору.

Благодаря наличию нейтрального провода, фазные напряжения потребителя остаются неизменными как при симметричной, так и при несимметричной нагрузке.

Если ток в нейтральном проводе равен нулю, что может иметь место при симметричной нагрузке, то трехфазная система может стать трехпроводной (рис.4).

Соотношения между линейными и фазными напряжениями устанавливаются на основании второго закона Кирхгофа. При этом уравнения для действующих значений записываются в векторной (1) или комплексной (2) форме:

 

UАВ= UА - UВ UАВ = UА - UВ

UВС= UВ - UС (1) UВС = UВ - UС (2)

UСА = UС - UА UСА= UС - UА

 

Векторные диаграммы, построенные по уравнениям (1), изображены на рис.5

А). б).

Векторная диаграмма рис.5 (а) называется топографической (каждая точка этой диаграммы соответствует точке на схеме).

Из векторной диаграммы рис.5 (б) видно, что "звезда" фазных напряжений отстает от "звезды" линейных напряжений на угол 30°. Соотношение между величинами фазных и линейных напряжений для симметричной нагрузки можно вывести, рассматривая один из треугольников, составленных векторами фазных и линейных напряжений.

 

Например:

Откуда

 

Т.е., линейное напряжение в случае симметричной нагрузки и при наличии нейтрального провода в раз больше фазного.

UО - напряжение, измеряемое между нейтральными точками генератора и потребителя.

СЛУЧАЙ СИММЕТРИЧНОЙ НАГРУЗКИ.

Нагрузка, подключенная к трехфазному генератору, может быть симметричной и несимметричной.

Симметричной называется такая нагрузка, при которой сопротивления фаз одинаковы по величине и по характеру, т.е.

ZА = ZВ = ZС = r + jx

При симметричной нагрузке токи в фазах по величине равны между собой.

IА = IВ = IС,

где

На Рис.6 показаны векторные диаграммы напряжений и токов для симметричной активной нагрузки (а) - при наличии нейтрального провода

(IА + IВ + IС = IО = 0), а (б) - без нейтрального провода.

Рис.6







Date: 2015-05-22; view: 748; Нарушение авторских прав



mydocx.ru - 2015-2026 year. (0.776 sec.) Все материалы представленные на сайте исключительно с целью ознакомления читателями и не преследуют коммерческих целей или нарушение авторских прав - Пожаловаться на публикацию