Главная Случайная страница


Полезное:

Как сделать разговор полезным и приятным Как сделать объемную звезду своими руками Как сделать то, что делать не хочется? Как сделать погремушку Как сделать так чтобы женщины сами знакомились с вами Как сделать идею коммерческой Как сделать хорошую растяжку ног? Как сделать наш разум здоровым? Как сделать, чтобы люди обманывали меньше Вопрос 4. Как сделать так, чтобы вас уважали и ценили? Как сделать лучше себе и другим людям Как сделать свидание интересным?


Категории:

АрхитектураАстрономияБиологияГеографияГеологияИнформатикаИскусствоИсторияКулинарияКультураМаркетингМатематикаМедицинаМенеджментОхрана трудаПравоПроизводствоПсихологияРелигияСоциологияСпортТехникаФизикаФилософияХимияЭкологияЭкономикаЭлектроника






Время-2 час. Цель:Сформировать знания студентов об исследовании трехфазной четырехпроводной электрической цепи синусоидального тока и уметь собирать схемы соединения





Цель: Сформировать знания студентов об исследовании трехфазной четырехпроводной электрической цепи синусоидального тока и уметь собирать схемы соединения «звездой» и рассчитывать симметричную и несимметричную нагрузки.

ПОРЯДОК РАБОТЫ:

1. Ознакомиться с приборами, необходимыми для выполнения работы, записать их технические характеристики.

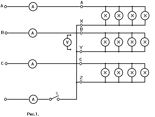
Собрать электрическую цепь (рис.1).

3. Установить симметричную нагрузку в фазах и записать показания приборов при наличии нейтрального провода и без него. Убедиться, что Uл = Uф /

4. Установить несимметричную нагрузку фаз (разное количество ламп в каждой фазе) и записать показания приборов при наличии нейтрального провода и без него.

5. Установить симметричную нагрузку и, отключив все лампы в одной из фаз потребителя, что соответствует обрыву в данной фазе, записать показания приборов при наличии нейтрального провода и без него.

Установив симметричную нагрузку фаз, отключить нейтральный провод и записать показания приборов при коротком замыкании одной из фаз потребителя (для этого можно проводником замкнуть накоротко зажимы любой фазы). Все данные измерений и вычислений внести в таблицу 1 и построить по этим данным векторные диаграммы для каждого пункта.

Таблица 1.

Характер нагрузки UA UB UC UAB UBC UCA IA IB IC IN UN
                       
Симметричная без нейтрального провода                      
Симметричная с нейтральным проводом                      
Несимметричная без нейтрального провода                      
Несимметричная с нейтральным проводом                      
Полная разгрузка одной фазы без нейтрального провода                      
Полная разгрузка одной фазы с нейтральным проводом                      
Короткое замыкание фазы без нейтрального провода                      






Date: 2015-05-22; view: 610; Нарушение авторских прав



mydocx.ru - 2015-2026 year. (0.586 sec.) Все материалы представленные на сайте исключительно с целью ознакомления читателями и не преследуют коммерческих целей или нарушение авторских прав - Пожаловаться на публикацию