Главная Случайная страница


Полезное:

Как сделать разговор полезным и приятным Как сделать объемную звезду своими руками Как сделать то, что делать не хочется? Как сделать погремушку Как сделать так чтобы женщины сами знакомились с вами Как сделать идею коммерческой Как сделать хорошую растяжку ног? Как сделать наш разум здоровым? Как сделать, чтобы люди обманывали меньше Вопрос 4. Как сделать так, чтобы вас уважали и ценили? Как сделать лучше себе и другим людям Как сделать свидание интересным?


Категории:

АрхитектураАстрономияБиологияГеографияГеологияИнформатикаИскусствоИсторияКулинарияКультураМаркетингМатематикаМедицинаМенеджментОхрана трудаПравоПроизводствоПсихологияРелигияСоциологияСпортТехникаФизикаФилософияХимияЭкологияЭкономикаЭлектроника






Расчет опасных влияний





В смежной линии в общем случае могут возникать все три вида влияний: электрическое, магнитное и гальваническое с соответствующими ЭДС Uэ, Uм, Uг. Результирующее значение опасного наведенного потенциала определяется формулой

(4.1)

По этой формуле рассчитывается опасное напряжение для однопроводной воздушной смежной линии. Если линия двухпроводная, то в формуле (4.1) будет отсутствовать Uг. Для кабельных однопроводных линий , так как эти линии электрическому влиянию не подвержены; в случае двухпроводных кабельных линий , с учетом (3.37)

, (4.2)

где z, М – сопротивление и коэффициент взаимной индукции между влияющей и смежной линиями; – длина гальванически неразделенного участка, примем, что эта длина равна расстоянию между подстанциями; Iвл – ток влияющей линии, в нашем случае – ток контактной сети IК

Расчет опасных напряжений Uэ при электрическом влиянии будет рассмотрен ниже, остановимся более подробно на расчете опасных напряжений при магнитном влиянии.

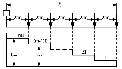
При определении опасного напряжения по формуле (4.2) расчетными режимами тяговой сети являются два режима: вынужденный и короткого замыкания; если влияющая линия – промышленная ЛЭП, то Iвл – ток фазы. Ток контактной сети неодинаков по ее длине (рис. 4.1), при двустороннем питании может иметь на некоторых участках противоположное направление.

Рис. 4.1. Схема для определения эквивалентного тока при вынужденном режиме

Потенциал, наведенный в смежной линии, будет максимальным при условии, что токи на всех участках контактной сети имеют одинаковое направление, а это означает, что расчетным режимом работы контактной сети при определении опасного напряжения при магнитном влиянии будет одностороннее питание контактной сети. Таким образом, вынужденный режим – это такой режим, когда на подстанционной зоне находится максимум поездов и одна подстанция отключена (одностороннее питание).

Максимум поездов определяется по формуле , где tx – время хода поезда по зоне, – минимальный интервал попутного следования. Чтобы найти опасное напряжение по формуле (4.2), можно было бы рассчитать по ней наведенные потенциалы от тока каждого участка контактной сети, а потом их сложить. В практических расчетах поступают иначе, вводя понятие эквивалентного тока. Это такой неизменный по всей зоне контактной сети ток, который наводит в смежной линии такую же ЭДС, как и действительные токи на всех участка контактной сети. Выразим этот ток, анализируя схему, находящуюся на рис. 4.1. Принимается, что все электровозы однотипны, количество их должно быть максимально возможным m, тогда ток .

Выразим ЭДС, наведенную в смежной линии, двояко (через ток эквивалентный и через токи участков контактной сети):

,

или . (4.3)

Выражение в скобках формулы (4.3) есть арифметическая прогрессия, у которой а1 = 1; разность q = 1; аn = 1+(m-2), ее сумма S=(а1n)(m-1)/2=m(m-1)/2, тогда , отсюда , или

(4.4)

Принято Iрез выражать через максимальную потерю напряжения в контактной сети, которая для расчетной схемы, изображенной на рис. 4.1, б, будет находиться на пантографе последнего электровоза,

, (4.5)

где zoc – погонное составное сопротивление контактной сети,

или , то есть ,

после преобразований получим

. (4.6)

В формуле (4.6) , где ro, хо – погонные активное и индуктивное сопротивления контактной сети, – коэффициент мощности первой гармоники электровоза, обычно . Величина В, если км, В, если км.

Таким образом, для определения наведенного опасного напряжения в смежной линии нужно найти по формуле (4.6) Iрез, по формуле (4.4) Iэкв и подставить его значение в формулу (4.2) вместо влияющего тока.

Выше отмечалось, что смежная линия на электрических железных дорогах экранируется рельсами, оболочкой кабеля и другими устройствами, поэтому формула (4.2) приобретает вид

, (4.7)

где , здесь S – общий коэффициент защитного действия, Sp – рельса; Sоб – оболочки кабеля; Sтр – отсасывающего трансформатора и так далее.

Формула (4.2) получена при условии, что сближение смежной линии параллельное, на самом деле – оно сложное, поэтому

, (4.8)

где Мi, ,Si – соответственно коэффициент взаимной индукции на участке параллельного сближения (см. рис. 4.2), длина участка, коэффициент защитного действия для этого участка. Все величины в формуле (4.8) соответствуют частоте 50 Гц. Влияние других гармоник [3] учитывают введением в формулу (4.8) коэффициента формы кривой тока контактной сети кф, который принимается равным для воздушных линий и оболочек кабеля 1,15, а для кабельных жил – 1.


Значение Мi, Гн/км, можно найти по формуле [3]

, (4.9)

где а – ширина сближения, м; – проводимость земли; f – частота тока.

Если элемент сближения косой (участок , рис. 4.2), то вместо а2 ставим эквивалентную ширину сближения [4], равную .

Рис. 4.2. Расчетная схема при сложном сближении

Другим расчетным режимом для определения опасного напряжения по формуле (4.8) является режим короткого замыкания (КЗ) в контактной сети.

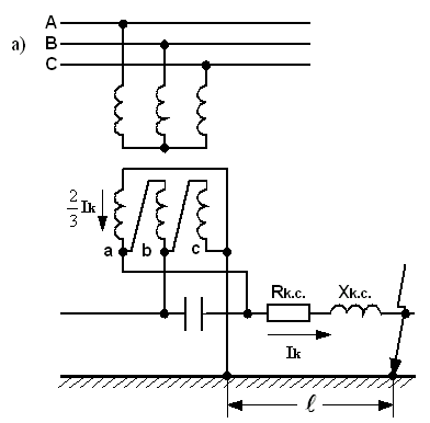
Рассмотрим расчет тока КЗ Iк при применении тяговых трансформаторов “звезда – треугольник” см. рис. 4.3.

Рис. 4.3. Схемы для определения тока короткого замыкания в контактной сети

По условию КЗ произошло на расстоянии на правом плече подстанции (здесь напряжение фазы А, рис. 4.3, а). Ток короткого замыкания распределяется по обмоткам трансформатора и фазам системы так, как показано на рис. 4.3, б. Тогда схема замещения при КЗ в фазе А будет представлена на рис. 4.3, в, где все параметры должны быть приведены к напряжению Uн = 27,5 кВ.

Запишем для фазы А, где произошло КЗ, очевидное равенство

, (4.10)

где , – погонное активное и индуктивное сопротивление контактной сети; , –индуктивное сопротивление системы и подстанции, они определяются [2] следующим образом:

, , (4.11)

где – мощность КЗ на шинах подстанции, мВА; – номинальная мощность трансформаторов подстанции, мВА; – напряжение КЗ трансформатора в %; = 27,5 кВ.

После подстановки указанных величин в формулу (4.10) получим

,

модуль тока

. (4.12)

Подставив значение в формулу (4.8) вместо , получим опасное напряжение при режиме КЗ.

Какое значение следует подставлять в формулу (4.12)? Чем дальше точка КЗ, тем меньше , но больше , т.е. сразу нельзя определить место КЗ, для которого будет максимальным, поэтому намечают несколько точек короткого замыкания К1, К2, К3 (рис. 4.2). Для каждой точки находят , соответствующую сумму , по формуле (4.8) рассчитывают значение , выбирая наибольшее для сравнения с допустимыми нормами. Допустимые нормы опасных напряжений для вынужденного режима и режима КЗ для воздушных и кабельных смежных линий представлены в [3]. Например, допустимое напряжение для воздушной линии связи с деревянными опорами равно при вынужденном режиме 60 В, при режиме КЗ 2000 В, если время отключения тяговой сети защитой сек.







Date: 2015-05-18; view: 1011; Нарушение авторских прав



mydocx.ru - 2015-2026 year. (0.841 sec.) Все материалы представленные на сайте исключительно с целью ознакомления читателями и не преследуют коммерческих целей или нарушение авторских прав - Пожаловаться на публикацию