Главная Случайная страница


Полезное:

Как сделать разговор полезным и приятным Как сделать объемную звезду своими руками Как сделать то, что делать не хочется? Как сделать погремушку Как сделать так чтобы женщины сами знакомились с вами Как сделать идею коммерческой Как сделать хорошую растяжку ног? Как сделать наш разум здоровым? Как сделать, чтобы люди обманывали меньше Вопрос 4. Как сделать так, чтобы вас уважали и ценили? Как сделать лучше себе и другим людям Как сделать свидание интересным?


Категории:

АрхитектураАстрономияБиологияГеографияГеологияИнформатикаИскусствоИсторияКулинарияКультураМаркетингМатематикаМедицинаМенеджментОхрана трудаПравоПроизводствоПсихологияРелигияСоциологияСпортТехникаФизикаФилософияХимияЭкологияЭкономикаЭлектроника






Электрическое влияние





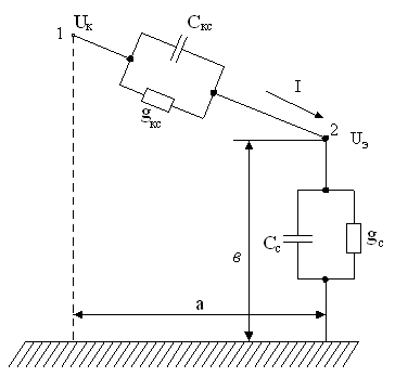
При электрическом влиянии во влияющем проводе имеется напряжение относительно земли, ток отсутствует. Возьмем в качестве влияющей линии провод контактной сети переменного тока с напряжением Uк, а в качестве подверженной влиянию – жилу 2 однопроводной воздушной линии связи (рис. 2.1).

Будем считать, что влияющая и подверженная влиянию линии имеют длину значительную, по сравнению с высотой подвески, и одинаковую.

Между точкой 1 и 2 существует проводимость

yкс = gкс + jw Cкс,

где gкс – активная проводимость изоляции и воздуха; w Cкс – реактивная (емкостная) проводимость между контактным проводом и линией связи.

Рис. 2.1. Схема электрического влияния

Аналогично, проводимость линии связи

yс = gс + jw Cс,

где gс – активная проводимость линии связи провода 2 относительно земли; w Cс – реактивная проводимость (измеряются проводимости в См/км).

Обычно активные проводимости очень малы, то есть g << w C, поэтому примем yкс = jw Cкс, yс = jw Cс.

Между контактным проводом и землей имеется разность напряжений Uк, под воздействием этого напряжения из точки 1 через точку 2 в точку 0 потечет ток

.

Потенциал Uэ провода 2 относительно земли (количественная оценка электрического влияния) будет равен падению напряжения между точками 2 и 0, то есть

.

Выясним зависимость Uэ от высоты подвески провода 2.

Как правило, в<<а, поэтому Скс << Сс (емкость конденсатора обратно пропорциональна расстоянию между его обкладками), поэтому

.

При уменьшении высоты подвески в Сс возрастает, а Скс остается практически постоянной, вследствие чего при приближении провода 2 к земле его потенциал будет уменьшаться; когда провод ляжет на землю, в = 0, Сс =?, Uэ = 0, то есть на провода, лежащие на земле и в земле, электрическое влияние не действует (силовые линии электрического поля от провода 1 заканчиваются на поверхности земли).







Date: 2015-05-18; view: 872; Нарушение авторских прав



mydocx.ru - 2015-2026 year. (0.816 sec.) Все материалы представленные на сайте исключительно с целью ознакомления читателями и не преследуют коммерческих целей или нарушение авторских прав - Пожаловаться на публикацию