Главная Случайная страница


Полезное:

Как сделать разговор полезным и приятным Как сделать объемную звезду своими руками Как сделать то, что делать не хочется? Как сделать погремушку Как сделать так чтобы женщины сами знакомились с вами Как сделать идею коммерческой Как сделать хорошую растяжку ног? Как сделать наш разум здоровым? Как сделать, чтобы люди обманывали меньше Вопрос 4. Как сделать так, чтобы вас уважали и ценили? Как сделать лучше себе и другим людям Как сделать свидание интересным?


Категории:

АрхитектураАстрономияБиологияГеографияГеологияИнформатикаИскусствоИсторияКулинарияКультураМаркетингМатематикаМедицинаМенеджментОхрана трудаПравоПроизводствоПсихологияРелигияСоциологияСпортТехникаФизикаФилософияХимияЭкологияЭкономикаЭлектроника






Статическая точность импульсных стабилизаторов





 

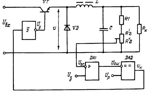
Рассмотрим пример определения статических характеристик стабилизатора постоянного напряжения, выполненного на базе непосредственного понижающего преобразователя. С позиций теории автоматического регулирования этот преобразователь наиболее предпочтителен, так как обладает линейной регулировочной характеристикой. Функциональная схема стабилизатора изображена на рис. 59. При выводе соотношений будем считать все элементы стабилизатора идеальными, а учитывать только активные потери в схеме.

Рис. 59

Напряжение обратной связи Uoc снимается с делителя выходного напряжения R1, R2. Делитель используется для согласования уровней выходного напряжения стабилизатора и напряжений, исполь­зуемых в системе управления.

С помощью усилителя DA1 производится сравнение Uoc с задающим напряжением Uз и усиление разностного сигнала, то есть формируется усиленный сигнал ошибки Uoш:

, (41)

где kDA1 – коэффициент усиления усилителя DA1.

Напряжение Uош с помощью компаратора DA2 сравнивается с развертывающим напряжением Up, частота которого и определяет частоту работы стабилизатора. Временные диаграммы напряжений в схеме для некоторого установившеюся режима работы при номинальном значении входного напряжения приведены на рис. 60, а.

Рис. 60

На выходе компаратора формируются импульсы напряжения (условно уровень логической единицы либо уровень логического нуля). Для согласования выходного сигнала компаратора с силовым транзистором VT используется инвертирующий усилитель мощности У (см. рис. 59). Выходные сигналы этого усилителя Uy (условно также уровни логической единицы либо логического нуля) управляют работой силового транзистора VT. В результате к входу фильтра будет прикладываться напряжение U, повторяющее по форме , но с амплитудой, равной входному напряжению Uвх.

Предполагая, что фильтр имеет достаточно большой коэффициент сглаживания, на нагрузке rh получим практически не пульсирующее напряжение Uвых = γUвх.

Допустим далее, что в рассматриваемой системе произошло возмущение: входное напряжение скачком увеличилось до значения Uвх1 (см. рис. 60,6). Вследствие увеличения Uвх вначале увеличится Uвых, пропорционально увеличится Uос, в соответствии с (41) уменьшится Uош, увеличится длительность сигнала uк, уменьшится длительность сигнала uу. В результате выходное напряжение (по окончании переходного процесса) примет значение Uвых1 = γ1 Uвх1, возвратясь после начального повышения при возникновении возмущения примерно к исходному значению Uвых.

Отличие Uвых и Uвых1 определяет статическую ошибку стабилизатора и зависит от коэффициента передачи контура системы управления.

При уменьшении входного напряжения, например, до значения Uвых2, все величины изменялись бы в противоположную сторону (см. рис. 60, в), в результате выходное напряжение приняло бы значение Uвых2 = γ2 Uвх2.

Изложенное выше отражает качественную строну процесса стабилизации выходного напряжения. Перейдем теперь к количественной оценке статических характеристик стабилизатора.

Определим коэффициенты передачи всех элементов стабилизатора (коэффициент передачи какого-либо элемента с линейной статической характеристикой определяется как отношение выходной величины этого элемента к входной величине и может быть как величиной безразмерной, так и иметь размеренность).

Коэффициент передачи делителя выходного напряжения при условии R1 + R2» rн

.

Коэффициент передачи усилителя сигнала ошибки kDA1 устанавливается выбором соотношения сопротивлений в цепи обратной связи и на входе микросхемы операционного усилителя и может составлять практически любое численное значение.

Компаратор преобразует величину разности напряжений на его входах в длительность импульса с уровнем логической единицы, а усилитель мощности У инвертирует выходной сигнал компаратора, формируя требуемый для управление силовым транзистором импульс длительностью γ и амплитудой также на уровне логической единицы. Коэффициент передачи этих двух последовательно соединенных звеньев

.

Воспользовавшись диаграммами преобразования указанными элементами напряжений в относительную длительность импульса (см. рис. 60, а) для подобных треугольников abd и асе можно составить соотношение

,

откуда получим

,

где Up — амплитуда развертывающего напряжения.

С учетом этого получим

Силовой транзистор VT преобразует импульсы напряжения с уровнем логической единицы в импульсы с амплитудой, равной амплитуде входного напряжения, поэтому коэффициент передачи силового транзистора будет равен:


.

Активные потери отдельно в дросселе фильтра учитывать не будем и получим тогда значение коэффициента передачи сглаживающего фильтра kф = 1.

Запишем уравнение статического режима работы стабилизатора при разомкнутой цепи обратной связи:

, (42)

где – коэффициет передачи стабилизатора по задающему воздействию при разомкнутой обратной связи, r – внутреннее сопротивление стабилизатора, учитывающее активные потери во всех элементах схемы.

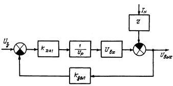
Структурная схема стабилизатора в разомкнутом состоянии, соответствующая уравнению (42), изображена на рис. 61.

Рис. 61

При замыкании обратной связи получим структурную схему стабилизатора, представленную на рис. 62.

По структурной схеме замкнутой системы автоматического регулирования (см. рис. 62) составим уравнение, описывающее статический режим работы стабилизатора:

, (43)

 

Возмущающими воздействиями, приводящими к отклонению выходного напряжения и учтенными в уравнении (43), являются изменение входного напряжения в пределах от Uвх min до Uвx max и изменение тока нагрузки в пределах от Iн min до Iн max.

Вначале учтем отдельно влияние каждого из возмущающих воздействий.

Нестабильность выходного напряжения, вызванная изменением входного напряжения:

, (44)

Нестабильность выходного напряжения, вызванная изменением тока нагрузки:

, (45)

 

Суммарная статическая нестабильность выходного напряжения определяется суммой

, (46)

Обычно точность стабилизаторов напряжения характеризуется суммарной относительной нестабильностью выходного напряжения, которая определяется как отклонение выходного напряжения от номинального значения Uвых ном в сторону увеличения или уменьшения. В соответствии с этим можно записать

, (47)

где , суммарная относительная нестабильность выходного напряжения.

При проектировании стабилизаторов из величин, входящих в (44) – (47), заданными являются Uвх mах, Uвх min, Uвых ном, δ, Iн mах, Iн min.

Значения r, kдел, Up, Uз определяются в процессе разработки схем силовой цепи и системы управления.

Последним же этапом является определение необходимого коэффициента усиления усилителя сигнала ошибки kDA1 обеспечивающего заданную статическую точность.

Рис. 62







Date: 2015-05-09; view: 1368; Нарушение авторских прав



mydocx.ru - 2015-2026 year. (0.357 sec.) Все материалы представленные на сайте исключительно с целью ознакомления читателями и не преследуют коммерческих целей или нарушение авторских прав - Пожаловаться на публикацию