Главная Случайная страница


Полезное:

Как сделать разговор полезным и приятным Как сделать объемную звезду своими руками Как сделать то, что делать не хочется? Как сделать погремушку Как сделать так чтобы женщины сами знакомились с вами Как сделать идею коммерческой Как сделать хорошую растяжку ног? Как сделать наш разум здоровым? Как сделать, чтобы люди обманывали меньше Вопрос 4. Как сделать так, чтобы вас уважали и ценили? Как сделать лучше себе и другим людям Как сделать свидание интересным?


Категории:

АрхитектураАстрономияБиологияГеографияГеологияИнформатикаИскусствоИсторияКулинарияКультураМаркетингМатематикаМедицинаМенеджментОхрана трудаПравоПроизводствоПсихологияРелигияСоциологияСпортТехникаФизикаФилософияХимияЭкологияЭкономикаЭлектроника






Последовательное включение основных схем





 

Другим направлением комбинированных структур является по­следовательное соединение преобразователей различного типа.

Повышающий преобразователь может только повышать напря­жение и имеет прерывистый ток, поступающий в конденсатор выход­ного фильтра, а понижающий преобразователь только понижает на­пряжение, потребляя прерывистый ток от источника питания (или входного фильтра). Эти недостатки могут быть устранены последовательным соединением указанных преобразователей, как показано на рис. 35.

Как известно, при последовательном соединении элементов экви­валентный коэффициент передачи равен произведению коэффициентов передачи этих элементов. Следовательно, с учетом (1) и (19) для схемы на рис. 35 получим:

Рис. 35

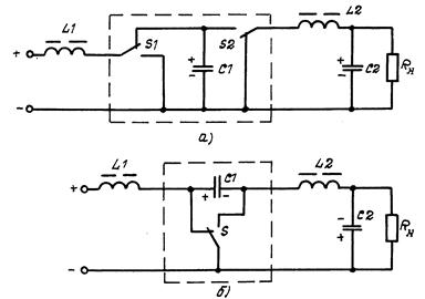
Схему на рис. 35 можно упростить, исключив ряд элементов. Для этого заменим транзистор VT1 и диод VD1 двухпозиционным пере­ключателем S1, a VT2 и VD2 — переключателем S2, как показано на рис. 36, а. Если переключатели S1 и S2 находятся в состоянии, изображенном на рис. 36, а, то происходит заряд конденсатора С1. При переключении переключателей в противоположное состояние конденсатор С1 разряжается. Но для организации указанного про­цесса перезаряда конденсатора С1 можно вместо двух переключате­лей использовать один, как показано на рис. 36, б. Сохранится и харак­тер процессов во входных и выходных цепях схем относительно конту­ров с конденсатором С1, объединенных штриховой линией (см. рис. 36 а, б). Отличие будет лишь одно: в схеме на рис. 36, б сменится поляр­ность выходного напряжения.

Заменив теперь двухпозиционный переключатель S в последней схеме на транзистор и диод, получим новую схему, которая приведена на рис. 37. Эта схема получила название "схемы Кука".

Рис. 36

Рис. 37

 

 







Date: 2015-05-09; view: 1196; Нарушение авторских прав



mydocx.ru - 2015-2026 year. (1.058 sec.) Все материалы представленные на сайте исключительно с целью ознакомления читателями и не преследуют коммерческих целей или нарушение авторских прав - Пожаловаться на публикацию