Главная Случайная страница


Полезное:

Как сделать разговор полезным и приятным Как сделать объемную звезду своими руками Как сделать то, что делать не хочется? Как сделать погремушку Как сделать так чтобы женщины сами знакомились с вами Как сделать идею коммерческой Как сделать хорошую растяжку ног? Как сделать наш разум здоровым? Как сделать, чтобы люди обманывали меньше Вопрос 4. Как сделать так, чтобы вас уважали и ценили? Как сделать лучше себе и другим людям Как сделать свидание интересным?


Категории:

АрхитектураАстрономияБиологияГеографияГеологияИнформатикаИскусствоИсторияКулинарияКультураМаркетингМатематикаМедицинаМенеджментОхрана трудаПравоПроизводствоПсихологияРелигияСоциологияСпортТехникаФизикаФилософияХимияЭкологияЭкономикаЭлектроника






Пример построения автономной системы электроснабжения





 

Рассмотрим пример построения сложной системы непосредствен­ных преобразователей постоянного напряжения, каковой является автономная система электроснабжения космического летательного аппарата.

Неограниченным источником энергии в космическом пространстве является солнечное излучение. Для преобразования энергии солнечного излучения в электрическую энергию на борту космических летательных аппаратов используются солнечные батареи (СБ). Но в условиях тени или затмения СБ никакой энергии не производят. Сле­довательно, для обеспечения бортовых потребителей бесперебойным электропитанием необходимо запасать некоторую часть энергии, про­изводимой СБ в период освещения и отдавать её в нагрузку в период тени. Таким образом, в систему электроснабжения обязательно должна входить комбинация солнечной и аккумуляторной батарей.

Наилучшей является система электроснабжения "со стабилизированной шиной" (этот термин означает распределение электроэнергии ко всем потребителям со стабильным уровнем напряжения). Далее, для питания бортовых подсистем, это напряжение в соответствующих блоках преобразуется в напряжения требуемых уровней, полярности и т.д. Так как наиболее эффективной из схем непосредственных преоб­разователей является понижающая, то для стабилизации напряжения при питании от СБ целесообразно использовать именно её. СБ при этом проектируется исходя из условия, чтобы её напряжение было больше выбранного напряжения на шине.

Особенностью СБ является то, что она представляет собой источник тока, то есть имеет внешнюю характеристику, подобную представленной на рис. 38.

Рис. 38

Источники тока не боятся короткого замыкания, поэтому регулировать напряжение СБ лучше не последовательным преобразователем, рассмотренным выше, а параллельным, как показано на рис. 39.

Рис. 39 Структура в режиме параллельной стабилизации. ДН — делитель напряжения; ИОН — источник опорного напряжения; СУ — схема, управления.

Транзистор в параллельном преобразователе на интервалах закорачивает СБ и в результате устанавливается следующая взаимосвязь между средним значением тока нагрузки Iн и током солнечной батареи IСБ:

Iн=g IСБ

Выходное напряжение при этом составляет величину

Uвых=IнRн

Диод VD в схеме параллельного преобразователя служит для того, чтобы при замкнутом состоянии транзистор не закорачивал конденсатор фильтра С. Основными характеристиками аккумуляторной батареи (АБ) являются зарядная и семейство разрядных (для различных величин разрядного тока). Примерный вид таких характери­стик приведен на рис. 40. Характеристики построены в функции набранной (для зарядной) либо отданной (для семейства разрядных) текущей емкости аккумуляторной батареи Q, измеряемой в ампер-часах и отнесенной к номинальной емкости Qh.

Рис. 40 Q и Qн – текущая и номинальная емкости АБ; Iр ток разряда

Так как напряжение на шине системы как в режиме заряда АБ, так и в режиме разряда должно быть неизменно, а зарядное и разряд­ное напряжения существенно различаются по уровню, то для согласо­вания АБ с системой электроснабжения необходимо использовать за­рядное и разрядное устройства. Причем выполнять эти два устройства необходимо на базе преобразователей разного типа: одно — на базе по­нижающего преобразователя, а другое — повышающего.

Аккумуляторная батарея составляются путем последовательного соединения аккумуляторных элементов. Но чем больше в последовательной цепи элементов, тем ниже надежность такой цепи. Соображения же надежности, равно как и обеспечение минимальных массы и габаритов, для космической техники являются главнейшими. С этих позиций АБ должна содержать минимум элементов, а напряжение АБ, следовательно, должно быть меньше напряжения на выходной шине. Отсюда следует, что зарядное устройство должно выполняться на базе понижающего преобразователя, а разрядное — на базе повышающего.

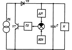
Структура автономной системы электроснабжения в режиме заряда АБ показана на рис. 41. Согласно схеме в этом режиме роль параллельного стабилизатора выполняет зарядное устройство, а величина тока заряда определяется избыточной мощностью СБ по сравнению с мощностью, потребляемой нагрузкой.

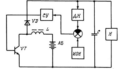
При нахождении космического аппарата в теневой части орбиты питание шины осуществляется от АБ. Структура системы электропитания в этом режиме показана на рис. 42.

Рис. 41 Структура системы энергообеспечения в режиме заряда АБ

Рис. 42 Структура системы энергообеспечения в режиме разряда АБ.


Из приведенного описания режимов работы системы электро­снабжения и преобразования энергии видно, что в любой момент вре­мени работает один из регуляторов. Поэтому целесообразно использо­вать единый блок управления, включив в его состав схему контроля потока мощности. Последняя должна подключать к шине тот или иной регулятор, подавая управляющие сигналы на оконечный каскад соот­ветствующего регулятора. Кроме того, сравнивая структуры на рис. 40–42, можно видеть, что конденсатор фильтра С является общим для всех трех регуляторов, а дроссель L — для регуляторов заряда и разряда АБ. С учетом указанных соображений компануется полная структурная схема системы, приведенная на рис. 43.

Рис. 43

Здесь на транзисторе VT1 и диоде VD1 выполнен параллельный регулятор напряжения СБ, на элементах VT2 и VD3 — зарядный регулятор АБ и на элементах VT3 и VD2 — разрядный регулятор АБ.








Date: 2015-05-09; view: 1339; Нарушение авторских прав



mydocx.ru - 2015-2026 year. (2.981 sec.) Все материалы представленные на сайте исключительно с целью ознакомления читателями и не преследуют коммерческих целей или нарушение авторских прав - Пожаловаться на публикацию