Главная Случайная страница


Полезное:

Как сделать разговор полезным и приятным Как сделать объемную звезду своими руками Как сделать то, что делать не хочется? Как сделать погремушку Как сделать так чтобы женщины сами знакомились с вами Как сделать идею коммерческой Как сделать хорошую растяжку ног? Как сделать наш разум здоровым? Как сделать, чтобы люди обманывали меньше Вопрос 4. Как сделать так, чтобы вас уважали и ценили? Как сделать лучше себе и другим людям Как сделать свидание интересным?


Категории:

АрхитектураАстрономияБиологияГеографияГеологияИнформатикаИскусствоИсторияКулинарияКультураМаркетингМатематикаМедицинаМенеджментОхрана трудаПравоПроизводствоПсихологияРелигияСоциологияСпортТехникаФизикаФилософияХимияЭкологияЭкономикаЭлектроника






Трансформаторные автогенераторные





ПРЕОБРАЗОВАТЕЛИ

 

Рассматриваемые в настоящем разделе нерегулируемые трансформаторные с самовозбуждением, в литературе именуются ещё иногда трансформаторами постоянного напряжения, так как преобразуют с постоянным коэффициентом передачи напряжение источника питания в выходное, обеспечивая при этом их гальваническую развязку.

Схема простейшего преобразователя данного типа приведена на рис. 53.

Рис. 53

Для рассмотрения принципа действия схемы используем идеализированную кривую намагничивания сердечника трансформатора и вольт-амперные характеристики транзистора, включенного по схеме с общим эмиттером, представленные на рис. 54.

Предположим, что исходной рабочей точкой трансформатора является точка отрицательного насыщения (точка 1 на рис. 54,6). Пусть в некоторый момент скачком подается напряжение питания Uвх. Благодаря всегда имеющему место разбросу параметров транзисторов токи утечки их неодинаковы. Допустим, что транзистор VT1 имеет больший ток утечки. Тогда ток утечки этого транзистора создаст на левой первичной полуобмотке трансформатора падение напряжения с полярностью, указанной без скобок. Но напряжения с указанной полярностью наводятся и на других обмотках трансформатора. Благодаря положительной обратной связи транзистор VT1 включается и входит в насыщение, а транзистор VT2 будет заперт. Всё напряжение источника питания прикладывается к левой первичной полуобмотке трансформатора, вследствие чего начинается изменение индукции в его сердечнике. К закрытому же транзистору VT2 прикладывается сумма напряжений (входного и правой первичной полуобмотки), которая равна удвоенному значению входного напряжения. Следовательно, рабочая точка транзистора VT2 находится в положении 6 (см. рис. 54, а) и занимает это положение в течение всего первого полупериода.

Рис. 64

При изменении индукции рабочая точка трансформатора и транзистора VT1 быстро переходит из положения 1 в точку 2, ток в первичной полуобмотке и цепи коллектора возрастает до величины намагничивающего тока трансформатора. В течение первого полупериода индукция в сердечнике изменяется до состояния положительного насыщения, рабочая точка трансформатора перемещается между точками 2 и 3. Положение рабочей точки транзистора к концу полупериода почти не изменяется (точка 3), так как намагничивающий ток трансформатора возрастает незначительно.

Скорость изменения индукции на участке между точками 2 и 3 (пренебрегая падением напряжения на элементах схемы) определяется законом электромагнитной индукции

, (38)

где S – площадь сечения сердечника трансформатора.

Для определения частоты преобразования последнее выражение необходимо проинтегрировать в соответствующих пределах:

,

откуда получим

, (39)

 

В момент насыщения сердечника вначале резко увеличивается ток в первичной обмотке трансформатора и цепи коллектора VT1 до величины, определяемой током базы транзистора (точка 4). Транзистор VT1 выходит из области насыщения и рабочие точки транзистора и трансформатора быстро перемещаются по участку 4-5. В точке 5 все напряжение питания прикладывается к транзистору VT1 и процесс изменения потока в сердечнике трансформатора прекращается.

Напряжение на обмотке управления W6 и ток базы транзистора VT1 становятся равными нулю и транзистор закрывается. Рабочие точки транзистора и трансформатора перемещаются по линии 5-6. При этом происходит небольшое уменьшение индукции трансформатора, и э.д.с. обратной полярности (как указано на рис. 53 в скобках) наводятся на всех обмотках. Теперь открывается транзистор VT2 и входное напряжение прикладывается к правой первичной полуобмотке. Индукция трансформатора изменяется во втором полупериоде от положительного до отрицательного насыщения по линии, указанной на рис. 54, б пунктиром. Рабочая точка VT2 переходит из положения 6 в положение 1 и повторяет траекторию рабочей точки VT1.

Согласно (38) скорость изменения индукции неизменна в течение полупериода, поэтому напряжение на вторичной обмотке трансформатора будет прямоугольным, а выходное — постоянным без пульсаций(если пренебречь провалами на интервалах коммутации транзисторов):

.

Включение нагрузки не вносит существенных изменений в работу схемы. Только рабочая точка транзистора после включения быстро переходит в положение 2 и затем в течение полупериода смещается до положения 3, а рабочая точка трансформатора после насыщения сердечника достигает только положения 5.


Как видно из принципа действия схемы, трансформатор должен обладать прямоугольной формой кривой перемагничивания.

Обратные диоды VD1 и VD2 нужны для обеспечения контуров протекания токов, вызываемых индуктивностями рассеяния обмоток трансформатора.

Для обеспечения режима насыщения транзисторов номинальный ток базы Iб ном должен задаваться из условия

,

где I’н — приведенный ток нагрузки:

.

Коэффициент 1,2-1,3 учитывает необходимый запас по насыщению для транзисторов с минимально возможными коэффициентами передачи тока базы h21Э.

При насыщении трансформатора в конце каждого полупериода амплитуда коммутационного тока коллектора Iк max равна

.

При типовом для мощных биполярных транзисторов соотношении h2lЭ max/h21Э min = 6-10 амплитуда коммутационного тока коллектора в 7-13 и более раз превышает максимальный приведенный ток нагрузки. Поскольку амплитуда тока коллектора не должна ни при каких условиях превышать его предельно допустимое значение Iк доп, то транзисторы должны использоваться с большим запасом по току коллектора I’н ≤ (0,08-0,14)IК доп.

Плохое использование транзисторов по току и большие потери мощности в транзисторах на их коммутацию являются существенными недостатками простейшей схемы на рис. 53. К недостаткам следует отнести и зависимость частоты преобразования как от изменения входного питающего напряжения, так и от величины тока нагрузки (так как ток нагрузки определяет падение напряжения на обмотках трансформатора). Кроме того, резкое возрастание потребляемого тока при коммутациях транзисторов создает высокий уровень радиопомех.

Но все отмеченные недостатки определяются главным образом насыщением сердечника трансформатора. Для исключения насыщения трансформатора и повышения эффективности автогенераторных преобразователей в их схемы вводят дополнительные нелинейные элементы, насыщающиеся в конце каждого рабочего полупериода и вызывающие тем самым переключение транзисторов и смену полярности выходного напряжения инвертора до наступления режима насыщения силового трансформатора.

В преобразователе, схема которого изображена на рис. 55, в цепь положительной обратной связи между силовым трансформатором ТV1 и базовыми цепями транзисторов включен маломощный насыщающийся трансформатор TV2.

Рис. 55

Пусть в исходном состоянии транзистор VT1 открыт и насыщен, а транзистор VT2 закрыт и находится в состоянии отсечки. На обмотках трансформаторов наведены э.д, с„ полярности которых указаны на рис. 55. Исходное состояние преобразователя будет сохраняться до тех пор, пока не произойдет насыщение трансформатора TV2. Увеличение его первичного тока вызовет увеличение падения напряжения на резисторе R3. В результате уменьшаются напряжения на обмотках TV2, ток базы открытого транзистора VT1 и запирающее смещение на входе транзистора VT2. В момент нарушения условия насыщения VT1 напряжение на нем возрастает, что приводит к уменьшению напряжений на обмотках трансформатора TV1. Как только напряжение на его обмотке Woс начнет уменьшаться, напряжения на обмотках насыщенного трансформатора TV2 благодаря накопленной в нем электромагнитной энергии резко изменят свою полярность: к переходу база — эмиттер транзистора VT1 прикладывается запирающее смещение, к переходу база-эмиттер VT2 — отпирающее. Смена полярности напряжений на обмотках трансформатора TV2 обеспечивает начало лавинообразного процесса переключения транзисторов, приводящего к полному закрыванию VT1, открыванию VT2 и смене полярности напряжений на обмотках силового трансформатора TV1.


Вновь установившееся состояние схемы будет сохраняться до тех пор, пока трансформатор TV2 снова не войдет в режим насыщения. При этом также начнется лавинообразный процесс переключения транзисторов, в результате которого схема вернется в исходное состояние — VT1 открыт и насыщен, а VT2 закрыт и находится в режиме отсечки.

"Принцип действия преобразователей с самовозбуждением и дополнительным насыщающимся дросселем в цепях обратной связи рассмотрим на примере схемы, изображенной на рис. 56.

Рис. 56

Пусть в исходном состоянии схемы открыт и насыщен транзистор VT1, а транзистор VT2 закрыт и находится в режиме отсечки. Такое состояние схемы поддерживается за счет базовых обмоток трансформатора, которые, как и в схеме с насыщающимся силовым трансформатором, обеспечивают положительную обратную связь. Через открытый переход база-эмиттер VT1 и диод VD4 нелинейный дроссель подключен к правой базовой обмотке трансформатора. Полярность наводимых на обмотках э.д.с. при этом указана на рисунке. Ток базы открытого транзистора VT1 равен разности между током протекающим через резистор R1, и током дросселя L. При ненасыщенном дросселе ток в его обмотке незначителен по сравнению с током в резисторе.

При насыщении дросселя ток в его обмотке резко возрастает и становится больше тока в R1, что приводит к изменению полярности тока базы открытого транзистора VT1. В результате VT1 выходит из режима насыщения, и под действием положительной обратной связи состояние схемы изменяется на противоположное исходному – транзистор VT1 закрывается, а VT2 — открывается. Далее процессы повторяются.

На рис. 57 представлена схема преобразователя с времязадающей RC – цепочкой.

Пусть также в исходном состоянии открыт транзистор VT1 и закрыт VT2. Полярности напряжений на обмотках трансформатора, соответствующие этому состоянию схемы, указаны на рис. 57. К переходу база-эмиттер транзистора VT2 через открытый переход база — эмиттер транзистора VT1 приложена сумма напряжений обоих базовых обмоток и напряжения на конденсаторе С. Последний перезаряжается через резистор R3 от вспомогательной обмотки Wg напряжение на которой должно превышать сумму напряжений обеих базовых обмоток.

Рис. 57

В процессе перезаряда напряжение на конденсаторе С проходит через свое нулевое значение, изменяет полярность и в момент, когда его значение превысит сумму напряжений на обеих базовых обмотках, к переходу база-эмиттер ранее закрытого транзистора VT2 прикладывается отпирающее смещение. Транзистор VT2 открывается и в результате действия положительной обратной связи состояние схемы изменяется на противоположное исходному. Далее процессы периодически повторяются. Изменяя скорость перезаряда конденсатора C с помощью регулировки сопротивления резистора R3, можно подстраивать частоту преобразования.


Как отмечалось в начале раздела, первоначальный запуск рассматриваемых здесь схем обеспечивается неидентичностью параметров элементов, которая создает несимметрию в схеме. Но в ряде случаев этого может быть недостаточно для гарантированного возбуждения автоколебаний. Для обеспечения надежного запуска преобразователей с самовозбуждением в их схемы приходится вводить дополнительные элементы и запускающие цепочки, облегчающие выполнение условий самовозбуждения автоколебаний в моменты начального запуска.

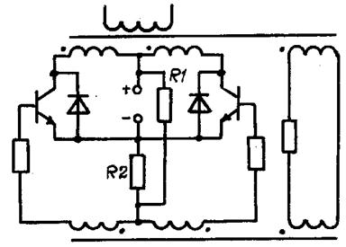
Простейшей запускающей цепочкой является цепочка из резисторов R1 и R2, показанная на рис. 58 и примененная в качестве примера для схемы преобразователя с ненасыщающимся силовым трансформатором (см. рис. 55).

Рис. 58

В момент подачи питающего напряжения через делитель Rl, R2 начинает протекать ток, падение напряжения на резисторе R2 от этого тока вызывает начальное отпирающее смещение на входах транзисторов, протекание начальных пусковых токов через базы транзисторов и соответствующе облегчение условий самовозбуждения автоколебаний, Более подробно вопросы устойчивого запуска автогенераторных преобразователей рассмотрены в [1].

 







Date: 2015-05-09; view: 2168; Нарушение авторских прав



mydocx.ru - 2015-2026 year. (0.416 sec.) Все материалы представленные на сайте исключительно с целью ознакомления читателями и не преследуют коммерческих целей или нарушение авторских прав - Пожаловаться на публикацию