Главная Случайная страница


Полезное:

Как сделать разговор полезным и приятным Как сделать объемную звезду своими руками Как сделать то, что делать не хочется? Как сделать погремушку Как сделать так чтобы женщины сами знакомились с вами Как сделать идею коммерческой Как сделать хорошую растяжку ног? Как сделать наш разум здоровым? Как сделать, чтобы люди обманывали меньше Вопрос 4. Как сделать так, чтобы вас уважали и ценили? Как сделать лучше себе и другим людям Как сделать свидание интересным?


Категории:

АрхитектураАстрономияБиологияГеографияГеологияИнформатикаИскусствоИсторияКулинарияКультураМаркетингМатематикаМедицинаМенеджментОхрана трудаПравоПроизводствоПсихологияРелигияСоциологияСпортТехникаФизикаФилософияХимияЭкологияЭкономикаЭлектроника






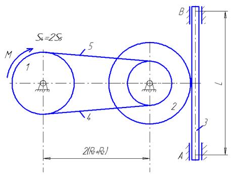
Приклад виконання завдання. Матеріальна система (рис





Матеріальна система (рис. 5.1) рухається під дією моменту М, що діє на тіло 1. Осі тіла 1 та 2 горизонтальні. В точках контакту тіл та паса ковзання відсутнє. Масою тіла знехтувати. Тіло 1 – однорідний циліндр.

Визначити прискорення тіла 3 та кутові прискорення тіл 1 та 2 якщо: R1=0,25м; R2=0,45м; r2=0,15м; i2=0,4м; l=0,7м; m1=0,5кг; m2=5кг; m3=4кг; М=3t3Hм; t2=2c.

Рисунок 5.1

Розв’язання. Для дослідження руху матеріальної системи (рис. 5.1) використаємо теорему про зміну кінетичної енергії в диференціальній формі

, (5.1)

де Т- кінетична енергія системи, Ne – потужність зовнішніх сил системи, Ni – потужність внутрішніх сил системи, Ni = 0 – тіла тверді, а пас абсолютно гнучкий та нерозтяжний.

Кінетична енергія системи складається із кінетичної енергії тіл, що входять в систему

Т=Т123.

Тіла 1 та 2 обертаються навколо нерухомих горизонтальних осей і їх кінетична енергія знаходиться за формулами:

, , (5.2)

де , - моменти інерції відповідно тіл 1 та 2, w1, w2 – кутові швидкості тіл.

Тіло 3 переміщується поступально із швидкістю V3, тоді

. (5.3)

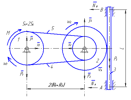
Взаємозв’язок між кінематичними характеристиками руху тіл (рис. 5.2)

, . (5.4)

Запишемо кінетичну енергію системи, враховуючи (5.2), (5.3) та (5.4), як функцію швидкості V3 тіла 3

. (5.5)

 

Рисунок 5.2

 

Знайдемо потужність зовнішніх сил (рис. 5.2) матеріальної системи: сили тяжіння P1=m1g, P2=m2g, P3=m3g моменту М; реакції в’язей нерухомих (циліндричних) шарнірів X1 , Y1 , X2 , Y2 , NA , NB.

Потужність сил X1 ,Y1 , P1 , X2 , Y2 , P2 , NA i NB дорівнює нулю тому, що точки прикладення сил не переміщуються. Тоді потужність Nе зовнішніх сил буде складатися із потужності моменту М та сили тяжіння тіла 3 - Р3.

де ,

.

Або

. (5.6)

Теорема про зміну кінетичної енергії матеріальної системи (5.1) з врахуванням (5.5) та (5.6) запишеться:

 

Оскільки , тоді

. (5.7)

Кутові прискорення тіл

, .

Підставляючи дані умови задачі, отримаємо:

 

 

При t1=2c, , , .

 


ДС.6 Дослідження планетарного механізму з паралельними осями

 

До вала I планетарного механізму (рис. 6.1 – 6.5), розташованого в горизонтальній площині (вал I вертикальний), прикладений обертальний момент М. Знайти кутову швидкість w вала I при t=t1. В початковий момент система знаходиться у спокої. Силами тертя знехтувати. Дані для розрахунків приведено в табл. 6.1. Вагою рухомих, нерухомих осей та водила знехтувати. Колеса з рухомими та нерухомими осями вважати однорідними круглими дисками. Радіус rз зубчастого колеса визначається із схеми механізму (рис. 6.1 – 6.5).

 

Таблиця 6.1

Варіант Радіус, м Маса, кг Момент, Н·м Час, с
r1 r2 r3 m1 m2 m3 M t1
  0.15 0.20 0.45 0.5 0.4 0.6 8+3t  
  0.30 0.35 0.60 1.0 0.9 0.8 4-wI  
  0.35 0.45 0.70 1.5 1.4 1.0 6+zt2  
  0.35 0.40 0.65 1.25 1.2 0.9 5+3wI  
  0.45 0.50 0.95 0.75 0.6 0.8 12+5t  
  0.30 0.35 0.90 0.8 0.5 0.6 1+6wI  
  0.40 0.45 1.00 0.6 0.4 0.5 2+9t2  
  0.45 0.50 1.2 0.7 0.6 0.9 8+wI  
  0.20 0.30 0.50 0.4 0.3 0.5 2+3t  
  0.50 0.60 1.2 0.3 0.4 0.6 9+2wI  

 







Date: 2015-09-03; view: 335; Нарушение авторских прав



mydocx.ru - 2015-2026 year. (0.452 sec.) Все материалы представленные на сайте исключительно с целью ознакомления читателями и не преследуют коммерческих целей или нарушение авторских прав - Пожаловаться на публикацию