Главная Случайная страница


Полезное:

Как сделать разговор полезным и приятным Как сделать объемную звезду своими руками Как сделать то, что делать не хочется? Как сделать погремушку Как сделать так чтобы женщины сами знакомились с вами Как сделать идею коммерческой Как сделать хорошую растяжку ног? Как сделать наш разум здоровым? Как сделать, чтобы люди обманывали меньше Вопрос 4. Как сделать так, чтобы вас уважали и ценили? Как сделать лучше себе и другим людям Как сделать свидание интересным?


Категории:

АрхитектураАстрономияБиологияГеографияГеологияИнформатикаИскусствоИсторияКулинарияКультураМаркетингМатематикаМедицинаМенеджментОхрана трудаПравоПроизводствоПсихологияРелигияСоциологияСпортТехникаФизикаФилософияХимияЭкологияЭкономикаЭлектроника






Электропривод по системе управляемый





выпрямитель – двигатель

 

Основными типами преобразователей, применяемых в на­стоящее время в регулируемом электроприводе постоянного тока, являются полупроводниковые управляемые выпрями­тели (УВ) и широтно-импульсные преобразователи (ШИП).

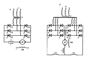
Схемы электроприводов (УВ-Д) (рис. 2.12) собраны на управляемых полупроводниковых приборах (V1-V6), могут быть нереверсивными и реверсивными, однофазными и трех­фазными, собранными по нулевой или мостовой схемам. Чаще используются трехфазные схемы, в качестве полупроводни­ковых приборов – тиристоры, а в последние годы – транзи­сторы (например, iGBT). УВ обеспечивает регулирование на­пряжения на ДПТ за счет изменения среднего значения ЭДС преобразователя Еп. Достигается это регулированием угла управления транзисторов, т. е. задержкой их открытия (рис. 2.13).

При преобразователь работает как неуправляемый выпрямитель, к двигателю приложено полное выпрямленное напряжение. Если импульсы от системы управления (СУ) будут подаваться со сдвигом на угол , то ЭДС Еп снизится, а ее величина определяется как

, (2.18)

где Есро – среднее значение выпрямленной ЭДС при холостом ходе выпрямителя и ; Е – действующее значение пере­менной фазной ЭДС; т – число фаз выпрямителя.

 

 

Рис. 2.12. Схема электропривода по системе управляемый

выпрямитель-двигатель (УВ –Д):

а – нереверсивная; б – реверсивная

В табл. 2.1 приведены основные соотношения для раз­личных схем выпрямления (рис. 2.14) [6].

ЭДС преобразователя имеет пульсирующий характер (см. рис. 2.13), а пульсации тока зависят от количества фаз и индуктивности якорной цепи. В трехфазных схемах пульса­ции ЭДС меньше, а в цепь якоря включают еще дополнитель­но индуктивность L (см. рис. 2.12).

 

 

Рис. 2.13. Регулирование напряжения с помощью

управляемого выпрямителя:

а – схема выпрямителя; б – диаграмма напряжений;

в – диаграмма токов

Уравнения электромеханической и механической харак­теристик ДПТ, питаемого от вентильного преобразователя, имеют вид

(2.19)

Здесь Rn – эквивалентное сопротивление преобразователя, включающее: приведенные к вторичной обмотке активное и индуктивное сопротивления фазы трансформатора; сопротивление сглаживающего дросселя L; сопротивления самих вен­тилей, обусловленные как процессом коммутации, так и пря­мым падением напряжения.

 

Таблица 2.1

Основные соотношения для различных схем выпрямления

 

  Название схемы   № рисунка   Выпрямленная ЭДС   Средний ток вентиля Типовая мощность трансформатора,
Однофазная мостовая 2.14, а 0,9 0,5 1,11
Трехфазная мостовая 2.14, б 1,3 0,33 1,045
Однофазная двухполупериодная со средней точкой   2.14, в   0,9   0,5   1,34
Трехфазная со средней точкой 2.14, г 1,17 0,33 1,35

Примечание. , – ток и мощность на зажим выпрямителя

 

 

Рис. 2.14 Схемы соединений преобразователей

напряжения (выпрямителей):

а – мостовые однофазные; б – мостовые трехфазные;

в, г – однофазная и трехфазная со средней точкой

Характеристики по (2.19) приведены на рисунке 2.15. Особенностью их является наличие зоны прерывистых токов в области малых нагрузок и, особенно, больших углах а.

Величина Rn, как и в системе Г-Д, приводит к уменьше­нию жесткости характеристик. При 0 характеристи­ки соответствуют двигательному режиму; при – режим динамического торможения; при привод рабо­тает в генераторном режиме (торможение) с отдачей энергии в сеть, а преобразователь – в режиме инвертора.

 

 

Рис. 2.15. Характеристики нереверсивного (а) и реверсивного

электроприводов при совместном линейном управлении (б)

 

Для получения характеристик во всех четырех квадран­тах (рис. 2.15, б) используют реверсивные УВ, построенные из двух комплектов нереверсивных (см. рис. 2.12), или обес­печивают изменение направления тока возбуждения двигате­ля в схеме с нереверсивным УВ. В приводе по схеме 2.12, б управление обоими мостами (выпрямителем и инвертором ) осуществляется так, что (см. рис. 2.15, б) (со­вместное линейное согласование углов управления). При этом , крайние характеристики (вверх и вниз) соответст­вуют и .







Date: 2015-08-06; view: 917; Нарушение авторских прав



mydocx.ru - 2015-2026 year. (0.479 sec.) Все материалы представленные на сайте исключительно с целью ознакомления читателями и не преследуют коммерческих целей или нарушение авторских прав - Пожаловаться на публикацию