Главная Случайная страница


Полезное:

Как сделать разговор полезным и приятным Как сделать объемную звезду своими руками Как сделать то, что делать не хочется? Как сделать погремушку Как сделать так чтобы женщины сами знакомились с вами Как сделать идею коммерческой Как сделать хорошую растяжку ног? Как сделать наш разум здоровым? Как сделать, чтобы люди обманывали меньше Вопрос 4. Как сделать так, чтобы вас уважали и ценили? Как сделать лучше себе и другим людям Как сделать свидание интересным?


Категории:

АрхитектураАстрономияБиологияГеографияГеологияИнформатикаИскусствоИсторияКулинарияКультураМаркетингМатематикаМедицинаМенеджментОхрана трудаПравоПроизводствоПсихологияРелигияСоциологияСпортТехникаФизикаФилософияХимияЭкологияЭкономикаЭлектроника






Защита сельских распределительных сетей 10 кВ





 

Согласно требованиям [1] первая ступень защиты выполняется в виде токовой отсечки, а вторая в виде максимальной токовой защиты (МТЗ) с зависимой от тока характеристикой выдержки времени. Токовую отсечку выполняют на реле типа РТМ, а максимальную токовую защиту на реле РТВ. Реле РТМ и РТВ относятся к реле прямого действия, которые одновременно являются измерительными и исполнительными органами, действующими непосредственно на привод выключателя.

МТЗ на реле типа РТВ пока широко применяется на воздушных линиях 10 кВ.

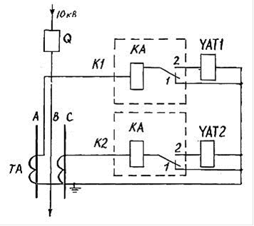
Из электромеханических реле наиболее точными являются индукционное реле типа РТ-85 с ограниченно-зависимой характеристикой времени срабатывания. Эти реле состоят из трех элементов: индукционного, электромагнитного мгновенного действия (токовая отсечка) и указательного. Схема максимальной токовой защиты на реле типа РТ-85 показана на рис. 2.5.

 

Рис. 2.5. Схема максимальной токовой защиты на реле типа РТ-85: К.1, К.2 - реле тока типа РТ-85; Q - выключатель в линии 10 кВ; ТА - трансформатор тока

 

Реле РТ-85 имеет специальные усиленные контакты, выполненные переключающими. В нормальном рабочем состоянии размыкающие контакты 1 реле КА1 и КА2 замкнуты и шунтируют электромагниты отключения УАТ1 и УАТ2, а замыкающие контакты 2 этих реле разомкнуты, поэтому ток через электромагниты отключения не проходит. При к. з. на линии реле с выдержкой времени срабатывает, его контакты переключаются, т.е. сначала замыкается контакт 2, а затем размыкается контакт 1. Электромагнит отключения-УАТ обтекается полным током вторичной обмотки трансформатора тока и при достаточном значении тока срабатывает, воздействуя на механизм отключения привода выключателя и выключатель отключается. Эти схемы называются схемами с дешунтированием электромагнита отключения.

В целях повышения чувствительности защиты при двухфазных к. з. за трансформатором 10 кВ со схемой соединения обмоток A/ Y устанавливают дополнительно третье реле РТ-85.







Date: 2015-07-25; view: 939; Нарушение авторских прав



mydocx.ru - 2015-2026 year. (1.047 sec.) Все материалы представленные на сайте исключительно с целью ознакомления читателями и не преследуют коммерческих целей или нарушение авторских прав - Пожаловаться на публикацию