Главная Случайная страница


Полезное:

Как сделать разговор полезным и приятным Как сделать объемную звезду своими руками Как сделать то, что делать не хочется? Как сделать погремушку Как сделать так чтобы женщины сами знакомились с вами Как сделать идею коммерческой Как сделать хорошую растяжку ног? Как сделать наш разум здоровым? Как сделать, чтобы люди обманывали меньше Вопрос 4. Как сделать так, чтобы вас уважали и ценили? Как сделать лучше себе и другим людям Как сделать свидание интересным?


Категории:

АрхитектураАстрономияБиологияГеографияГеологияИнформатикаИскусствоИсторияКулинарияКультураМаркетингМатематикаМедицинаМенеджментОхрана трудаПравоПроизводствоПсихологияРелигияСоциологияСпортТехникаФизикаФилософияХимияЭкологияЭкономикаЭлектроника






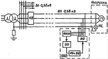
Устройство контроля обрыва провода в сети 0,38 кВ типа УКО





Устройство предназначено для защиты сетей 0,38 кВ от неполнофазных режимов, обусловленных обрывом проводов, а также повышения уровня электробезопасности. Устройство УКО фиксирует составляющую напряжения обратной последовательности в конце линии при обрыве фазного провода с действием на короткозамыкатель, создает искусственное к. з., которое отключается защитой линии (автоматом), установленной на головном участке. Устройство представляет собой блок, содержащий фильтр напряжения обратной последовательности, пороговый орган, реагирующий орган с элементом выдержки времени и исполнительный орган.

Устройство типа УКО подключается к нулевому и линейным проводам в конце защищаемого участка линии (рис. 2.4).

 

Рис. 2.4. Структурная схема присоединения УКО к сети 0,38 кВ

 

При нормальных условиях работы воздушной линии 0,38 кВ на выходе фильтра напряжения обратной последовательности ФНОП имеется напряжение небаланса, обусловленное параметрами фильтра и контролируемой сети, которого недостаточно для срабатывания порогового органа ПО.

При обрыве провода в линии 0,38 кВ на выходе ФНОП резко увеличивается напряжение, которое превышает установку срабатывания ПО и он срабатывает, приводя также к срабатыванию регулирующего органа РО с регулируемой выдержкой времени ВВ. Через заданное время сигнал с РО поступает на вход исполнительного органа ИО - короткозамыкателя. который срабатывая создает искусственное устойчивое двухфазное к. з. на землю. Автоматический выключатель АВ, установленный в начале контролируемой линии, отключает это к.з. Короткозамыкатель имеет дополнительную токовую обмотку, использующую энергию тока к. з., для более надежного срабатывания. После отключения линии и устранения обрыва провода устройство автоматически возвращается в исходное состояние.

Устройство позволяет значительно сократить ущерб, от выхода из строя электродвигателей из-за возникновения неполнофазного режима и практически устранить электротравматизм, связанный с обрывом проводов в сетях 0,38 кВ, тем самым повысив электробезопасность.

 







Date: 2015-07-25; view: 1155; Нарушение авторских прав



mydocx.ru - 2015-2026 year. (0.604 sec.) Все материалы представленные на сайте исключительно с целью ознакомления читателями и не преследуют коммерческих целей или нарушение авторских прав - Пожаловаться на публикацию