Главная Случайная страница


Полезное:

Как сделать разговор полезным и приятным Как сделать объемную звезду своими руками Как сделать то, что делать не хочется? Как сделать погремушку Как сделать так чтобы женщины сами знакомились с вами Как сделать идею коммерческой Как сделать хорошую растяжку ног? Как сделать наш разум здоровым? Как сделать, чтобы люди обманывали меньше Вопрос 4. Как сделать так, чтобы вас уважали и ценили? Как сделать лучше себе и другим людям Как сделать свидание интересным?


Категории:

АрхитектураАстрономияБиологияГеографияГеологияИнформатикаИскусствоИсторияКулинарияКультураМаркетингМатематикаМедицинаМенеджментОхрана трудаПравоПроизводствоПсихологияРелигияСоциологияСпортТехникаФизикаФилософияХимияЭкологияЭкономикаЭлектроника






Специальная токовая защита нулевой последовательности от однофазных к. з. на землю в сети 0,38 кВ





Электрические сети 0,38 кВ работают с глухо заземленной нейтралью трансформаторов со схемой соединения обмоток D/g и g/g. На закрытых трансформаторных подстанциях (ЗТП) 10/0,4 кВ трансформаторы мощностью более 400 кВА применяются со схемой соединения обмоток D/g. При однофазном к. з. на землю на стороне 0,4 кВ значение тока к. з. оказывается примерно в три раза выше, чем при таком же к. з. за таким же трансформатором, но со схемой соединения обмоток g/g. Это обеспечивает более высокую чувствительность как специальной токовой защиты нулевой последовательности 0,38 кВ, так и максимальной токовой защиты 10 кВ трансформаторов со схемой соединения обмотокD/g.

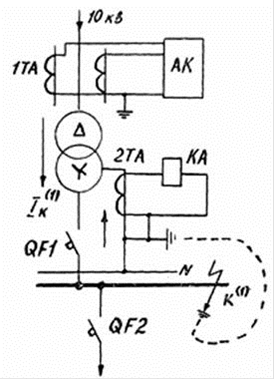
Специальная токовая защита нулевой последовательности может выполняться, например, включением в нулевой провод (нейтраль) защищаемого трансформатора тока, к вторичной обмотке которого подключается максимальное реле тока типа РТ-40 или РТ-85. При однофазном к. з. на стороне 0,4 кВ ток к. з. проходит по повредившейся фазе и нейтрали трансформатора, трансформируется через трансформатор тока в реле тока типа РТ-40 (РТ-85) и вызывает срабатывание специальной токовой защиты нулевой последовательности на отключение выключателя 10 кВ и автоматического выключателя 0,4 кВ. Эта защита обладает высокой чувствительностью к любым однофазным к. з. за трансформатором как с металлическим, так и с переходным сопротивлением в месте повреждения. Схема специальной токовой защиты нулевой последовательности от однофазных к. з. на землю в сети 0,38 кВ представлена на рисунке 2.3.

Эту защиту рекомендуется устанавливать и на трансформаторах 10/0,4 кВ, защищаемых со стороны 10 кВ плавкими предохранителями. При этом она действует только на отключение автоматического выключателя на стороне 0,4 кВ.


Рис. 2.3. Схема специальной токовой защиты нулевой последовательности от однофазных к. з. на землю в сети 0,38 кВ: 1ТА, 2ТА - трансформаторы тока; АК - максимальная токовая защита; К.А - максимальное реле тока типа РТ-40 (РТ-85) специальной токовой защиты; OF1, QF2 - автоматического выключателя; Л «-ток однофазного к. з. к1-точка однофазного к.з.

 







Date: 2015-07-25; view: 1075; Нарушение авторских прав



mydocx.ru - 2015-2026 year. (0.512 sec.) Все материалы представленные на сайте исключительно с целью ознакомления читателями и не преследуют коммерческих целей или нарушение авторских прав - Пожаловаться на публикацию