Главная Случайная страница


Полезное:

Как сделать разговор полезным и приятным Как сделать объемную звезду своими руками Как сделать то, что делать не хочется? Как сделать погремушку Как сделать так чтобы женщины сами знакомились с вами Как сделать идею коммерческой Как сделать хорошую растяжку ног? Как сделать наш разум здоровым? Как сделать, чтобы люди обманывали меньше Вопрос 4. Как сделать так, чтобы вас уважали и ценили? Как сделать лучше себе и другим людям Как сделать свидание интересным?


Категории:

АрхитектураАстрономияБиологияГеографияГеологияИнформатикаИскусствоИсторияКулинарияКультураМаркетингМатематикаМедицинаМенеджментОхрана трудаПравоПроизводствоПсихологияРелигияСоциологияСпортТехникаФизикаФилософияХимияЭкологияЭкономикаЭлектроника






Определение внутренних усилий в элементах монолитного ребристого перекрытия





Цель занятия: выполнить статический расчет второстепенных балок и плит монолитного балочного ребристого перекрытия.

 

При статическом расчете элементов монолитного ребристого перекрытия вводится условная расчетная схема, у которой опорами главных балок являются колонны и стены, второстепенные балки опираются на главные балки и на стены; в свою очередь балки являются опорами для плиты.

 

Определение внутренних усилий в балочной плите.

 

Плиту можно рассматривать как балочную только при действии на нее равномерно распределенной нагрузки. При статическом расчете плита рассматривается как неразрезная многопролетная балка с расчетным пролетом, равным расстоянию в свету между второстепенными балками, а для крайнего – расстоянию от оси опоры на стене до ближайшей грани ребра (для зданий с неполным каркасом). Расчет ведут для полосы шириной 1м. При количестве пролетов более пяти, расчет выполняют как дляпятипролетной балки, т.к. усилия во всех средних пролетах плиты незначительно отличаются от усилия в третьем пролете.

На работу участков плиты, защемленных по четырем сторонам, в местах сопряжения с балками благоприятное влияние оказывает распор. Поэтому для таких плит значения изгибающих моментов в сечениях промежуточных пролетов и опор уменьшаются на 20%. В случае проектирования монолитного перекрытия над двухпролетным подземным пешеходным переходом защемления по четырем сторонам наблюдаться не будет, при трехпролетном переходе уменьшение на 20% моментов возможно выполнять для среднего пролета, однако при этом увеличивается трудоемкость выполнения работ. В связи с этим можно условно не учитывать уменьшение армирование.

 

Таблица 6.1 - Расчетные пролеты плиты
Крайние Средние
Расстояние от середины площадки опирания плиты на стену (для зданий с неполным каркасом) до ближайшей к стене грани ребра второстепенной балки Расстояние в свету между второстепенными балками
Расстояние в свету между второстепенными балками (при опирании на балку)

 

Таблица 6.2 - Значения внутренних усилий в сечениях плиты
усилие на первой опоре (над балкой или стеной) в первом (крайнем) пролете на первой промежуточной опоре в средних пролетах на средних опорах в средних пролетах и на средних опорах, где плиты окаймлены по всему контуру монолитно связанными с ними балками
             
M -
V - - -

Изгибающий момент положительный в пролете и отрицательный на опорах.

6.2 Определение внутренних усилий в сечениях второстепенной балки.

Расчет второстепенной балки монолитного балочного ребристого перекрытия осуществляется по методу предельного равновесия с учетом перераспределения усилий. Нагрузка на балку передается от плиты с грузовой ширины, равной шагу второстепенных балок , также учитывается собственный вес второстепенной балки.

 

Таблица 6.3 – Расчетные пролеты второстепенной балки
Крайние Средние
Расстояние от середины площадки опирания балки на стену до ближайшей к стене боковой грани главной балки Расстояние в свету между главными балками

 

Длина площадки опирания второстепенной балки определяется прочностью материала стены на местное сжатие. Принимаем длину площадки опирания 150мм.

Поскольку в сечениях второстепенной балки могут действовать изгибающие моменты различных знаков, то их нахождения только для основных пролетных и опорных сечений недостаточно. Необходимо определять положительные и отрицательные моменты для нескольких сечений балки по длине с построением огибающей эпюры. Вычисление изгибающих моментов удобно выполнять в табличной форме с использованием данных ПРИЛОЖЕНИЯ. При этом ординаты огибающей эпюры моментов определяют по формуле: ,

где - коэффициент, определяемый в зависимости от величины соотношения временной и постоянной нагрузок.

Прочность наклонных сечений рассчитывают в трех сечениях: у первой свободной опоры «А» (), у второй (первой промежуточной) опоры «В» (слева - ; справа - ). Поперечные силы на промежуточных опорах такие же, как и на второй справа .

 

Пример

Требуется:

По исходным данным примера 5 и с учетом принятой компоновки определить внутренние усилия в плите и второстепенной балке монолитного ребристого перекрытия.

Решение:

I.Определение внутренних усилий в монолитной балочной плите.

Сбор нагрузок на м2 междуэтажного перекрытия представлен в табл.6.4


 

Таблица 6.4 – Нагрузки на 1м2 монолитного перекрытия

Вид нагрузки Нормативная нагрузка, кН/м2 Частный коэффициент безопасности Расчетная нагрузка, кН/м2
Постоянная
-от собственного веса плиты (d=0,15м, r=25 кН/м3) 3,75 1,35 5,06
- от собственного веса грунта, гидроизоляции, подсыпок, асфальтобетонного покрытия (все что расположено выше перекрытия перехода и до дорожного полотна включительно) 4,5 1,35 6,08
Итого постоянная 8,25   11,14
Временная
(по заданию на проектирование) 12,0 1,5  
Всего 20,25   29,14

Расчетные пролеты:

- крайние

- средние ,

где 200мм – ширина второстепенной балки.

 

Первый пролет меньше последующих за счет того что привязка крайних колонн не осевая а нулевая, со смещением во внутрь, см. Рис.

 


Таблица 6.5 – Значения внутренних усилий в сечениях плиты
усилие на первой опоре в первом (крайнем) пролете на первой промежуточной опоре в средних пролетах на средних опорах в средних пролетах и на средних опорах, где плиты окаймлены по всему контуру монолитно связанными с ними балками
M, кНм - -
V, кН - - -

 


II. Определение внутренних усилий в сечениях второстепенной балки монолитного балочного перекрытия.

Длина площадки опирания второстепенной балки на стену – 150мм, ширина главной балки 300мм. Тогда расчетные пролеты:

- крайние

- средние .

 

Второстепенная балка работает совместно с прилегающими к ней участками плиты, и ее расчетное сечение будет тавровым с шириной полки равной шагу балок, т.е. . Подсчет нагрузок на погонный метр второстепенной балки.

 

Таблица 6.6 – Нагрузка на 1м.п. второстепенной балки монолитного перекрытия

Вид нагрузки Нормативная нагрузка, кН/м Частный коэффициент безопасности Расчетная нагрузка, кН/м
Постоянная
-от собственного веса плиты (d=0,15м, r=25 кН/м3); 0,15х25х1,95= 7,31 1,35 9,87
- от собственного веса грунта, гидроизоляции, подсыпок, асфальтобетонного покрытия (все что расположено выше перекрытия перехода и до дорожного полотна включительно) 4,5х1,95= 8,78 1,35 11,85
Итого     21,72
Временная
(по заданию на проектирование)   12,0х1,55= 23,4   1,5 35,1
Всего 19,22   56,82

 

При количестве пролетов балки более 5-ти к расчету принимается пятипролетная схема. По заданию переход трехпролетный.

надо изобразить трехпролетную балку со своими пролетами, своей постоянной и временной нагрузками

 

Ординаты огибающей эпюры моментов определяют по формуле . Величины коэффициентов определяем в зависимости от величины соотношения .

 

 

 

 

 


 

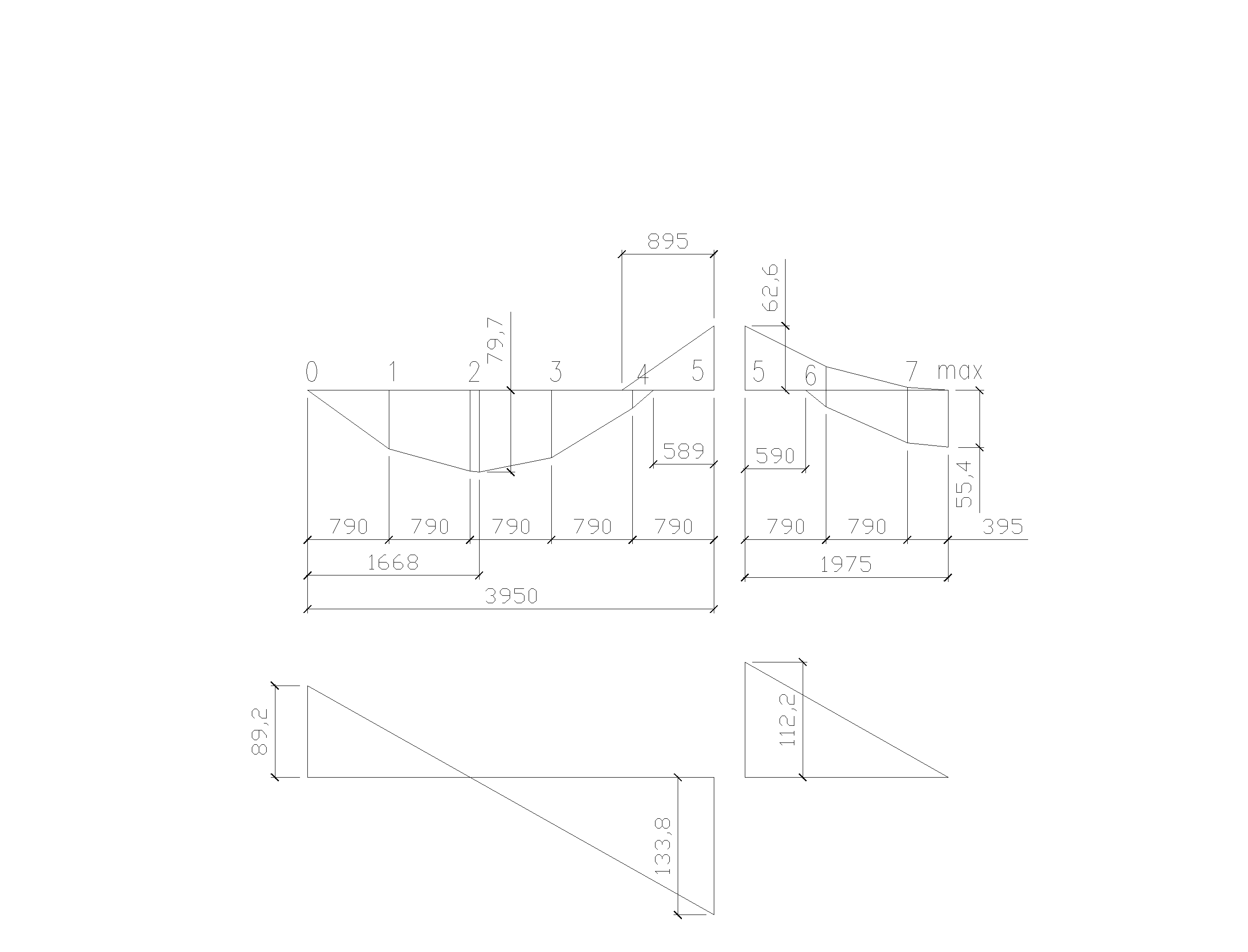
Результаты расчета сведены в табл.6.7 и отображены на рис. 6.1.

 

Таблица 6.7 – Изгибающие моменты второстепенной балки

№ пролёта № точки Доля пролёта b , кНм М, кНм
+ - ММАХ ММIN
I   0,2 l01 0,065   875,3 56,9  
  0,4 l01 0,090   78,8  
мах 0,425 l01 0,091   79,7  
  0,6 l01 0,075   65,6  
  0,8 l01 0,020   17,5  
  1,0 l01 - -0,0715   -62,6
II   0,2 l02 0,018 -0,026 886,5 16,0 -23,0
  0,4 l02 0,058 -0,003 51,4 -2,7
мах 0,5 l02 0,0625   55,4 0,0
Далее эпюра моментов выглядит симметрично

 


Нулевые точки эпюры положительных моментов расположены на расстояниях 0,15 l0 от грани опор:

- в крайнем пролёте:

- в средних пролётах:

Положение нулевой точки отрицательных моментов в 1-м пролёте:

Перерезывающие (поперечные) силы (у граней опор):

- на первой свободной опоре (А): 0,4х56,82х3,925= 89,2кН;

- на первой промежуточной опоре (В) слева: 0,6х56,82х3,925=133,8кН;

- на первой промежуточной опоре (В) справа и у остальных опор:

0,5х56,82х3,95= 112,2кН.

 

 

6.1 Эпюра изгибающих моментов (кНм) и поперечных сил (кН)

 







Date: 2015-07-24; view: 1475; Нарушение авторских прав



mydocx.ru - 2015-2026 year. (1.416 sec.) Все материалы представленные на сайте исключительно с целью ознакомления читателями и не преследуют коммерческих целей или нарушение авторских прав - Пожаловаться на публикацию