Главная Случайная страница


Полезное:

Как сделать разговор полезным и приятным Как сделать объемную звезду своими руками Как сделать то, что делать не хочется? Как сделать погремушку Как сделать так чтобы женщины сами знакомились с вами Как сделать идею коммерческой Как сделать хорошую растяжку ног? Как сделать наш разум здоровым? Как сделать, чтобы люди обманывали меньше Вопрос 4. Как сделать так, чтобы вас уважали и ценили? Как сделать лучше себе и другим людям Как сделать свидание интересным?


Категории:

АрхитектураАстрономияБиологияГеографияГеологияИнформатикаИскусствоИсторияКулинарияКультураМаркетингМатематикаМедицинаМенеджментОхрана трудаПравоПроизводствоПсихологияРелигияСоциологияСпортТехникаФизикаФилософияХимияЭкологияЭкономикаЭлектроника






Ротатор





Ротатор - неизменяемая вращательная система.

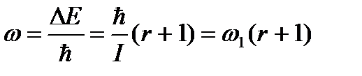
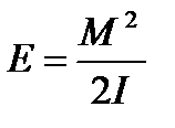
В классической физике энергия вращения твердого тела , где М- момент импульса тела, I- момент инерции тела относительно оси вращения.

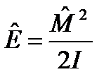
В квантовой физике: . Собственные значения квантованы: . Значит, собственные значения также квантованы и , где r=0,1,2,3,…- вращательное квантовое число.

· r вместо l подчеркивает, что это выражение характеризует вращение молекул.

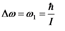
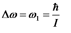
· Интервал между вращательными уровнями энергии ротатора (молекулы) растет с увеличением r: .

При этом действует правило отбора: .

m1
m2
C
O
O’
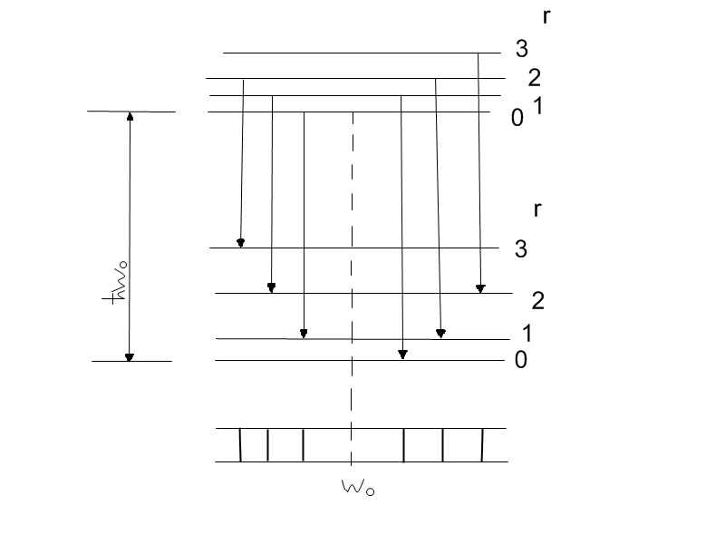
Частоты линий спектра при переходах: , где r- квантовое число уровня на который происходит переход.

· Для двухатомной молекулы I берется относительно оси ОО´, проходящей через центр масс С нормально к линии, соединяющей ядра атомов. При этом , где

Er
r
 
 
 
 
 
ω1
1
1
1
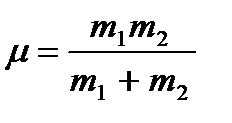
- приведенная масса, m1 и m2- массы атомов молекулы, d – расстояние между ядрами атомов молекулы. Уровни энергии и линии спектров вращения молекул:

Зная , можно определить I молекулы и при известных m1 и m2 вычислить d. В общем случае молекула одновременно вращается и колеблется, что приводит к появлению колебательно-вращательных спектров. Линии спектра отстоят друг от друга на . При переходе с излучением энергия , где и - соответственно энергии колебаний и вращения молекулы.

∆Eкол =

∆Eвр>0 при r1>r2

∆Eвр<0 при r1<r2

Правило отбора разрешает переходы:

r1 = 3 → r2 = 2 => ∆Eвр = ∆E32

r1 = 2 → r2 = 1 => ∆Eвр = ∆E21

r1 = 1 → r2 =0 => ∆Eвр= ∆E10

r1 = 0 → r2 = 1 => ∆Eвр= -∆E10

r1 = 1 → r2 = 2 => ∆Eвр = -∆E21

r1 = 2 → r2= 3 => ∆Eвр = -∆E32

r1 = 0 → r2 = 0 запрещен, поэтому линии с ω = ω0 в спектре нет.







Date: 2015-05-19; view: 520; Нарушение авторских прав



mydocx.ru - 2015-2026 year. (1.955 sec.) Все материалы представленные на сайте исключительно с целью ознакомления читателями и не преследуют коммерческих целей или нарушение авторских прав - Пожаловаться на публикацию