Главная Случайная страница


Полезное:

Как сделать разговор полезным и приятным Как сделать объемную звезду своими руками Как сделать то, что делать не хочется? Как сделать погремушку Как сделать так чтобы женщины сами знакомились с вами Как сделать идею коммерческой Как сделать хорошую растяжку ног? Как сделать наш разум здоровым? Как сделать, чтобы люди обманывали меньше Вопрос 4. Как сделать так, чтобы вас уважали и ценили? Как сделать лучше себе и другим людям Как сделать свидание интересным?


Категории:

АрхитектураАстрономияБиологияГеографияГеологияИнформатикаИскусствоИсторияКулинарияКультураМаркетингМатематикаМедицинаМенеджментОхрана трудаПравоПроизводствоПсихологияРелигияСоциологияСпортТехникаФизикаФилософияХимияЭкологияЭкономикаЭлектроника






Высоковольтные линии постоянного тока





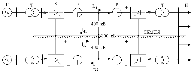
Передача электрической энергии постоянным током по сравнению с передачей переменным током имеет ряд преимуществ, главными из которых являются следующие. Предел передаваемой мощности по ЛЭП постоянного тока не зависит от ее длины и значительно больше чем у передачи переменным током; отсутствует понятие предела по статической устойчивости в ЛЭП постоянного тока; отсутствует реактивное сопротивление; энергосистемы, связанные ЛЭП постоянного тока, могут работать несинхронно или с различными частотами. Для линии постоянного тока требуется два провода вместо трех или даже один, что показано на рис. 1.4.

Рис. 1.4. Схема ЛЭП постоянного тока

Здесь Г – генератор, Т – трансформатор, В – выпрямитель, И – инвертор, Р – реактор (для сглаживания гармоник), Н – нагрузка. Когда работают обе линии, схема называется биполярной, причем в одну линию подается "+", в другую "-", это нужно для того, чтобы выпрямленные токи в земле и были направлены в разные стороны. Если они равны, то ток в земле будет равен нулю, вся энергия будет передаваться напряжением 800 кВ.

В случае отключения одной линии вторая остается в работе, напряжение в линии будет равно 400 кВ, такая линия называется униполярной. Имеются также линии постоянного тока напряжением ± 750 кВ (1500 кВ).

Влияющим фактором в линиях постоянного тока являются высшие гармоники, создающие вокруг проводов электромагнитные поля соответствующих частот. При применении 6-ти фазных выпрямителей частота гармоник кратна 300 Гц, то есть в ЛЭП постоянного тока присутствуют гармоники 300, 600, 900,… Гц.







Date: 2015-05-18; view: 1004; Нарушение авторских прав



mydocx.ru - 2015-2026 year. (0.542 sec.) Все материалы представленные на сайте исключительно с целью ознакомления читателями и не преследуют коммерческих целей или нарушение авторских прав - Пожаловаться на публикацию