Главная Случайная страница


Полезное:

Как сделать разговор полезным и приятным Как сделать объемную звезду своими руками Как сделать то, что делать не хочется? Как сделать погремушку Как сделать так чтобы женщины сами знакомились с вами Как сделать идею коммерческой Как сделать хорошую растяжку ног? Как сделать наш разум здоровым? Как сделать, чтобы люди обманывали меньше Вопрос 4. Как сделать так, чтобы вас уважали и ценили? Как сделать лучше себе и другим людям Как сделать свидание интересным?


Категории:

АрхитектураАстрономияБиологияГеографияГеологияИнформатикаИскусствоИсторияКулинарияКультураМаркетингМатематикаМедицинаМенеджментОхрана трудаПравоПроизводствоПсихологияРелигияСоциологияСпортТехникаФизикаФилософияХимияЭкологияЭкономикаЭлектроника






МДП-транзисторы в однотактных схемах импульсных преобразователей





 

Преобразователи постоянного напряжения обеспечивают гальваническое разделение входных и выходных цепей с помощью трансформаторов, преобразование и регулирование уровней выходного напряжения. Основным достоинством однотактных схем является отсутствие схем симметрирования работы трансформаторов, малое количество ключей, простота схем управления.

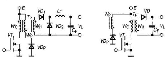
Наиболее широкое применение находят два типа однотактных преобразователей: с передачей энергии в нагрузку на этапе замкнутого состояния регулирующего ключа (в импульсе) и с передачей энергии на этапе разомкнутого состояния ключа (в паузе), называемых также прямоходовыми и обратноходовыми преобразователями (рис. 4.49).

а б

Рис. 4.49

Регулирование выходного напряжения возможно только при совместной работе собственно преобразователя, содержащего силовой ключ и разделительный трансформатор, и импульсного регулятора напряжения.

Основные варианты схем регуляторов постоянного напряжения с индуктивным накопителем энергии представлены на рис. 4.50.

Для индуктивной нагрузки возможными режимами работы являются режим непрерывного и разрывного тока. В режиме прерывистых токов для всех типов регуляторов напряжения нагрузка ключевого транзистора может быть представлена по схеме рис. 4.51.

а б в

Рис. 4.50

Задержка включения транзистора при данной нагрузке td(on) может быть определена по формуле (4.25), поскольку составляющие входной цепи управления остались неизменными по сравнению с чисто резистивной нагрузкой. На втором этапе включения происходит разряд выходной емкости транзистора СOUT током стока и время включения f0N по напряжению можно оценить по формуле:

(4.89)

где Е— выходное напряжение в схеме ключа;

Iсо = S(EIN - VO)— ток стока;

S — силовая крутизна транзистора;

EIN—эквивалентное напряжение входного источника;

V0 — пороговое напряжение отпирания транзистора.

При запирании транзистора этап задержки fD(off) рассчитывается по формуле (4.32), а фронт выключения по напряжению tOFF1 определяется формулой:

(4.90)

где — ток в индуктивности к моменту tp окончания положительного входного сигнала.

При t = tOFF1 напряжение на транзисторе становится равным Е, при этом отпирается диод VD, принимающий ток, накопленный в индуктивности. При постоянном напряжении на ключе, равном Е, ток стока уменьшается по закону:

(4.91)

где CIN = CQS + CGD - входная емкость транзистора.

Длительность спада тока определяется по формуле:

(4.92)

Мощность динамических потерь в транзисторе в режиме разрывных токов:

(4.93)

(4.94)

где f – частота коммутации силового транзистора.

Напряжение и ток ключевого транзистора при разрывных токах показаны на рис. 4.52. В режиме непрерывных токов в индуктивности схема ключа преобразуется к виду рис. 4.53. Ток /о представляет собой среднее значение тока в нагрузке регулятора за период. К моменту отпирания ключа диод VD открыт током нагрузки, а в его базе накоплен некоторый заряд. Время задержки включения fo(on) определяется аналогично режиму прерывистых токов. Поскольку в процессе нарастания тока стока к транзистору по-прежнему приложено постоянное напряжение Е (из-за открытого состояния обратного диода VD), напряжение во входной цепи прибора продолжает изменяться по закону:

(4.95)

Тогда изменение тока стока на этапе нарастания можно представить в виде:

(4.96)

Фронт нарастания tr состоит из двух составляющих: первая fr1 определяется изменением тока стока от нуля до непрерывного тока нагрузки I0, вторая tr2 связана с рассасыванием накопленного в диоде заряда. Время tr2 определяется динамическими параметрами демпферного диода Qrr и trr и характером его восстановления. В первом приближении мощность потерь при включении в режиме непрерывных токов можно определить:

(4.97)

где .

Процесс выключения МДП-транзистора в режиме непрерывных токов протекает качественно, аналогично рассмотренному ранее для разрывных токов. Для расчета потерь POFF можно воспользоваться выражением (4.94), заменив IL(tp) на величину IO. Диаграммы переходного процесса представлены на рис. 4.54.

 

Рис. 4.52

Рис. 4.51 Рис. 4.53

Рис. 4.54

 







Date: 2015-05-09; view: 1384; Нарушение авторских прав



mydocx.ru - 2015-2026 year. (1.256 sec.) Все материалы представленные на сайте исключительно с целью ознакомления читателями и не преследуют коммерческих целей или нарушение авторских прав - Пожаловаться на публикацию