Главная Случайная страница


Полезное:

Как сделать разговор полезным и приятным Как сделать объемную звезду своими руками Как сделать то, что делать не хочется? Как сделать погремушку Как сделать так чтобы женщины сами знакомились с вами Как сделать идею коммерческой Как сделать хорошую растяжку ног? Как сделать наш разум здоровым? Как сделать, чтобы люди обманывали меньше Вопрос 4. Как сделать так, чтобы вас уважали и ценили? Как сделать лучше себе и другим людям Как сделать свидание интересным?


Категории:

АрхитектураАстрономияБиологияГеографияГеологияИнформатикаИскусствоИсторияКулинарияКультураМаркетингМатематикаМедицинаМенеджментОхрана трудаПравоПроизводствоПсихологияРелигияСоциологияСпортТехникаФизикаФилософияХимияЭкологияЭкономикаЭлектроника






Введение. Явление вырывания электронов с поверхности вещества (металлов) под действием света (электромагнитного излучения) называется внешним фотоэффектом или явление





Явление вырывания электронов с поверхности вещества (металлов) под действием света (электромагнитного излучения) называется внешним фотоэффектом или явление вырывания электронов из твердых и жидких тел под действием света называют внешним фотоэлектрическим эффектом (или просто фотоэффектом), а вырванные таким образом электроны – фотоэлектронами. Внутренний фотоэффект – это явление увеличения электропроводности диэлектриков и полупроводников под действием света.

Впервые явление фотоэффекта было замечено Г. Герцем в 1887 г. Сущность явления состоит в том, что при освещении металлическое тело теряет электроны. Первые количественные исследования фотоэлектрического эффекта принадлежат русскому физику А.Г. Столетову, который установил основные законы фотоэффекта.

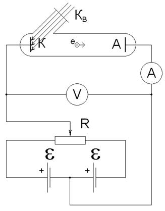
Для более полного представления о фотоэффекте проведены экспериментальные исследования, которые состоят в следующем. Свет, проникающий через кварцевое окно К в, освещает катод, изготовленный из исследуемого материала. Электроны, испущенные вследствие фотоэффекта, перемещаются под действием электрического поля к аноду А. В цепи возникает фототок, измеряемый гальванометром Г. С помощью потенциометра П можно изменять напряжение между катодом и анодом, которое показывает вольтметр V (рис. 1).

 

 

 

Рис. 1. Схема опытов по изучению внешнего фотоэффекта

 

 

При отключенном источнике света испускания фотоэлектронов не происходит, фототок отсутствует. При включенном источнике света снимем и проанализируем вольт-амперную характеристику вакуумного промежутка анод-катод, которая получается в результате фотоэлектрического эффекта. Из кривой на рис. 2 видно, что при некотором, не очень большом напряжении, фототок достигает насыщения – все электроны, испущенные катодом, попадают на анод.

 

 

Рис. 2. Вольт-амперная характеристика для фототока

 

Следовательно, сила тока насыщения определяется количеством электронов, испускаемых катодом в единицу времени под действием света. Поэтому сила фототока насыщения I н прямо пропорциональна световому потоку:

I н = , (1)

где k – коэффициент пропорциональности, характеризующий чувствительность данной поверхности к свету ().

Анализ кривой показывает, что электроны вылетают из катода с различными по величине скоростями. Часть электронов обладает достаточными скоростями, чтобы при U = 0 долететь до анода «самостоятельно» и создать ток I 0 ≠ 0 без помощи ускоряющего поля. Для обращения тока в нуль необходимо приложить некоторое задерживающее напряжение U з. По величине тормозящей разности потенциалов U з, при которой фототок обращается в нуль, можно определить скорость самых быстрых фотоэлектронов

, (2)

где m, υmax, е – масса, максимальная скорость и заряд этих электронов.

Экспериментальная зависимость максимальной скорости фотоэлектронов от частоты облучения n указывает на то, что увеличение частоты приводит к возрастанию скорости фотоэлектронов (рис. 3).

 

Рис. 3. Зависимость задерживающего напряжения от частоты

падающего света

 

Опытным путем установлены законы фотоэффекта:

1. Количество испускаемых с катода электронов прямо пропорционально интенсивности светового излучения (фототок насыщения пропорционален световому потоку, падающему на электрод).

2. Запирающий потенциал и, следовательно, максимальная начальная скорость фотоэлектронов возрастает при увеличении частоты света и не зависит от интенсивности падающего света.

3. Для каждого вещества (металла) существует красная граница фотоэффекта, т.е. характерная минимальная частота света nmin (или максимальная длина волны lmax), при которой еще возможен внешний фотоэффект.

4. Фотоэффект протекает безынерционно, т.е. фототок появляется практически мгновенно (D t £ 10-9 с) – одновременно с освещением катода (при условии, что частота света n > nmin).

Полученные опытным путем законы фотоэффекта не удалось объяснить на основе электромагнитной волновой теории света. Согласно этой теории, вырывание свободных электронов из металла должно являться результатом из «раскачивания» в электрическом поле световой волны. В этом случае невозможно объяснить зависимость максимальной начальной скорости и кинетической энергии вылетающих фотоэлектронов от частоты света, а не от амплитуды колебаний вектора напряженности электрического поля и связанной с ней интенсивностью волны.

Законы фотоэффекта находят свое объяснение в рамках квантовой теории.


В 1905 г. А. Эйнштейн показал, что все законы фотоэффекта легко объясняются, если предположить, что свет распространяется и поглощается отдельными порциями энергии – квантами, названных фотонами. В монохроматическом свете с частотой n все фотоны имеют одинаковую энергию, равную

, (3)

где h – постоянная Планка.

 

При попадании пучка фотонов на поверхность металла фотон соударяется с электроном вещества и обменивается с ним энергией и импульсом. Фотоэффект возникает при неупругом столкновении фотона с электроном. При этом фотон поглощается веществом, а его энергия, равная h n, целиком передается электрону. Эта энергия необходима электрону, чтобы преодолеть потенциальный барьер на границе металл-вакуум и выйти из металла. Если Е γ > А 0, то электрон сможет совершить работу выхода и покинуть металл. Работа выхода – работа, которую необходимо сообщить электрону, чтобы удалить его из вещества в вакууме. Наибольшую кинетическую энергию, которую сможет приобрести фотоэлектрон, можно найти, исходя из закона сохранения энергии:

. (4)

Это уравнение называют уравнением Эйнштейна для внешнего фотоэффекта, где h n – энергия фотона; А 0 – работа выхода электрона из металла (для каждого вещества имеется своя работа выхода); – максимальная кинетическая энергия, вылетевших из металла электронов; me, υ e – масса и скорость электронов.

С помощью уравнения Эйнштейна можно объяснить все законы внешнего фотоэффекта. Из формулы (4) следует, что максимальная кинетическая энергия фотоэлектрона (а следовательно, и его максимальная начальная скорость) линейно возрастает с увеличением частоты падающего излучения и не зависит от его интенсивности. Это есть первый закон внешнего фотоэффекта.

Так как с уменьшением частоты падающего света кинетическая энергия фотоэлектронов уменьшается, то при достижении некоторой минимальной частоты nmin кинетическая энергия фотоэлектронов станет равной нулю и фотоэффект прекратится, при этом уравнение Эйнштейна примет вид h nmin = А 0, следовательно длина волны . У фотона при частоте ниже nmin (критической частоте) не хватает энергии, чтобы совершить работу выхода и вырвать электрон из металла

. (5)

Данная частота представляет «красную границу» фотоэффекта для данного вещества. Оно зависит от химической природы вещества и состояния его поверхности. Красной эта граница названа потому, что при l > lmax, т.е. при «более красном» свете фотоэффект не происходит. Так объясняется второй закон фотоэффекта.

Наконец, общее число N фотоэлектронов, покидающих за 1 с поверхность металла, должно быть пропорционально числу фотонов n γ, падающих за это же время на поверхность. Если Е – освещенность поверхности, пропорциональная интенсивности света, то число ежесекундно падающих на поверхность фотонов составляет n l ~ ~ , т.е. N ~ I.

Таким образом доказывается третий закон внешнего фотоэффекта.

Фотоэлектрический эффект нашел широкое применение в технике. На основе внешнего фотоэффекта работают вакуумные и газонаполненные фотоэлементы.

Сила фототока насыщения I н пропорциональна освещенности фотокатода, где освещенность определяется как:

, . (6)

При освещении точечным источником она определяется как:


, (7)

где i – сила света; r – расстояние от точечного источника до освещаемой поверхности; a – угол падения лучей.

Таким образом

, (8)

где b – коэффициент пропорциональности, зависящий от свойств освещаемой поверхности.

Если принять у = I н, , то из формулы (8) получим:

. (9)

 







Date: 2015-05-08; view: 4075; Нарушение авторских прав



mydocx.ru - 2015-2026 year. (0.723 sec.) Все материалы представленные на сайте исключительно с целью ознакомления читателями и не преследуют коммерческих целей или нарушение авторских прав - Пожаловаться на публикацию