Главная Случайная страница


Полезное:

Как сделать разговор полезным и приятным Как сделать объемную звезду своими руками Как сделать то, что делать не хочется? Как сделать погремушку Как сделать так чтобы женщины сами знакомились с вами Как сделать идею коммерческой Как сделать хорошую растяжку ног? Как сделать наш разум здоровым? Как сделать, чтобы люди обманывали меньше Вопрос 4. Как сделать так, чтобы вас уважали и ценили? Как сделать лучше себе и другим людям Как сделать свидание интересным?


Категории:

АрхитектураАстрономияБиологияГеографияГеологияИнформатикаИскусствоИсторияКулинарияКультураМаркетингМатематикаМедицинаМенеджментОхрана трудаПравоПроизводствоПсихологияРелигияСоциологияСпортТехникаФизикаФилософияХимияЭкологияЭкономикаЭлектроника






Исследование стабилизаторов постоянного напряжения и тока





 

Цель работы: изучение устройства, принципа действия и исследование характеристик стабилизаторов напряжения.

 

Общие сведения

 

Стабилизатором называют устройство, автоматически поддерживающее с заданной точностью напряжение или ток в нагрузке при изменении питающего напряжения или сопротивления нагрузки в обусловленных пределах.

Основным параметром стабилизатора напряжения является коэффициент стабилизации напряжения.

K ст U=

где U вх, U вых, I вых - номинальные напряжения на входе и выходе стабилизатора и номинальный ток нагрузки;

DUвх, DUвых, D Iвых - изменения напряжений на входе и выходе стабилизатора и изменение тока нагрузки.

Влияние нагрузки R н оценивается по внешним характеристикам U вых(I вых) и I вых(R н) или выходным (внутренним) сопротивлением стабилизатора

R вых= при U вх= const.

Для стабилизатора напряжения R вых << R н.

Применяют два типа стабилизаторов: параметрические и компенсационные.

В параметрических стабилизаторах используются элементы с нелинейной вольтамперной характеристикой (ВАХ), обеспечивающие постоянство напряжения при значительных изменениях тока для стабилизаторов напряжения.

Изменение напряжения на входе выпрямителя (колебания напряжения питающей сети) и изменение сопротивления нагрузки приводят к отклонению выпрямленного напряжения от номинального значения. В тех случаях, когда для питания устройств промышленной электроники требуются достаточно стабильные напряжения, между выпрямителем и нагрузкой включают специальные стабилизаторы напряжения. Стабилизатор напряжения поддерживает стабильное напряжение на нагрузке при изменении напряжения сети и сопротивления нагрузки в определенных пределах.

 

Схема параметрического стабилизатора напряжения приведена на

рис.1.

 

 

 

Рис.1 Рис.2

 

Она состоит из балластного резистора Rб и стабилитрона Д. Стабилизатор подключается к выходу выпрямителя с фильтром. Нагрузка включена параллельно стабилитрону. При изменении напряжения UD под действием колебания напряжения питающей сети или изменения сопротивления нагрузки Rн напряжение на нагрузке изменяется незначительно, так как оно определяется мало изменяющимся обратным напряжением стабилитрона Uст при изменении протекающего черезнего тока (рис.2).

Главным при расчете стабилизатора являются выбор типа стабилитрона на напряжение нагрузки Uст=Uн и обеспечение условий его работы, при которых изменяющийся в процессе работы прок стабилитрона Iст у не выходил бы за пределы рабочего участка, т. е. не был меньше Iст min и больше Iст max (см. Рис. №2). Основные соотношения для токов и напряжений в стабилизаторе получаем, воспользовавшись первым и вторым

законами Кирхгофа.

В процессе работы стабилизатора напряжение на нагрузке определяется напряжением на стабилитроне, соответствующим вольтамперной характеристике прибора. Изменение напряжения на нагрузке характеризуется

изменением напряжения на стабилитроне при изменении тока Iст. Показателем качества стабилизации напряжения служит коэффициент стабилизации Кст, показывающий, во сколько раз относительное приращение напряжения на выходе стабилизатора меньше вызвавшего его относительного приращения напряжения на входе: обычно он не превышает 20-50.

Компенсационные стабилизаторы напряжения имеют большие коэффициенты стабилизации и меньшие R вых при более высоком КПД. Структурная схема такого стабилизатора приведена на рис.3. Стабилизатор состоит из источника эталонного напряжения (1), измерительного элемента (2) и регулирующего элемента (3).

На входы измерительного элемента подаются эталонное напряжение U 0 и U вых. Если U вых не равно U 0 появляется сигнал рассогласования, который поступает на вход регулирующего элемента. Под действием этого сигнала падение напряжения на регулирующем элементе меняется таким образом, чтобы U вых оставалось постоянным

U вых= U вх -DU=const.

В качестве источника эталонного напряжения чаще всего используется стабилитрон, а роль регулирующего элемента выполняет транзистор. В большинстве современных стабилизаторов измерительный элемент выполняется на операционном усилителе.

 
 

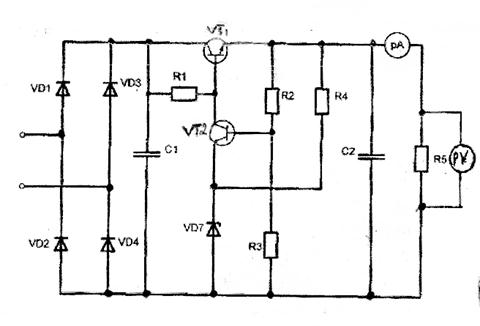
В работе предлагается исследовать компенсационный стабилизатор на транзисторе, схема которого показана на рис.4. Источник эталонного напряжения выполнен на стабилитроне VD, режим которого задается резистором R2. Транзистор VT2 выполняет роль измерительного элемента. Изменение U вых приводит к изменению I б2 и соответственно к изменению I к2. Изменение I к2 вызывает противоположное изменение I б1, так что U вых= U вх- U кэ1 остается практически неизменным.


В настоящее время широко применяются стабилизаторы в интегральном исполнении. Например, микросхема К142ЕН1 представляет собой регулируемый стабилизатор с выходным напряжением 3-12 В на ток до 150 мА. В схеме предусмотрена защита от перегрузки и коротких замыканий на выходе.

 

Порядок выполнения эксперимента:

 

1. Подготовить схему для исследования параметрического стабилизатора напряжения (рис. 5)

 

 

 

Рис. 5

2. Подключить амперметр 50 мА, вольтметр 10В, осциллограф.

Подключить схему к источнику питания UсН1.

3.Данные приборов занести в таблицу 1.

3.

Прибор Система Условное обозначение Цена деления Предел измерения Класс точности
           

 

Табл.1.

 

4. Включить стенд.

5. Измерить ток и выходное напряжение, наблюдать форму и величину пульсаций на входе и выходе фильтра. Результаты измерений занести в таблицу №2

 

  Rн 510 Ом Rн 1кОм Rн 2кОм
Uист                        
                       
                       

Табл. 2

6. Установить R2=200 Ом, повторить измерения.

7. Установить R2=510 Ом, повторить измерения.

8. Подготовить схему для исследования компенсационного стабилизатора (рис. 6)

 







Date: 2015-05-08; view: 1433; Нарушение авторских прав



mydocx.ru - 2015-2026 year. (0.664 sec.) Все материалы представленные на сайте исключительно с целью ознакомления читателями и не преследуют коммерческих целей или нарушение авторских прав - Пожаловаться на публикацию