Главная Случайная страница


Полезное:

Как сделать разговор полезным и приятным Как сделать объемную звезду своими руками Как сделать то, что делать не хочется? Как сделать погремушку Как сделать так чтобы женщины сами знакомились с вами Как сделать идею коммерческой Как сделать хорошую растяжку ног? Как сделать наш разум здоровым? Как сделать, чтобы люди обманывали меньше Вопрос 4. Как сделать так, чтобы вас уважали и ценили? Как сделать лучше себе и другим людям Как сделать свидание интересным?


Категории:

АрхитектураАстрономияБиологияГеографияГеологияИнформатикаИскусствоИсторияКулинарияКультураМаркетингМатематикаМедицинаМенеджментОхрана трудаПравоПроизводствоПсихологияРелигияСоциологияСпортТехникаФизикаФилософияХимияЭкологияЭкономикаЭлектроника






Общие сведения. Триггерами называют электронные устройства, обладающие двумя состояниями устойчивого равновесия и способные под воздействием управляющего сигнала переходить





 

Триггерами называют электронные устройства, обладающие двумя состояниями устойчивого равновесия и способные под воздействием управляющего сигнала переходить скачком из одного состояния в другое. Каждому состоянию триггера соответствует определенный (высокий или низкий) уровень выходного напряжения, который может сохраняться как угодно долго. Поэтому триггеры относятся к цифровым автоматам с памятью. В настоящее время триггеры выполняются на основе логических элементов в виде интегральных микросхем (ИМС). Они включены почти во все серии ИМС.

Триггеры применяются как переключающие элементы самостоятельно или входят в состав более сложных цифровых устройств, таких как счетчики, делители частоты, регистры и др.

В общем случае триггер имеет два выхода: прямой (Q) и инверсный (Q), сигналы на которых противоположны по уровню. Количество входов триггера зависит от его типа. Входы делятся на информационные и командные.

По способу записи информации триггеры делятся на асинхронные, у которых информационные и командные входы совмещены, и синхронные или тактируемые. Последние срабатывают только при поступлении на один из командных входов (синхровход) разрешающего импульса.

По числу ступеней триггеры делятся на однотактные и двутактные. В однотактных информация на выходах появляется практически одновременно с приходом информационного или синхроимпульса. Такие схемы срабатывают по перепаду сигнала 0-1 (по фронту синхроимпульса). В двухтактных триггерах переключение элементов происходит в два приема и сигнал на выходе появляется с задержкой. Они срабатывают по перепаду сигнала 1-0 (по спаду импульса).

В зависимости от логической структуры схемы управления различают RS -, D -, T -, JK -триггеры и др.

Работа триггера может быть описана логическим уравнением, связывающим состояние входов и выходов триггера до его срабатывания (t) и после срабатывания (t+1). Состояние триггера можно задать таблицей переходов или временной диаграммой его работы.

Асинхронный RS - триггер имеет два установочных входа R и S. Схема триггера на ЛЭ 2ИЛИ-НЕ и его условное обозначение показаны на рис.1. При S=R =0 схема устойчива. Это режим хранения информации.

Таблица 1.

 

R S Qt+1
     
     
    Q t
    X

 

 


 

Для изменения состояния триггера на его входы надо подать комбинацию сигналов R =1, S =0. Тогда триггер перейдет в состояние Q =0. Комбинация S =1, R =0 возвратит триггер в состояние Q =1, =0. При комбинации S =1, R =1 состояние триггера неопределенно, эта комбинация запрещена. Работа триггера иллюстрируется таблицей переключений (табл.1). RS – Триггер можно выполнить на логических элементах 2И-НЕ.

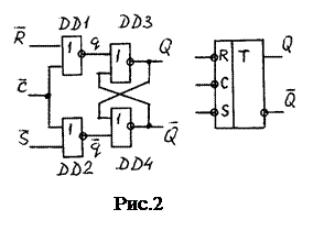
Синхронные RS - триггеры имеют два информационных входа R и S и синхровход С. Схема триггера и его условное обозначение показаны на рис. 2. Управление осуществляется низким уровнем сигнала (0), поэтому на входах показан знак инверсии. Триггер сработает только при поступлении низкого уровня на синхровход ( =0). Тогда =1 и =0 приведет к Q=1 и Q=0, а при =0, =1 - в состояние Q =0. Комбинация: = = =0 запрещена. Так как при = 1 любое изменение сигналов на входах и игнорируется, синхронные триггеры защищены от воздействия помех.

 

 

 

Синхронный D - триггер имеет информационный вход D и синхровход С. Его схема и условное обозначение показаны на рис.3. При С =0 независимо от значения сигнала на входе D сохраняет предыдущее состояние. С приходом синхроимпульса С =1, при D =1 =0, а =1, и RS -триггер оказывается в состоянии Q =1. При D =0 триггер сохраняет состояние Q=1. Оно не измениться до прихода следующего синхроимпульса. Поэтому D – триггеры называют триггерами задержки.

 

 

Рис. 3

 

JK - триггер является универсальным. Его условное обозначение приведено на рис.4. Он имеет два установочных входа R и S, информационные входы J и K и синхровход С.

Установочные входы обладают приоритетом над другими. С их помощью триггер устанавливают в состояние Q =1 или Q =0 независимо от сигналов на всех других входах.

J - и K -входы работают по разрешающему импульсу на С -входе. При комбинации J =1 и K =0 на выходе Q =1. При J =0 и K =1 триггер переходит в состояние Q =0, а если J=K =1, то с приходом каждого синхроимпульса он меняет состояние.

На основе JK -триггера можно построить любой другой тип триггера. Поэтому они массово производятся практически во всех сериях ИМС.


Т -триггер или счетный триггер имеет один информационный вход Т. Каждый импульс на этом входе переводит его в новое состояние(рис5).

 

 

Рис.5.

Такой же триггер можно получить на основе D -триггера (рис.4б). Поэтому производить Т -триггеры в виде самостоятельных изделий нет смысла и их нет в сериях ИМС.







Date: 2015-05-08; view: 923; Нарушение авторских прав



mydocx.ru - 2015-2026 year. (1.381 sec.) Все материалы представленные на сайте исключительно с целью ознакомления читателями и не преследуют коммерческих целей или нарушение авторских прав - Пожаловаться на публикацию