Главная Случайная страница


Полезное:

Как сделать разговор полезным и приятным Как сделать объемную звезду своими руками Как сделать то, что делать не хочется? Как сделать погремушку Как сделать так чтобы женщины сами знакомились с вами Как сделать идею коммерческой Как сделать хорошую растяжку ног? Как сделать наш разум здоровым? Как сделать, чтобы люди обманывали меньше Вопрос 4. Как сделать так, чтобы вас уважали и ценили? Как сделать лучше себе и другим людям Как сделать свидание интересным?


Категории:

АрхитектураАстрономияБиологияГеографияГеологияИнформатикаИскусствоИсторияКулинарияКультураМаркетингМатематикаМедицинаМенеджментОхрана трудаПравоПроизводствоПсихологияРелигияСоциологияСпортТехникаФизикаФилософияХимияЭкологияЭкономикаЭлектроника






Общие сведения. Генератором линейно изменяющегося напряжения (ГЛИН) называется электронное устройство, у которого выходное напряжение в течение некоторого времени t пр





Генератором линейно изменяющегося напряжения (ГЛИН) называется электронное устройство, у которого выходное напряжение в течение некоторого времени t пр. нарастает почти линейно от начального уровня до предельного значения, а затем короткий интервал времени t обр. возвращается к исходному состоянию.

 

Принцип работы ГЛИН основан на немедленном заряде и быстром, разряде конденсатора С, который включён в цепь обратной связи OY соединяет выход усилителя с инвертирующим входом. При подаче Uвх конденсатор заряжается, по окончании входного импульса быстро разряжается на R4.

Выходное напряжение повторяет форму напряжения на конденсаторе С и имеет вид «пилы»

Основными показателями линейного изменяющегося напряжения являются:

Um – амплитуда

tпр – длительность импульса

Т – период

ГЛИН используются в схемах временной задержки импульсов, для получения временных разверток в электронно-лучевых трубках и т.д.

 

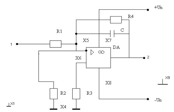
Схема ГЛИНА на операционном инвертирующем усилителе и временные

 
диаграммы выходного и входного напряжения даны на рисунке 1.

 

 

 

 

Рис.1

 

 

Входной ток протекает через конденсатор С в цепи обратной связи.

Выходное напряжение изменяется по закону:

 
 


Uвых = - 1/RC Uвых dt

 

 

Следовательно, усилитель является интегрирующим.

При подаче на вход интегратора импульса напряжения постоянной величины (Uвх = const), напряжение на выходе Uвых = Uвх*t/RC не зависит от коэффициента усиления ОУ.

Интеграторы применяют для создания генераторов линейно изменяющегося напряжения.

 

Порядок выполнения работы.

 

1. Установить панель №22 и съёмные элементы.

 

 

2. Подключить: 1) источник «ИсН3» +15В к гнёздам «+Uп», «-Uп», «Х9» 2) генератор ГС к гнездам «1» и «Х1»; 3) осциллограф к гнездам «1», «Х1» и «2», «Х10», чтобы наблюдать форму входного и выходного сигналов.

4)амперметр и частотомер.

3. Включить стенд.

4.Данные приборов занести в таблицу1.

Таблица1

 

 

Прибор Система Условные обо­значения сис­темы Предел из­мерений Цена де­лений Класс точ­ности
                       

5. Измерить амплитуду и частоту пилообразных сигналов при различных значениях ёмкости.

6.Данные измерений занести в таблицу2.

 

 

  U, В T, с f, Гц
С=0,01мкФ      
С=0,1мкФ      

 

Содержание отчёта

 

1. Название работы.

2. Цель работы.

3. Электрическая схема.

4. Осциллограммы.

5. Вывод: назначение генератора.

 

Контрольные вопросы.

1. Объясните принцип построения генератора линейно изменяющегося напряжения.

2. Как влияет величина емкости на форму и величину выходного напряжения?

3. Область применения генератора?

 

 

 







Date: 2015-05-08; view: 1093; Нарушение авторских прав



mydocx.ru - 2015-2026 year. (0.982 sec.) Все материалы представленные на сайте исключительно с целью ознакомления читателями и не преследуют коммерческих целей или нарушение авторских прав - Пожаловаться на публикацию