Главная Случайная страница


Полезное:

Как сделать разговор полезным и приятным Как сделать объемную звезду своими руками Как сделать то, что делать не хочется? Как сделать погремушку Как сделать так чтобы женщины сами знакомились с вами Как сделать идею коммерческой Как сделать хорошую растяжку ног? Как сделать наш разум здоровым? Как сделать, чтобы люди обманывали меньше Вопрос 4. Как сделать так, чтобы вас уважали и ценили? Как сделать лучше себе и другим людям Как сделать свидание интересным?


Категории:

АрхитектураАстрономияБиологияГеографияГеологияИнформатикаИскусствоИсторияКулинарияКультураМаркетингМатематикаМедицинаМенеджментОхрана трудаПравоПроизводствоПсихологияРелигияСоциологияСпортТехникаФизикаФилософияХимияЭкологияЭкономикаЭлектроника






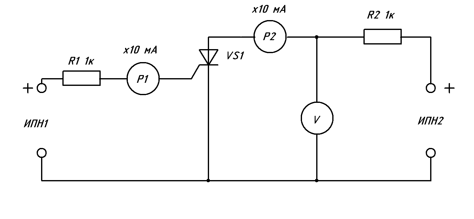
Выполнение работы. 5.3.1 Выписать из таблицы 5.1 основные параметры тиристора и пре­дельные эксплуатационные данные





5.3.1 Выписать из таблицы 5.1 основные параметры тиристора и пре­дельные эксплуатационные данные.

5.3.2 Собрать схему для снятия вольт – амперных характеристик тири­стора, согласно рисунку 5.1

5.3.3 По разрешению преподавателя снять ВАХ тиристора: Iа = f (Uа),

Рисунок 5.1- Схема для снятия характеристик тиристора

при Iу– const.

5.3.4 Включить стенд. Ручками “ИПН1” и “ИПН2” установить
Iу = 0 (по прибору Р1) и Ua = 0 по прибору V.

5.3.5 Ручкой “ИПН1” установить Iу заданный преподавателем по прибору Р1.

5.3.6 Постепенно увеличивать Uа от 0 с шагом 1 В до момента открытия тиристора при этом Iа- скачком увеличивается, Uа – скачком уменьшается.
Затем увеличиваем ток анода с шагом 1мА пока он не станет равным 10 мА по прибору Р2.

5.3.7 После этого уменьшать Ua так, чтобы Iа уменьшался с шагом 1мА до момента закрытия тиристора, когда Iа ─ скачком уменьшается, Uа ─ скачком увеличивается.

5.3.8 Результаты измерений занести в таблицу 5.2.

5.3.9 Построить ВАХ Ia = f (Ua) при Iy = const по таблице. Прямой ход графика (Ua возрастает) обвести одним цветом, обратный ход (Ua убывает) другим цветом.

 

Таблица 5.2 - Зависимость IA = f(UA) IУ – const.

  Ua В                                        
Iу= Ia мА                                        

 

 

5.3.10 Определить U откр. при заданном Iy по ВАХ.

5.3.11 Определить Iа. уд. при Iy = 0, для этого:

5.3.11.1 открыть тиристор (установить заданный Iy и затем Ua > U откр.).

5.3.11.2 отключить управляющий электрод от источника (снять провод c “ИПН1”).

5.3.11.3 Постепенно уменьшать Ua и записать Iy при котором тиристор закроется. Этот ток и будет I а. уд.

5.4 Контрольные вопросы:

5.4.1 Что называется тиристором?

5.4.2 Назовите основное свойство тиристора?

5.4.3 Сформулируйте принцип включения тиристора?

5.4.4 Как определить I а. уд.? Что он показывает?

5.4.5 Что такое U откр.? Что при этом напряжении происходит в тиристоре?

5.4.6 Почему тиристор называют управляемым вентилем?

5.4.7 Покажите на ВАХ участки соответствующие открытому и закрытому состоянию тиристора?

5.4.8 Какими способами можно включить тиристор?

5.4.9 Какими способами можно выключить тиристор?

 

Содержание отчета

 

5.5.1 Тема, цель, оборудование.

5.5.2 Справочные параметры тиристора и схема для снятия характеристик.

5.5.3 Таблицы измеренных зависимостей.

5.5.4 Графики экспериментальных зависимостей: .

5.5.5 Выписать значение: IА. уд., Uотк.

5.5.6 Ответы на вопросы.

5.5.7 Выводы по результатам измерений.

 
Список использованных источников

1 Горошков Б.И. Электронная техника: учеб. пособие для спо /Б.И. Горошков, А.Б. Горошков. - М.: Академия, 2005. – 320 с.

2 Галкин, В.И. Промышленная электроника и микроэлектроника: учеб. пособие для СПУЗОВ /В.И. Галкин, Е.В. Пелевин. - М.: Высш. шк., 2006. – 350 с.

3 Берикашвили, В.Ш. Электронная техника: учеб. пособие для студ. спо /В.Ш. Берикашвили, А.К. Черепанов. – 2-е изд., стереотип. - М.: Академия, 2006. – 368 с.

4 Гальперин, М.В. Электронная техника: учебник для спо /М.В. Гальперин. – 2-е изд., испр. и доп. – М.: ФОРУМ: ИНФРА – М, 2007. – 352 с.

5 Мышляева, И.М. Цифровая схемотехника: учебник для сред. проф. образования / И.М. Мышляева. - М.: Академия, 2005. – 400 с.







Date: 2015-05-04; view: 1523; Нарушение авторских прав



mydocx.ru - 2015-2026 year. (0.646 sec.) Все материалы представленные на сайте исключительно с целью ознакомления читателями и не преследуют коммерческих целей или нарушение авторских прав - Пожаловаться на публикацию