Главная Случайная страница


Полезное:

Как сделать разговор полезным и приятным Как сделать объемную звезду своими руками Как сделать то, что делать не хочется? Как сделать погремушку Как сделать так чтобы женщины сами знакомились с вами Как сделать идею коммерческой Как сделать хорошую растяжку ног? Как сделать наш разум здоровым? Как сделать, чтобы люди обманывали меньше Вопрос 4. Как сделать так, чтобы вас уважали и ценили? Как сделать лучше себе и другим людям Как сделать свидание интересным?


Категории:

АрхитектураАстрономияБиологияГеографияГеологияИнформатикаИскусствоИсторияКулинарияКультураМаркетингМатематикаМедицинаМенеджментОхрана трудаПравоПроизводствоПсихологияРелигияСоциологияСпортТехникаФизикаФилософияХимияЭкологияЭкономикаЭлектроника






Порядок выполнения работы. 2.3.1 Снять прямые характеристики диодов





2.3.1 Снять прямые характеристики диодов.

2.3.2
Собрать схему с диодом VD1 (Рисунок 2.2).

Рисунок 2.2 – Прямое включение диода

2.3.3 Установить приборы в следующие режимы: P1(mA; x10); P2(V; x1).

2.3.4 Определить цену деления каждого прибора и записать в отчет на схеме.

2.3.5 Снять зависимость Iпр. = f (Uпр.), изменяя Iпр. от 0 до 10 мА с интервалом 0.5мА, при помощи регулятора «ИПН 1»

2.3.6 Повторить измерения с диодом VD2.

2.3.7 Результаты измерений занести в таблицу № 2.3.

2.3.8 Снять обратные характеристики диодов.

2.3.9 Собрать схему с диодом VD1 (Рисунок 2.3).

2.3.10 Для измерения напряжения использовать дополнительный вольтметр с пределом измерения 50 В.

2.3.11 Определить цену деления каждого прибора и записать в отчет на схеме.

 

 

Рисунок 2.3 – Обратное включение диода

2.3.12 Снять зависимость Iобр.= f(Uобр.), изменяя Uобр. в соответствии
с таблицей № 2.4.

2.3.13 Результаты занести в таблицу № 2.4

2.3.14 Построить ВАХ для диода VD1 и VD2.

2.3.15 Определить для диодов ─ динамическое сопротивление Rпр~., Rоб~.

2.3.16 Определить коэффициенты выпрямления Кв исследуемых диодов, для чего значения Iпр. ─ прямого тока и Iоб. ─ обратного при напряжении 0.1В подставить в формулу (1.2):


Kв =Iпр./Iоб. (1.2)

 

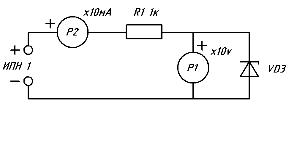
2.3.17 Снять характеристики стабилитрона.

2.3.18 Собрать схему лабораторной установки с диодом VD3 (Рисунок 2.4).

2.3.19 Установить приборы в следующие режимы: P1 (mA;x10); P2 (V;x10).

2.3.20 Снять зависимость Iоб. = f (Uоб.), изменяя Iоб. от 0 до max (8 mA) c шагом 0,5 мА.

2.3.21 Что бы снять ВАХ стабилитрона при прямом включении поменяйте полярность включения источника «ИПН 1» и приборов Р1, Р2; Р2 переключить в положение (V; x1).

2.3.22 Результаты измерений и вычислений занести в таблицу № 2.5.

2.3.23 Построить ВАХ для стабилитрона VD4.

2.3.24 Определить для стабилитронов Uст, Iст max, Iст min.(пример смотри в лекции).

2.3.25 Сравните полученные параметры с их значениями из справочника.

 

Содержание отчета

2.4.1 Название и цель работы.

2.4.2 Оборудование и перечень приборов.

2.4.3 Схемы для снятия ВАХ диодов.

2.4.4 Схемы для снятия ВАХ стабилитрона.

2.4.5 Таблицы с результатами измерений.

2.4.6 ВАХ для VD1, VD2, VD3.

2.4.7 Для диодов ─ динамическое сопротивление Rпр~., Rоб~. и коэффициенты выпрямления Кв.

2.4.8 Для стабилитрона ─ Uст, Iст max, Iст min.

2.4.9 Вывод о проделанной работе.

 

Рисунок 2.4 – Обратное включение стабилитрона

 

Контрольные вопросы

2.5.1 Почему p-n переход часто называют запирающем слоем?

2.5.2 Какое из приведенных утверждений правильное?

2.5.3 Электронно-дырочный переход - это слой, обеднённый носителями заряда;

2.5.4 Электронно-дырочный переход - это слой, обогащённый носителями заряда;

2.5.5 Дайте характеристику обратимому и необратимому пробою p-n перехода.

2.5.6 Как результаты работы подтверждают основное саойство диода, стабилитрона?

 

Таблица 2.3 - Iпр. = f (Uп Таблица 2.4 - Iобр.= f(Uобр.)

№ опыта VD1 VD2
Uпр(В) Iпр(мА) Uпр(В) Iпр(мА)
         
    0,5   0,5
         
         
    3    
         
         
         
         
         
         
         

 

№ опыта VD1 VD2
Uобр(В) Iобр(мА) Uобр(В) Iобр(мА)
         
         
         
         
         
         
         
         
         
         

 

 

Таблица 2.5 - Зависимость Iпр. = f (Uпр.) и Iобр.= f(Uобр.) для стабилитрона

№ п/п Прямое включение Обратное включение
  U(В) I(мА) U(В) I(мА)
         
    0,5   0,5
         
         
         
         
         
         
         
         
         
         

 


 







Date: 2015-05-04; view: 956; Нарушение авторских прав



mydocx.ru - 2015-2026 year. (0.597 sec.) Все материалы представленные на сайте исключительно с целью ознакомления читателями и не преследуют коммерческих целей или нарушение авторских прав - Пожаловаться на публикацию