Главная Случайная страница


Полезное:

Как сделать разговор полезным и приятным Как сделать объемную звезду своими руками Как сделать то, что делать не хочется? Как сделать погремушку Как сделать так чтобы женщины сами знакомились с вами Как сделать идею коммерческой Как сделать хорошую растяжку ног? Как сделать наш разум здоровым? Как сделать, чтобы люди обманывали меньше Вопрос 4. Как сделать так, чтобы вас уважали и ценили? Как сделать лучше себе и другим людям Как сделать свидание интересным?


Категории:

АрхитектураАстрономияБиологияГеографияГеологияИнформатикаИскусствоИсторияКулинарияКультураМаркетингМатематикаМедицинаМенеджментОхрана трудаПравоПроизводствоПсихологияРелигияСоциологияСпортТехникаФизикаФилософияХимияЭкологияЭкономикаЭлектроника






Выполнение работы. 4.3.1 µА Собрать схему (рисунок 4.2)





 

4.3.1

µА
 

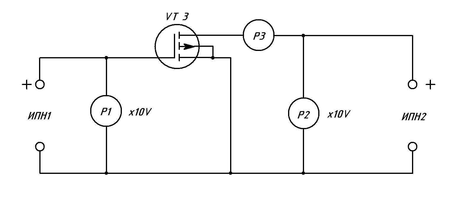
Собрать схему (рисунок 4.2).

Рисунок 4.2 – Схема для снятия характеристик полевого транзистора


4.3.2 Рассчитать цену деления каждого прибора.

4.3.3 По разрешению преподавателя включить стенд.

4.3.4 Снять стоко-затворные характеристик транзистора КП103.

4.3.5 Выставить по прибору Р2 напряжение Uси = 5В.

Изменять за счет “ИПН1” Uзи от 0 с шагом 0,2В пока “ µА” не покажет “0”. Показания приборов “Р1” и “ µА ” записывать в таблицу 4.1

4.3.6 Повторить все действия при Uси = 10В. Показания приборов занести в таблицу 4. 1.

4.3.7 Снять стоковые характеристики: Ic = f(Uси) при Uзи = const

4.3.8 Включить стенд.

4.3.9 Установить Uзи = 0,2В ручкой “ ИПН1” по прибору “Р1”.

4.3.10 Изменяя Uси от 0 до 9В записать Uси, Ic в таблицу 4.2.

4.3.11 Повторить действия п/п 5.2, 5.3 для Uзи = 0,5В, затем Uзи = 0,8В. Результаты зане­сти в таблицу 4. 2.

4.3.12 Снять стоко-затворную характеристику Ic = f(Uзи) при Uси = const транзистора КП301 для этого:

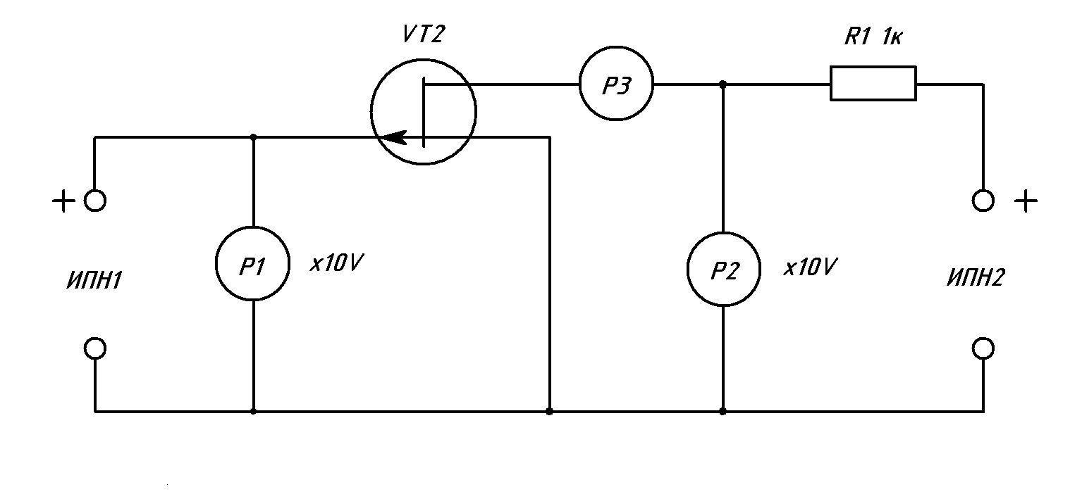
4.3.13 Собрать схему (Рисунок 4.3).

4.3.14 По разрешению преподавателя:

4.3.15 Включить стенд.

4.3.16 Выставить ручкой “ ИПН1” по прибору “P2” Uси = 2В. Изменять Uзи в со­ответствии с таблицей 4.3. Показания приборов занести в эту таблицу 4.3.

4.3.17 Повторить 4.3.12 для Uси = 10В.

Таблица 4.1 – Стоко-затворные характеристики  
Uси = 5В Uси = 10В
Uзи Ic Uзи Ic
В мкА В мкА
         
  0,2   0,2  
  0,4   0,4  
  0,6   0,6  
  0,8   0,8  
         
  1,2   1,2  
  1,4   1,4  
  1,6   1,6  
   

 

Таблица 4.2 – Стоковые характеристики

  Uзи=0,2 В Uзи=0,5 В Uзи=0,8 В
Uси Iс Uси Iс Uси Iс
  В мкА В мкА В мкА
             
  0,5   0,5   0,5  
             
             
             
             
             
             
             
             
             

 

 

Таблица 4.3 – Зависимость Iс = f(Uзи) при Uси = const

 

Uси Uзи В   0,5   1,5 1,6 1,7 1,8 1,9   2,1 2,4 2,6 2,8  
=8В Iс мкА                            
Uси Uзи В   0,5   1,5 1,6 1,7 1,8 1,9   2,1 2,4 2,6 2,8  
=10В Iс мкА                            

 

 

 
µА
Рисунок 4.3 – Схема на транзисторе КП301

 

4.3.18 По результатам работы построить характеристики и определить параметры:

· по таблице 4.1 для транзистора КП103 построить две стоко-затворные ха­рактеристики Ic = f(Uзи) при Uси = 5В и 10В. По этим характеристикам определить: Sсз., Uотс., Ico.

· по таблице 4.2 для транзистора КП103 построить три стоковые характери­стики: Ic = f(Uси) при Uзи = 0.2В; 0.5В и 0.8В.

· по таблице 4.3 для транзистора КП301 построить две стоко-затворные ха­рактеристики Ic = f(Uзи) при Uси = 8В и 10В.

· по характеристикам определить: Uпор., Sсз.

 

4.4 Содержание отчета:

 

4.4.1 тема, цель, оборудование;

4.4.2 ход работы;

4.4.3 справочные параметры полевых транзисторов;

4.4.4 схема 1 и таблица 1,2 с результатами;

4.4.5 схема 2 и таблица 3 с результатами;

4.4.6 для транзистора КП103 и КП301 построить характеристики и определить параметры в соответствии с пунктом 4.3.18;

4.4.7 сравнение вычисленных и справочных параметров транзисторов;

4.4.8 ответы на вопросы.


 

Контрольные вопросы

4.5.1 Объясните принцип работы полевого транзистора с p-n переходом и МДП–транзистора.

4.5.2 В чем различие характера управления стоковым током в данных транзисторах.

4.5.3 Укажите основные отличия полевых транзисторов от биполярных.

4.5.4 Изобразите и поясните статические сток - истоковые характеристики полевых транзисторов.

4.5.5 Дать полное название транзистору КП 103 и КП 301.

4.5.6 Какие параметры транзистора КП 103 определяются в этой работе? Поясните, что они показывают и как определяются?

4.5.7 Какие параметры транзистора КП 301 определяются в этой работе? Что они пока­зывают и как их определить?

4.5.8 Поясните смысл остальных параметров этих транзисторов по справочнику.

4.5.9 Почему транзисторы, которые исследуются в этой работе, называются полевыми?

4.5.10 Поясните принцип включения таких транзисторов.

4.5.11 Как результаты работы подтверждают основное свойство полевых транзисто­ров?

 

 







Date: 2015-05-04; view: 1177; Нарушение авторских прав



mydocx.ru - 2015-2026 year. (0.714 sec.) Все материалы представленные на сайте исключительно с целью ознакомления читателями и не преследуют коммерческих целей или нарушение авторских прав - Пожаловаться на публикацию