Главная
Случайная страница
Полезное:
Как сделать разговор полезным и приятным
Как сделать объемную звезду своими руками
Как сделать то, что делать не хочется?
Как сделать погремушку
Как сделать так чтобы женщины сами знакомились с вами
Как сделать идею коммерческой
Как сделать хорошую растяжку ног?
Как сделать наш разум здоровым?
Как сделать, чтобы люди обманывали меньше
Вопрос 4. Как сделать так, чтобы вас уважали и ценили?
Как сделать лучше себе и другим людям
Как сделать свидание интересным?
Категории:
АрхитектураАстрономияБиологияГеографияГеологияИнформатикаИскусствоИсторияКулинарияКультураМаркетингМатематикаМедицинаМенеджментОхрана трудаПравоПроизводствоПсихологияРелигияСоциологияСпортТехникаФизикаФилософияХимияЭкологияЭкономикаЭлектроника
|
Расчет переходного процесса в линейной
электрической цепи»
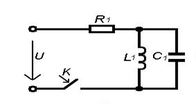
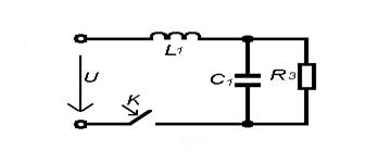
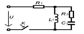
Дана сложная электрическая цепь, содержащая два реактивных элемента. Варианты цепей на рис. П.1-П.30 даны с нулевыми начальными условиями; варианты цепей на рис. П.31-П.60 – с ненулевыми начальными условиями; расчет цепей на рис. П.61-П.75 характеризуется повышенной трудностью. Вид коммутации показан стрелкой на всех схемах.
Величины параметров элементов цепей (варианты рис. П.1 – П.60) выбираются по таблицам П.1, П.2.
Варианты, приведенные в табл. П.1, предназначены для студентов электромеханических, варианты, приведенные в табл. П.2, предназначены для студентов электротехнических специальностей.
Вариант схемы цепи выбирается студентом по его порядковому номеру в групповом журнале, номер строчки в табл. П.1, П.2 указывается преподавателем.
Таблица П.1
| J№
| U
| R 1
| R2
| R 3
| L 1
| L 2
| C 1
| C 2
| |
| В
| Ом
| Ом
| Ом
| Гн
| Гн
| мкФ
| |
|
|
|
|
| 1,0
| 0,5
|
|
| |
|
|
|
|
| 0,5
| 1,0
|
|
| |
|
|
|
|
| 0,1
| 0,5
|
|
| |
|
|
|
|
| 0,5
| 1,0
|
|
| |
|
|
|
|
| 0,5
| 1,0
|
|
| |
|
|
|
|
| 0,4
| 0,8
|
|
| |
|
|
|
|
| 0,5
| 1,0
|
|
| |
|
|
|
|
| 0,8
| 0,4
|
|
| |
|
|
|
|
| 0,2
| 0,4
|
|
| |
|
|
|
|
| 0,2
| 0,4
|
|
| |
|
|
|
|
| 0,1
| 0,2
|
|
| |
|
|
|
|
| 0,2
| 0,1
|
|
| |
|
|
|
|
| 0,2
| 0,1
|
|
| |
|
|
|
|
| 0.1
| 0,2
|
|
| |
|
|
|
|
| 0,2
| 0.4
|
|
| | | | | | | | | | | | | | | | | | Требуется:
1. Рассчитать переходный процесс классическим методом.
2. Рассчитать переходный процесс одним из следующих методов: операторным методом или с помощью компьютера.
3. Построить графики зависимостей изменения токов в ветвях и напряжений на реактивных элементах во времени.
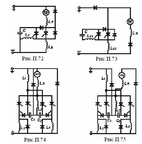
НИРС. Рассчитать переходный процесс в электрической цепи, показанной на рис. П.61- П.75, двумя методами, включая метод переменных состояния. Величины параметров элементов цепи приведены в табл. П.3, П.4.
Таблица П.2
|
| U
| R 1
| R 2
| R 3
| L 1
| L 2
| C 1
| C 2
| | №
| В
| кОм
| кОм
| кОм
| мГн
| мГн
| мкФ
| мкФ
| |
|
| 0,8
| 1.0
| 2,0
|
|
| 0,1
| 0,2
| |
|
| 0,8
| 2,0
| 1,0
|
|
| 0,2
| 0,1
| |
|
| 1,0
| 0,8
| 2,0
|
|
| 0,2
| 0,1
| |
|
| 2,0
| 0,8
| 1,0
|
|
| 0,2
| 0,1
| |
|
| 2.0
| 0,8
| 1,0
|
|
| 0,1
| 0.2
| |
|
| 0,8
| 1,0
| 1,0
|
|
| 0,2
| 0,1
| |
|
| 0,8
| 1,0
| 1.0
|
|
| 0,2
| 0,1
| |
|
| 0.8
| 1,0
| 1,0
|
|
| 0.2
| 0,1
| |
|
| 1,0
| 1.0
| 2.0
|
|
| 0,1
| 0,2
| |
|
| 2,0
| 1,0
| 1.0
|
|
| 0,05
| 0,1
| |
|
| 1,0
| 1,0
| 2,0
|
|
| 0,05
| 0,1
| |
|
| 1.0
| 2,0
| 1,0
|
|
| 0,1
| 0,05
| |
|
| 2,0
| 1,0
| 2,0
|
|
| 0,1
| 0,05
| |
|
| 1.2
| 2.0
| 1,0
|
|
| 0,05
| 0,1
| |
|
| 2,0
| 1,2
| 1,0
|
|
| 0,1
| 0,05
| | | | | | | | | | | | | | | | | | |
Таблица П.4.3
| №
| U, E 1- E 2
| R 1
| R 2
| R 3
| R 4
| R 5
| L 1,2,3,4
| C 1,2,3,4
| |
| В
| Ом
| Ом
| Ом
| Ом
| Ом
| Гн
| мкФ
| | П.4.61
|
|
|
|
|
|
| 1,0
|
| | П.4.62
|
|
| 103
| 103
| 103
|
|
| 103
| | П.4.63
|
|
| 103
| 103
| 103
| 103
|
| 103
| | П.4.64
|
|
|
|
|
|
| 0,2
|
| | П.4.65
|
|
|
|
|
|
| 0,1
|
| | П.4.66
|
|
|
|
| 33,3
|
| 0,5
|
| | П.4.67
|
|
|
|
|
|
| 0,5
|
| | П.4.68
| 100-150
|
|
|
|
|
| 0,5
|
| | П.4.69
| 200-400
|
|
|
|
|
| 0,4
|
| | П.4.70
| 100-400
|
|
|
|
|
| 1,0
|
| | П.4.71
| 200-400
|
|
|
|
|
| 1,0
|
|












Таблица П.4
| E
| L Я
| L в
| L к1, L к2
| L 1
| L 2,3,4
| C 1,2
| C
| | В
| Гн
| Гн
| Гн
| Гн
| Гн
| мкФ
| мкФ
| |
| 0,05
| 0,02
| 0,01
| 1,0
| 0,1
|
|
|
Рассчитаем цепь, показанную на рис. П.76. Численные данные для данной схемы приведены в табл. П.5.
Таблица П.5
| U
| R 0
| R 1
| R 2
| L
| C
| | В
| Ом
| Ом
| Ом
| Гн
| мкФ
| |
|
|
|
| 0,1
|
|
Date: 2015-09-17; view: 562; Нарушение авторских прав | Понравилась страница? Лайкни для друзей: |
|
|