Главная Случайная страница


Полезное:

Как сделать разговор полезным и приятным Как сделать объемную звезду своими руками Как сделать то, что делать не хочется? Как сделать погремушку Как сделать так чтобы женщины сами знакомились с вами Как сделать идею коммерческой Как сделать хорошую растяжку ног? Как сделать наш разум здоровым? Как сделать, чтобы люди обманывали меньше Вопрос 4. Как сделать так, чтобы вас уважали и ценили? Как сделать лучше себе и другим людям Как сделать свидание интересным?


Категории:

АрхитектураАстрономияБиологияГеографияГеологияИнформатикаИскусствоИсторияКулинарияКультураМаркетингМатематикаМедицинаМенеджментОхрана трудаПравоПроизводствоПсихологияРелигияСоциологияСпортТехникаФизикаФилософияХимияЭкологияЭкономикаЭлектроника






Дифференцирующие и интегрирующие цепи





Могут быть построены пассивные четырёхполюсники, выполняющие дифференцирование и интегрирование входного напряжения четырёхполюсника. Эти четырёхполюсники называются дифференцирующими и интегрирующими цепями. Они находят широкое применение в измерительной технике, в системах автоматики и т.д.

Схемы дифференцирующих цепей приведены на рис. 9.13 и 9.14.

Допустим, что входное сопротивление столь велико, что

Пусть постоянная () существенно меньше времени, в течение которого заметно изменяется , т.е. , тогда

Таким образом, рассмотренная цепь осуществляет дифференцирование входного напряжения. Так как мало, то необходимо усилить напряжение на выходе - нужен усилитель.

Для схемы на рис. 9.14 запишем

Если , то .

Так как постоянная мала, на выходе используют усилитель.

Схемы интегрирующих цепей (рис. 9.15 и рис. 9.16)

Для первой схемы (рис. 9.15) запишем

Если , то

Так как постоянная мала, в этом случае также используют усилитель.

Для схемы на рис. 10.16 можно записать

Если , то .

Так как постоянная большая, то нужен усилитель.

На практике предпочтение отдают дифференцирующим и интегрирующим цепям из и , т.к. схемы с и содержат индуктивность , которая имеет паразитную ёмкость.

 

9.6. Цепные схемы

Под цепными схемами понимаются схемы, состоящие из ряда электрически соединенных четырехполюсников. К цепным схемам можно свести устройства для передачи энергии, сигналов и т.п. Отдельные четырехполюсники цепной схемы называют звеньями, в свою очередь всю цепную схему можно рассматривать как четырехполюсник. Пусть цепная схема состоит из пассивных четырехполюсников (рис. 9.17).

Цепная схема называется согласованной, если и для любых соседних звеньев , и сопротивления и называются входными и выходными характеристическими сопротивлениями звена. Т.к. при этом , то эти сопротивления принято записывать как .

Рассмотрим первый четырехполюсник (рис. 9.18).

. (9.7)

Т.к. , то

, (9.8)

отсюда получим

(9.9)

Если в этом четырехполюснике поменять местами вход и выход, то получим те же уравнения, в которых коэффициенты А и D поменялись местами, т.е. и .

. (9.10)

Из (9.9) и (9.10) получим

, .

Если четырехполюсник симметричен, то и . В этом случае характеристическое сопротивление называется повторным. В общем случае несимметричного четырехполюсника, кроме и , нужно ввести еще один параметр. В качестве такого берется так называемая мера передачи четырехполюсника, определяемая следующим образом:

. (9.11)

Выясним физический смысл величины g 1. Для этого возьмем симметричный четырехполюсник. Для него выполняется равенство (т.к. ). Отсюда получаем равенство . Это равенство подставляем в формулу (9.11) .

Т.о. называется коэффициентом затухания. Он показывает насколько изменяются ток или напряжение при переходе через четырехполюсник по модулю.

β называется коэффициентом фазы. Он характеризует изменение фазы напряжение или тока.

Теперь рассмотрим несимметричный четырехполюсник.

Из системы (9.7) находим .

. (9.12)

Подставим (9.8) и (9.12) в (9.11).

Итак, характеристические сопротивления и и параметр связаны
постоянными четырехполюсника. Выразим их теперь через параметры холостого хода и короткого замыкания.

, то , т.к. .

Отсюда , (9.13)

. (9.14)

Из (9.13) и (9.14) получаем , т.к. , , , , то , , .

Найдем теперь передаточные функции согласованных цепных схем. Различают передаточные функции по напряжению и по току .

- отношение выходного напряжения цепной схемы к входному напряжению. - отношение выходного тока цепной схемы к входному току.

Для -го четырехполюсника имеем

, где .

Следовательно

Для цепной схемы имеем

Если все звенья цепной схемы одинаковые, то и ,

.

 

 

ПРИЛОЖЕНИЕ

Домашняя работа «Расчет цепи постоянного тока»

Целью работы является расчет электрической цепи постоянного тока.

Необходимо:

1. Определить токи во всех ветвях цепи методами узловых напряжений и контурных токов.

2. Определить показания вольтметров.

3. Проверить баланс мощностей.

4. Рассчитать потенциалы в точках соединения элементов внешнего контура и построить потенциальную диаграмму.

Схема электрической цепи постоянного тока приведена на рис. П.1.1. Числовые данные приведены в табл. П.1.

Таблица П.1

J0 E1 E2 E3 E4 R1 R2 R3 R4 R5 R6 G0
A В В В В Ом Ом Ом Ом Ом Ом Ом-1
                      0,2

Нарисуем ориентированный граф данной цепи (рис. П.1.2).


Здесь,,, - узлы графа; 0, 1, 2, 3, 5, 6 – ветви графа.

Данному графу соответствует следующие деревья (рис. П.1.3-П.1.5)


Рис.3. Рис.4. Рис.5.

Нарисованным деревьям соответствуют дополнения.

 

Дополнения к показанным деревьям приведены на рис. П.1.6 – П.1.8.

Для дерева на рис. П.1.3. составим основные топографические матрицы (A, Q, D).

1).Составим матрицу соединений (А). Для этого на графе выберем независимые узлы: узел, узел, узел. Тогда

.

2).Составим матрицу главных сечений (Q). Для этого на графе (рис. П.1.2) покажем главные сечения и учтем дерево, показанное на рис. П.1.3.

Матрица Q выглядит следующим образом

 

 

.

 

3).Составим матрицу главных контуров (В). Для этого на графе (рис. П.1.2) выберем главные контуры и учтем дополнение на рис. П.1.6. Главный контур №1 состоит из ветвей №0, №1, №6. Главный контур №2 состоит из ветвей №1, №2, №5. Главный контур №3 состоит из ветвей №0, №3, №5.

Матрица В выглядит следующим образом: .

1. РАСЧЕТ ТОКОВ ВО ВСЕХ ВЕТВЯХ ЦЕПИ МЕТОДОМ УЗЛОВЫХ

НАПРЯЖЕНИЙ.

На рис. П.1.9 изображена схема, по которой производим расчет. Она отличается от первоначальной тем, что в ней отсутствует ветвь, содержащая R 4 и Е 4, так как ток в этой ветви равен нулю, и отсутствуют ветви, содержащие вольтметры.

Направления токов в ветвях покажем стрелками.

Точками 1, 2, 3, 4 на схеме (рис. П.1.9) обозначим узлы. Будем считать, что потенциал узла 4 равен нулю. Найдем потенциалы остальных узлов.

Потенциалы узлов можно найти с помощью матричного уравнения

A G(B)ATj= AJ(B)-AG(B) E(B),

а напряжения ветвей по уравнению

U(В) =ATj.

Если цепь простая, как в данном случае, узловые уравнения составляются непосредственно по схеме.

После расчета получим:

 
 

j1 = -110,3 В, j2 = -74,4 В, j3 = -89,5 В.

По закону Ома для участка цепи, содержащего или не содержащего источник ЭДС, составим уравнения для нахождения токов во всех ветвях цепи

Подставим в эти формулы численные значения и рассчитаем токи

Токи I0 и I5 получились отрицательные, следовательно, их первоначально выбранное направление нужно поменять на противоположное.

Проверка токов производится по первому закону Кирхгофа.

 

 

2. РАСЧЕТ ТОКОВ В ВЕТВЯХ ЦЕПИ МЕТОДОМ КОНТУРНЫХ ТОКОВ.

Расчет производится по схеме на рис. П.1.10.

Выберем независимые контуры и произвольно зададимся направлениями контурных токов (I1, I2, I3) в них.

Контурные токи можно найти с помощью матричного уравнения

B R(B) BT I(K) =B E(B) - B R(B) J(B),

а токи в ветвях находятся из уравнений

I(B) = BT I(K).

Если цепь простая, контурные уравнения составляются непосредственно по схеме.

Подставим численные значения

Решив систему, получим I1 =12,26 А; I2 =8,7 А; I3=7,44 А.

Теперь вычислим токи в ветвях

i 0= I3-I1+J0 = 7,18 А; i 1 = I1-I2 = 3,56 А; i 2 = I2, i 3 = I3 = 7,44 А;

i 4 = 0; i 5 = I2-I3 = 1,26 А; i 6= I1 = 12,26 А.

 

 

3. ОПРЕДЕЛЕНИЕ ПОКАЗАНИЙ ВОЛЬТМЕТРОВ


Для определения показаний вольтметров V1 и V2 составим уравнения. Для этого выберем направления обхода контуров, они показаны на рис. П.1.11.

UV1= E1 - I1 R1 + I2 R2,

UV2= E4 – I3 R3 + E3.

После подстановки численных значений в уравнения получим:

UV1=110– 3,56·10+8,7·15=204,9 В, UV2=110-7,43 ·12+110=130,84 В.

 

4. ПРОВЕРКА БАЛАНСА МОЩНОСТЕЙ.

Составим уравнение для проверки баланса мощностей в исследуемой цепи.

После подстановки численных значений получим

3,562 ·10+8,72 ·15+7,432 ·12+1,262 ·12+12,262 ·9+ =

=110 ·3,56 +220 ·8,7+110 ·7,43+ ,

3554,13 Вт = 3553,7 Вт.

Рассчитаем расхождение в получившихся значениях

, .

Баланс мощностей в пределах погрешности соблюдается.

 
 


5. РАСЧЕТ ПОТЕНЦИАЛОВ В ТОЧКАХ СОЕДИНЕНИЯ ЭЛЕМЕНТОВ ВНЕШНЕГО КОНТУРА И ПОСТРОЕНИЕ ПОТЕНЦИАЛЬНОЙ

ДИАГРАММЫ

Буквами а, b, с, d, е на рис. П.1.12 обозначим точки внешнего контура, для которых будем искать потенциалы.

jа = j0 + Е4 = Е4,jb = Е4 + +I6 R6 ,

jc = jb + I2 R2, jd = jc - Е2 ,

je = jd – Е3 , jа = jd + I3 R3

После подстановки численных значений получим

jа=110 В, jb =110+12,26´9=220,31 В, jc=220,34+8,7´15=350,84 В, jd=350,84-

-220=130,77 В, je=130,84-110=20,84 В, jа=20,84+7,43´12=110 В.

Полученные значения потенциалов используем для построения потенциальной диаграммы (рис. П.1.13).

 

6. РАСЧЕТ ТОКА В СОПРОТИВЛЕНИИ R1 МЕТОДОМ ЭКВИВАЛЕНТНОГО

ИСТОЧНИКА ТОКА

Расчетная схема показана на рис. П.1.14.

Примечание: в схеме выполнено преобразование источника тока в источник ЭДС.

,

Решаем задачу по методу контурных токов. Система уравнений:

После подстановки численных значений система уравнений принимает вид

Решив систему уравнений, определим контурные токи короткого замыкания

Iк.з.1 =14,75 А, Iк.з.2 = -7,32 А, Iк.з.3 =7,29 А.

Тогда ток эквивалентного источника равен Jэ.г. = Iк.з.1 + Iк.з.2 = 7,43 А.

Определяем внутреннюю проводимость эквивалентного источника тока. Предварительно вычислим эквивалентное сопротивление.

Расчетная схема, после перевода исходной схемы в пассивный режим показана на рис. П.1.15.

Выполним эквивалентные преобразования (рис. П.1.16 - П.1.17).

Соответственно интересующий нас ток равен:

 

7. РАСЧЕТ ТОКА В СОПРОТИВЛЕНИИ R1 МЕТОДОМ ЭКВИВАЛЕНТНОГО

ИСТОЧНИКА ЭДС

Rэкв найдено ранее в решении по методу эквивалентного источника тока.

Исходную схему преобразуем к виду:

Напряжение холостого хода определяется из уравнения:

UX.X. – I6X.X.R6 – I0X.X.1/G0 = E1+ E6,

Ux.x.=68,27 В.

Отсюда ток в ветви №1 равен:


 

 

Домашнее задание “Расчет цепи синусоидального тока комплексным

методом”

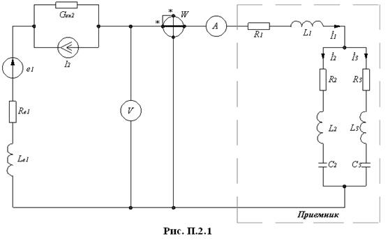
На рис. П.2.1 приведена схема электрической цепи, содержащей источники ЭДС и тока. Там же указаны величины внутренних сопротивлений и проводимостей источников. Остальные численные значения параметров приведены в табл. П.2.1.

Требуется для данной схемы произвести расчет следующих величин:

1. Определить действующие значения токов во всех ветвях цепи и напряжений на зажимах ветвей.

2. Определить показания приборов, реактивную и полную мощности, коэффициент мощности приемника. Проверить баланс мощностей.

3. Построить на комплексной плоскости векторную диаграмму ЭДС, токов и напряжений. Показать на диаграмме, что токи удовлетворяют первому закону Кирхгофа, а ЭДС и напряжения – второму закону Кирхгофа.

4. Написать выражения для мгновенных значений: а) тока и напряжения на зажимах приемника; б) активной, реактивной и полной мощностей приемника.

5. Построить графики величин, перечисленных в п.4.

Таблица П. 2.1

Em YE Jm YJ R1 L1 R2 L2 C2 R3 L3 C3 f
В град A град Ом мГн Ом мГн мкФ Ом мГн мкФ Гц
          0,6   4,5          

 

Ом мГн
  0,25 1,27

1) Расчет цепи будем производить комплексным методом.

Выполним эквивалентное преобразование схемы, т.е. заменим источник тока на эквивалентный источник ЭДС (). Получили два последовательно соединенных источника ЭДС, заменим их одним эквивалентным источником ЭДС ( ).

А, А,

В,

В,

Ом, Ом.

2) Рассчитаем эквивалентное сопротивление приемника

, Ом,

Ом,

Ом, Ом,

Ом.

3) Рассчитаем полное сопротивление цепи

Ом.

Результаты расчетов сведены в табл. П.2.2.

Таблица П.2.2

Сопротивление В алгебраической форме В показательной форме
Ом
   
   
   
   
   
1,88 1,88
8,82 8,82
-17,12 -17,12

4) Рассчитаем токи в ветвях цепи

А,

А,

А.

5) Рассчитаем напряжения на элементах цепи (рис. П.2.2)
В, В

В, В

В, В, В, В, В.

По полученным величинам строим векторную диаграмму токов и топографическую диаграмму напряжений (рис. П.2.3).

6) Определим показания приборов

- амперметр показывает действующее значение тока

A,

- вольтметр показывает действующее значение напряжения

В,

- ваттметр показывает активную мощность

Вт.

7) Рассчитаем мощности

Вт, ВАр,

ВА.

Коэффициент мощности равен: .

8) Проверим баланс мощностей

Вт,

,

Вт,

ВАр,

Расхождение между модулями полных мощностей равно

%.

Расхождение между фазами полных мощностей равно


.

9) Запишем формулы для мгновенных значений величин

,

,

,

,

.

Графики величин приведены на рис. П.2.4.

 

 

 


 

 

ЛИТЕРАТУРА

Основная

1. Нейман Л.Р., Демирчян К.С. ТОЭ. - Л.: Энергоиздат, 1981. - Т. 1,2.

2. Теоретические основы электротехники. Под ред. П.А. Ионкина. Т. 1,2. - М.: ВШ., 1976.

3. Теоретические основы электротехники. Под ред. Г.И. Атабекова. Т. 1,2 - М.: Энергия, 1979.

4. Сборник задач и упражнений по ТОЭ. Под ред. П.А. Ионкина. - М.: Энергоиздат, 1982. - 766с.

5. Пашенцев И.Д. Методические пособия по решению задач курса ТОЭ. - Л.: ЛИИЖТ, 1981. - Ч. I-VI.

6. Бессонов Л.А. Сборник задач по ТОЭ. - М.: ВШ, 1988.

7. Бессонов Л.А. Теоретические основы электротехники. - М.: ВШ, 1978. - Т.1,2.

8. Новгородцев А.Б. 30 лекций по теории электрических цепей. - СПб.: Политехника, 1995. - 519с.

9. Шимони К. Теоретическая электротехника. - М.: МИР, 1964. -.773с.

10. Зевеке Г.В., Ионкин П.А., Нетушил А.В., Страхов С.В. Основы теории цепей. - М.: Энергоиздат, 1989. - 333с.

11. Белецкий А.Ф. Теория линейных электрических цепей. - М.: Радио и связь, 1986. - 554с.

12. Поливанов К.М. Теоретические основы электротехники. - М.: Энергия, 1975. - Т.3. - 352с.

13. Ким К.К. Самоучитель по теории линейных электрических цепей- СПб.: ПГУПС, 2005. - Ч. 1, 2.

14. Литература информационно-методического обеспечения учебного процесса, разработанная кафедрой ТОЭ.

Дополнительная

1. Матханов П.Н. Основы анализа электрических цепей. - М.: ВШ, 1990

2. Практикум по ТОЭ. Под ред. Шакирова М.А. - СПб.: СПбГТУ, 1995. - Ч. 1, 2, 3.

3. Шебес М.Р. Задачник про теории линейных электрических цепей. - М.:ВШ, 1973. - 655с.

4. Демирчян К.С., Бутырин П.Л. Моделирование и машинный расчет электрических цепей. - М.: ВШ, 1988.

5. Кухаркин Е.С. Основы технической электродинамики. - М.: ВШ, 1969 - Ч. 1, 2.

 

Рекомендуется использование пакетов программ Pspice, Workbench, Matlab, Mathcad, Elcat.







Date: 2015-09-17; view: 1811; Нарушение авторских прав



mydocx.ru - 2015-2026 year. (1.045 sec.) Все материалы представленные на сайте исключительно с целью ознакомления читателями и не преследуют коммерческих целей или нарушение авторских прав - Пожаловаться на публикацию