Главная Случайная страница


Полезное:

Как сделать разговор полезным и приятным Как сделать объемную звезду своими руками Как сделать то, что делать не хочется? Как сделать погремушку Как сделать так чтобы женщины сами знакомились с вами Как сделать идею коммерческой Как сделать хорошую растяжку ног? Как сделать наш разум здоровым? Как сделать, чтобы люди обманывали меньше Вопрос 4. Как сделать так, чтобы вас уважали и ценили? Как сделать лучше себе и другим людям Как сделать свидание интересным?


Категории:

АрхитектураАстрономияБиологияГеографияГеологияИнформатикаИскусствоИсторияКулинарияКультураМаркетингМатематикаМедицинаМенеджментОхрана трудаПравоПроизводствоПсихологияРелигияСоциологияСпортТехникаФизикаФилософияХимияЭкологияЭкономикаЭлектроника






Закони тертя ковзання





Наближені закони для сухого тертя ковзання були встановлені ще у XVIII ст. французьким фізиком Ш.Кулоном (1736-1806). Основні особливості сил тертя можна установити за допомогою приладу, схема якого зображена на рис.2.

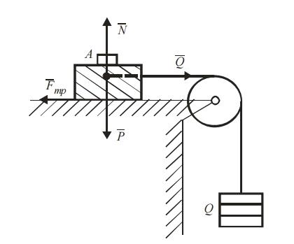
Рис.2

 

 

При рівновазі тіла A, розміщеного на шорсткій поверхні, рушійна сила Q врівноважується силою тертя Fтр, поява якої обумовлена шорсткістю поверхні і наявністю зчеплення з поверхнею тіла, притиснутого силою ваги P до поверхні. Поступово нарощуючи вагу вантажу Q і таким чином збільшуючи силу Q при одному і тому ж нормальному тиску P, можливо досягти того навантаження Qmax, при якому тіло A зрушиться з місця. Очевидно, буде досягнуто граничне положення, при якому сила тертя стане найбільшою (Fтр = Fmax) і не зможе зрівноважувати силу Q при її подальшому збільшенні. Змінюючи нормальний тиск P шляхом навантаження тіла A допоміжними гирьками можна дослідити, як змінюється при цьому гранична сила тертя Fmax. Ці та інші досліди дозволяють підтвердити такі закони Кулона для сухого тертя ковзання:

 
 


 


1) При намірі зрушити одне тіло по поверхні іншого в площині стикання тіл виникає сила тертя, спрямована протилежно напрямку зрушення тіла, яка набуває будь-якого значення від нуля до максимальної сили тертя, при досягненні якої починається рух тіла, тобто:

2) Максимальна сила тертя ковзання пропорційна силі нормального тиску (нормальній реакції N), тобто:

де f – статичний коефіцієнт тертя ковзання.

3) Величина максимальної сили тертя в досить широких межах не залежить від розмірів стичних поверхонь.

4) Коефіцієнт тертя ковзання залежить від матеріалів і фізичного стану стичних поверхонь, тобто від чистоти обробки поверхонь, вологості, температури та інших умов. Коефіцієнт тертя визначається дослідним шляхом, його значення для різних матеріалів наводиться у довідниках. Для ряду матеріалів величина статичного коефіцієнта сухого тертя має такі значення: для сталі по сталі – 0,15; для сталі по чавуну – 0,3; для дерева по дереву – 0,4 … 0,6; для цегли по бетону – 0,76. Закони тертя з достатньою точністю справедливі і для тертя руху. При русі сила тертя протилежна напрямку руху і визначається співвідношенням

де f1 – коефіцієнт тертя руху, або динамічний коефіцієнт тертя ковзання, при чому f < f1.

 
 


 


Динамічний коефіцієнт тертя ковзання f1 залежить не тільки від матеріалу і стану поверхні, але в деякій мірі і від швидкості ковзання. Для більшості матеріалів він зменшується при збільшені відносної швидкості, а для деяких матеріалів (шкіра по металу) – збільшується.

У наближених технічних розрахунках вважають, що динамічний коефіцієнт тертя ковзання не залежить від відносної швидкості і приблизно дорівнює статичному коефіцієнту тертя ковзання .

 

 







Date: 2015-09-18; view: 541; Нарушение авторских прав



mydocx.ru - 2015-2026 year. (1.737 sec.) Все материалы представленные на сайте исключительно с целью ознакомления читателями и не преследуют коммерческих целей или нарушение авторских прав - Пожаловаться на публикацию