Главная Случайная страница


Полезное:

Как сделать разговор полезным и приятным Как сделать объемную звезду своими руками Как сделать то, что делать не хочется? Как сделать погремушку Как сделать так чтобы женщины сами знакомились с вами Как сделать идею коммерческой Как сделать хорошую растяжку ног? Как сделать наш разум здоровым? Как сделать, чтобы люди обманывали меньше Вопрос 4. Как сделать так, чтобы вас уважали и ценили? Как сделать лучше себе и другим людям Как сделать свидание интересным?


Категории:

АрхитектураАстрономияБиологияГеографияГеологияИнформатикаИскусствоИсторияКулинарияКультураМаркетингМатематикаМедицинаМенеджментОхрана трудаПравоПроизводствоПсихологияРелигияСоциологияСпортТехникаФизикаФилософияХимияЭкологияЭкономикаЭлектроника






Поясните методику расчета интегральных биполярных транзисторов





Общий расчёт структуры биполярного транзистора.

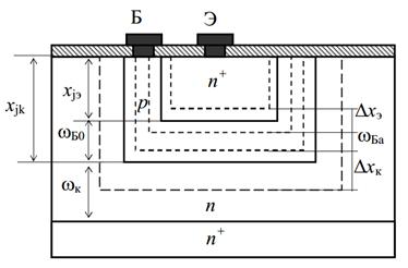
Для расчёта всей структуры биполярного транзистора, изображённой на рис. 2.1., необходимы следующие исходные данные для расчета: глубина коллекторного перехода и концентрация примеси на поверхности пассивной базы.

Рис. 2.1. Структура биполярного транзистора.

Расчет выполняют в такой последовательности:

1. По заданному максимально допустимому напряжению определяют пробивное напряжение , которое должно быть хотя бы на 20% больше , т.е. . Пробивное напряжение коллекторного p-n-перехода выбирают с коэффициентом запаса 2…3.

По графику зависимости (рис. 2.2.), где – концентрация примесей на высокоомной стороне p-n-перехода, находят . Удельное сопротивление коллекторного перехода при рассчитывают по формуле:

 

Подвижности при заданной концентрации примесей находят из рис. 2.3.

Рис. 2.2. График зависимости пробивного напряжения от концентрации носителей.

Рис. 2.3. Зависимости подвижности носителей от концентрации примесей в полупроводнике.

2. Определяют характеристическую длину в распределении примесей акцепторов и характеристическую длину в распределении доноров :

 

3. Для расчёта ширины объёмного заряда на коллекторном и эмиттерном переходах предварительно вычисляют потенциал:

 

контактную разность потенциалов на коллекторном переходе:

 

где – тепловой потенциал, равный 0,026 В при ; - концентрация собственных носителей заряда в кремнии ().

Контактная разность потенциалов на эмиттерном переходе определяется аналогично .

4. Рассчитывают ширину области объёмного заряда, распространяющуюся в сторону базы и в сторону коллектора при максимальном смещении коллекторного перехода :

 
 

5. Выбирают ширину технологической базы, которая должна быть больше ширины слоя объемного заряда на коллекторном переходе , так как последний будет иметь максимальную ширину при :

 

6. Ширину высокоомного коллектора под коллекторным переходом выбирают больше ширины слоя объемного заряда на коллекторном переходе, распространяющейся в сторону коллектора при максимальном обратном смещении: . Полная толщина коллекторного слоя

7. Определяют концентрацию акцепторов на эмиттерном переходе:

 

8. В результате высокой степени легирования эмиттера область объёмного заряда на эмиттерном переходе в основном будет сосредоточена в базе. Приближённо можно считать, что , где:

 

Ширина базы была определена без учета и может оказаться заниженной; в свою очередь, величина тоже может быть меньше действительной, а ширина объемного заряда – больше. Однако превышение незначительно и приведет только к тому, что технологическая ширина базы будет выбрана с некоторым запасом.

9. Корректируют технологическую базу:

 

10. Для определения размеров активной базы рассчитывают ширину области объемного заряда и при прямом смещении эмиттерного и обратном смещении коллекторного переходов.

11. Определяют активную ширину базы:

 

12. Находят размеры коллекторов, имеющего квадратную форму со стороной:

 

где – площадь коллектора, которую рассчитывают по известной емкости коллекторного перехода при заданном смещении , принимая емкость коллектора :

 
 

13. Площадь эмиттера можно определить исходя из допустимой плотности тока эмиттера , при которой коллекторный переход находится при нулевом смещении, когда транзистор еще не вошел в режим насыщения:

 

где

Минимальное напряжение на участке эмиттер-коллектор транзистора рассчитывают по максимальной мощности на p-n переходе и максимальному току коллектора :

 

Размеры остальных областей транзистора, а также его общая площадь могут быть определены исходя из известной площади эмиттера , минимальной ширины контактов, минимального расстояния между контактами и других конструктивно технологических ограничений, принятых для данной технологии изготовления полупроводниковой ИМС.

 

Варианты изготовления диодов по биполярной технологии

В качестве диода можно использовать любой из двух р-n-переходов расположенных в изолирующем кармане: эмиттерный или коллекторный. Можно также использовать их комбинации. Поэтому по существу интегральный диод представляет собой диодное включение интегрального транзистора.


Пять возможных вариантов диодного включения транзистора показаны на рис. 6.5 и 6.6. В табл. 6.1 приведены типичные параметры этих вариантов. Для них приняты следующие обозначения: до черточки стоит обозначение анода, после черточки — катода; если два слоя соединены, их обозначения пишутся слитно. Из табл. 6.1 видно, что варианты различаются как по статическим, так и по динамическим параметрам.

Рис. 6.1. Интегральные диоды (диодные включения транзистора)

Рис. 6.2. Конструкции интегральных диодов

Таблица. 6.1.

Типичные параметры диодных структур

 







Date: 2015-07-23; view: 775; Нарушение авторских прав



mydocx.ru - 2015-2026 year. (0.402 sec.) Все материалы представленные на сайте исключительно с целью ознакомления читателями и не преследуют коммерческих целей или нарушение авторских прав - Пожаловаться на публикацию