Главная Случайная страница


Полезное:

Как сделать разговор полезным и приятным Как сделать объемную звезду своими руками Как сделать то, что делать не хочется? Как сделать погремушку Как сделать так чтобы женщины сами знакомились с вами Как сделать идею коммерческой Как сделать хорошую растяжку ног? Как сделать наш разум здоровым? Как сделать, чтобы люди обманывали меньше Вопрос 4. Как сделать так, чтобы вас уважали и ценили? Как сделать лучше себе и другим людям Как сделать свидание интересным?


Категории:

АрхитектураАстрономияБиологияГеографияГеологияИнформатикаИскусствоИсторияКулинарияКультураМаркетингМатематикаМедицинаМенеджментОхрана трудаПравоПроизводствоПсихологияРелигияСоциологияСпортТехникаФизикаФилософияХимияЭкологияЭкономикаЭлектроника






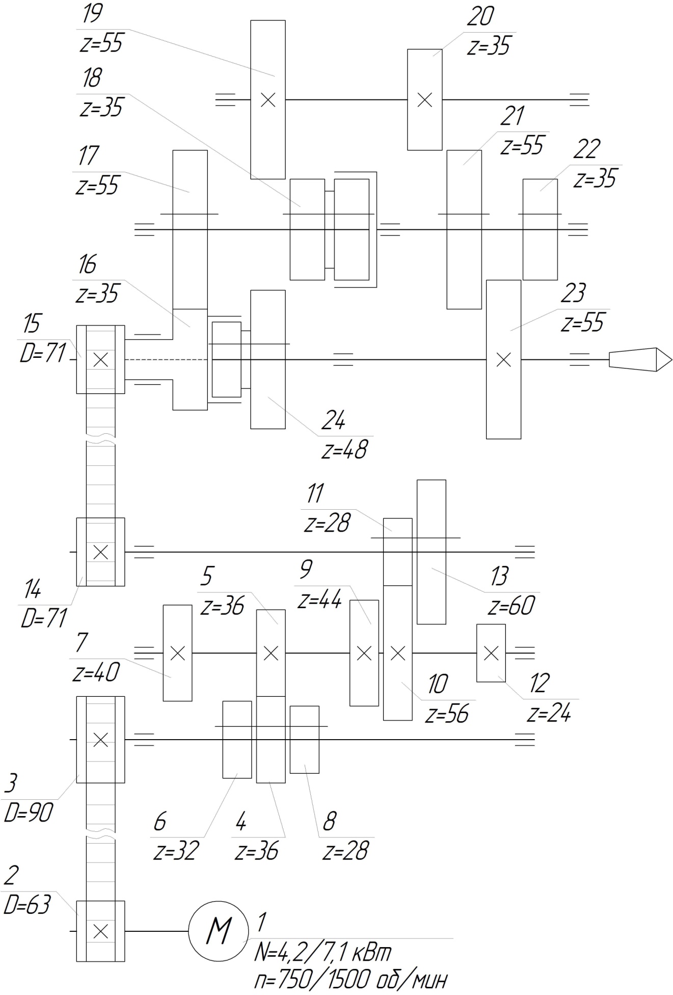
Определение передаточных отношений и расчет чисел шестерен (диаметра шкивов)





Сумму зубьев в группе следует принимать от 60 до 120, помня о том, что наименьшее число зубьев шестерни должно быть не меньше 18.

Исходя из графика скоростей проектируемого привода рис. 6 рассчитываем передаточные отношения.

Определяем диаметр ведущего шкива по уравнению:

В станкостроении для универсальных станков среднего типоразмера диаметры шкивов менее 63 мм нежелательны, примем минимальный диаметр по ГОСТ 1284.3-96, .

Диаметр ведомого шкива определяем по уравнению:

Принимаем ближайший диаметр по ГОСТ 1284.3-96 .

Найдем числа зубьев группы, передающей крутящий момент со II вала на III, методом наименьшего общего кратного:

k=18

Число зубьев шестерен передач подсчитывается по формуле:

; ;

 

; ;

;

; .

Найдем числа зубьев группы, передающей крутящий момент с III вала на IV:

k=21

7

Число зубьев шестерен передач подсчитывается по формуле:

 

; ;

;

 

Определяем диаметры шкивов, передающих крутящий момент с IV на V вал:

Принимаем диаметр шкива ,

Принимаем диаметр шкива

 

Числа зубьев пар шестерен, передающих крутящий момент с V вала на VI, с VI на VII, с VII на VIII и с VIII на IX найдем табличным методом:

Определяем передаточные отношения передач:

,

,

По таблице определяем , а , следовательно .

 

Таблица 1

 

D D2:D3 D14:D15 Z Z4:Z5 Z6:Z7 Z8:Z9 Z10:Z11 Z12:Z13 Z16:Z17 Z18:Z19 Z20:Z21 Z22:Z23
Диаметры шкивов 63:90 71:71 Число зубьев 36:36 32:40 28:44 56:28 24:60 35:55 35:55 35:55 35:55
i 0,7   i   0,8 0,64   0,4 0,64 0,64 0,64 0,64
      ΣZ                  

По результатам таблицы 1 проектируем кинематическую схему главного привода станка (рис. 7).

Рис. 7 Кинематическая схема главного привода проектируемо станка
1.6. Составление уравнений кинематического баланса и расчет действительных частот вращения шпинделя.

Составляем уравнения кинематического баланса для каждой из ветвей графика.

 








Date: 2015-07-10; view: 1417; Нарушение авторских прав



mydocx.ru - 2015-2026 year. (1.173 sec.) Все материалы представленные на сайте исключительно с целью ознакомления читателями и не преследуют коммерческих целей или нарушение авторских прав - Пожаловаться на публикацию