Главная Случайная страница


Полезное:

Как сделать разговор полезным и приятным Как сделать объемную звезду своими руками Как сделать то, что делать не хочется? Как сделать погремушку Как сделать так чтобы женщины сами знакомились с вами Как сделать идею коммерческой Как сделать хорошую растяжку ног? Как сделать наш разум здоровым? Как сделать, чтобы люди обманывали меньше Вопрос 4. Как сделать так, чтобы вас уважали и ценили? Как сделать лучше себе и другим людям Как сделать свидание интересным?


Категории:

АрхитектураАстрономияБиологияГеографияГеологияИнформатикаИскусствоИсторияКулинарияКультураМаркетингМатематикаМедицинаМенеджментОхрана трудаПравоПроизводствоПсихологияРелигияСоциологияСпортТехникаФизикаФилософияХимияЭкологияЭкономикаЭлектроника






Модель противоборства двух сторон





Имитационную модель, в которой продвижение модельного времени реализовано с фиксированным шагом, рассмотрим на примере огневого противоборства группировок A и В. Аналитическое моделирование такой операции мы рассмотрели в предыдущей теме. Однако мы снимаем условие многочисленности группировок, так как оно теперь несущественно.

Для начала, чтобы не загромождать алгоритм модели, введем два ограничения:

  • вероятность поражения цели одним выстрелом ;
  • вероятность одновременного поражения двумя средствами друг друга пренебрежимо мала.

Впоследствии мы убедимся, что в имитационной модели рассматриваемого боя эти ограничения могут быть сняты.

Моделирование проводится с целью определения средних численностей группировок на любой момент боя, в частности, на фиксированный момент времени .

Учебная задача состоит в том, чтобы изучить структуру конкретного алгоритма, в котором продвижение модельного времени реализовано с фиксированным шагом .

Введем обозначения:

- первоначальные численности группировок;

- текущие значения численностей группировок и соответственно;

- число оставшихся средств каждой из сторон в конце -го интервала моделирования (после -ой реализации модели);

- текущее число реализаций модели;

- заданное число реализаций модели случайного процесса;

- текущее время;

- длительность интервала моделирования;

- средние за реализаций модели численности оставшихся средств сторон в конце каждого интервала моделирования:

- переменные счета средств сторон и соответственно.

Идея построения имитационной модели состоит в реализации модели противоборства раз и фиксации остатков сторон после каждой реализации. По выполнении реализаций будут определены оценки численностей сторон .

Определим величину . На выбор величины влияют два противоречивых требования:

  • на протяжении отрезка времени не должно происходить много событий, так как они будут зафиксированы как одновременные, что исказит исследуемый реальный процесс;
  • на протяжении отрезка времени должно произойти хотя бы одно событие, иначе будет много "пустых" прогонов модели, что увеличит машинное время.

С учетом приведенных выше требований разобьем интервал моделирования на равные отрезки такие, чтобы каждое огневое средство любой из сторон могло выстрелить не более одного раза.

Например, скорострельность средств поражения стороны

, а средств стороны . Так как , то следует выбрать исходя из условия .

Алгоритм имитации противоборства сторон состоит из четырех модулей:

  • - установка начальных условий;
  • - продвижение модельного времени;
  • - формирование результата заданной точности;
  • - имитация противоборства сторон.

Блок-схема алгоритма имитации противоборства двух сторон показана на рис. 3.23.

Модуль установки начальных условий (). Он состоит из трех блоков 1… 3.

Блок 1 - установка начальных условий на весь процесс моделирования: число реализаций модели, интервал исследования , величина временного шага , установка в нуль ячеек

Блок 2 - установка начальных условий на очередную реализацию процесса: восстановление численностей сторон и исходного времени .

Блок 3 - установка начальных условий на очередной отрезок модельного времени: подготовка перебора средств

поражения каждой стороны.

Модуль продвижения модельного времени (). Состоит из двух блоков 4..5.

Блок 4 - продвижение модельного времени на очередной временной отрезок .

Блок 5 - проверка условия окончания очередной реализации модели .

Модуль формирования результата и обеспечения заданной точности (). Состоит из блоков 6…9.

Блок 6 - накопление суммы остатков средств каждой стороны за текущее количество интервалов моделирования (реализаций модели).


увеличить изображение
Рис. 3.23. Блок-схема алгоритма модели противоборства двух сторон

Блок 7 - счетчик числа реализаций модели ().

Блок 8 - осуществляет контроль над выполнением заданного числа реализаций модели. Число реализаций модели определяется, исходя из заданных точности и достоверности результатов моделирования.

Блок 9 - формирование конечного результата моделирования.

В данном случае - и .

При необходимости определяются и другие статистические характеристики.

Модуль имитации противоборства сторон (). Этот модуль - основной. Если структура предыдущих модулей, в общем-то, стандартна, то реализация данного модуля носит функционально-индивидуальный характер. Модуль включает блоки 10…25. Блок-схема алгоритма модуля представлена на рис. 3.24.


Каждое средство противоборствующих сторон идентифицируется его номером. Номера средств стороны - , средств стороны - .

Блок 10 - выбор очередного средства стороны : .

Блок 11 - проверка: все ли средства стороны получили право на выстрел? Если , то управление передается блоку 18 для имитации выстрелов средствами стороны . В противном случае управление передается блоку 12.

Блок 12 - проверка: боеспособно ли выбранное средство? Состояние средств сторон и определяют переменные и :

Если окажется , то управление передается блоку 10 для

выбора очередного средства стороны . Иначе - переход к блоку 13.

Блок 13 - выбор цели из средств стороны . Выбор цели может быть организован либо случайной, либо детерминированной процедурами. Самый простой способ: последовательная проверка средств стороны с выбором первого непораженного средства.

Блок 14 - проверка выбранной цели: не уничтожена ли она была на предыдущих этапах данной реализации модели? Если , то переход к блоку 13 для выбора непораженной цели.

Иначе - переход к блоку 15 для имитации выстрела.

Выстрел - одиночное событие со случайным исходом. Моделью такого события является известная нам конструкция из двух блоков 15 и 15.1.


увеличить изображение
Рис. 3.24. Блок-схема алгоритма модуля противоборства двух сторон

Блок 15 - обращение к ДСЧ за равномерно распределенным случайным числом .

Блок 15.1 - проверка результата выстрела. Если , цель поражена и управление передается блоку 16 для фиксации этого факта. Если , то промах и управление передается блоку 10 для выбора очередного стреляющего средства стороны .

Блок 16 - уменьшение числа средств стороны : и установка признака состояния пораженного средства: .

Блок 17 - не уничтожена ли вся группировка ? Если да, то данная реализация модели заканчивается и управление передается блоку 6 для фиксации оставшихся боеспособных средств стороны . Если нет, то управление передается блоку 10 для выбора очередного средства стороны и т. д.

После предоставления права на выстрел всем средствам стороны соответствующее право дается средствам стороны - переход из блока 11 в блок 18.

Функции блоков 18… 25 попарно одинаковы с функциями блоков 10…17, изменены только обозначения - вместо указано , вместо , вместо и т. д.

По окончании перебора всех средств стороны и, если не зафиксировано полное уничтожение средств стороны , управление передается блоку 3 для моделирования очередного скачка времени на величину .

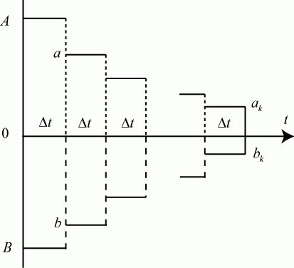
Примерная диаграмма изменения численностей сторон и в -й реализации на интервале показана на рис. 3.25.


Рис. 3.25. Диаграмма изменения численности сторон







Date: 2015-07-17; view: 500; Нарушение авторских прав



mydocx.ru - 2015-2026 year. (0.844 sec.) Все материалы представленные на сайте исключительно с целью ознакомления читателями и не преследуют коммерческих целей или нарушение авторских прав - Пожаловаться на публикацию