Главная Случайная страница


Полезное:

Как сделать разговор полезным и приятным Как сделать объемную звезду своими руками Как сделать то, что делать не хочется? Как сделать погремушку Как сделать так чтобы женщины сами знакомились с вами Как сделать идею коммерческой Как сделать хорошую растяжку ног? Как сделать наш разум здоровым? Как сделать, чтобы люди обманывали меньше Вопрос 4. Как сделать так, чтобы вас уважали и ценили? Как сделать лучше себе и другим людям Как сделать свидание интересным?


Категории:

АрхитектураАстрономияБиологияГеографияГеологияИнформатикаИскусствоИсторияКулинарияКультураМаркетингМатематикаМедицинаМенеджментОхрана трудаПравоПроизводствоПсихологияРелигияСоциологияСпортТехникаФизикаФилософияХимияЭкологияЭкономикаЭлектроника






Распределение токов и напряжения в параллельных ветвях





 


Так как начала всех сопротивлений сведены в одну общую точку, а концы - в другую, то очевидно, что разность потенциалов на концах любого из параллельно включенных сопротивлений равна разности потенциалов между общими точками.


Итак, при параллельном соединении сопротивлений напряжения на них равны между собой.


Если разветвление подключено непосредственно к зажимам источника тока, то напряжение на каждом из сопротивлений равно напряжению на зажимах источника.

 

Второе свойство цепи с параллельным соединением заключается в том, что электрический ток распределяется по параллельным ветвям обратно пропорционально их сопротивлениям.

Это значит что, чем больше сопротивление, тем меньше по нему пойдет ток.


Рассматривая точку разветвления А, замечаем, что к ней притекает ток I, а токи I1, I2, I3 утекают из нее. Так как движущиеся электрические заряды не скапливаются в точке, то очевидно, что суммарный заряд, притекающий к точке разветвления, равен суммарному заряду утекающему от нее:


Следовательно, третье свойство параллельного соединения может сформулирована так:

Величина тока в не разветвленной части цепи равна сумме токов в параллельных ветвях.


Техническое задание
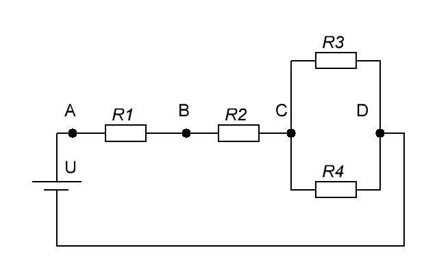
Собрать электрическую цепь (рисунок 1) смешанное соединение

Рисунок 1. Схема электрическая принципиальная.


Снять показания приборов и записать их в таблицу
Произвести расчеты
Ответить на контрольные вопросы
Сделать вывод

Работа в лаборатории

 

Собрать схему (Рисунок 2).


Рисунок 2. Схема исследования.

Установить на схеме величины R1=1 кОм + N, R2=2 кОм + N, R3=3 кОм + N и R4=4 кОм + N,
где N - номер студента по журналу (мощность резисторов более 1 Вт).
Включить источник и установить напряжение U=15 В, 24 В.
Определите экспериментально с помощью мультиметра (в режиме измерения сопротивлений) сопротивление между точками:







Date: 2015-05-22; view: 1707; Нарушение авторских прав



mydocx.ru - 2015-2026 year. (1.114 sec.) Все материалы представленные на сайте исключительно с целью ознакомления читателями и не преследуют коммерческих целей или нарушение авторских прав - Пожаловаться на публикацию