Главная Случайная страница


Полезное:

Как сделать разговор полезным и приятным Как сделать объемную звезду своими руками Как сделать то, что делать не хочется? Как сделать погремушку Как сделать так чтобы женщины сами знакомились с вами Как сделать идею коммерческой Как сделать хорошую растяжку ног? Как сделать наш разум здоровым? Как сделать, чтобы люди обманывали меньше Вопрос 4. Как сделать так, чтобы вас уважали и ценили? Как сделать лучше себе и другим людям Как сделать свидание интересным?


Категории:

АрхитектураАстрономияБиологияГеографияГеологияИнформатикаИскусствоИсторияКулинарияКультураМаркетингМатематикаМедицинаМенеджментОхрана трудаПравоПроизводствоПсихологияРелигияСоциологияСпортТехникаФизикаФилософияХимияЭкологияЭкономикаЭлектроника






Типовые графические задания





 

2.1 Получите графическое задание согласно своему номеру варианта и заданию преподавателя (см. таблицу 1). На чертеже представлена деталь в двух проекциях, в таблице приводятся данные для формирования изображения.

2.2 Откройте окно редактора переменных . При помощи команды создайте переменные, соответствующие данным для формирования изображения, представленным в задании.

2.3 Выполните построения в тонких линиях. При этом в качестве параметров линий построения задайте соответствующие переменные в окне свойств, соблюдая знак, удалив числовое значение. При построениях обязательно должна соблюдаться проекционная связь между элементами чертежа.

2.4 Выполните обводку чертежа линиями изображения, устанавливая в параметрах команды нужный тип линии.

2.5 Нанесите необходимую штриховку при помощи команды . Если в контур штриховки входят осевые или волнистые линии, то для автоматического поиска контура штриховки необходимо вызвать опцию и установить типы линий изображения, которые необходимо учитывать при определении контура штриховки.

2.6 Проставьте на чертеже размеры, присутствующие в задании, используя команду . При этом для создания буквенного обозначения размера необходимо в окне свойств размера в поле «Номинал» из выпадающего списка выбрать значение «Нет» и вписать на закладке «Строки» в поле «До:» букву для обозначения размера.

2.7 В параметрах документа установите формат чертежа А4. Подберите толщину линий, масштаб и шрифт.

2.8 Нанесите основную надпись. При заполнении основной надписи используйте данные, присутствующие в задании.

2.9 Нанести шероховатость поверхностей, указанных в задании, при помощи команды , и неуказанную шероховатость.

2.10 В технических требованиях чертежа поместить ссылку: *Размеры для справок.

 

СОДЕРЖАНИЕ ОТЧЕТА

 

После выполнения работы полученный файл сохраните с именем, соответствующим номерам практического занятия и варианта.

 

Вопросы для самоподготовки

1. Каким образом в системе T-flex CAD организуются параметрические зависимости между элементами чертежа?

2. Способы создания и редактирования переменной.

3. Принцип работы команды нанесения размеров.

4. Как можно проставить размер метрической резьбы на чертеже?

5. Как проставить размер фаски 2´45°/ 2 фаски?

6. Варианты простановки размеров между двумя узлами. Привести примеры.

Таблица 1 – Варианты заданий для практического занятия №4.

№ варианта Чертеж Данные для формирования изображения
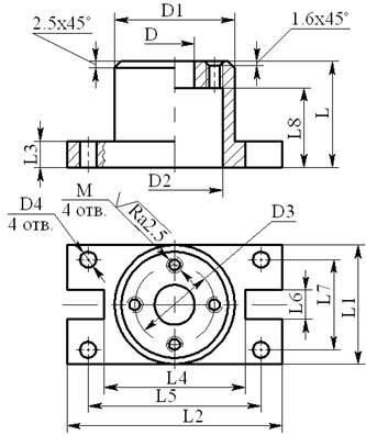
1. Параметры: L = 65; M = 16; L1 = 35; N = 4. Зависимые: D = 2*M; D1 = INT (0.9*M); D5 = M+2; L4 = INT (0.25*M); L3 = INT (0.5*L1); L2 = INT (0.7*L1); L5 = INT (0.2*L1); D3 = INT (0.15*L); D4 = INT (1.5*D); D2 = INT (D3/2); L6 = INT (0.1*L).  
Обозначение КТПМ.04.04.01
Материал Бр А9Мц2Л ГОСТ 493-79
Наименование Фланец
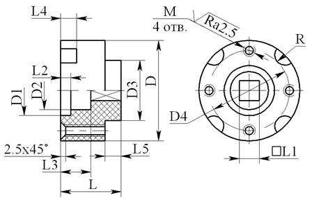
2.   Параметры: D = 80; M = 60´3; L = 55; D4 = 5. Зависимые: L1 = INT (0.8*L); L2 = 5; L4 = INT (0.1*L); L3 = INT (0.4*L); D1 = M-5 L5 = INT (0.6*M); D3 = INT (0.8*D); L7 = INT (0.75*D); N = 6 (8); D2 = INT (L5*0.4); L6 = INT (0.6*L). .
Обозначение КТПМ.04.04.02
Материал Сталь 45 ГОСТ1050-74
Наименование Втулка
         

Таблица 1 (продолжение)

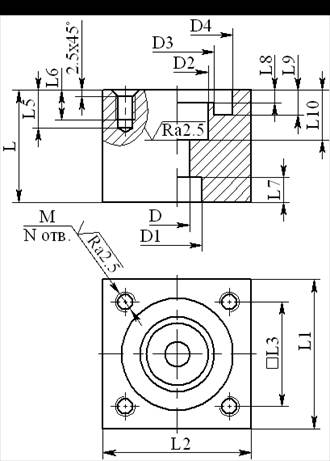
3. Параметры: L = 45; L1 = 60; M = 8; N = 4. Зависимые: L2 = L1; L3 = INT (0.7*L1); D = INT (L1/6); D1 = 2*D; D2 = INT (2.5*D); D3 = INT (L2/2); D4 = INT (1.5*D3); L10 = INT (0.45*L); L7 = INT (L10/2); L9 = L7; L8 = INT (L9/2); L6 = INT (1.5*M); L5 = L6+3.    
Обозначение КТПМ.04.04.03
Материал АЛ9 ГОСТ 2685–75
Наименование Основание
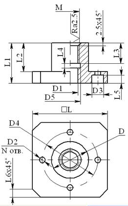
4.   Параметры: D1 =45; M = 6; L = 40; D4 = 6.   Зависимые: D = INT (D1/3); D2 = INT (0.8*D1); D3 = INT (D1*2/3); L3 = INT (L/4); L8 = INT (L*3/4); L1 = D1; L6 = INT (L7/3); L7 = INT (L1*3/4); L4 = INT (0.65*L2); L2 = INT (1.8*L1); L5 = INT (0.8*L2).  
Обозначение КТПМ.04.04.04
Материал Сталь 45 ГОСТ1050-74
Наименование Фланец

 


Таблица 1 (продолжение)

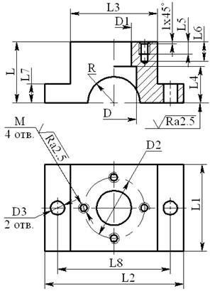
5. Параметры: L = 35; L3 = 50; D3 = 8; N =4; M = 6. Зависимые: L1 = L3; L2 = INT (1.6*L1); D = INT (0.52*L3); D1 = INT (0.4*L3); D2 = INT (0.7*L1); R = INT (0.75*D1); L8 = (L3+L2)/2; L4 = INT (0.6*L); L7 = INT (0.3*L); L5 = INT (0.2*L); L6 = INT (0.3*L).    
Обозначение КТПМ.04.04.05
Материал АЛ9 ГОСТ 2685–75
Наименование Накладка
6.   Параметры: M = 24; D1 = 5; L5 = 3; L = 35; D3 = 8. Зависимые: D2 = M+ 4; D = INT (0.75*M); L2 = INT (1.5*M); L7 = L2; L3 = INT (0.7*L2); L4 = INT (0.45*L); L9 = L3; L6 = INT (0.6*L); D4 = 2*D3; D5 = INT (1.6*D4); L1 = 2*L; L8 = INT (0.8*L1).    
Обозначение КТПМ.04.04.06
Материал Пресс–материал АГ–4в ГОСТ20437–75
Наименование Корпус

 



Таблица 1 (продолжение)

7.
Обозначение КТПМ.04.04.07
Материал Пресспорошок П6 ГОСТ 20437–75
Наименование Рукоятка Параметры: D = 50; L = 30; M = 6. D3 = INT (0.6*D); L5 = INT (0.25*L); L4 = INT (0.25*L); L3 = 0.5*L; L2 = INT (0.3*L3); D4 = INT (0.8*D); D1 = 0.5*D; D2 = INT (D1*3/4); L1 = INT (0.5*D2); R = INT (0.5*L1).
8.
Обозначение КТПМ.04.04.08
Материал Сталь 45 ГОСТ 1050-74
Наименование Шток Параметры: D =48; M = 20; L = 65; D1 = INT (0.75*D); L4 = INT (0.6*L); L6 = INT (0.25*L); L1 = INT (0.7*L); L5 = INT (0.17*D); L2 = INT (L1+5); D3 = INT (0.8*D1); D2 = INT (0.2*D); L3 = INT (0.9*D1).  
           







Date: 2015-04-23; view: 1097; Нарушение авторских прав



mydocx.ru - 2015-2026 year. (1.656 sec.) Все материалы представленные на сайте исключительно с целью ознакомления читателями и не преследуют коммерческих целей или нарушение авторских прав - Пожаловаться на публикацию