Главная Случайная страница


Полезное:

Как сделать разговор полезным и приятным Как сделать объемную звезду своими руками Как сделать то, что делать не хочется? Как сделать погремушку Как сделать так чтобы женщины сами знакомились с вами Как сделать идею коммерческой Как сделать хорошую растяжку ног? Как сделать наш разум здоровым? Как сделать, чтобы люди обманывали меньше Вопрос 4. Как сделать так, чтобы вас уважали и ценили? Как сделать лучше себе и другим людям Как сделать свидание интересным?


Категории:

АрхитектураАстрономияБиологияГеографияГеологияИнформатикаИскусствоИсторияКулинарияКультураМаркетингМатематикаМедицинаМенеджментОхрана трудаПравоПроизводствоПсихологияРелигияСоциологияСпортТехникаФизикаФилософияХимияЭкологияЭкономикаЭлектроника






Циклы поршневых двигателей внутреннего сгорания





Анализ круговых процессов показывает, что термический КПД цикла - основная характеристика эффективности двигателя, зависит от средней температуры рабочего тела в процессе подвода теплоты. Поэтому в качестве рабочего тела в двигателе используются продукты сгорания, полученные при сжигании жидкого или газообразного топлива. Поршневыми двигателями внутреннего сгорания (ДВС) называются двигатели, в которых топливо сжигается в цилиндрах, где возвратно-поступательно двигается поршень.

Несмотря на то, что цикл Карно имеет наивысший КПД, в реальных машинах он не реализуется. Дело в том, что цикл Карно, будучи сильно растянутым в координатах рv, связан с весьма большими значениями удельного объема и давления (рис. 43).

 

 

Рис. 43. Цикл Карно в координатах p - v

 

Отношение объема цилиндра к объему камеры сгорания = vc/va (эта величина в поршневых ДВС называется степенью сжатия), работающего по циклу Карно, достигает 400, а давление в
точке (а) = 280 – 300 МПа. Двигатель с такими параметрами нереален, ибо давление в цилиндрах современных ДВС редко превышает 10 МПа, а степень сжатия 16 – 18. Кроме того, работа, совершаемая в цикле Карно, очень мала и двигатель практически будет работать только для самообслуживания (на себя).

Для снижения давления в точке (а) и степени сжатия цикл видоизменяют: отвод теплоты осуществляют не по изотерме сd, а по изохоре c1d; подвод теплоты осуществляют не по изотерме ab, а по изохоре
a1 – b или по изобаре a2 – b. В соответствии с этими изменениями, из цикла Карно, как эталонного, получают два термодинамических цикла ДВС: цикл с подводом теплоты при постоянном объеме (цикл Отто) (рис. 43), состоящий из двух изохор и двух адиабат (a1-b-c1-d-a1) и цикл с подводом теплоты при постоянном давлении (цикл Дизеля), состоящий из изобары a2–b, изохоры с1d и двух адиабат bc1 и da2 (a2-b-c1-d- a2). Полученные циклы имеют КПД меньше, чем КПД цикла Карно. Однако, двигатели, которые работают по этим циклам, характеризуются меньшими потерями на трение и требуют более коротких цилиндров.

Работа поршневых ДВС обычно оценивается с помощью индикаторной диаграммы, которая показывает взаимосвязь давления и объема в цилиндре двигателя при движении поршня. При движении поршня от внутренней мертвой точки М1 к наружной мертвой точке М2 (рис. 44) клапан (I) открывается и в цилиндр двигателя засасывается заранее приготовленная в устройствах двигателя смесь воздуха и топлива (в карбюраторных двигателях) при давлении р1 (0а) (рис. 44).

 

 
 
Рис. 44. Теоретическая диаграмма цикла Отто

 

 


При движении поршня в обратном направлении клапаны I и II закрыты и смесь сжимается по адиабате аb до давления р2. Объем уменьшается до V0, равного объему камеры сгорания цилиндра. В точке M1 происходит воспламенение смеси от электрического разряда и, поскольку рабочая смесь уже заранее подготовлена и хорошо перемешана, она сгорает достаточно быстро и теоретически при постоянном объеме. Цикл Отто иногда называют циклом быстрого горения.

Выделившаяся теплота продуктов сгорания при v = idem вызывает резкое повышение давления и температуры в цилиндре (bс). Образовавшиеся продукты сгорания адиабатно расширяются (сd), совершая полезную работу. В точке М2 открывается выхлопной клапан II и продукты сгорания выбрасываются в атмосферу. Считают, что теоретически выхлоп осуществляется в процессе dа. Оставшиеся в цилиндре двигателя газы при атмосферном давлении р1 выталкиваются поршнем в атмосферу, когда он идет от точки М2 до точки М1 (а0). Затем цикл повторяется. Замкнутый контур a-b-с-d-а теоретически характеризует работу двигателя за один цикл при сгорании одной порции топлива. Эффективность циклов ДВС и факторов, влияющих на работу двигателей, удобно и наглядно оценивать в координатах p-v, ТS на базе анализа работы термодинамических циклов тепловых двигателей, хотя реальные двигатели и не работают по таким циклам (рис. 45).

 

 
 
Рис. 45. Цикл Отто в координатах p - v (а) и T - s (б)

 


Процесс (1–2) в цикле Отто характеризует адиабатное сжатие рабочего тела, процесс (2–3) - изохорный подвод теплоты q1, процесс (3–4) - адиабатное расширение и процесс (4–1) - изохорный отвод теплоты q2.

Полезная работа в цикле равна разности подведенной и отведенной теплоты и численно равна площади (1-2-3-4-1). Степень сжатия цикла весьма сильно влияет на КПД цикла. Чемвыше степень сжатия, тем выше КПД цикла. Действительно, если в цикле Отто сжатие вести до точки (2'), а подвод теплоты - по изохоре (2'3'), то цикл 1-2'-3'-4 будет иметь большую степень сжатия, чем исходный цикл (рис. 45). При этом увеличивается количество теплоты, подводимой к рабочему телу в цикле , при неизменном значении количества теплоты, отводимой от рабочего тела в цикле , что приведет к росту работы цикла, а, следовательно, и термического КПД цикла


 

. (320)

 

Это значит, что КПД цикла Отто растет с увеличением степени сжатия. Однако возможности повышения степени сжатия в цикле Отто в настоящее время практически исчерпаны. Степень сжатия в таких циклах равна = 10 – 12 и дальнейшее ее повышение невозможно из-за самопроизвольного воспламенения топливной смеси на линии сжатия до того, как поршень подойдет к внутренней мертвой точке M1. Самопроизвольное воспламенение топлива возможно из-за чрезмерного повышения температуры смеси в процессе сжатия.

Степень сжатия можно значительно увеличить, если в цилиндре двигателя сжимать не топливоздушную смесь, а чистый воздух, а необходимое количество топлива вводить в цилиндр в конце процесса сжатия, когда температура воздуха становится уже достаточно высокой ( 500 – 600 ºС), обеспечивая самовоспламенение впрыскиваемого топлива, исключая необходимость иметь запальное устройство. Такой идеализированный цикл называется циклом Дизеля или циклом медленного сгорания. Такое название связано с тем, что подача топлива, его перемешивание с воздухом и сам процесс сгорания требуют определенного времени. Цикл Дизеля состоит из процесса адиабатного сжатия (1–2), изобарного подвода теплоты (2–3), адиабатного расширения (3–4) и изохорного отвода теплоты (4–1) (рис. 46). Степень сжатия в двигателях, работающих по циклу Дизеля, составляет = 14 – 18.

 

а б

 
 
Рис. 46. Циклы Отто и Дизеля в координатах p-v (а) и T-s (б)

 

 


Сравним между собой циклы Отто и Дизеля при одинаковых параметрах точек (1) и (4) с помощью диаграммы Тs (рис. 46). Если в этих циклах будет одинаковая степень сжатия ε и одинаковое количество отводимой теплоты q2, то КПД цикла Отто будет выше КПД цикла Дизеля. Действительно, так как изохора в координатах Тs идет круче изобары, то количество теплоты q1, подводимой по изохоре (2–3'), будет больше количества теплоты, подводимой по изобаре (2–3). Следовательно, КПД цикла, определяемый уравнением ηt= 1- q2/q1, получается тем выше, чем больше величина q1 при постоянном значении q2.

Сравним теперь эти циклы при одинаковых максимально возможных давлениях в цилиндрах двигателя, что соответствует равенству максимальных температур в конце процесса сгорания топлива, когда общей у них оказывается не точка (2), а точка (3) (циклы 1-2'-3-4 и 1-2-3-4). Количество отведенной теплоты q2 в сопоставляемых циклах опять одинаково и определяется
площадью 1-4-6-5 (рис. 46 б). В этом случае количество теплоты q1, подводимой в цикле Дизеля по изобаре (2–3), будет больше, чем количество теплоты, подводимой в цикле Отто по изохоре (2'–3) и, следовательно, КПД цикла Дизеля, в условиях одинакового максимально возможного давления, больше, чем КПД цикла Отто.


Подачу топлива можно осуществлять так, что одна его часть будет сгорать при постоянном объеме, а другая – при постоянном давлении. Такой цикл называется циклом смешанного сгорания топлива или циклом Тринклера (рис. 47). Из сопоставления рассмотренных циклов видно, что циклы со сгоранием при постоянных объеме и давлении являются частными случаями смешанного цикла.

Из диаграммы (рис. 47) видно, что цикл со смешенным подводом теплоты занимает по эффективности промежуточное положение между циклами Отто и Дизеля как в условиях сравнения при одинаковой степени сжатия ε, так и при сравнении по условию одинакового максимального давления в цилиндре двигателя.

а б

 
 
Рис. 47. Цикл смешанного сгорания в координатах p - v (а) и T - s (б)

 

 


Выведем уравнение для определения термического КПД смешанного цикла. Количество подводимой теплоты на изохоре (2–3) равно , а в изобарном процессе (3–4) – . Количество отводимой теплоты q2 на изохоре (5–1) по абсолютной величине составляет . Следовательно, термический КПД цикла, определяемый как отношение полученной работы lц к количеству подведенной теплоты q1, равен

 

(321)

 

Сокращая на сvm и вынося Т1 и Т2 за скобку, получаем

 

. (322)

 

Рассмотрим следующие характеристики цикла: степень повышения давления в процессе подвода теплоты по изохоре λ = р3/p2 и степень расширения рабочего тела в процессе подвода теплоты по изобаре ρ = v4/v3. С учетом выражения для степени сжатия (ε = v1/v2) и уравнения состояния идеального газа (pv=RT) можно полуить следующие соотношения:

 

; . (323)

 

Используя уравнение адиабаты, соотношения температур Т5/T1 и Т1/T2 можно привести к следующему виду:

 

; ; . (324)

 

Подставляя соотношения (323 и 324) в выражение (322), находим

 

. (325)

 

Из уравнения (325) видно, что КПД цикла со смешанным подводом теплоты растет с увеличением ε и λ и с уменьшением ρ. Если ρ = 1, то цикл со смешанным подводом теплоты превращается в цикл Отто, термический КПД которого находится из соотношения

 

(326)

 

Если λ = 1, то смешанный цикл превращается в цикл Дизеля, термический КПД которого находится из выражения

 

. (327)

 

Анализ циклов поршневых ДВС позволяет сравнивать их между собой, определять перспективу повышения эффективности циклов, оценивать характер изменения эффективности циклов при изменении внешней нагрузки, степени сжатия и т. д.

 

Циклы газотурбинных установок (ГТУ)

Газотурбинной установкой принято называть такой двигатель, где в качестве рабочего тела используется неконденсирующийся газ (воздух, продукты сгорания топлива), а в качестве тягового двигателя применяется газовая турбина. Термин турбина происходит от латинского слова turbo – волчок.


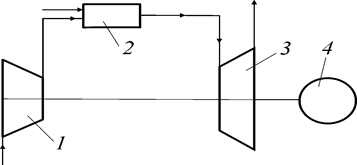
В отличие от поршневых ДВС, где процессы сжатия, подвода теплоты и расширения осуществляются в одном и том же цилиндре, в газотурбинных установках эти процессы происходят в различных элементах установки, в которые последовательно попадает поток рабочего тела (рис. 48).

 

 

Рис. 48. Принципиальная схема газотурбинной установки

 

Газотурбинная установка простейшей схемы работает следующим образом: наружный воздух поступает на вход компрессора (1), где сжимается по адиабате (1–2) до давления р2 (рис. 48, 49). После сжатия в компрессоре воздух поступает в камеру сгорания (2), куда одновременно подается
жидкое или газообразное топливо и происходит процесс сгорания
при (2–3). Образующиеся при сжигании топлива продукты сгорания поступают в газовую турбину (3), где расширяются по адиабате (3–4) практически до атмосферного давления р1. Отработавшие продукты сгорания выбрасываются в атмосферу (4–1). Работа, получаемая в газовой турбине, частично идет на привод компрессора (большая ее часть, примерно 2/3) и к потребителю (4) (компрессор, насос, генератор электрической энергии и т. п.).

а б

Рис. 49. Цикл газотурбинной установки с подводом теплоты при постоянном давлении в координатах p-v (а) и T-s (б)

В газотурбинных установках, так же как и в поршневых двигателях внутреннего сгорания, подвод теплоты к рабочему телу может осуществляться при постоянном давлении (цикл Брайтона) или при постоянном объеме (цикл Гемфри). В цикле Брайтона теплота подводится в непрерывном потоке сжатого воздуха, а в цикле Гемфри - в камере сгорания специальной конструкции, которая периодически отключается от газовой турбины, что вызывает пульсацию потока рабочего тела. Для снижения пульсаций в ГТУ, работающих по циклу Гемфри, устанавливаются несколько (6-12) камер сгорания. Несмотря на некоторое преимущество (более высокий КПД ГТУ при равной степени повышения давления сжатия в компрессоре), ГТУ с подводом теплоты при постоянном объеме пока не нашли практического применения главным образом из-за сложности конструкции камер сгорания и более низкой надежности.

Коэффициент полезного действия термодинамического цикла ГТУ с подводом теплоты при постоянном давлении (цикл Брайтона) определяется соотношением

 

(328)

 

Для газотурбинных установок в отличие от поршневых ДВС вместо степени сжатия вводят параметр, характеризующий степень повышения давления рабочего тела в компрессоре С = р21. Выразим отношение температур в выражении (328) через соотношение давлений сжатия для компрессора С, используя уравнения адиабаты для идеального газа, в виде следующей системы уравнений:

 

; . (329)

 

Поскольку р3 = р2, а р4 = р1, то T4/T1 = T3/T2. С учетом этого равенства и системы уравнений (329), выражение для определения термического КПД цикла Брайтона примет вид

 

. (330)

 

Из соотношения (330) следует, что КПД цикла Брайтона повышается с увеличением значения степени повышения давления рабочего тела в компрессоре С.

Эффективность цикла газотурбинной установки можно повысить, усложняя схему ГТУ, в частности введением регенерации теплоты отходящих газов (рис. 50).

а б

Рис. 50. Схема газотурбинной установки с регенерацией теплоты отработавших продуктов сгорания (а) и цикл этой установки в координатах T - s (б)

 

 

В ГТУ с регенерацией теплоты отходящих газов продукты сгорания после газовой турбины (4) перед их выбросом в атмосферу поступают в регенератор (2), где подогревают сжатый воздух, сжатый в компрессоре (1) перед его поступлением в камеру сгорания (3). Таким образом, при постоянной температуре газов перед турбиной Т 3 сжатый воздух после компрессора на участке (2 – а) изобары (2 – 3) подогревается отходящими из турбины газами и только на участке (а – 3) он нагревается за счет сжигания топлива. Площади 2-a-b-c и b-4-f-e характеризуют соответственно количество теплоты, подводимой к воздуху и отводимого от продуктов сгорания в процессе регенерации теплоты, что приводит к снижению количества подводимой теплоты, а работа цикла, определяемая площадью 1-2-3-4, остается без изменения. Это и приводит к увеличению КПД цикла ГТУ с регенерацией теплоты по сравнению с КПД ГТУ без регенерации теплоты отходящих газов.

 

 

ЛИТЕРАТУРА

1. Белоконь Н.И. Термодинамика. – М.: Госэнергоиздат, 1954. – 416 с.

2. Поршаков Б.П., Бикчентай Р.Н., Романов Б.А. Термодинамика и теплопередача (в технологических процессах нефтяной и газовой промышленности): Учебник для вузов. – М.: Недра, 1987. – 349 с.

3. Теплотехника: Учебник для втузов / А.М. Архаров, И.А. Архаров, В.Н. Афанасьев и др.; Под общ. Ред. А.М. Архарова, В.Н. Афанасьева. – 2-е изд., перераб. и доп. – М.: Изд-во МГТУ им. Н.Э Баумана, 2004. – 712 с.

 







Date: 2015-05-09; view: 2728; Нарушение авторских прав



mydocx.ru - 2015-2026 year. (2.199 sec.) Все материалы представленные на сайте исключительно с целью ознакомления читателями и не преследуют коммерческих целей или нарушение авторских прав - Пожаловаться на публикацию