Главная Случайная страница


Полезное:

Как сделать разговор полезным и приятным Как сделать объемную звезду своими руками Как сделать то, что делать не хочется? Как сделать погремушку Как сделать так чтобы женщины сами знакомились с вами Как сделать идею коммерческой Как сделать хорошую растяжку ног? Как сделать наш разум здоровым? Как сделать, чтобы люди обманывали меньше Вопрос 4. Как сделать так, чтобы вас уважали и ценили? Как сделать лучше себе и другим людям Как сделать свидание интересным?


Категории:

АрхитектураАстрономияБиологияГеографияГеологияИнформатикаИскусствоИсторияКулинарияКультураМаркетингМатематикаМедицинаМенеджментОхрана трудаПравоПроизводствоПсихологияРелигияСоциологияСпортТехникаФизикаФилософияХимияЭкологияЭкономикаЭлектроника






На интегральных цифровых микросхемах





Схема мультивибратора (рисунок 23) содержит элементы И – НЕ, в которых выход третьего элемента DD 3 (точка 8) через резистор R 4 соединен со входом первого элемента DD 1 (точка 4), а выход второго элемента DD 1.2 (точка 5) через конденсатор С 1 – со входом первого DD 1.1 (точка 4). Предположим, что в момент подключения источника питания устанавливается высокий потенциал точки 8 и низкий потенциал точки 4. В этом случае конденсатор будет заряжаться через резистор R 4 и выходную цепь элемента DD 1.2.

Через некоторый промежуток времени произойдет повышение потенциала точки 4 и переключение элементов DD 1.1DD 1.3.

 

 

+ E


R 1
R 3
DD 3
DD 2
DD 1
DD 1.4
DD 1.3
DD 1.2
DD 1.1
&
 
 
C 1
R 4
&
&
&

 

Рисунок 23 – Автоколебательный мультивибратор

на интегральных микросхемах

 

 

Потенциал точки 5 станет высоким, а потенциал точки 8 – низким. Конденсатор С 1 начнет разряжаться через резистор R 4 и выходную цепь элемента DD 1.3. Через определенный промежуток времени потенциал точки 4 понизится, опять произойдет переключение элементов. Такие переключения будут повторяться через определенный промежуток времени, который зависит от сопротивления резистора и емкости конденсатора. Поскольку переключения происходят быстро, на выходе схемы появляются импульсы прямоугольной формы положительной полярности. Ориентировочно частота следования может быть определена как

 

F = .

 

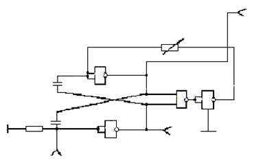
На рисунке 24 приведена более сложная схема автоколебательного мультивибратора, в которой элемент И на выходе реализован с помощью двух элементов И – НЕ DD 2.3 и DD 2.4. При единичных выходах на элементах DD 2.1

DD 2.2 на выходе DD 2.3 будет потенциал 0, на выходе DD 2.4 – 1. На вход DD 2.1 поступает высокий уровень напряжения, который приводит к открытию элемента DD 2.1 и возникновению режима автоколебаний.

Если на один из входов DD 2.3 поступает сигнал 0, то на выходе DD 2.3 будет 1, а на выходе DD 2.4 – 0, т. е. резистор как бы заземлен и мультивибратор работает в нормальном режиме.

 

Рисунок 24 – Улучшенная схема мультивибратора на интегральных микросхемах
DD 2.1
DD 2.3
DD 2.4
DD 2.2
R 2
R 5
C 2
C 3
&
&
&
&

 

 


Изменение скважности формируемых импульсов осуществляется выбором конденсаторов различной емкости. При этом работоспособность мультивибратора сохраняется при скважности, близкой к 20. Разработка мультивибраторов рассматриваемой разновидности при заданном типе интегральных схем сводится к выбору резисторов и конденсаторов С 2 и C 3.

При выбранном значении резисторов емкости конденсаторов С 2 и С 3 определяются однозначно, исходя из заданной длительности генерируемых импульсов. Режим мультивибратора, когда оба элемента DD 2.1 и DD 2.2 закрыты, осуществляется в схеме путем подачи положительного смещения (режим, когда оба элемента открыты, невозможен благодаря применению относительно малых сопротивлений резисторов).

Положительное смещение на входы элементов DD 2.1 и DD 2.2 можно создать автоматически, если учесть, что это смещение должно быть подано только в том случае, когда на выходах обоих элементов DD 2,1 и DD 2,2 высокие уровни напряжения, и должно быть отключено, когда мультивибратор работает нормально (один элемент закрыт, а другой – открыт), т. е. достаточно использовать на выходе мультивибратора логический элемент И.







Date: 2015-05-04; view: 751; Нарушение авторских прав



mydocx.ru - 2015-2026 year. (0.581 sec.) Все материалы представленные на сайте исключительно с целью ознакомления читателями и не преследуют коммерческих целей или нарушение авторских прав - Пожаловаться на публикацию