Главная Случайная страница


Полезное:

Как сделать разговор полезным и приятным Как сделать объемную звезду своими руками Как сделать то, что делать не хочется? Как сделать погремушку Как сделать так чтобы женщины сами знакомились с вами Как сделать идею коммерческой Как сделать хорошую растяжку ног? Как сделать наш разум здоровым? Как сделать, чтобы люди обманывали меньше Вопрос 4. Как сделать так, чтобы вас уважали и ценили? Как сделать лучше себе и другим людям Как сделать свидание интересным?


Категории:

АрхитектураАстрономияБиологияГеографияГеологияИнформатикаИскусствоИсторияКулинарияКультураМаркетингМатематикаМедицинаМенеджментОхрана трудаПравоПроизводствоПсихологияРелигияСоциологияСпортТехникаФизикаФилософияХимияЭкологияЭкономикаЭлектроника






Преобразователь сопротивление – напряжение





Для получения линейной зависимости напряжения от сопротивления преобразователя сопротивление – напряжение резистивный датчик запитывается от источника тока. Если резистивный датчик удален от источника тока или усилителя, то для устранения влияния соединительных проводов используются мостовые схемы, в которых частично или полностью устраняется (компенсируется) влияние сопротивления соединительных проводов, а также начальное сопротивление датчика.

a) Преобразователь, включенный с датчиком в цепь ООС.

U+=

U+=U-

 

Rx=Ro·(1+α·t)=Ro+ΔR

Rп<<R Ro=R

b) Преобразователь, включенный с датчиком в цепь ОС с источником тока.

Пренебрегаем:

 
 


Rп – последовательно с ИТ

Rп2 – последовательно с Rвх ОУ

Rп4=Rп4/к

Rп3 – перед повторителем

 

Uвых=Iоп·Rх+Еоп

Еоп=I·Ro

Uвых=-I·Ro·α·t°C

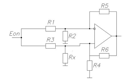
c) С датчиком, включенным в плечо моста.

, значит

 
 


Т.к. R1=R3=R4=R

R2=R+ΔR то

d) С датчиком, включенным в плечо моста, но с ИТ.

R2=R+ΔR

=>

R1=R3=R4=R

 

ΔR=R·α·t°C => Uвых=Iоп·(R5+Rп4)·α·t°C

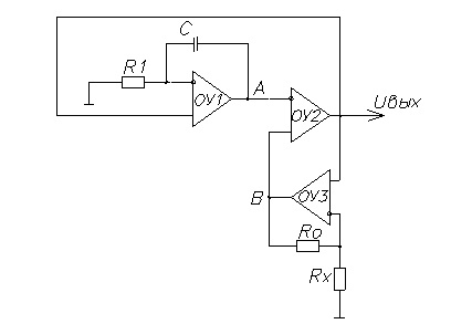
Для устранения влияния емкости проводов можно использовать мостовую схему с короткозамкнутой выходной диагональю (так называемый

квазиуравновешенный мост). В этой схеме потенциал т. А поддерживается равным 0 с помощью ОУ1, а потенциал т. Б поддерживается равным 0 за счет ООС ОУ2. Поскольку напряжение в измерительной диагонали примерно равно 0, то и влияние емкостей, подходящих к измерительной диагонали, будет несущественным. Сопротивления Rп2 и Rп5 не оказывают влияния, т.к. они включены последовательно с высокоомным входом ОУ1.

 

Rпз включено последовательно с выходом ОУ1 и охвачено ООС поэтому не оказывает существенного влияния.

Д) С линеаризованной характеристикой.

R1 = R2 = R3 =R

Rx = R+ R

Условие линейности:

Условие равновесия моста:

 

Е) Четырехзажимная схема.

 

Rг >> Rп.

 

U1 = U2

 

Ж) Преобразователь сопротивление­-частота.

 

 

 

 

= R1*C1

 

 







Date: 2015-09-22; view: 1952; Нарушение авторских прав



mydocx.ru - 2015-2026 year. (0.808 sec.) Все материалы представленные на сайте исключительно с целью ознакомления читателями и не преследуют коммерческих целей или нарушение авторских прав - Пожаловаться на публикацию