Вещественные и мнимые корни знаменателя (метод Фостера)
Пусть в уравнении (6.2) F (p) представляет входное операторное сопротивление двухполюсника, . Далее предположим, что все коэффициенты в (6.2) вещественны и положительны. Рассмотрим, как могут быть реализованы отдельные члены (6.2).
Слагаемое реализуется с помощью катушки с индуктивностью , т.к. операторное сопротивление для нее равно .
Слагаемое реализуется резистором с активным сопротивлением . Слагаемое реализуется с помощью участка цепи, показанного на рис. 6.2.
Слагаемое реализуется участком цепи, приведенном на рис. 6.3.
Таким образом, для конкретного случая можно записать . Данное выражение соответствует цепи, показанной на рис. 6.4.
Пусть в соотношении (6.2) F (p) выражает входную операторную проводимость, . Тогда слагаемое реализуется с помощью конденсатора , т.к. операторная проводимость для него .
Слагаемое реализуется участком цепи с активной проводимостью .
Слагаемое реализуется участком цепи, который показан на рис. 6.5,
т.к. операторная проводимость для него равна
.
Слагаемое реализуется участком цепи (рис. 6.6),
т.к. его операторная проводимость определяется следующим выражением .
Таким образом, для конкретного случая можно записать 
и в соответствии с этим выражением имеем следующую цепь (рис. 6.7).
В некоторых частных случаях при отрицательном значении возможна реализация с помощью выражения (6.2), если - достаточно большая величина
.
Если , то слагаемое реализуется в виде схемы (рис. 6.8)
либо в виде схемы, показанной на рис. 6.9.
Дробь в случае реализуется участком цепи (рис. 6.10), т.к. для него
.
В случае эта дробь реализуется следующей цепью (рис. 6.11).

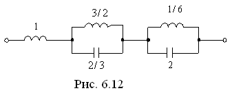
Рассмотрим пример реализации . Принято сопротивление R, , , и частоту выражать в относительных единицах, для того чтобы коэффициенты полиномов были небольшими.
Пусть .
Знаменатель имеет только мнимые корни , .
Поэтому , ; .
Кроме того, (в этом убеждаемся, положив p = 0 в выражении для ).
; .
Аналогично получаем 
Таким образом, параметры схемы (рис. 6.12), реализуют заданную функцию .
Где ; ; ; ; .
Рассмотрим теперь операторную проводимость 
.
В данном случае , т.к. - правильная дробь.
; ; 
имеем схему, показанную на рис. 6.13,
где ; ; ; ; .
6.4. Реализация входных функций двухполюсника, имеющих только мнимые корни знаменателя
Если знаменатель входных функций и имеет только мнимые корни, то соответствующая цепь состоит только из реактивных элементов. Поэтому в выражении (6.2) должны отсутствовать члены и , т.к. при их реализации должны быть использованы активные сопротивления. В соответствии со сказанным должна иметь вид:
.
Отсюда видно, что если все , то будет полным полиномом от четных степеней , т.е. полиномом, содержащим все, без пропуска, четные показатели от 0 до “ m ”. При этом будет полным полиномом нечетных степеней. Учитывая это, запишем
,
где m – четное число.
Значение p = 0 является нулем . Если один из корней равен нулю, то . При этом, сокращая числитель и знаменатель на , получим - полином четных степеней, - полином нечетных степеней.
Для возможности реализации в виде электрической цепи, состоящей из реактивных элементов, необходимо, чтобы она удовлетворяла указанным выше требованиям, а именно: степени полиномов и должны отличаться друг от друга на единицу; нули и полюсы должны чередоваться, т.е.
, .
Если эти условия выполнены, то возможна реализация . Существуют различные методы реализации.
Метод Фостера заключается в представлении в виде выражения (6.2). Цепи, реализующие каждое слагаемое в (6.2), были рассмотрены выше.
Неудобство метода – необходимость определения корней знаменателя.
В методе Кауэра необходимость в определении корней знаменателя отпадает. Суть этого метода состоит в постепенном выделении частей вида или сначала из , а затем из остатков после выделения предыдущей части, с последующей реализацией выделяемых частей в виде индуктивной катушки или конденсатора.
Пусть имеет полюс . Это означает, что степень полинома числителя на единицу больше степени полинома знаменателя. Предположим . Разделив числитель и знаменатель, выделяем целую часть . Получаем
.
В степень полинома в знаменателе на единицу больше. Следовательно, обратная функция имеет степень числителя на единицу больше степени знаменателя. Следовательно
.
По аналогии далее получаем .
Эту процедуру продолжаем до тех пор, пока остаток не будет равен нулю. В соответствии с такой операции можно представить в виде цепной дроби
.
Отсюда видно, что можно реализовать с помощью схемы (рис. 6.14).

Если k – четное (k – показатель числителя), то цепь будет выглядеть, как показана на рис. 6.15, если k – нечетное, то – как на рис. 6.16.


Если и степень полинома на единицу больше степени полинома , то, поступая аналогично, получили бы для случая k – четное цепь, показанную на рис. 6.17, или для k – нечетное – цепь, представленную на рис. 6.18.

Если степень числителя «n» меньше степени знаменателя на единицу, то, добавив в числителе член с , можно формально пользоваться тем же методом. Однако в данном случае будет , т.е. в схемах рис. 6.15-6.16 будем иметь , а в схемах рис. 6.17-6.18 .
Рассмотрим теперь случай, когда имеет полюс . Это означает, что полином знаменателя нечетной степени, а полином числителя четной степени, при этом степень полинома знаменателя на единицу меньше степени полинома числителя. В этом случае постепенно выделяется , и получаемая при этом цепная дробь имеет вид:
.
Пример.
Имеется входная функция цепи .. Необходимо построить схему цепи.
Представим функцию цепи в виде ,
где ; .
Найдем проводимость ; ,
где .
; ,
где ; .
Таким образом, имеем следующие параметры цепи: ; ; ; ; и схему (рис. 6.19)

6.5. Реализация входной функции, имеющей комплексные
корни
Пусть числитель и знаменатель имеют комплексные корни. Для реализации используем метод Бруне. Согласно этому методу приведем к виду минимального активного сопротивления, т.е. к виду ,где 
Для определения частоты , при которой , найдем вещественную часть .
Вещественная часть при , т.е. определяется следующим образом. Эта часть, как рациональная дробь, должна иметь члены с четными показателями относительно , т.к. только в этом случае при функция будет вещественной. Поэтому представим в виде суммы рациональных дробей, состоящих из членов с четными и нечетными показателями.
. Так как , то, умножив числитель и знаменатель на , получим
,
где .
Согласно этой формуле для рассматриваемого случая имеем
.
Возьмем производную и определим экстремумы функции
.
Отсюда находим . Этой частоте соответствует .
Таким образом, имеем .
При имеем , где . Тогда можно представить в виде (соответствующая схема цепи показана на рис. 6.20), где .
При имеем , ,
где ; .
Поэтому .
Реализация выполняется ранее изложенным методом в виде последовательной цепи из и , а реализация - в виде последовательной цепи из и , т.к. .
Результирующая цепь, соответствующая входной функции , приведена на рис. 6.21.
Отрицательную индуктивность можно реализовать введением в цепь трансформатора с коэффициентом связи .
Date: 2015-09-17; view: 774; Нарушение авторских прав | Понравилась страница? Лайкни для друзей: |
|
|