Главная Случайная страница


Полезное:

Как сделать разговор полезным и приятным Как сделать объемную звезду своими руками Как сделать то, что делать не хочется? Как сделать погремушку Как сделать так чтобы женщины сами знакомились с вами Как сделать идею коммерческой Как сделать хорошую растяжку ног? Как сделать наш разум здоровым? Как сделать, чтобы люди обманывали меньше Вопрос 4. Как сделать так, чтобы вас уважали и ценили? Как сделать лучше себе и другим людям Как сделать свидание интересным?


Категории:

АрхитектураАстрономияБиологияГеографияГеологияИнформатикаИскусствоИсторияКулинарияКультураМаркетингМатематикаМедицинаМенеджментОхрана трудаПравоПроизводствоПсихологияРелигияСоциологияСпортТехникаФизикаФилософияХимияЭкологияЭкономикаЭлектроника






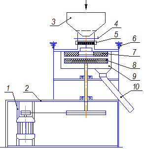
Изучение устройства и принципа работы. Лабораторная крупорушка МШ-1 с абразивными дисками предназначена для снятия плодовых оболочек с зерна гречихи и проса (рис





Лабораторная крупорушка МШ-1 с абразивными дисками предназначена для снятия плодовых оболочек с зерна гречихи и проса (рис. 1.16.1).

Машина состоит из электродвигателя 1, смонтированного на раме 2, приемного бункера 3 с заслонкой 4 и клапаном-дозатором 5, рабочих органов с подвижным и неподвижным абразивными дисками, снабженных устройством 6 для регулировки рабочего зазора и размещенных в корпусе 8, а также выходного патрубка для обработанного зерна.

Предварительно откалиброванное зерно засыпается в приемный бункер 3, оттуда через отверстия заслонки 4 и отверстия в клапане-дозаторе 5 попадает на вращающийся нижний рабочий орган - шлифовальный круг 8 и с помощью центробежной силы затаскивается в зазор между горизонтально расположенным верхним неподвижным 7 и вращающимся 8 шлифовальными кругами.
Величина зазора устанавливается гайками устройства 6 и зависит от величины фракции обрабатываемого зерна. При прохождении зерна между шлифовальными кругами 7 и 8 происходит разрушение оболочки зерна. Перемещаясь от центра к периферии круга, зерно освобождается от шелухи и попадает в выходной патрубок 10.

 

Рис 1.16.1 Схема лабораторной крупорушки МШ-1 с абразивными дисками:

1 - электродвигатель; 2 - рама; 3 - бункер приема зерна; 4 - заслонка; 5 - клапан-дозатор; 6 - устройство регулировки рабочего заслона; 7 - неподвижный абразивный диск; 8 - подвижный абразивный диск; 9 - корпус; 10 - выходной патрубок обработанного зерна

 

Разрушение покровного слоя оболочки происходит за счет того, что напряжение на сжатие в зоне воздействия превышает предел упругой деформации оболочки зерна.

 







Date: 2015-07-22; view: 1140; Нарушение авторских прав



mydocx.ru - 2015-2026 year. (0.442 sec.) Все материалы представленные на сайте исключительно с целью ознакомления читателями и не преследуют коммерческих целей или нарушение авторских прав - Пожаловаться на публикацию