Главная Случайная страница


Полезное:

Как сделать разговор полезным и приятным Как сделать объемную звезду своими руками Как сделать то, что делать не хочется? Как сделать погремушку Как сделать так чтобы женщины сами знакомились с вами Как сделать идею коммерческой Как сделать хорошую растяжку ног? Как сделать наш разум здоровым? Как сделать, чтобы люди обманывали меньше Вопрос 4. Как сделать так, чтобы вас уважали и ценили? Как сделать лучше себе и другим людям Как сделать свидание интересным?


Категории:

АрхитектураАстрономияБиологияГеографияГеологияИнформатикаИскусствоИсторияКулинарияКультураМаркетингМатематикаМедицинаМенеджментОхрана трудаПравоПроизводствоПсихологияРелигияСоциологияСпортТехникаФизикаФилософияХимияЭкологияЭкономикаЭлектроника






Билет №13





 

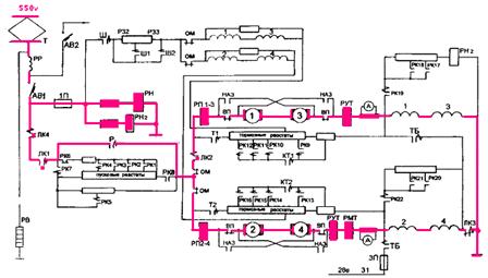
1. Характеристика работы силовой схемы вагона типа ЛВС-86К и аппаратов схемы управления на позиции «Х1»?

Позиции «Х1», «Х2» - позиции автоматического пуска с реостатным регулированием скорости с последующим выходом на автоматическую характеристику только последовательного возбуждения тяговых двигателей.

1) Реостатное регулирование скорости производится за счёт выведения ступеней пусковых реостатов групповым реостатным контроллером под контролем РУТ. Поз. «Х1» Ток уставки РУТ - 100А; Поз. «Х2» Ток уставки РУТ -160А.

2). При завершение выведения ступеней пусковых реостатов производится их полное шунтирование контактором Р и отключение контактором Ш шунтовых обмоток возбуждения. При этом тяговые двигатели выходят на автоматическую характеристику последовательного возбуждения. Тяговые двигатели подключены к контактной цепи линейными контакторами при полностью выведенных пусковых реостатах и работаю в магнитном поле возбуждении только сериесных обмоток.

 

 

2. Назначение РН-1 на вагоне типа ЛМ-68М. Контрольные признаки отключения РН-1. Возможные причины и действия водителя по их устранению?

РН защищает ТЭД от резкого падения или исчезновения высокого напряжения. Подготавливает цепь аварийного тормоза. Это реле минимальное. Уставка РН—350 В. Защищено предохранителем 1П (15 А).

Проверить работу РН можно выключив АВ-1: должен звенеть звонок, гореть на пульте лампа «Напряжение сети», в салоне включится аварийное освещение. При постановке контроллера на «Т1» включается цепь аварийного тормоза (защищена 3П [125 А]), на вольтметре разряд 80 А.

 

3. В каких случаях неисправный поезд может быть направлен в парк своим ходом?

При неисправности одного из видов тормозов;

При неисправности одной группы ТЭД

При отсутствии стяжного болта

При неисправности песочниц

При повреждении токоприёмника, при условии движения без повреждения КС

При неисправности освещения салона

При неисправности ПБ

При неисправности рессоры

При неисправных МГ (при условии нормального заряда АБ) и МК

При неисправности дверей и их привода

 

4. Правила проезда спецчастей контактной сети?

При проезде электрической (автоматической) стрелки с добавочными проводами, водитель обязан соблюдать следующие правила:

- при подъезде к добавочным проводам снизить скорость до 5 км/час;

- не въезжать под добавочные провода до тех пор, пока впереди идущий вагон (поезд) не пройдет стрелку всеми колесными парами;

- не въезжать под добавочные провода, если на стрелке работают люди;

- не въезжать под добавочные провода, пока не погаснет блокировочный фонарь;

- при проезде под добавочными проводами поездом, управляемым по СМЕ (системе многих единиц), оба пантографа должны пройти добавочные провода «под током» или «без тока».

При проезде под добавочными проводами автоматической стрелки:

- скорость движения не более 5 км/час;

- для проезда стрелки вправо, включить контроллер водителя под добавочными проводами на маневровую позицию;

- для движения налево выключить контроллер водителя (позиция «0»).

- Запрещается остановка поезда под добавочными проводами, входными и выходными блок–контактами. При вынужденной остановке (токоприемник вагона находится под добавочными проводами) необходимо немедленно отключить высоковольтные цепи вагона (АВ-1, АВ-2) и опустить токоприемник.

При проезде стрелок, управляемых с централизованных постов (ЦПУ), водитель обязан соблюдать следующие правила:

- при подъезде к стрелке снизить скорость движения до 5 км/час;

- не въезжать под входные контакты блокировки на время ожидания сигнала светофора или регулировщика, а также, если впереди идущий вагон (поезд) не прошел выходные контакты блокировки;

- расстояние за впереди идущим поездом должно быть не менее 30 метров.

Проезд троллейбусных пересечений, участковых разделов (изоляторов) производить с выключенным контроллером водителя со скоростью, исключающей возможность остановки под ними (не менее 5 км/час).

 

5. Правила техники безопасности при работе на крыше вагона на линии и в депо?

Водителям запрещается проведение работ на крыше вагона

 

Убедиться, что высота подвески провода позволяет находиться на крыше (запрещается: под мостами, спецчастями контактной сети и т. д.)

Выключить все цепи, отключить автоматы, опустить токоприёмник (убедиться, что он сел на крюк), закрепить верёвку.

Подниматься только по лестнице.

Работать в диэлектрических перчатках.

Ходить по резиновым коврикам.

Не касаться токоведущих частей.

 







Date: 2015-07-22; view: 1305; Нарушение авторских прав



mydocx.ru - 2015-2026 year. (1.955 sec.) Все материалы представленные на сайте исключительно с целью ознакомления читателями и не преследуют коммерческих целей или нарушение авторских прав - Пожаловаться на публикацию