Главная Случайная страница


Полезное:

Как сделать разговор полезным и приятным Как сделать объемную звезду своими руками Как сделать то, что делать не хочется? Как сделать погремушку Как сделать так чтобы женщины сами знакомились с вами Как сделать идею коммерческой Как сделать хорошую растяжку ног? Как сделать наш разум здоровым? Как сделать, чтобы люди обманывали меньше Вопрос 4. Как сделать так, чтобы вас уважали и ценили? Как сделать лучше себе и другим людям Как сделать свидание интересным?


Категории:

АрхитектураАстрономияБиологияГеографияГеологияИнформатикаИскусствоИсторияКулинарияКультураМаркетингМатематикаМедицинаМенеджментОхрана трудаПравоПроизводствоПсихологияРелигияСоциологияСпортТехникаФизикаФилософияХимияЭкологияЭкономикаЭлектроника






Расположения и шероховатости поверхности





Общие требования при назначении допусков формы и расположе­ния даны в подразделе 5.1.3, а шероховатости поверхности — в разделе 3.4.

При выборе допусков формы и расположения на детали типа ва­лов все требования можно разделить на три группы.

Группа 1 связана с установкой подшипников качения — наиболее ответственных, точных и сложных изделий (назначение требований производится в соответствии с разделом 3.2) либо с созданием не­обходимых условий для работы подшипников скольжения (назначе­ние требований производится в соответствии с разделом 3.3).

Группа 2 — это группа требований, которые связаны с обеспече­нием точности зацеплений в зубчатых и червячных передачах.

Группа 3 — группа требований, ограничивающих неуравновешенность деталей.

При назначении допусков взаимного расположения различных элементов вала прежде всего необходимо выбрать базы, относительно которых они будут задаваться. В качестве баз следует всегда стремиться выбирать конструкторские базы, т. е. те поверхности, которые определяют по­ложение вала в механизме.

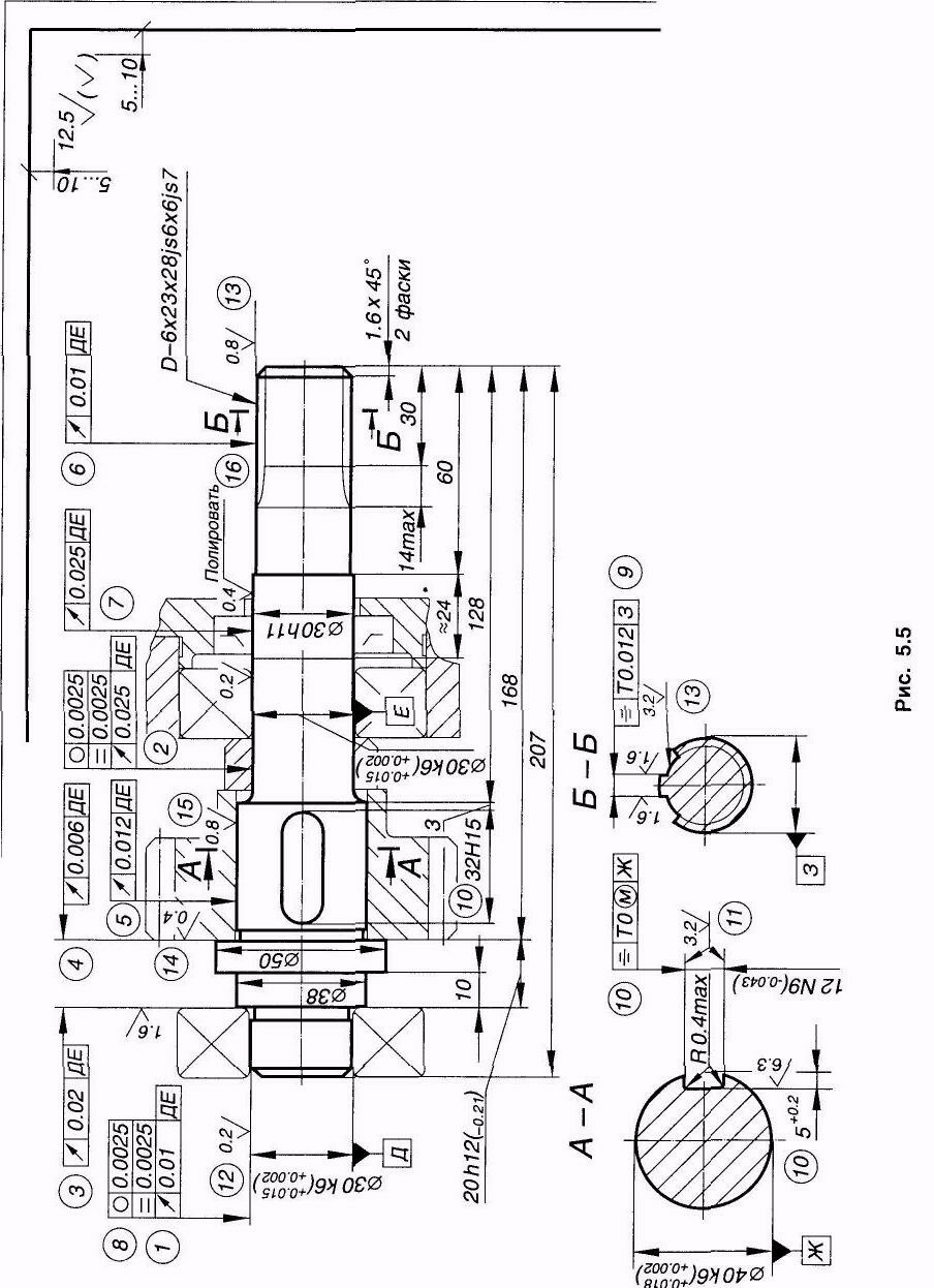
На рис. 5.5 приведена схема установки вала в механизме. Рабочей осью вала является ось, проходящая через середины посадочных поверхностей подшипников качения, которая и определя­ет положение вала. Поэтому в качестве базы используется общая ось двух шеек, обозначенная на рис. 5.5. буквами ДЕ..

Позиция 1. Допуск радиального биения посадочной поверхности для левого подшипника относи­тельно общей оси. Рекомендуется назначать вместо соосности, так как контроль данного парамет­ра осуществляется значительно проще, чем измерение соосности.

Назначение технического требования — обеспечение качественной работы подшипника ка­чения.

Радиальное биение определяется с учетом суммарного допустимого угла взаимного перекоса колец подшипника (см. разд. 3.2):

где =8' — допустимый угол взаимного перекоса колец подшипника № 306 класса точности О (см. табл. 3.8);

— угол, вызванный отклонением от соосности посадочной поверхности вала относительно общей оси;

= 1.5' — допустимый угол перекоса, вызванный торцовым биением заплечика вала (см. табл. 3.9);

— угол наклона упругой линии вала под действием нагрузки;

— угол, вызванный отклонением от соосности посадочной поверхности отверстия;

= 1.5' — допустимый угол, вызванный торцовым биением заплечика отверстия либо базовым торцом крышки подшипника (см. табл. 3.10).

Допускается принять:

= =

Величина отклонения от общей оси (рис. 5.6):

где k = ? 0.00029 — коэффициент перевода минут в радианы;

= 19 мм — длина правой шейки под подшипник;

= 0.5 • 0.00029 • 19 • 1.67 = 0.0046 мм;

=2? = 2 • 0.0046 = 0,0092 мм. Допуск на радиальное биение выбирается из соответствующей таблицы ГОСТ 24643—81:

TCR = 10 мкм.

Примечание. Следует помнить, что радиальное биение включает в себя и погрешность формы, поэтому допуск формы не должен быть по крайней мере больше .

В тех случаях, когда допуск формы больше, чем значение , допуск формы следует ужесточить. В нашем случае TFK = 2.5 мкм (см. позицию 8), что удовлетворяет высказанному условию.

Позиция 2. Допуск радиального биения посадочной поверхности для правого подшипника относи­тельно общей оси.

Радиальное биение определяется по такой же методике, как и в позиции 1. Только в данном случае необходимо учесть еще угол — угол, вызванный отклонением от соосности базовых по­верхностей стакана. Поэтому допускаемый угол перекоса, вызванный радиальным биением:

Допустимая величина отклонения от общей оси:

где = 68 мм — длина левой шейки вала, на которой установлен подшипник.

?r=2?=2·0.0123=0.0246мм
Допуск на радиальное биение выбирается:

TCR = 25 мкм.

Позиция 3. Допуск торцового биения заппечика вала. Допуск задается на диаметре заплечика вала 38 мм.

Назначение технического требования — обеспечение качественной работы подшипника. Крепление левого подшипника соответствует схеме 1 (см. рис. 3.9, а). Значение допуска торцо­вого биения берется 25 мкм (см. табл. 3.9).

Принимаем в соответствии с табл. П.2.4, приложение 2:

ТСА = 20 мкм.

Позиция 4. Допуск торцового биения буртика вала. Допуск задается на диаметре буртика вала 50 мм.

Назначение технического требования — обеспечение норм контакта зубьев в передаче; обес­печение качественной работы правого подшипника.

При выборе допуска следует рассматривать четыре случая.

Случай 1. Зубчатое колесо сопрягается с валом по одной из рекомендуемых посадок с натягом Н7/р6; H7/r6; H7/s6 и имеет длинную ступицу (, рис. 5.7). Положение зубчатого колеса относительно вала полностью определяется его сопряжением по цилиндрической поверхности. В этом случае требования точности к торцу буртика вала не предъявляются.


Случай 2. Зубчатое колесо сопрягается с валом по одной из рекомендуемых посадок с натя­гом, но имеет короткую ступицу ( < 0.8). Допуск торцового биения на буртик вала назначают из условия, что при установке зубчатого колеса на вал отклонение от перпендикулярности буртика вызовет перекос колеса (рис. 5.7), а, следовательно, и погрешность в направлении зубьев F?r. Это, в свою очередь, повлияет на контакт зубьев в передаче.

Поскольку погрешность в направлении зубьев зависит не только от торцового биения буртика вала, но и от перпендикулярности базового торца колеса и ряда других технологических причин, то практически можно допустить, чтобы торцовое биение вызывало не более 1/3 допуска на по­грешность направления зуба Fp по ГОСТ 1643—81.

Учитывая, что допуск на погрешности направления зуба задается на ширине зубчатого венца I, а допуск торцового биения — на диаметре буртика вала dб, можно написать следующее выраже­ние для торцового биения:

Случай 3. Зубчатое колесо сопрягается с валом по переходной посадке. Торцовое биение бур­тика вала определяют независимо от длины ступицы по вышеприведенной формуле.

Примечание. Во 2-м и 3-м случаях, когда точно известно, что базовый торец колеса является базовым и при нарезании зубчатого венца, можно увеличить допуск до 0.5 F?.

Случай 4. Зубчатое колесо свободно вращается на валу. Буртик вала не является базовым, а биение на него назначается из условия минимально допустимого торцового зазора, необходимо­го для свободного вращения колеса.

Приведенный пример механизма (см. рис. 5.5) соответствует рассмотренному 3-му случаю. При этом базовый торец колеса вследствие его несимметричности известен, и можно допустить, что во время нарезания зубчатого венца он будет использован в качестве технологической базы.

Наибольшее допускаемое торцовое биение буртика вала, определяемое из условия нормальной работы зубчатого колеса, вычисляется по формуле:

?=0,5(dб/ )F? = 0.5(50/30)9 = 7.5 мкм.

Значение F? = 9 мкм выбирается по ГОСТ 1643—81 (см. табл. П.4.4, приложение 4) для цилин­дрических зубчатых передач либо по соответствующим стандартам для других видов зубчатых ко­лес.

Теперь рассмотрим влияние буртика на качество базирования подшипника качения. Наибольшее допускаемое значение биения буртика из условия нормальной работы правого под­шипника определяется в соответствии с рекомендациями, изложенными в разделе 3.2:

где = 25 мкм (см. табл. 3.9) — допускаемое суммарное торцовое биение;

— торцовое биение заплечика вала;

— соответственно отклонения от параллельности торцов втулки и зубчатого колеса.

>?, поэтому допуск торцового биения выбирается из условия нормальной работы зубчатого колеса по ГОСТ 24643—81 (см. табл. П.2.4, приложение 2):

ТСА = 6 мкм.

Позиция 5. Допуск радиального биения посадочной поверхности для зубчатого колеса.

Назначение технического требования — обеспечение выполнения норм кинематической точно­сти передачи.

Величина допуска радиального биения шейки вала выбирается в зависимости от допуска на ра­диальное биение зубчатого венца Fr


Радиальное биение зубчатого венца вызывают три вида погрешностей:

• радиальное биение подшипников качения;

• радиальное биение посадочной поверхности вала относительно общей оси;

• биение зубчатого венца колеса относительно оси посадочного отверстия.

Поэтому можно допустить, чтобы радиальное биение посадочной поверхности вала было не бо­лее 1/3 Fr

Наибольшее допускаемое радиальное биение посадочной поверхности вала:

Значение Fr выбирается по ГОСТ 1643—81 (см. разделы 2.6 и 5.4) для цилиндрических зубча­тых передач либо по соответствующим стандартам для других видов зубчатых колес.

Допуск радиального биения выбирается по ГОСТ 24643—81 (см. табл. П.2.5, приложение 2):

TCR = 12 мкм.

Примечание. Допускается назначить TCR = 16 мкм, что не предусмотрено степенью точности для данно­го интервала номинальных размеров, но это числовое значение соответствует ряду, указанному в стандарте (см. табл. П.2.1, приложение 2).

Позиция 6. Допуск радиального биения посадочных поверхностей для муфт, шкивов, звездочек. Допуск задается на диаметре посадочной поверхности по табл. 5.1.

Назначение технического требования — ограничение возможного дисбаланса как самого вала, так и вала в сборе с деталью. Принимается, что частота вращения вала равна 1460 мин-1. Допуск радиального биения принимается по ГОСТ 24643—81:

TCR = 10 мкм.

Таблица 5.1

Частота вращения вала, мин -1 До 600 Свыше 600 до 1000 Свыше 1000 до 1500 Свыше 1500 до 3000
Допуск радиального биения посадочных шеек вала, мм 0.030 0.020 0.012 0.006


Позиция 7. Допуск радиального биения поверхности вала под манжетное уплотнение. Допуск при­нимается по данным [8, 9] табл. 5.2.

Назначение технического требования — не допускать значительной амплитуды колебаний рабо­чей кромки манжеты, вызывающих усталостные разрушения резины. Допуск на радиальное биение:

TCR = 25 мкм.

Таблица 5.2

Частота вращения вала, мин -1 До 1000 Свыше 1000 до 1500 Свыше 1500 до 3000
Допуск радиального биения шеек вала под манжетное уплотнение, мм 0.04 0.03 0.02

 

Позиция 8. Допуск формы посадочных поверхностей для подшипников качения. Допуск круглости и допуск профиля продольного сечения выбираются в соответствии с разделом 3.2.

Назначение технического требования — обеспечение качественной работы подшипников качения. Отклонения от круглости и от профиля продольного сечения не должны превышать IT/4:

EFK = EFP = 0.25 IT,

где IT = 13 мкм — допуск размера посадочной поверхности вала.

EFK = EFP = 0.25 • 13 = 3.2 мкм.

Допуск формы:

TFK = TFP = 2.5 мкм.

Позиция 9. Допуск симметричности расположения боковых сторон шлицев.

Назначение технического требования — обеспечение равномерности контакта боковых поверх­ностей шлицев в сопряжении.


Допуск принимается по табл. 2.7 раздела 2.2.

TPS = 12 мкм.

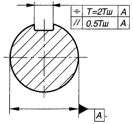
Позиция 10. Допуск симметричности расположения шпоночного паза отклонения на глубину и дли­ну шпоночного паза.

В основу рекомендаций по выбору того или иного вида технических требований положены ре­зультаты анализа стандарта, устанавливающего допуски и посадки на призматические шпоночные соединения (ГОСТ 23360—78), стандартов на калибры для шпоночных соединений (ГОСТ 24109—80...ГОСТ 24121—80), а также рекомендации В. Д. Мягкова и П. Ф. Дунаева [7, 8, 10].

Рекомендации, приведенные в табл. 5.3, в равной степени относятся к шпоночным пазам, рас­положенным как на валах, так и в отверстиях.

Таблица 5.3

Вид допуска взаимного расположения шпоночного паза и его рекомендуемое значение Характеристика технического требования Рекомендации по применению
Допуск симметричности, зависимый, принимается равным нулю. 1.Обеспечивается сравнительно высокая равномерность контакта рабочих поверхностей шпонки и паза. 2. Обеспечивается заданная посадка. 3.Подгонка при сборке исключа­ется. 4.Технология изготовления более сложная. 5. Необходимость контроля комплексными калибрами по ГОСТ 24109—80 — ГОСТ 24121—80. 1. В серийном и массовом производстве. 2. Для направляющих шпонок.
Для одной шпонки: допуск симметричности - 2Тш; допуск параллельности - 0.5 Тш; Для двух шпонок: допуск симметричности - 0.5 Тш; допуск параллельности - 0.5 Тш; где Тш — допуск на ширину паза. 1. Обеспечивается более низкая равномерность контакта рабочих поверхностей шпонки и паза. 2. Характер посадки нарушается. 3. В отдельных случаях требуется подгонка при сборке. 4. Технология изготовления значительно проще. 5. Нет необходимости в применении специальных калибров. 1. В единичном производстве. 2. В серийном производстве при неподвижном соединении и поле допуска на ширину паза втулки D10.

 

При назначении допуска расположения шпоночного паза рекомендуется учитывать характер

производства и конкретные технологические возможности.

Отклонения на глубину шпоночного паза у вала и у втулки см. в табл. 2.4. Предельные отклонения длины шпоночного паза назначаются по Н15 в соответствии с

ГОСТ 23360—78 (см. раздел 2.1).

Позиция 11. Шероховатость поверхностей в шпоночном соединении.

В соответствии с рекомендациями [10] значение параметра Ra следует выбирать не более:

• для рабочих поверхностей пазов и шпонок — 1.6...3.2 мкм;

• для нерабочих поверхностей — 6.3... 12.6 мкм.

Позиция 12. Шероховатость посадочных поверхностей под подшипники качения.

Назначение технического требования — обеспечение заданного характера сопряжения.

Величина шероховатости выбирается по табл. 3.13, Ra = 1.25 мкм.

Учитывая, что допуски формы у посадочных поверхностей составляют (см. позицию 8) TFK=TFP = 2.5 мкм, принимаем Ra = 0.2 мкм.

Позиция 13. Шероховатость поверхностей зубчатых (шлицевых) соединений.

В соответствии с рекомендациями [10] значение параметра Ra следует выбирать по табл. 5.4.

Таблица 5.4

Соединение Значение параметра Ra, мкм, не более
Впадина отверстия Зуб вала Центрирующие поверхности Нецентрирующие поверхности
Отверстие Вал Отверстие Вал
Неподвижное шлицевое 1.6...3.2 1.6...3.2 0.8...1.6 0.4...0.8 3.2...6.3 1.6...6.3
Подвижное шлицевое 0.8...1.6 0.4...0.8 0.8...1.6 0.4...0.6 3.2 1.6...3.2

 

Позиция 14. Шероховатость поверхности заплечика вала.

Назначение технического требования — равномерное распределение нагрузки по поверхности заплечика и обеспечение необходимой точности положения зубчатого колеса.

В соответствии с рекомендациями в разделе «Шероховатость поверхности»:

rz = 0.5 ТСА = 0.5 • 6 = 3 мкм;

Ra = 0.2 Rz = 0.2 • 3 = 0.6 мкм.

Принимаем (см. табл. П.3.1) Ra =0.4 мкм.

Позиция 15. Шероховатость посадочной поверхности под зубчатое колесо.

Назначение технического требования — обеспечение заданного характера сопряжения. В соответствии с указаниями в разделе 3.4 «Шероховатость поверхности» выбирается наимень­шее значение Rz из двух выражений:

1. Rz = 0.33 IT = 0.33 • 16 = 5.3 мкм;

2. Rz = 0.5 TCR = 0.5 • 12 = 6 мкм.

Ra = 0.2 Rz = 0.2-5.3 = 1.06 мкм.

Принимаем Ra = 0.8 мкм.

Позиция 16. Шероховатость поверхности под манжетное уплотнение.

Назначение технического требования — предохранение манжеты от преждевременного износа. Назначается в соответствии с табл. 3.12: Ra = 0.4 мкм, полировать.







Date: 2015-06-11; view: 3415; Нарушение авторских прав



mydocx.ru - 2015-2026 year. (0.497 sec.) Все материалы представленные на сайте исключительно с целью ознакомления читателями и не преследуют коммерческих целей или нарушение авторских прав - Пожаловаться на публикацию