Главная Случайная страница


Полезное:

Как сделать разговор полезным и приятным Как сделать объемную звезду своими руками Как сделать то, что делать не хочется? Как сделать погремушку Как сделать так чтобы женщины сами знакомились с вами Как сделать идею коммерческой Как сделать хорошую растяжку ног? Как сделать наш разум здоровым? Как сделать, чтобы люди обманывали меньше Вопрос 4. Как сделать так, чтобы вас уважали и ценили? Как сделать лучше себе и другим людям Как сделать свидание интересным?


Категории:

АрхитектураАстрономияБиологияГеографияГеологияИнформатикаИскусствоИсторияКулинарияКультураМаркетингМатематикаМедицинаМенеджментОхрана трудаПравоПроизводствоПсихологияРелигияСоциологияСпортТехникаФизикаФилософияХимияЭкологияЭкономикаЭлектроника






Пользование монитором МПСУиД





В каждой кабине электровоза установлены по два жидкокристаллических монитора в виде мониторных блоков, встроенных в панели №4 и №5 пульта управления электровозом ПУ-Эл. Для управления экранами мониторов на панели №8 ПУ-Эл расположены две клавиатуры, каждая из которых работает на свой монитор (правая клавиатура – на правый монитор, левая – на левый). Оба монитора конструктивно и программно выполнены идентично, что позволяет отображать одинаковую информацию в разных режимах для удобства машиниста.

Включение монитора производится автоматически при включении источника питания (ИП-ЛЭ) системы МПСУ и Д.

Главное меню. Окно «Заставка».

При включении монитора на экране появляется главное меню, на котором отображается текущее время, дата и меню режимов работы монитора, расположенное внизу экрана. Вид главного меню экрана монитора представлен на рисунке 1. Красными цифрами в меню режимов обозначены клавиши клавиатуры, при нажатии на которые, производится переключение соответствующего режима монитора:

Режим «Машинист» - клавиша 2;

Режим «Состояние МСУЛ» - клавиша 3;

Режим «Диагностика» - клавиша 4;

Режим «Настройки» - клавиша 5.

 

 

Рисунок 1 - Главное меню

 

 

Режим «Машинист».

Вид экрана в режиме «Машинист» представлен на рисунке 2. В этом режиме на монитор выводится информация об аналоговых и дискретных сигналах, приходящих в аппаратуру МСУЛ-А от системы измерений и по данным линии связи.

В левой и центральной части экрана отображаются следующие аналоговые сигналы:

- Uкс, В – текущее значение напряжения контактной сети, величина отображается заливкой столбца голубого цвета до соответствующего значения цифровой шкалы;

- текущее значение токов якорей и обмоток возбуждения со всех тяговых двигателей ведущей секции и максимальные токи якорей и обмоток возбуждения для ведомых секций. Величины этих параметров отображается заливкой столбцов до соответствующего значения цифровой шкалы следующих цветов:

- ток якоря в режиме «Тяга» - зелёного цвета;

- ток якоря в режиме «Рекуперация» - сине-фиолетового цвета;

- ток обмотки возбуждения – тёмно-голубого цвета.

При отсутствии в аппаратуре МСУЛ-А данных по величине этих параметров информация отображается в виде нулей желтого цвета в нижней строке индикации аналоговых сигналов.

 

Рисунок 2 – Вид меню «Машинист»

 

В правой части экрана расположены дискретные сигналы состояния устройств (БВ, ПСН, МВ, МК, ДР, БК, ТМ, ВВК, ТЦ) в секции электровоза (включено-выключено), а также его аварийное отключение. Число столбцов соответствует количеству секций электровоза.

Принят следующий вид отображаемой информации:

белая надпись на черном фоне означает отсутствие связи с аппаратами секции (при выключенном ВУ - для секций 2, 3, 4);

зелёная надпись на черном фоне означает наличие связи с аппаратами данной секции (при выключенном ВУ - для секции 1);

чёрная надпись на зелёном фоне – агрегат включен и нормально функционирует;

чёрная надпись на красном фоне – агрегат был включен, но аварийно отключился (для БВ, ПСН, МВ, МК), либо означает аварийный режим работы электровоза (для ДР, БК, ТМ, ВВК).

БВ (быстродействующий выключатель):

на зеленом фоне, если включен переключатель БЫСТРОД. ВЫКЛЮЧАТЕЛЬ и в аппаратуру МСУЛ-А поступил сигнал «Включение БВ». Индикация включенного состояния БВ.

на красном фоне, если при включенном переключателе БЫСТРОД. ВЫКЛЮЧАТЕЛЬ в течение трёх секунд нет либо пропал сигнал с блокировки БВ. Индикация отключенного состояния БВ. Для повторного включения БВ необходимо выключить-включить переключатель БЫСТРОД. ВЫКЛЮЧАТЕЛЬ.

ПСН (преобразователь собственных нужд):

на зеленом фоне, если при включенном переключателе БЫСТРОД. ВЫКЛЮЧАТЕЛЬ в аппаратуре МСУЛ-А появился сигнал «Контроль ПСН». Индикация включенного состояния ПСН.

на красном фоне, если при включенном переключателе БЫСТРОД. ВЫКЛЮЧАТЕЛЬ в течение восьми секунд нет либо пропал сигнал «Контроль ПСН». Индикация отключенного состояния ПСН. Повторное включение ПСН производится только после выключения БВ.

МВ (мотор- вентилятор охлаждения тяговых двигателей):

на зеленом фоне, если при включенном переключателе ВЕНТИЛЯТОРЫ (а также при включенном БВ, отсутствии команды «Возврат защиты» и при наличии сигнала «Контроль ПСН») в аппаратуру МСУЛ-А поступает сигнал «Включение вентиляторов». Индикация включенного состояния МВ.

На красном фоне, если при включенном переключателе ВЕНТИЛЯТОРЫ в течение пяти секунд нет, либо пропал сигнал «Включение вентиляторов». Индикация отключенного состояния МВ. Для повторного включения необходимо выключить-включить переключатель ВЕНТИЛЯТОРЫ.


МК (мотор- компрессор):

на зеленом фоне, если при включенном переключателе КОМПРЕССОРЫ, или нажатой кнопке ПРИНУДИТ. ВКЛ. КОМПРЕССОРОВ (а также при включенном БВ, отсутствии команды «Возврат защиты», наличии сигнала «Готовность МК» от блока управления мотор-компрессора и при наличии сигнала «Контроль ПСН") в аппаратуру МСУЛ-А поступает сигнал «Включение МК». Индикация включенного состояния МК.

на красном фоне, если при включенном переключателе КОМПРЕССОРЫ, или нажатой кнопке ПРИНУДИТ. ВКЛ. КОМПРЕССОРОВ в течение пяти секунд нет, либо пропал сигнал «Включение компрессоров». Индикация отключенного состояния МК. Для повторного включения МК необходимо выключить-включить переключатель КОМПРЕССОРЫ.

ДР (дифференциальное реле):

на черном фоне с надписью «ДР», если после включения БВ в аппаратуру МСУЛ-А поступил на две секунды, а затем исчез сигнал «Возврат защиты». Индикация включенного состояния дифференциальных реле КА1 и КА2.

на красном фоне с надписью «ДР» до и на две секунды после включения БВ, либо с надписью «ДР1», или «ДР2» в случае аварийного отключения соответственно КА1, или КА2. Индикация отключенного состояния дифференциальных реле.

БК (быстродействующий контактор):

на черном фоне – свидетельствует о включенном состоянии БК.

на красном фоне, если произошло срабатывание БК. Индикация выключенного состояния БК.

ТМ (тормозная магистраль):

на черном фоне - свидетельствует о целостности ТМ;

на красном фоне - свидетельствует о нарушении целостности ТМ. Индикация обрыва тормозной магистрали.

кратковременно на красном фоне с надписью «ТМ» - свидетельствует об исправности устройства контроля. Появляется при любом торможении краном машиниста.

ВВК (блокировка ВВК):

на черном фоне, если в аппаратуру МСУЛ поступил сигнал о блокировании ВВК. Индикация заблокированного состояния ВВК.

на красном фоне, если в аппаратуру отсутствует сигнал о блокировании ВВК. Индикация разблокированного состояния ВВК.

ТЦ (тормозные цилиндры):

на зелёном фоне, если в аппаратуру МСУЛ-А поступил сигнал о наличии давления в тормозных цилиндрах.

на черном фоне, если в аппаратуре отсутствует сигнал о давлении в тормозных цилиндрах.

Ниже полей аналоговых и дискретных сигналов расположена строка сообщений о нарушениях в действии МСУЛ-А. Развернутую информацию о действии МСУЛ-А можно получить нажав клавишу2«Сообщения»
(см. рисунок 2).

В нижней части экрана отображаются сигналы режима работы.

Внешний вид этой части экрана, а также вид строки перехода в другое меню зависит от наличия или отсутствия блока автоведения.

При отсутствии в линии связи аппаратуры МСУЛ-А блока автоведения внешний вид окна соответствует рисунку 2.

При наличии блока автоведения внешний вид окна «Машинист» представлен на рисунке 4.3. В нижней строке меню появляются дополнительные клавиши перехода в другие меню: 3-«Настройки» и 4-«Предупреждения».

При нажатии клавиши 3 монитор переходит в меню «Ввод данных» для режима автоведения. Внешний вид окна соответствует рисунку 4.


Для ввода временных ограничений по скоростям для режима автоведения необходимо нажать клавишу 4. Вид окна ввода временных ограничений представлен на рисунке 5.

Рисунок 3 – Вид меню «Машинист» при наличии блока автоведения

 

Рисунок 4 – Вид меню «Ввод данных» для режима автоведения

 

Рисунок 5 – Вид меню «Ввод временных ограничений»

 

После ввода данных система автоведения готова для перехода в режим автоведения и внешний вид окна «Машинист» снова меняется. На рисунке 6 видно, что система перешла в режим «Советчик», о чём говорит индикация в крайнем левом столбце в виде буквы «С». Во втором столбце «ОС» появляется информация по введенным ограничениям скорости.

 

Рисунок 6 – Меню «Машинист» для перехода в режим автоведения

 

Для перехода в режим автоведения необходимо нажать клавишу 5. При этом индикация в крайнем левом столбце сменится на надпись «АВ», а в строке перехода в другое меню возле клавиши 5 надпись с «Автоведения» поменяется на «Советчик». Вернуться в режим «Советчик» можно, нажав клавишу 5.

В столбце «Режим» отображается информация о режиме ведения электровоза в верхней строке «ф» - фактический режим работы электровоза, а в нижней строке «р» - расчетный режим в виде надписей:

- «Тяга С» - режим тяги при последовательном соединении ТЭД;

-«Тяга СП» - режим тяги при последовательно-параллельном соединении ТЭД;

- «Тяга П» - режим тяги при параллельном соединении ТЭД;

-«Рекуперация С» - режим электрического торможения при рекуперации (приоритет последовательного соединения ТЭД);

- «Рекуперация СП» - режим электрического торможения при рекуперации (приоритет последовательно-параллельного соединения ТЭД);

- «Рекуперация П» - режим электрического торможения при рекуперации (приоритет параллельного соединения ТЭД);

- «ЭДТ П», «ЭДТ СП», «ЭДТ С» - режим реостатного торможения при соответствующих приоритетах соединения ТЭД;

- «ФС» - режим поддержания скорости в тяге на ходовых позициях, или при электрическом торможении при переводе переключателя «Фиксация скорости» в положение «Вкл.».

- «Выбег» - режим выбега при выключении ТЭД;

В столбце «Позиция» выводятся цифры при следующих режимах:

- «Тяга С» - 1…23;

- «Тяга СП» - 24…44;

- «Тяга П» - 45…65;

- в режиме рекуперации 0…1;

- в режиме реостатного торможения 1…хх.

В столбце «Сила, %» отражается заданное значение силы тяги:

- в тяговом режиме 1…120;

- в тормозном режиме -1…-100;

- в режиме последовательного возбуждения индикатор не используется.

В столбце «МВ, %» выводится скорость вращения мотор-вентилятора (уставка МВ), которая меняется в зависимости от токов в цепях ТЭД:

- не более 200А – 24% (12 Гц);

- от 200А до 380А – от 24% до 40% (от 12 до 20 Гц);

- от 380А до 480А – от 40% до 100% (от 20 до 50 Гц).


В последнем (крайнем правом) столбце выводится информация о боксовании (в режиме тяги) или юзе (в режимах электрического торможения и выбега) с указанием колесной пары №… на секции №….

Возвратится в основное меню (окно «Заставка») можно, нажав клавишу 1- «Выход», см. рисунок 2.

Режим «Состояние МСУЛ».

Окно «Вспомогательные машины и защита».

Для отображения дискретных сигналов принята следующая система:

три квадрата (число каналов МСУЛ) разбиты по горизонтали на две половины (число линий связи). Свечение элементов квадрата сигнализирует о наличии сигнала на входе (выходе) блоков МСУЛ по каналам и линиям. При нормальном функционировании все элементы квадратов (одного сигнала) засвечиваются и погасают одновременно. Для работы в аварийном режиме (при неисправности МСУЛ-А) достаточно наличия 2-х элементов квадратов из 6, находящихся в разных столбцах;

название сигнала;

две цифры для указания номера блока и номера входа для данного сигнала. Тип блока (БВС, БУК…) указываются в заголовке таблицы.

Для отображения аналоговых сигналов принята следующая система:

два или три цифровых поля (по числу линий связи или каналов) в которые выводятся числовые значения, выбранные из трех каналов или двух линий;

название сигнала.

После нажатия клавиши 3-«Состояние МСУЛ» в главном меню (окно «Заставка») открывается окно «Вспомогательные машины и защита» в виде «Состояние» (рисунок 7).

 

 

Рисунок 7 – Информационное окно «Вспомогательные машины и защита»

 

Вид «Состояние» в режиме «Состояние МСУЛ»

В данном окне выводится информация о состоянии блоков МСУЛ-А, участвующих в приёме, обработке сигналов и передаче их по линиям связи последовательного интерфейса RS-485.

В столбцах «БСП» и «БВС» для каждого наименования сигнала выводится информация, характеризующая прохождение сигнала по данной линии связи от данного канала блока. В столбце «БУК» для каждого наименования сигнала выводится информация, характеризующая поступление сигнала в линию связи от БЦВ и состояние линии связи.

После нажатия клавиши 2-«Контакт» в меню окна «Вспомогательные машины и защита» в виде «Состояние» открывается окно «Вспомогательные машины и защита» в виде «Контакт» (см. рисунок 8).

В этом окне для каждого сигнала в столбцах «БСП» и «БВС» можно получить информацию о прохождении сигнала в привязке к номеру блока и номеру контакта цепи, по которой проходит сигнал. Например, в столбце «БВС» надпись «02.06» говорит о том, что сигнал «Блокировка ВВК» берётся блоком БВС №2 с контакта А6.

Из меню видов «Состояние» и «Контакт» окна «Вспомогательные машины и защита», после нажатия соответствующей клавиши можно перейти в окна «Режим силовой схемы (Режим)», «Управление тягой и торможением (Управление)», «Реостатные контакторы силовой схемы (Позиции)», «Система измерений (СИ)», «Межсекционный обмен (СМЕ)» и в режим «Связь ПСН (ПС)».

 

Рисунок 8 – Информационное окно «Вспомогательные машины».

 

Вид «Контакт» в режиме «Состояние МСУЛ»

Возвратиться в основное меню (окно «Заставка») можно, нажав клавишу 1-«Выход».

Режим «Состояние МСУЛ». Окно «Режим силовой схемы».

В данное окно в виде «Состояние» можно выйти, нажав клавишу 4-«Режим» (см. рисунок 9)

 

Рисунок 9 – Информационное окно «Режим силовой схемы».

 

Вид «Состояние» в режиме «Состояние МСУЛ»

В столбце «БСП» выводится следующая информация, характеризующая прохождения сигналов по линиям связи от каждого канала БСП:

- после поворота переключателя «Реверсор» в положение «Вперёд» или «Назад»;

- после установки переключателя «Режим работы секций - 1» в положение «Головная», а переключателя «Режим работы секций – 3» в положение «Прицепная», выводится информация в ячейках с надписями «Головная сек.1» для ведущей секции. Информация в ячейках с надписью «Головная сек.3» выводится при установке переключателей противоположно описанному выше;

- после установки переключателя «Отключение тяговых двигателей» для одной из секций в положение «Откл.» выводится информация в ячейках «Откл.ТД 1-4 сек. <номер>». После установки переключателя в положение «3-4» - «Откл. ТД 3-4 сек. <номер>». После установки переключателя в положение «1-2» - «ОТКл. ТД 1-4 сек. <номер>» и «Откл. ТД 3-4 сек. <номер>».

В столбце «БУК» выводится следующая информация, характеризующая прохождение сигналов по линиям связи от каждого канала БЦВ:

- на установку переключателя реверсивного в положение вперёд - «Реверсор вперед»;

- на установку переключателя реверсивного в положение назад - «Реверсор назад»;

- на включение промежуточного реле РП3 системы КЛУБ-У - «Тяга-КЛУБ»;

- на включение режимного переключателя в положение независимого возбуждения - «Режим незав. возб.»;

- на включение режимного переключателя в положение последовательного возбуждения – «Режим после. возб.»;

- на включение контактора К31 – «Незав. возб. ТД1-2»;

- на включение контактора К32 – «Незав. возб. ТД3-4»;

- на включение линейных контакторов К27…К30, К33…К40.

В столбце «БВС» выводится информация, характеризующая прохождение сигналов по линиям связи от каждого канала БВС и сигнализирующая:

- переключатель реверсивный находится в положении вперед - «Реверсор вперед»;

- переключатель реверсивный находится в положении назад – «Реверсор назад»;

- переключатель режимный находится в положении независимого возбуждения – «Незав. возб.»;

- переключатель режимный находится в положении последовательного возбуждения – «Последов. возб.»;

- включение линейных контакторов К28, К30, К33, К35…К40.

После нажатия клавиши 2-«Контакт» в меню окна «Режим силовой схемы» в виде «Состояние» открывается окно «Режим силовой схемы» в виде «Контакт». В этом окне для каждого сигнала в столбцах «БСП» и «БВС» можно получить информацию о привязке к номеру блока и номеру контакта цепи, по которой проходит сигнал.

Из меню видов «Состояние» и «Контакт» окна «Режим силовой схемы» после нажатия соответствующей клавиши можно перейти в окна «Вспомогательные машины и защита (ВМ)», «Управление тягой и торможением (Управление)», «Реостатные контакторы силовой схемы (Позиции)», «Система измерений (СИ)», «Межсекционный обмен (СМЕ)» и в режим «Связь ПСН (ПС)».

Возвратиться в основное меню (окно «Заставка») можно, нажав клавишу 1-«Выход».

Режим «Состояние МСУЛ».

Окно «Управление тягой и торможением».

В данное окно в виде «Состояние» можно выйти, нажав клавишу 5-«Управление» (см. рисунок 10).

 

Рисунок 10 – Информационное окно «Управление тягой и торможением»

 

Вид «Состояние» в меню «Состояние МСУЛ"

В столбце «БСП» выводится следующая информация, характеризующая прохождение сигналов по линии связи от каждого канала БСП:

- после установки джойстика «Тяга» в положение «+1», или «+А» («-1», или «-А») индикацией соответствующей надписи;

- после нажатия кнопки «Выбег» – «Выбег»;

- после установки джойстика «Задатчик силы» в положение «+С», или «-С» индикацией соответствующей надписи;

- после установки переключателя «Фиксация скорости» в положение «ФС» - «ФС»;

- после установки переключателя «ПБЗ» в положение «Откл.» - «Откл. боксования»;

- после нажатия кнопок «Песок» - «Песок»;

- после установки переключателей «Яркость монитора» и «Отпуск тормозов» в положение «Вкл.» индикацией соответствующей надписи.

В столбце «БУК» выводится следующая информация, характеризующая прохождение сигналов по линиям связи от каждого канала БЦВ:

- на подпитку дифференциального реле при переходах с С на СП, с СП на П соединение ТЭД и наоборот - «Подпитка ДР-ТД»;

- «КЭБ»;

- «КЭП8»;

- на разрешение применения противобоксовочной защиты ПБЗ (переключатель «ПБЗ» выключен) - «Разрешение (БЗС)»;

- разрешение применения режима тяги«Режим «Тяга»;

- на подачу песка под колесные пары для секции, ориентированной головой вперед - «Песок вперед», для секции сориентированной головой назад - «Песок назад»;

- «Отпуск торм. лок.».

В столбце «БВС-БЗС» выводится следующая информация прохождения сигналов от БВС или от БС-ДПС-БЗС по линиям связи:

- разрешение применения тяги – «Разрешение тяги»;

- разбор схемы режима тяги по команде от системы САУТ – «Откл. тяги от САУТ»;

- слабое скольжение 1…4 колесной пары, соответственно - «Скольжение оси 1»; «Скольжение оси 2», «Скольжение оси 3», «Скольжение оси 4»;

- сильное скольжение 1…4 колесной пары, соответственно - «Сильное cк. оси 1», «Сильное ск. оси 2», «Сильное ск. оси 3», «Сильное ск. оси 4».

- подача песка при экстренном торможении, или срыве ЭПК при скорости движения более 10 км/ч – «Песок экстренно»;

- нарушение целостности тормозной магистрали - «Обрыв ТМ». Наличие кратковременной информации «Обрыв ТМ» свидетельствует об исправности устройства контроля и сопутствует любому торможению крано машиниста.

После нажатия клавиши 2-«Контакт» в меню окна «Управление тягой и торможением» в виде «Состояние» открывается окно «Управление тягой и торможением» в виде «Контакт». В этом окне для каждого сигнала в столбцах «БСП» и «БВС» можно получить информацию о прохождении сигнала в привязке к номеру блока и номеру контакта цепи, по которой проходит сигнал.

Сигналы с надписями, характеризующими сигналы, аналогичны отображающимся на виде «Состояние».

Из меню видов «Состояние» и «Контакт» окна «Управление тягой и торможением» после нажатия соответствующей клавиши можно перейти в окна «Вспомогательные машины и защита (ВМ)», «Режим силовой схемы (Режим)», «Реостатные контакторы силовой схемы (Позиции)», «Система измерений (СИ)», «Межсекционные связи (СМЕ)» и в режим «Связь ПСН (ПС)».

Возвратиться в основное меню (окно «Заставка») можно, нажав клавишу 1-«Выход».

Режим «Состояние МСУЛ».

Окно «Реостатные контакторы силовой схемы».

В данное окно в виде «Состояние» можно выйти, нажав клавишу 6-«Позиции» (см. рисунок 11)

 

 

Рисунок 11 – Информационное окно «Реостатные контакторы силовой схемы»

 

Вид «Состояние» в режиме «Состояние МСУЛ

В столбце «БС-РН, БИ» выводится следующая информация, характеризующая прохождение сигналов по линиям связи от каждого канала БЦВ в числовом выражении:

- после установки переключателя «Вентиляторы» в положение «Вкл.» ПСН автоматически задаёт скорость вращения вентиляторов в зависимости от величины токов в цепях ТЭД индикацией значения от 20 до 100 (%) для ТЭД1-2 и ТЭД3-4 соответственно в строках «Уставка вентиляторов ТД1-2», «Уставка вентиляторов ТД3-4»;

- после набора, или сброса позиций джойстиков «Тяга» и «Задатчик силы» отображается номер автоматически, или вручную набранной позиции в режиме тяги, или электрического торможения в строке «Номер позиции»;

- после набора или сброса позиций джойстиков «Тяга» и «Задатчик силы» на всех соединениях ТЭД автоматически заданный СТПР-1 и СТПР-2 ток обмоток возбуждения ТЭД1-2 и ТЭД3-4 в строках соответственно «Заданный Iv 1-2» и «Заданный Iv 3-4».

В столбцах «БУК (К)» выводится информация прохождения сигналов по линии связи от каждого канала БЦВ для управления реостатными контакторами, а также контакторами включения мотор-вентиляторов охлаждения пуско-тормозных резисторов и открытия жалюзи ПТР в виде соответствующих надписей.

После нажатия клавиши 2-«Контакт» в меню окна «Реостатные контакторы силовой схемы» в виде «Состояние» открывается окно «Реостатные контакторы силовой схемы» в виде «Контакт».

В столбце «БС-РН, БИ» информация и надписи аналогичны отображаемым в виде «Состояние».

В столбцах «БУК (К)» для каждого сигнала можно получить информацию о прохождении сигнала в привязке к номеру блока и номеру контакта цепи, по которой проходит сигнал.

Из меню видов «Состояние» и «Контакт» окна «Реостатные контакторы» после нажатия соответствующей клавиши можно перейти в окна «Вспомогательные машины и защита (ВМ)», «Режим силовой схемы (Режим)», «Управление тягой и торможением (Управление)», «Система измерений (СИ)», «Межсекционные связи (СМЕ)» и в режим «Связь ПСН (ПС)».

Возвратиться в основное меню (окно «Заставка») можно, нажав клавишу 1-«Выход».

 

Режим «Состояние МСУЛ». Окно «Система измерений».

В данное окно можно выйти, нажав клавишу 7-«СИ» (см. рисунок 12).

Рисунок 12 – Информационное окно «Система измерений»

 

Вид «Состояние» в режиме «Состояние МСУЛ»

В столбцах «БС-СИ», «БС-СИ, БЗС», «Счетчик электроэнергии» выводится информация в числовом выражении по схеме: числовое выражение с чередованием по каждому (из трех) каналу БЦВ для каждой линии связи из двух (линии связи представлены вертикальными колонками).

В столбце «БС-СИ» (мегомметр)» выводится следующая информация, характеризующая прохождение сигналов по линиям связи от каждого канала БЦВ:

- наличие информации «Разрешение включения» говорит о том, что МСУЛ включило мегомметры (выполнены условия, разрешающие включение);

- наличие информации «Высокое напряжение (1)» и «Высокое напряжение (2)» говорит о том, что оба мегомметра подали напряжение в цепи измерения.

В столбце «БЦВ» выводится следующая числовая информация по трём каналам БЦВ для каждой линии связи:

- об ошибках связи (характеризует качество функционирования линий связи). «Ошибки связи (линия 1)» и «Ошибки связи (линия 2)» характеризуют качество межблочных линий связи секции. «Ошибки связи (линия 3)» и «Ошибки связи (линия 4)» характеризуют качество межкузовных линий связи. Быстрое изменение числовой информации говорит о неудовлетворительной работе соответствующей линии связи;

- номер секции по порядку, начиная с первой по ходу движения «Индекс секции»;

- число секций в конфигурации электровоза, управляемых МСУЛ.

Из меню режима «Система измерений» после нажатия соответствующей клавиши можно перейти в окна «Вспомогательные машины и защита (ВМ)», «Режим управления силовой схемой (Режим)», «Управление тягой и торможением (Управление)», «Реостатные контакторы силовой цепи (Позиции), «Межсекционный обмен (СМЕ)» и в режим «Связь ПСН (ПС)».

Возвратиться в основное меню (окно «Заставка») можно, нажав клавишу 1-«Выход».

Режим «Состояние МСУЛ». Окно «Межсекционный обмен».

В данное окно можно выйти, нажав клавишу 8-«СМЕ» (см. рисунок 13).

В столбцах «С1 С2 С3 С4» выводится информация, характеризующая прохождение сигналов по межсекционным линиям связи соответственно для секций 1…4.

Из меню окна «Межсекционный обмен» после нажатия соответствующей клавиши можно перейти в окна «Вспомогательные машины и защита (ВМ)», «Режим управления силовой схемой (Режим)», «Управление тягой и торможением (Управление)», «Реостатные контакторы силовой цепи (Позиции), «Система измерений (СИ)» и в режим «Связь ПСН (ПС)».

Возвратиться в основное меню (окно «Заставка») можно, нажав клавишу 1-«Выход».

Рисунок 13 – Информационное окно «Межсекционный обмен»

 

Режим «Состояние МСУЛ»

Режим «Состояние МСУЛ». Окно «Связь ПСН».

Выйти в это окно можно при нажатии клавиши 9-«ПС» (см. рисунок 14).

 

 

Рисунок 14 – Информационное окно «Связь ПСН». Режим «Состояние МСУЛ»

 

В столбце «Статус БС-ПС» выводится информация, характеризующая прохождение сигналов от МСУЛ по линиям связи БС-ПС и о готовности к работе и нарушении обмена по линии связи преобразователя собственных нужд.

В столбце «Статус БС-УВ» выводится информация, характеризующая прохождение сигналов от управляемого выпрямителя по линиям связи БС-УВ.

В столбце «РН3000» выводится информация, характеризующая прохождение сигналов от процессора регулятора по линиям связи РН-3000.

Из меню окна «Связь ПСН» при нажатии соответствующих клавиш можно выйти в окна «Состояние РН3000 (РН3000)», «Состояние СТПР (СТПР)», «Состояние ПЧ ВО, ТК, ЗУ (ПЧ)», «Состояние калориферов (Калориферы)», «Состояние приточной установки (ПУ)».

Возвратиться в основное меню (окно «Заставка») можно, нажав клавишу 1-«Выход».

Режим «Состояние МСУЛ». Окно «Состояние РН3000».

Выйти в это окно можно, нажав клавишу 3-«РН3000» в меню окна «Связь ПСН» режима «Состояние МСУЛ» (см. рисунок 15).

Рисунок 15 – Информационное окно «Состояние РН3000»

 

Режим «Состояние МСУЛ»

В столбцах «РН3000 N1» и «РН3000 N2» выводится информация, характеризующая прохождение сигналов по линиям связи МСУЛ о работе РН3000 №1 и РН3000 №2.

Из меню окна «Состояние РН3000» при нажатии соответствующих клавиш можно выйти в окна «Связь ПСН (Связь)», «Состояние СТПР (СТПР)», «Состояние ПЧ ВО, ТК, ЗУ (ПЧ)», «Состояние калориферов (Калориферы)», «Состояние приточной установки (ПУ)».

Возвратиться в основное меню (окно «Заставка») можно, нажав клавишу 1-«Выход».

Режим «Состояние МСУЛ». Окно «Состояние СТПР».

Выйти в это окно можно, нажав клавишу 4-«СТПР» в меню окна «Связь ПСН» режима «Состояние МСУЛ» (см. рисунок 16).

 

Рисунок 16 – Информационное окно «Состояние СТПР»

 

Режим «Состояние МСУЛ»

В столбце «БС-УВ (БЦВ)» выводится информация, характеризующая прохождение сигналов по линиям связи по каждому каналу БЦВ в числовом выражении для обеспечения формирования управляющих сигналов работы СТПР.

В столбце «БС-УВ (БС-ПС)» выводится информация, характеризующая прохождение сигналов по линии связи по каждому каналу БС-ПС в числовом выражении для передачи во МСУЛ информации о значениях токов якорей и обмоток возбуждения ТЭД.

В столбцах «Статус БС-УВ N1» и «Статус БС-УВ N2» выводится информация, характеризующая прохождение сигналов от БС-УВ о состоянии СТПР 1000.

Из меню окна «Состояние СТПР» при нажатии соответствующих клавиш можно выйти в окна «Связь ПСН (Связь)», «Состояние РН3000 (РН3000)», «Состояние ПЧ ВО, ТК, ЗУ (ПЧ)», «Состояние калориферов (Калориферы)», «Состояние приточной установки (ПУ)».

Возвратиться в основное меню (окно «Заставка») можно, нажав клавишу 1-«Выход».

Режим «Состояние МСУЛ». Окно «Состояние ПЧ ВО, ТК, ЗУ».

Выйти в это окно можно, нажав клавишу 5-«ПЧ» в меню окна «Связь ПСН» режима «Состояние МСУЛ» (см. рисунок 17).

Рисунок 17 – Информационное окно «Состояние ПЧ ВО, ТК, ЗУ»

 

Режим «Состояние МСУЛ»

В столбцах этого окна выводится информация о состоянии преобразователей частоты мотор вентиляторов и мотор компрессора, зарядного устройства.

 

Рисунок 18 – Информационное окно «Состояние калориферов»

 

Из меню окна «Состояние ПЧ ВО,ТК, ЗУ (ПЧ)» при нажатии соответствующих клавиш можно выйти в окна «Связь ПСН (Связь)», «Состояние РН3000 (РН3000)», «Состояние СТПР (СТПР)», «Состояние калориферов (Калориферы)», «Состояние приточной установки (ПУ)».

Возвратиться в основное меню (окно «Заставка») можно, нажав клавишу 1-«Выход».

Режим «Состояние МСУЛ». Окно «Состояние калориферов».

Выйти в это окно можно, нажав клавишу 6-«Калориферы» в меню окна «Связь ПСН» режима «Состояние МСУЛ» (см. рисунок 18).

В столбцах «Калорифер 1» и «Калорифер 2» выводится информация о состоянии калориферов отопления.

В столбцах «Температура» выводятся цифровые значения температуры в помещении кабины и канале воздуховода.

Из меню окна «Состояние калориферов» «при нажатии соответствующих клавиш можно выйти в окна «Связь ПСН (Связь)», «Состояние РН3000 (РН3000)», «Состояние СТПР (СТПР)», «Состояние ПЧ ВО,ТК, ЗУ (ПЧ)», «Состояние приточной установки (ПУ)».

Возвратиться в основное меню (окно «Заставка») можно, нажав клавишу 1-«Выход».

Режим «Состояние МСУЛ»

Режим «Состояние МСУЛ». Окно «Состояние приточной установки».

Выйти в это окно можно, нажав клавишу 7-«ПУ» в меню окна «Связь ПСН» режима «Состояние МСУЛ» (см. рисунок 19).

В столбцах «ПЧ приточной установки» и «ПЧ МВП» выводится информация о состоянии преобразователей частоты приточной установки и микроволновой печи.

 

Рисунок 19 – Информационное окно «Состояние приточной установки»

В столбцах «Приточная установка» и «СМ» выводится информация о состоянии приточной установки и неисправности контроллера системы микроклимата.

В столбце «Температура» выводятся значения уставок и действительных температур системы микроклимат.

 

Режим «Состояние МСУЛ»

Из меню окна «Состояние приточной установки (ПУ)» при нажатии соответствующих клавиш можно выйти в окна «Связь ПСН (Связь)», «Состояние РН3000 (РН3000)», «Состояние СТПР (СТПР)», «Состояние ПЧ ВО,ТК, ЗУ (ПЧ)», «Состояние калориферов (Калориферы)».

Возвратиться в основное меню (окно «Заставка») можно, нажав клавишу 1-«Выход».

Режим «Диагностика».

В режим «Диагностика» можно выйти, нажав клавишу 4-«Диагностика» в окне «Заставка» (см. рисунок 20).

В окне режима можно оценить присутствие того или иного блока в конфигурации МСУЛ и состояние блоков в части участия в обмене информацией по двум линиям связи для данной секции.

В столбце «Связь» отображается информация, характеризующая прохождение сигналов для всех блоков, присутствующих в обмене, по линиям связи от каждого канала БЦВ.

В столбце «Неиспр. БУК» отображается информация, характеризующая прохождение сигналов по каждому выходу блоков БУК. При нарушении в работе неисправный блок загорается красным цветом.

Рисунок 20 – Информационное окно режима «Диагностика»

 

При нажатии клавиши 2-«БУК» можно перейти в другое окно режима «Диагностика» (см. рисунок 21), где выводится более подробная информация о характере ошибки сигнала по каждому выходу БУК в виде числового значения:

0 – нет неисправностей;

1 – обрыв нагрузки;

2 – перегрузка;

3 – обрыв ключа;

4 – короткое замыкание нагрузки;

5 – короткое замыкание ключа или диода;

Возвратиться в основное меню (окно «Заставка») можно, нажав клавишу 1-«Выход».

Рисунок 21 – Информационное окно режима «Диагностика»

 

Режим «Настройка».

В режим «Настройка» можно выйти, нажав клавишу 5-«Настройка» в окне «Заставка» (см. рисунок 22).

В этом режиме производится установка даты и времени отображаемых в окне «Заставка».

Возвратиться в основное меню (окно «Заставка») можно, нажав клавишу 1-«Выход».

 

Рисунок 22 – Окно режима «Настройка»

Перечень аппаратов и машин электровоза 2ЭС6.

А1 Блок защиты РН3000.

А2-1, А2-2 Блок РН3000 М3.

А2-3, А2-4 Блок СТПР-600.

А2-5 Шкаф ПЧ.

Устройство управления быстродействующими контакторами

А3 УУБК-М.

А5 Блок управления установки микроклимата.

А6 Печь СВЧ.

А7, А8 Блок СТПР1000 М2.

А12, А13 Блок УЗПС.

А15 Установка компрессорная винтовая.

А18 Прибор УД.

А19 Фильтр синусный.

С1,С2 Конденсаторы.

FV1 Ограничитель перенапряжений.

К5…К26

К30…К32

К36 Контактор пневматический ПК-21-03.

К1…К4

К27…К29

К33…К35

К37…К40 Контактор электропневматический ПК-32А

(коммутируемые цепи ТЭД)

К41, К42 Контактор быстродействующий БК-78Т.

КА1 Реле дифференциальной защиты ТЭД.

КА2 Реле дифференциальной защиты ПСН.

КМ1,КМ2 Контактор электромагнитный 1КМО16М (ПСН).

КМ3 Подключение 380В.от внешней розетки

КМ19 Контактор БЗ-РН (снятие остаточных напряжений)

КМ10, КМ11-МК1-10 подключение питания 110 В к цепям управления электровоза.

КМ12, КМ13 Включение прожектора.

КМ14 Включение освещения ходовых частей.

КМ15 Включение обогревателей кранов.

КМ16 Вспомогательный компрессор.

КМ17 Подключение 110 В к цепям БК.

КМ18 Подключение цепей аккумуляторных батарей.

L1 Дроссель

L2, L3 Реактор

М1…М4 Электродвигатель ЭДП810

М11, М12 Вентилятор охлаждения ПТР

М14… М17Двигатель асинхронный

Q1 Переключатель ножевой (вывод из депо)

QF1 Быстродействующий выключатель ВАБ55

QP1…QP4 Переключатель кулачковый (ПкР, Режимный)

QR1…QR6 Рубильник (резервирование ПСН)

QS1 Разъединитель

QS2 Заземлитель

QS6 Переключатель (цепь земли ПСН)

QP1-3 (SQ)

QP8 Блокировки ВВК и люка

R2,R7,R8 Делитель напряжения

R3,R4 Модуль ПТР

R5,R6 Резистор балластный

R10 Резистор демпферный ПСН

R11 Резистор пусковой ПСН

R13,R14

R15,R16 Резистор шунтирующий

RS1…RS5 Шунты (ПНКВ цепь ТЭД)

RS7, RS8 Шунт измерительный (ПНКВ-ПТР)

SF31,SF32 Выключатель автоматический (двигатели очистки воздуха)

UZ1,UZ2

UZ7…UZ13 Датчик напряжения ПНКВ-1-1А

UZ3UZ4 Мегометр

VD3-VD5

VD6-VD8 Диоды разделительные (ТЭД)

VD9…26 Диоды переходные (ТЭД)

KP20 Ключ ЭПК автостопа.

S1 ВЦУ.

SP1 Цепь управления токоприемником ВУП1.

SQ1-3

SQ8 (QП) Блокировки ВВК и люка выхода на крышу

SQ4-7 Герконовые реле жалюзи ПТР

Выключатели

"+А" SA45
"+1" SA45
Выбег SB31
"-1" SA45
"-А" SA45
"+ОВ" SA46
"-ОВ" SA46
Отключение двигателей 3-4 секции 1 SA28
Отключение двигателей 1-2 секции 1 SA28
Отключение двигателей 3-4 секции 2 SA29
Отключение двигателей 1-2 секции 2 SA29
Отключение двигателей 3-4 секции 3 SA30
Отключение двигателей 1-2 секции 3 SA30
Отключение двигателей 3-4 секции 4 SA31
Отключение двигателей 1-2 секции 4 SA31
Токоприемник секции 1 SB15
Токоприемник секции 2 SB16
Токоприемник секции 3 SB17
Токоприемник секции 4 SB18
Выключатель управления S1
Освещение ходовых частей SB12
Головная секция 1 SA32
Головная секция 3 SA34
Возбуждение:независимое SB14
Яркость индикаторов SB24
Принудительное включение компрессора SB11
Компрессор SB27
Вентиляторы SB28
Быстродействующий выключатель SB30
Включение мегаомметров SB33
Реверсор вперед SA41
Реверсор назад SA41
Ф.С. SA43
вспом. компрессор SB1
Продувка резервуаров SB13
Отпуск тормоза SA47
Обогрев кранов SB25
Песок принудительно SB8

 

Перечень аппаратов, управление которыми осуществляется системой МПСУ и Д.

5. Электропневматические контакторы с К1 по К40

6. Электромагнитные контакторы:

· КМ1 - включение первой ступени пуска преобразователя;

· КМ2 - включение второй ступени пуска преобразователя;

· КМ10, КМ11 - включение цепей управления;

· КМ14 – управление освещением ходовых частей;

· КМ15 – обогрев кранов;

· КМ17 – возврат защиты.

7. Электромагнитные вентили:

· QP1в - положение реверсора «ВПЕРЕД»;

· QP1н - положение реверсора «НАЗАД»;

· QP2н – переключатель «Независимое Возб.»;

· QP2п – переключатель «Последовательное Возб.»;

· QS1-1 – разъединитель «Вкл.»;

· QS1-2 – разъединитель «Выкл.»;

· QP1-1 – заземлитель «Вкл.»;

· QP1-2 – заземлитель «Выкл.»;

· КЭП1 – управление токоприемником;

· КЭП6, КЭП7 – продувка резервуаров 1;

· КЭП8, КЭП9 – продувка резервуаров 2;

· КЭП10 – жалюзи ПТР открыты;

· КЭП16, КЭП17 – управление «Песок вперед»;

· КЭП18, КЭП19 – управление «Песок назад»;

· ЭПВ – включение пневматических тормозов при срыве рекуперации;

· КЭБ1 – блокировочный клапан;

· КЭБ2 – отпуск тормозов;

 

Реле промежуточные (KL) которыми управляет МПСУ и Д

· РП2 – управление подпиткой дифференциальное реле ТД при переходе с соединения «С» на «СП»;

· РП6 – управление включением мегомметра;

· РП8 – включение блока УУБК;

· РП9 – управление быстродействующим выключателем;

· РП11 – включение блока управления мотор-компрессора.

РП1 - Цепи клапана КЭП1 токоприемника

РП3 - Включает в систему КЛУБ-У питание «+50 В» от преобразователя G1

РП4 - Срабатывает при включении переключателя «Стеклоочиститель» в положение «Тихо».

РП5 - Срабатывает при включении переключателя «Стеклоочиститель» в положение «Быстро».

РП7 - Срабатывает при включении переключателя «Освещение кабины» в положение «Ярко».

РП10 - Включается при срабатывании ДЭП (воздухораспределитель) тормозной магистрали. Размыкает цепь «Выбег», и подает сигнал МПСУ и Д, который разбирает силовую схему электровоза и не допускает ее сбора, пока в тормозных цилиндрах имеется сжатый воздух.

РП14 - Включение СВЛ-ТР.

РП15 – Блокировка в цепях ПСН контактора МК1.

Измерение напряжений и токов в силовых цепях осуществляется следующими преобразователями напряжения в код (ПНКВ-1) UZ:

· UZ1 - измеряет величину напряжения в контактной сети;

· UZ2 - измеряет величину напряжения на пуско-тормозных резисторах;

· UZ3 - МГМ-1 тяговых электродвигателей М1 и М2;

· UZ4 - МГМ-1 тяговых электродвигателей М3 и М4;

· UZ5 - измеряет величину тока якорей тяговых двигателей М1 и М2;

· UZ6 - измеряет величину тока якорей тяговых двигателей М3 и М4;

· UZ7 - измеряет величину тока в обмотках возбуждения тяговых электродвигателей М1 и М2;

· UZ8 - измеряет величину тока в обмотках возбуждения тяговых электродвигателей М3 и М4;

· UZ9 - измеряет величину тока в цепи ПСН;

· UZ10 - измеряет величину тока якорей тяговых электродвигателей М1 и М2 для СТПР-1000 (1);

· UZ11 - измеряет величину тока якорей тяговых электродвигателей М3 и М4 для СТПР-1000 (2);

· UZ12 – измеряет величину тока двигателя М11 обдува ПТР R3;

· UZ13 – измеряет величину тока двигателя М12 обдува ПТР R4.

Для защиты СТПР-1000 применены следующие преобразователями напряжения в код (ПНКВ-2) UZ:

· UZ14 - измеряет величину тока якорей тяговых электродвигателей М1 и М2 для включения драйвера тиристора от СТПР-1000 (1);

· UZ15 - измеряет величину тока якорей тяговых электродвигателей М3 и М4 для включения драйвера тиристора от СТПР-1000 (2).

 

Выключатели - разъединители:

QS30 – АКБ

QS11 – вентилятор охлаждения ТЭД1, ТЭД2

QS12 – вентилятор охлаждения ТЭД3, ТЭД4

QS13 – МК1

QS14 – вентилятор ПТР

QS15 – вентиляторы ПР

QS16 – резерв

QS17 – отопление.

Автоматические выключатели:

SF8 –резерв,

SF7 - вентиляторы охлаждения ПР,

SF4 - вентилятор охлаждения ТЭД4,

SF3 - вентилятор охлаждения ТЭД3,

SF2 - вентилятор охлаждения ТЭД2,

SF1 - вентилятор охлаждения ТЭД1,

SF6 - вентилятор ПТР,

SF5 - МК1,

SF50 – б/с – цепь 24В – 1,

SF38 – подогрев масла МК1,

SF37 – подогрев масла МК2,

SF36 – МК2,

SF35 – НОВ,

SF34 – НОВ,

SF33 – НОВ,

SF32 – НОВ,

SF28 – цепь АКБ – б/с – 1,

SF29 – цепь АКБ – б/с – 2,

SF30 – внешний ИП – цепь АКБ – 2,

SF12 – внешний ИП – цепь диагностики,

SF13 – внешний ИП – цепь АКБ – 1.

Панель автоматов.

1. SF – резерв,

2. SF66 – освещение тамбура и проходов,

3. SF61 – освещение кабины,

4. SF67 – освещение дежурное,

5. SF62 – освещение левой ВВК,

6. SF63 – освещение правой ВВК,

7. SF64 – освещение подкузовное,

8. SF47 – управление пневмовентилями,

9. SF48 – управление подогревом масла компрессоров

10. SF46 – управление обогревом кабины,

11. SF24 – цепь питания КЛУБ,

12. SF40 – бытовые приборы,

13. SF42 – кондиционер,

14. SF11 – подогрев чистой и грязной воды,

15. SF10 – обогрев туалета.

 

 

 

Питание защитных вентилей ВВК

 

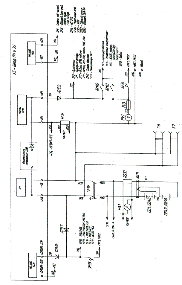
Схема цепей питания ПСН 3000

 

 

 

 

 

 

 

 

 

Для заметок

 

 

Для заметок

 

 







Date: 2015-06-11; view: 9904; Нарушение авторских прав



mydocx.ru - 2015-2026 year. (0.974 sec.) Все материалы представленные на сайте исключительно с целью ознакомления читателями и не преследуют коммерческих целей или нарушение авторских прав - Пожаловаться на публикацию