Главная Случайная страница


Полезное:

Как сделать разговор полезным и приятным Как сделать объемную звезду своими руками Как сделать то, что делать не хочется? Как сделать погремушку Как сделать так чтобы женщины сами знакомились с вами Как сделать идею коммерческой Как сделать хорошую растяжку ног? Как сделать наш разум здоровым? Как сделать, чтобы люди обманывали меньше Вопрос 4. Как сделать так, чтобы вас уважали и ценили? Как сделать лучше себе и другим людям Как сделать свидание интересным?


Категории:

АрхитектураАстрономияБиологияГеографияГеологияИнформатикаИскусствоИсторияКулинарияКультураМаркетингМатематикаМедицинаМенеджментОхрана трудаПравоПроизводствоПсихологияРелигияСоциологияСпортТехникаФизикаФилософияХимияЭкологияЭкономикаЭлектроника






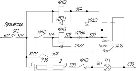
Прожектор





Для подачи напряжения 110 В в цепь питания лампы прожектора необходимо включить автоматический выключатель SF2 «Прожектор», расположенный на панели автоматов в шкафу МПСУ и Д. Управление включением прожектора осуществляется переключателем SA10, который имеет три положения: «Откл.», «Тускло» и «Ярко» (см. рисунок 34).

 

 

Рисунок 34. Схема цепи управления прожектором

 

После установки переключателя SA10 в положение «Тускло» образуется цепь: провод 302 (+110 В), контакт выключателя автоматического SF2, провод 503, катушка электромагнитного контактора КМ12, провод 504, контакт переключателя SA10 (положение «Тускло»), провод 600. Контактор КМ12 включается, и лампа прожектора получает питание по цепи: провод 302 (+110 В), контакт выключателя автоматического SF2, провод 503, добавочный резистор R30, провод 509, силовой контакт контактора КМ12, провод 561, лампа прожектора EL1, провод 600.

После установки переключателя SA10 в положение «Ярко» создается цепь для включения контактора КМ13. При этом цепь катушки контактора КМ12 от провода 504 замыкается через диод VD163, провод 507, контакт переключателя SA10 (положение «Ярко») на провод 600. Контактор КМ12 включается и катушка контактора КМ13 получает питание по цепи: провод 503, контакт блок-контакта контактора КМ12, провод 505, катушка контактора КМ13, провод 506, диодVD164, провод 507, контакт переключателя SA910 (положение «Ярко»), провод 600. Контактор КМ13 включается, замыкая своим силовым контактом цепь между проводами 503 и 508. При этом шунтируется значительная часть (выводы 1-2) добавочного сопротивления R30, что приводит к более яркому свечению лампы прожектора.

 







Date: 2015-06-11; view: 655; Нарушение авторских прав



mydocx.ru - 2015-2026 year. (4.086 sec.) Все материалы представленные на сайте исключительно с целью ознакомления читателями и не преследуют коммерческих целей или нарушение авторских прав - Пожаловаться на публикацию