Главная Случайная страница


Полезное:

Как сделать разговор полезным и приятным Как сделать объемную звезду своими руками Как сделать то, что делать не хочется? Как сделать погремушку Как сделать так чтобы женщины сами знакомились с вами Как сделать идею коммерческой Как сделать хорошую растяжку ног? Как сделать наш разум здоровым? Как сделать, чтобы люди обманывали меньше Вопрос 4. Как сделать так, чтобы вас уважали и ценили? Как сделать лучше себе и другим людям Как сделать свидание интересным?


Категории:

АрхитектураАстрономияБиологияГеографияГеологияИнформатикаИскусствоИсторияКулинарияКультураМаркетингМатематикаМедицинаМенеджментОхрана трудаПравоПроизводствоПсихологияРелигияСоциологияСпортТехникаФизикаФилософияХимияЭкологияЭкономикаЭлектроника






Управление переключателем режимным





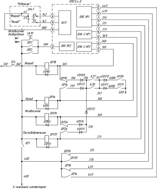
Переключатели QR1 и QR2 резервирования регуляторов напряжения РН-3000 показаны при работе тяговых электродвигателей в режиме «Независимое возбуждение ТЭД». Система МПСУ и Д контролирует положение переключателей через БВС № 2 по проводу 389. После установки одного из этих переключателей в нижнее положение, система МПСУ и Д автоматически переводит режимный переключатель в положение «Последовательное возбуждение ТЭД» по цепи: провод 302 (+110 В), автоматический выключатель SF4, провод 360, вентиль режимного переключателя QP2П «Последовательное», провод 371, БУК-3 № 7, провод 600. Режимный переключатель разворачивается в положение соответствующее последовательному возбуждению тяговых двигателей.

 

 
 

Рисунок 21. Схема цепей управления переключателями реверсивным и режимным

 

Для перехода в режим последовательного возбуждения при работающих регуляторах напряжения РН-3000 служит тумблер SA19 «Независимое возбуждение». При установке тумблера SA19 в положение «Выкл» система МПСУ и Д переводит режимный переключатель на последовательное возбуждение ТЭД.

Система МПСУ и Д через БВС № 1 контролирует положение режимного переключателя по замыканию его вспомогательных контактов:

· QP2Н - положение «Независимое» по проводу 375;

· QP2П - положение «Последовательное» по проводу 376.

Для исключения поворота режимного переключателя под током, после его установки в одно из положений и включения линейных контакторов, образуется дополнительная цепь питания соответствующего вентиля переключателя. Подпитка осуществляется через вспомогательные контакты линейных контакторов К27 или К28 по цепи: провод 302 (+110 В), автоматический выключатель SF4, провод 360, электромагнитный вентиль QР2Н (QР2П), провод 369 (371), вспомогательный контакт переключателя QР2Н (QР2П), диод VD174 (VD175) провод 370, диод VD172, провод 364, вспомогательный контакт контактора К27 (К28), провод 367, диод VD170 (VD171), провод 600А (600Б), вспомогательный контакт электромагнитного контактора КМ10 (КМ11), провод 600.

 







Date: 2015-06-11; view: 653; Нарушение авторских прав



mydocx.ru - 2015-2026 year. (1.763 sec.) Все материалы представленные на сайте исключительно с целью ознакомления читателями и не преследуют коммерческих целей или нарушение авторских прав - Пожаловаться на публикацию